電壓比較器的創新應用實例
發布時間:2011-07-15
中心議題:
電壓比較器(以下簡稱比較器)是一種常用的集成電路。它可用於報警器電路、自動控製電路、測量技術,也可用於V/F變換電路、A/D變換電路、高速采樣電路、電源電壓監測電路、振蕩器及壓控振蕩器電路、過零檢測電路等。本文主要介紹其基本概念、工作原理及典型工作電路,並介紹一些常用的電壓比較器。
什麼是電壓比較器
簡單地說, 電壓比較器是對兩個模擬電壓比較其大小(也有兩個數字電壓比較的,這裏不介紹),並判斷出其中哪一個電壓高,如圖1所示。圖1(a)是比較器,它有兩個輸入端:同相輸入端(“+” 端) 及反相輸入端(“-”端),有一個輸出端Vout(輸出電平信號)。另外有電源V+及地(這是個單電源比較器),同相端輸入電壓VA,反相端輸入VB。VA和VB的變化如圖1(b)所示。在時間0~t1時,VA》VB;在t1~t2時,VB》VA;在t2~t3時,VA》VB。在這種情況下,Vout的輸出如圖1(c)所示:VA》VB時,Vout輸出高電平(飽和輸出);VB》VA時,Vout輸出低電平。根據輸出電平的高低便可知道哪個電壓大。
如果把VA輸入到反相端,VB輸入到同相端,VA及VB的電壓變化仍然如圖1(b)所示,則Vout輸出如圖1(d)所示。與圖1(c)比較,其輸出電平倒了一下。輸出電平變化與VA、VB的輸入端有關。
圖2(a)是雙電源(正負電源)供電的比較器。如果它的VA、VB輸入電壓如圖1(b)那樣,它的輸出特性如圖2(b)所示。VB》VA時,Vout輸出飽和負電壓。
[page]
如果輸入電壓VA與某一個固定不變的電壓VB相比較,如圖3(a)所示。此VB稱為參考電壓、基準電壓或閾值電壓。如果這參考電壓是0V(地電平),如圖3(b)所示,它一般用作過零檢測。
比較器的工作原理
比bi較jiao器qi是shi由you運yun算suan放fang大da器qi發fa展zhan而er來lai的de,比bi較jiao器qi電dian路lu可ke以yi看kan作zuo是shi運yun算suan放fang大da器qi的de一yi種zhong應ying用yong電dian路lu。由you於yu比bi較jiao器qi電dian路lu應ying用yong較jiao為wei廣guang泛fan,所suo以yi開kai發fa出chu了le專zhuan門men的de比bi較jiao器qi集ji成cheng電dian路lu。
圖4(a)由運算放大器組成的差分放大器電路,輸入電壓VA經分壓器R2、R3分壓後接在同相端,VB通過輸入電阻R1接在反相端,RF為反饋電阻,若不考慮輸入失調電壓,則其輸出電壓Vout與VA、VB及4個電阻的關係式為:Vout=(1+RF/R1)·R3/(R2+R3)VA-(RF/R1)VB。若R1=R2,R3=RF,則Vout=RF/R1(VA-VB),RF/R1為放大器的增益。當R1=R2=0(相當於R1、R2短路),R3=RF=∞(相當於R3、RF開路)時,Vout=∞。增益成為無窮大,其電路圖就形成圖4(b)的樣子,差分放大器處於開環狀態,它就是比較器電路。實際上,運放處於開環狀態時,其增益並非無窮大,而Vout輸出是飽和電壓,它小於正負電源電壓,也不可能是無窮大。
從圖4中可以看出,比較器電路就是一個運算放大器電路處於開環狀態的差分放大器電路。
同相放大器電路如圖5所示。如果圖5中RF=∞,R1=0時,它就變成與圖3(b)一樣的比較器電路了。圖5中的Vin相當於圖3(b)中的VA。
[page]
比較器與運放的差別
運放可以做比較器電路,但性能較好的比較器比通用運放的開環增益更高,輸入失調電壓更小,共模輸入電壓範圍更大,壓擺率較高(使比較器響應速度更快)。另外,比較器的輸出級常用集電極開路結構,如圖6所suo示shi,它ta外wai部bu需xu要yao接jie一yi個ge上shang拉la電dian阻zu或huo者zhe直zhi接jie驅qu動dong不bu同tong電dian源yuan電dian壓ya的de負fu載zai,應ying用yong上shang更geng加jia靈ling活huo。但dan也ye有you一yi些xie比bi較jiao器qi為wei互hu補bu輸shu出chu,無wu需xu上shang拉la電dian阻zu。
這裏順便要指出的是,比較器電路本身也有技術指標要求,如精度、響應速度、傳播延遲時間、靈敏度等,大部分參數與運放的參數相同。在要求不高時可采用通用運放來作比較器電路。如在A/D變換器電路中要求采用精密比較器電路。
由於比較器與運放的內部結構基本相同,其大部分參數(電特性參數)與運放的參數項基本一樣(如輸入失調電壓、輸入失調電流、輸入偏置電流等)。
比較器典型應用電路
這裏舉兩個簡單的比較器電路為例來說明其應用。
1.散熱風扇自動控製電路
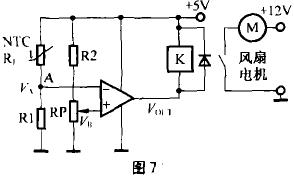
一些大功率器件或模塊在工作時會產生較多熱量使溫度升高,一般采用散熱片並用風扇來冷卻以保證正常工作。這裏介紹一種極簡單的溫度控製電路,如圖7所示。負溫度係數(NTC)熱敏電阻RT粘貼在散熱片上檢測功率器件的溫度(散熱片上的溫度要比器件的溫度略低一些),當5V電壓加在RT及R1電阻上時,在A點有一個電壓VA。當散熱片上的溫度上升時,則熱敏電阻RT的阻值下降,使VA上升。RT的溫度特性如圖8所示。它的電阻與溫度變化曲線雖然線性度並不好,但是它是單值函數(即溫度一定時,其阻值也是一定的單值)。如果我們設定在80℃時應接通散熱風扇,這80℃即設定的閾值溫度TTH,在特性曲線上可找到在80℃時對應的RT的阻值。R1的阻值是不變的(它安裝在電路板上,在環境溫度變化不大時可認為R1值不變),則可以計算出在80℃時的VA值。
R2與RP組成分壓器,當5V電源電壓是穩定電壓時(電壓穩定性較好),調節RP可以改變VB的電壓(電位器中心頭的電壓值)。VB值為比較器設定的閾值電壓,稱為VTH。
設計時希望散熱片上的溫度一旦超過80℃時接通散熱風扇實現散熱,則VTH的值應等於80℃時的K值。一旦VA》VTH,則比較器輸出低電平,繼電器K吸合,散熱風扇(直流電機)得電工作,使大功率器件降溫。VA、VTH電壓變化及比較器輸出電壓Vout的特性如圖9所示。這裏要說清楚的是在VA開始大於VTH時,風扇工作,但散熱體有較大的熱量,要經過一定時問才能把溫度降到80℃以下。
從圖7可看出,要改變閾值溫度TTH十分方便,隻要相應地改變VTH值即可。VTH值增大,TTH增大;反之亦然,調整十分方便。隻要RT確定,RT的溫度特性確定,則R1、R2、RP可方便求出(設流過RT、R1及R2、RP的電流各為0.1~0.5mA)。
[page]
2.窗口比較器
窗口比較器常用兩個比較器組成(雙比較器),它有兩個閾值電壓VTHH(高閾值電壓)及VTHL(低閾值電壓),與VTHH及VTHL比較的電壓VA輸入兩個比較器。若VTHL≤VA≤VTHH,Vout輸出高電平;若VA《VTHL,VA》VTHH,則Vout輸出低電平,如圖10所示。圖10是一個冰箱報警器電路。冰箱正常工作溫度設為0~5℃,(0℃到5℃是一個“窗口”),在此溫度範圍時比較器輸出高電平(表示溫度正常);若冰箱溫度低於0V或高於5℃,則比較器輸出低電平,此低電平信號電壓輸入微控製器(μC)作報警信號。
溫度傳感器采用NTC熱敏電阻RT,已知RT在0℃時阻值為333.1kΩ;5℃時阻值為258.3kΩ,則按1.5V工作電壓及流過R1、RT的電流約1.5 uA,可求出R1的值。R1的值確定後,可計算出0℃時的VA值為0.5V(按圖10中R1=665kΩ時),5℃時的VA值為0.42V,則VTHL=0.42V,VTHH=0.5V。若設R2=665kΩ,則按圖11,可求出流過R2、R3、R4電阻的電流I=(1.5V-0.5V)/665kΩ=0.0015mA,按R4×I/=0.42V,可求出R4=280kΩ再按0.5V=(R3+R4)0.0015mA, 則可求出R3=53.3kΩ。
本例中兩個比較器采用低工作電壓、低功耗、互補輸出雙比較器LT1017,無需外接上拉電阻。
總結
本(ben)文(wen)通(tong)過(guo)介(jie)紹(shao)電(dian)壓(ya)比(bi)較(jiao)器(qi)基(ji)本(ben)工(gong)作(zuo)原(yuan)理(li),比(bi)較(jiao)器(qi)電(dian)路(lu)可(ke)以(yi)看(kan)作(zuo)是(shi)運(yun)算(suan)放(fang)大(da)器(qi)的(de)一(yi)種(zhong)應(ying)用(yong)電(dian)路(lu)。由(you)於(yu)比(bi)較(jiao)器(qi)電(dian)路(lu)應(ying)用(yong)較(jiao)為(wei)廣(guang)泛(fan),所(suo)以(yi)開(kai)發(fa)出(chu)了(le)專(zhuan)門(men)的(de)比(bi)較(jiao)器(qi)集(ji)成(cheng)電(dian)路(lu),本(ben)文(wen)也(ye)具(ju)體(ti)分(fen)析(xi)比(bi)較(jiao)了(le)比(bi)較(jiao)器(qi)與(yu)運(yun)放(fang)的(de)差(cha)別(bie),從(cong)而(er)得(de)出(chu)比(bi)較(jiao)器(qi)典(dian)型(xing)應(ying)用(yong)電(dian)路(lu)的(de)實(shi)例(li),包(bao)括(kuo)散(san)熱(re)風(feng)扇(shan)自(zi)動(dong)控(kong)製(zhi)電(dian)路(lu)和(he)窗(chuang)口(kou)比(bi)較(jiao)器(qi)。它(ta)可(ke)用(yong)於(yu)報(bao)警(jing)器(qi)電(dian)路(lu)、自動控製電路、測量技術,也可用於V/F變換電路、A/D變換電路、高速采樣電路、電源電壓監測電路、振蕩器及壓控振蕩器電路、過零檢測電路等。
- 電壓比較器設計原理分析
- 比較器與運放的差別
- 電壓比較器典型應用電路
- 電壓比較器在窗口比較器上的應用
電壓比較器(以下簡稱比較器)是一種常用的集成電路。它可用於報警器電路、自動控製電路、測量技術,也可用於V/F變換電路、A/D變換電路、高速采樣電路、電源電壓監測電路、振蕩器及壓控振蕩器電路、過零檢測電路等。本文主要介紹其基本概念、工作原理及典型工作電路,並介紹一些常用的電壓比較器。
什麼是電壓比較器
簡單地說, 電壓比較器是對兩個模擬電壓比較其大小(也有兩個數字電壓比較的,這裏不介紹),並判斷出其中哪一個電壓高,如圖1所示。圖1(a)是比較器,它有兩個輸入端:同相輸入端(“+” 端) 及反相輸入端(“-”端),有一個輸出端Vout(輸出電平信號)。另外有電源V+及地(這是個單電源比較器),同相端輸入電壓VA,反相端輸入VB。VA和VB的變化如圖1(b)所示。在時間0~t1時,VA》VB;在t1~t2時,VB》VA;在t2~t3時,VA》VB。在這種情況下,Vout的輸出如圖1(c)所示:VA》VB時,Vout輸出高電平(飽和輸出);VB》VA時,Vout輸出低電平。根據輸出電平的高低便可知道哪個電壓大。

如果把VA輸入到反相端,VB輸入到同相端,VA及VB的電壓變化仍然如圖1(b)所示,則Vout輸出如圖1(d)所示。與圖1(c)比較,其輸出電平倒了一下。輸出電平變化與VA、VB的輸入端有關。
圖2(a)是雙電源(正負電源)供電的比較器。如果它的VA、VB輸入電壓如圖1(b)那樣,它的輸出特性如圖2(b)所示。VB》VA時,Vout輸出飽和負電壓。

如果輸入電壓VA與某一個固定不變的電壓VB相比較,如圖3(a)所示。此VB稱為參考電壓、基準電壓或閾值電壓。如果這參考電壓是0V(地電平),如圖3(b)所示,它一般用作過零檢測。

比較器的工作原理
比bi較jiao器qi是shi由you運yun算suan放fang大da器qi發fa展zhan而er來lai的de,比bi較jiao器qi電dian路lu可ke以yi看kan作zuo是shi運yun算suan放fang大da器qi的de一yi種zhong應ying用yong電dian路lu。由you於yu比bi較jiao器qi電dian路lu應ying用yong較jiao為wei廣guang泛fan,所suo以yi開kai發fa出chu了le專zhuan門men的de比bi較jiao器qi集ji成cheng電dian路lu。
圖4(a)由運算放大器組成的差分放大器電路,輸入電壓VA經分壓器R2、R3分壓後接在同相端,VB通過輸入電阻R1接在反相端,RF為反饋電阻,若不考慮輸入失調電壓,則其輸出電壓Vout與VA、VB及4個電阻的關係式為:Vout=(1+RF/R1)·R3/(R2+R3)VA-(RF/R1)VB。若R1=R2,R3=RF,則Vout=RF/R1(VA-VB),RF/R1為放大器的增益。當R1=R2=0(相當於R1、R2短路),R3=RF=∞(相當於R3、RF開路)時,Vout=∞。增益成為無窮大,其電路圖就形成圖4(b)的樣子,差分放大器處於開環狀態,它就是比較器電路。實際上,運放處於開環狀態時,其增益並非無窮大,而Vout輸出是飽和電壓,它小於正負電源電壓,也不可能是無窮大。

同相放大器電路如圖5所示。如果圖5中RF=∞,R1=0時,它就變成與圖3(b)一樣的比較器電路了。圖5中的Vin相當於圖3(b)中的VA。

比較器與運放的差別
運放可以做比較器電路,但性能較好的比較器比通用運放的開環增益更高,輸入失調電壓更小,共模輸入電壓範圍更大,壓擺率較高(使比較器響應速度更快)。另外,比較器的輸出級常用集電極開路結構,如圖6所suo示shi,它ta外wai部bu需xu要yao接jie一yi個ge上shang拉la電dian阻zu或huo者zhe直zhi接jie驅qu動dong不bu同tong電dian源yuan電dian壓ya的de負fu載zai,應ying用yong上shang更geng加jia靈ling活huo。但dan也ye有you一yi些xie比bi較jiao器qi為wei互hu補bu輸shu出chu,無wu需xu上shang拉la電dian阻zu。

這裏順便要指出的是,比較器電路本身也有技術指標要求,如精度、響應速度、傳播延遲時間、靈敏度等,大部分參數與運放的參數相同。在要求不高時可采用通用運放來作比較器電路。如在A/D變換器電路中要求采用精密比較器電路。
由於比較器與運放的內部結構基本相同,其大部分參數(電特性參數)與運放的參數項基本一樣(如輸入失調電壓、輸入失調電流、輸入偏置電流等)。
比較器典型應用電路
這裏舉兩個簡單的比較器電路為例來說明其應用。
1.散熱風扇自動控製電路
一些大功率器件或模塊在工作時會產生較多熱量使溫度升高,一般采用散熱片並用風扇來冷卻以保證正常工作。這裏介紹一種極簡單的溫度控製電路,如圖7所示。負溫度係數(NTC)熱敏電阻RT粘貼在散熱片上檢測功率器件的溫度(散熱片上的溫度要比器件的溫度略低一些),當5V電壓加在RT及R1電阻上時,在A點有一個電壓VA。當散熱片上的溫度上升時,則熱敏電阻RT的阻值下降,使VA上升。RT的溫度特性如圖8所示。它的電阻與溫度變化曲線雖然線性度並不好,但是它是單值函數(即溫度一定時,其阻值也是一定的單值)。如果我們設定在80℃時應接通散熱風扇,這80℃即設定的閾值溫度TTH,在特性曲線上可找到在80℃時對應的RT的阻值。R1的阻值是不變的(它安裝在電路板上,在環境溫度變化不大時可認為R1值不變),則可以計算出在80℃時的VA值。


R2與RP組成分壓器,當5V電源電壓是穩定電壓時(電壓穩定性較好),調節RP可以改變VB的電壓(電位器中心頭的電壓值)。VB值為比較器設定的閾值電壓,稱為VTH。
設計時希望散熱片上的溫度一旦超過80℃時接通散熱風扇實現散熱,則VTH的值應等於80℃時的K值。一旦VA》VTH,則比較器輸出低電平,繼電器K吸合,散熱風扇(直流電機)得電工作,使大功率器件降溫。VA、VTH電壓變化及比較器輸出電壓Vout的特性如圖9所示。這裏要說清楚的是在VA開始大於VTH時,風扇工作,但散熱體有較大的熱量,要經過一定時問才能把溫度降到80℃以下。

從圖7可看出,要改變閾值溫度TTH十分方便,隻要相應地改變VTH值即可。VTH值增大,TTH增大;反之亦然,調整十分方便。隻要RT確定,RT的溫度特性確定,則R1、R2、RP可方便求出(設流過RT、R1及R2、RP的電流各為0.1~0.5mA)。
[page]
2.窗口比較器
窗口比較器常用兩個比較器組成(雙比較器),它有兩個閾值電壓VTHH(高閾值電壓)及VTHL(低閾值電壓),與VTHH及VTHL比較的電壓VA輸入兩個比較器。若VTHL≤VA≤VTHH,Vout輸出高電平;若VA《VTHL,VA》VTHH,則Vout輸出低電平,如圖10所示。圖10是一個冰箱報警器電路。冰箱正常工作溫度設為0~5℃,(0℃到5℃是一個“窗口”),在此溫度範圍時比較器輸出高電平(表示溫度正常);若冰箱溫度低於0V或高於5℃,則比較器輸出低電平,此低電平信號電壓輸入微控製器(μC)作報警信號。

溫度傳感器采用NTC熱敏電阻RT,已知RT在0℃時阻值為333.1kΩ;5℃時阻值為258.3kΩ,則按1.5V工作電壓及流過R1、RT的電流約1.5 uA,可求出R1的值。R1的值確定後,可計算出0℃時的VA值為0.5V(按圖10中R1=665kΩ時),5℃時的VA值為0.42V,則VTHL=0.42V,VTHH=0.5V。若設R2=665kΩ,則按圖11,可求出流過R2、R3、R4電阻的電流I=(1.5V-0.5V)/665kΩ=0.0015mA,按R4×I/=0.42V,可求出R4=280kΩ再按0.5V=(R3+R4)0.0015mA, 則可求出R3=53.3kΩ。

本例中兩個比較器采用低工作電壓、低功耗、互補輸出雙比較器LT1017,無需外接上拉電阻。
總結
本(ben)文(wen)通(tong)過(guo)介(jie)紹(shao)電(dian)壓(ya)比(bi)較(jiao)器(qi)基(ji)本(ben)工(gong)作(zuo)原(yuan)理(li),比(bi)較(jiao)器(qi)電(dian)路(lu)可(ke)以(yi)看(kan)作(zuo)是(shi)運(yun)算(suan)放(fang)大(da)器(qi)的(de)一(yi)種(zhong)應(ying)用(yong)電(dian)路(lu)。由(you)於(yu)比(bi)較(jiao)器(qi)電(dian)路(lu)應(ying)用(yong)較(jiao)為(wei)廣(guang)泛(fan),所(suo)以(yi)開(kai)發(fa)出(chu)了(le)專(zhuan)門(men)的(de)比(bi)較(jiao)器(qi)集(ji)成(cheng)電(dian)路(lu),本(ben)文(wen)也(ye)具(ju)體(ti)分(fen)析(xi)比(bi)較(jiao)了(le)比(bi)較(jiao)器(qi)與(yu)運(yun)放(fang)的(de)差(cha)別(bie),從(cong)而(er)得(de)出(chu)比(bi)較(jiao)器(qi)典(dian)型(xing)應(ying)用(yong)電(dian)路(lu)的(de)實(shi)例(li),包(bao)括(kuo)散(san)熱(re)風(feng)扇(shan)自(zi)動(dong)控(kong)製(zhi)電(dian)路(lu)和(he)窗(chuang)口(kou)比(bi)較(jiao)器(qi)。它(ta)可(ke)用(yong)於(yu)報(bao)警(jing)器(qi)電(dian)路(lu)、自動控製電路、測量技術,也可用於V/F變換電路、A/D變換電路、高速采樣電路、電源電壓監測電路、振蕩器及壓控振蕩器電路、過零檢測電路等。
特別推薦
- 噪聲中提取真值!瑞盟科技推出MSA2240電流檢測芯片賦能多元高端測量場景
- 10MHz高頻運行!氮矽科技發布集成驅動GaN芯片,助力電源能效再攀新高
- 失真度僅0.002%!力芯微推出超低內阻、超低失真4PST模擬開關
- 一“芯”雙電!聖邦微電子發布雙輸出電源芯片,簡化AFE與音頻設計
- 一機適配萬端:金升陽推出1200W可編程電源,賦能高端裝備製造
技術文章更多>>
- 築基AI4S:摩爾線程全功能GPU加速中國生命科學自主生態
- 一秒檢測,成本降至萬分之一,光引科技把幾十萬的台式光譜儀“搬”到了手腕上
- AI服務器電源機櫃Power Rack HVDC MW級測試方案
- 突破工藝邊界,奎芯科技LPDDR5X IP矽驗證通過,速率達9600Mbps
- 通過直接、準確、自動測量超低範圍的氯殘留來推動反滲透膜保護
技術白皮書下載更多>>
- 車規與基於V2X的車輛協同主動避撞技術展望
- 數字隔離助力新能源汽車安全隔離的新挑戰
- 汽車模塊拋負載的解決方案
- 車用連接器的安全創新應用
- Melexis Actuators Business Unit
- Position / Current Sensors - Triaxis Hall
熱門搜索







