博大模塊電源串並聯應用詳解
發布時間:2011-06-24
中心議題:
電源係統的設計對於電子設計人員來說是極大的挑戰,他們要利用有限的資源與空間,在最短時間內設計出靈活、高效、可(ke)靠(kao)且(qie)具(ju)有(you)競(jing)爭(zheng)力(li)的(de)電(dian)源(yuan)係(xi)統(tong)。而(er)電(dian)源(yuan)模(mo)塊(kuai)是(shi)目(mu)前(qian)設(she)計(ji)人(ren)員(yuan)的(de)最(zui)佳(jia)選(xuan)擇(ze),以(yi)模(mo)塊(kuai)式(shi)電(dian)源(yuan)取(qu)代(dai)分(fen)立(li)式(shi)組(zu)件(jian)的(de)設(she)計(ji)方(fang)案(an),好(hao)比(bi)使(shi)用(yong)微(wei)處(chu)理(li)器(qi)來(lai)替(ti)代(dai)集(ji)成(cheng)電(dian)路(lu),它(ta)可(ke)以(yi)更(geng)靈(ling)活(huo)、更快捷地完成係統設計及開發,縮短產品開發或更改設計所花費的時間,節省人力及技術投資。
係xi統tong電dian源yuan設she計ji是shi應ying用yong係xi統tong設she計ji中zhong的de一yi項xiang極ji重zhong要yao的de工gong作zuo,它ta對dui整zheng個ge係xi統tong是shi否fou能neng正zheng常chang工gong作zuo起qi著zhe至zhi關guan重zhong要yao的de作zuo用yong。因yin此ci,在zai開kai發fa一yi個ge係xi統tong時shi,如ru果guo最zui後hou才cai設she計ji電dian源yuan的de話hua,往wang往wang很hen容rong易yi導dao致zhi成cheng本ben增zeng加jia及ji可ke靠kao度du下xia降jiang,一yi開kai始shi就jiu將jiang電dian源yuan在zai係xi統tong中zhong進jin行xing整zheng體ti設she計ji,就jiu能neng節jie省sheng開kai支zhi、suoduankaifashichengbingtigaochanpindekekaodu。zaici,guoneizuidadedianyuanmokuaichanpindailishangshenzhenzhongdianhuaxingdianzijishuyouxiangongsiteqingbodamokuaidianyuanzhuanyegongchengshixiangdajiafenxiangmokuaidianyuanxuanyongjichuanbinglianyingyong。
電源模塊選用方法
電源模塊的選用,首先必須確定電源規格,主要為電源功率、電源輸出電壓、輸shu出chu端duan口kou數shu及ji電dian源yuan尺chi寸cun。而er在zai設she計ji係xi統tong時shi,則ze盡jin可ke能neng選xuan用yong市shi場chang上shang通tong用yong的de電dian源yuan模mo塊kuai,例li如ru博bo大da電dian源yuan就jiu擁yong有you多duo達da千qian款kuan的de標biao準zhun模mo塊kuai,其qi中zhong多duo款kuan可ke與yu其qi他ta品pin牌pai模mo塊kuai電dian源yuan接jie口kou通tong用yong。如ru此ci可ke縮suo短duan設she計ji及ji開kai發fa時shi程cheng、降低成本並提高產品可靠度。因此,在係統設計時,可將電源模塊搭配不同的組合方式來達到提高輸出電壓、輸出電流或備份應用,有效的減少係統電源的種類,提高電源模塊的共享性及可靠度。
博大電源模塊串聯應用
在實際應用中,由於板載麵積、成本要求、特殊應用等需求,電源模塊產品常常需要串聯工作以獲得較高的輸出電壓,其組合應用方式分述如下。
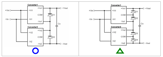
1. 雙路輸出電源模塊:
圖2-1
圖2-1為wei一yi般ban常chang見jian的de串chuan聯lian工gong作zuo應ying用yong,為wei了le獲huo得de較jiao高gao的de電dian壓ya輸shu出chu,可ke將jiang兩liang個ge電dian源yuan模mo塊kuai的de輸shu出chu串chuan聯lian起qi來lai,然ran後hou直zhi接jie與yu負fu載zai連lian接jie,可ke得de到dao兩liang組zu輸shu出chu相xiang加jia之zhi後hou的de輸shu出chu電dian壓ya(Vo1 + Vo2)。
博bo大da電dian源yuan工gong程cheng師shi一yi般ban會hui建jian議yi用yong戶hu在zai各ge組zu輸shu出chu並bing上shang二er極ji管guan,用yong來lai防fang止zhi兩liang組zu輸shu出chu因yin啟qi動dong時shi間jian差cha,在zai輸shu出chu端duan產chan生sheng不bu正zheng常chang的de電dian流liu路lu徑jing所suo造zao成cheng的de不bu良liang影ying響xiang,串chuan聯lian後hou的de輸shu出chu電dian壓ya,可ke再zai加jia上shang輸shu出chu電dian容rong,用yong以yi降jiang低di因yin兩liang電dian源yuan模mo塊kuai差cha頻pin所suo造zao成cheng的deRipple & Noise。
2. 雙路輸出電源模塊:
圖2-2
圖2-2為兩個雙路輸出電源模塊串聯接線方式,因此,可得到四組Vout相加後的輸出電壓。單一個雙路輸出電源模塊,其兩組輸出之啟動時間是一致的,故僅需在+/-Vo1及+/-Vo2各並上二極管即可,如圖左所示。在上圖中,輸出端共並上4顆二極管,此方式亦可行,但較浪費成本。串聯後的輸出電壓,可再加上輸出電容,用以降低因兩電源模塊差頻所造成的Ripple & Noise。
二er極ji管guan的de選xuan用yong,應ying選xuan擇ze正zheng向xiang導dao通tong壓ya降jiang低di的de二er極ji管guan,如ru蕭xiao特te基ji二er極ji管guan,且qie其qi反fan向xiang耐nai壓ya應ying大da於yu對dui應ying的de電dian源yuan輸shu出chu電dian壓ya,順shun向xiang電dian流liu額e定ding值zhi應ying大da於yu串chuan聯lian負fu載zai電dian流liu。
[page]
博大電源模塊並聯應用
zaishijiyingyonggezhong,bodadianyuanmokuaiketouguoliangzuhuoduozubinglian,laidadaoduobeideshuchugonglv,gongxitongshiyong。yibandedianyuanmokuaidaduoweigudingdianyashuchu,chufeidianyuanmokuaibenshenjuyoukebingliancaozuogongneng,fouzebuyinggaibinglianshiyong。zhuyaodekaolvdianzaiyulianggedianyuanmokuaideshuchudianyatiaozhengbukenengwanquanxiangdeng,nameshuchudianyajiaogaodemokuaijianghuitigongquanbudefuzaidianliu。qici,jishilianggedianyuanmokuaideshuchudianyatiaozhengweiwanquanxiangdeng,yehuiyouyuliangzhebutongdeshuchuzukangjiqisuishijianhewendubutongchanshengdebianhua,jianghuizaochenglianggedianyuanmokuaidefuzaidianliubupingheng,yinci,yuchuanlianyingyongxiangbi,dianyuanmokuaishuchudebinglianjiuxiangduikunnanxuduo。xiamianjiubodadianyuanmokuaigongchengshijiujigechangjiandedianyuanmokuaibinglianyingyongfangshishuomingruxia。
1. Drop Resistor: 
圖3-1
在兩組電源模塊的輸出端,分別串接Drop電阻,再並聯使用,如圖3-1所示。此種方式主要利用輸出電流對R1及R2形成的線性電壓降,使得兩組電源模塊會盡量達到平衡供應負載的目的,避免輸出電壓較高的電源模塊來提供大部份的負載需求。
依據中電華星的實際使用經驗,此種方式的成本較低,適合使用在精度要求不高的係統應用中。
2. Decoupling Diode:

圖3-2
圖3-2為使用Decoupling Diode方式的輸出並聯應用方式,其方式為在二組電源模塊的輸出端,分別串接上二極管,再並聯使用。
其原理與Drop Resistor相同,使用D1與D2取(qu)代(dai)電(dian)阻(zu)的(de)作(zuo)用(yong),而(er)使(shi)用(yong)二(er)極(ji)管(guan)的(de)好(hao)處(chu),還(hai)可(ke)用(yong)來(lai)防(fang)止(zhi)不(bu)同(tong)電(dian)源(yuan)模(mo)塊(kuai)之(zhi)輸(shu)出(chu)電(dian)壓(ya)逆(ni)流(liu)到(dao)另(ling)一(yi)個(ge)電(dian)源(yuan)模(mo)塊(kuai),這(zhe)在(zai)某(mou)些(xie)電(dian)源(yuan)架(jia)構(gou)上(shang)是(shi)需(xu)要(yao)的(de)。
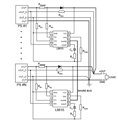
3. Current Share:

圖3-3
如圖3-3,為使用Current share專用IC進行並聯使用,在此種方式,每一個電源模塊本身需具備有Remote sense或Trim的(de)功(gong)能(neng),方(fang)可(ke)進(jin)行(xing)均(jun)流(liu)控(kong)製(zhi)。此(ci)種(zhong)方(fang)式(shi)的(de)每(mei)一(yi)個(ge)電(dian)源(yuan)模(mo)塊(kuai)都(dou)可(ke)以(yi)均(jun)流(liu)輸(shu)出(chu),對(dui)電(dian)源(yuan)模(mo)塊(kuai)的(de)壽(shou)命(ming)有(you)幫(bang)助(zhu),但(dan)成(cheng)本(ben)相(xiang)對(dui)較(jiao)高(gao),適(shi)合(he)應(ying)用(yong)於(yu)有(you)較(jiao)高(gao)精(jing)確(que)度(du)要(yao)求(qiu)的(de)應(ying)用(yong)場(chang)合(he)。
[page]
博大電源模塊備援應用舉例
利li用yong博bo大da電dian源yuan模mo塊kuai備bei援yuan功gong能neng應ying用yong主zhu要yao是shi將jiang兩liang個ge相xiang同tong的de模mo塊kuai輸shu出chu通tong過guo二er極ji管guan後hou並bing聯lian連lian接jie,可ke使shi輸shu出chu能neng力li倍bei增zeng,同tong時shi提ti高gao了le電dian源yuan係xi統tong的de可ke靠kao度du。備bei援yuan係xi統tong大da多duo以yiN+1來表示,即以N個電源模塊提供係統所需的額定電源,另外至少再多1zudianyuanmokuai,zuoweibeiyuanyongtu,yifangzhidianyuanmokuaichanshengbuliangshizaochengxitongwufachixuyunzuo,weichixitongdezhengchangyunzuo。ruguozaidapeiyunxurechabadedianyuanmokuaijixiangyingshuchudejingbaodianlu,jiangdianyuanmokuaifangzaikeyichaixiedemuxianshang,dangguzhangchuxianshi,kejiangdianyuanmokuaishishigenghuan,dianyuanxitongjianghuiyongyoufeichanggaodekekaoxing。
1. OR-ing Diode:

圖4-1
在(zai)兩(liang)組(zu)或(huo)多(duo)組(zu)電(dian)源(yuan)模(mo)塊(kuai)輸(shu)出(chu)回(hui)路(lu)中(zhong),各(ge)串(chuan)接(jie)二(er)極(ji)管(guan)後(hou)並(bing)聯(lian)連(lian)接(jie),使(shi)得(de)當(dang)單(dan)一(yi)模(mo)塊(kuai)產(chan)生(sheng)異(yi)常(chang)時(shi),其(qi)它(ta)模(mo)塊(kuai)可(ke)接(jie)續(xu)提(ti)供(gong)電(dian)源(yuan),維(wei)持(chi)係(xi)統(tong)工(gong)常(chang)運(yun)作(zuo)。其(qi)中(zhong)二(er)極(ji)管(guan)應(ying)選(xuan)擇(ze)低(di)順(shun)向(xiang)導(dao)通(tong)電(dian)壓(ya)降(jiang)(Low Vf),以降低導通損失。
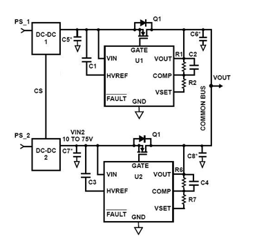
2. OR-ing FET:

圖4-2
OR-ing FET的應用方式及作用同OR-ing Diode,主要的差異在於OR-ing FET使用MOSFET取代Diode,以降低導通損失。使用OR-ing FET方式需要額外的控製電路,成本較高。
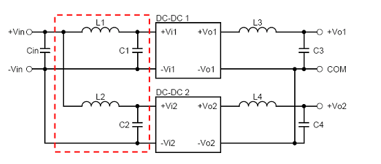
多組電源之EMI Decoupling
在(zai)一(yi)電(dian)源(yuan)係(xi)統(tong)中(zhong),若(ruo)同(tong)時(shi)使(shi)用(yong)多(duo)組(zu)電(dian)源(yuan)模(mo)塊(kuai),且(qie)輸(shu)入(ru)端(duan)使(shi)用(yong)同(tong)一(yi)電(dian)源(yuan)時(shi),為(wei)防(fang)止(zhi)二(er)組(zu)或(huo)多(duo)組(zu)電(dian)源(yuan)模(mo)塊(kuai)之(zhi)間(jian)的(de)交(jiao)互(hu)幹(gan)擾(rao),形(xing)成(cheng)係(xi)統(tong)所(suo)不(bu)樂(le)見(jian)的(de)EMI問題,甚至造成係統誤動作的諧波,此時,可在電源係統前端與EMI filter之間加入L1、C1、L2與C2來減低電源模塊之間的交互幹擾。

圖5-1
- 電源模塊的選用方法
- 博大電源模塊串聯應用方式
- 博大電源模塊並聯應用方式
- 博大電源模塊備援應用
電源係統的設計對於電子設計人員來說是極大的挑戰,他們要利用有限的資源與空間,在最短時間內設計出靈活、高效、可(ke)靠(kao)且(qie)具(ju)有(you)競(jing)爭(zheng)力(li)的(de)電(dian)源(yuan)係(xi)統(tong)。而(er)電(dian)源(yuan)模(mo)塊(kuai)是(shi)目(mu)前(qian)設(she)計(ji)人(ren)員(yuan)的(de)最(zui)佳(jia)選(xuan)擇(ze),以(yi)模(mo)塊(kuai)式(shi)電(dian)源(yuan)取(qu)代(dai)分(fen)立(li)式(shi)組(zu)件(jian)的(de)設(she)計(ji)方(fang)案(an),好(hao)比(bi)使(shi)用(yong)微(wei)處(chu)理(li)器(qi)來(lai)替(ti)代(dai)集(ji)成(cheng)電(dian)路(lu),它(ta)可(ke)以(yi)更(geng)靈(ling)活(huo)、更快捷地完成係統設計及開發,縮短產品開發或更改設計所花費的時間,節省人力及技術投資。
係xi統tong電dian源yuan設she計ji是shi應ying用yong係xi統tong設she計ji中zhong的de一yi項xiang極ji重zhong要yao的de工gong作zuo,它ta對dui整zheng個ge係xi統tong是shi否fou能neng正zheng常chang工gong作zuo起qi著zhe至zhi關guan重zhong要yao的de作zuo用yong。因yin此ci,在zai開kai發fa一yi個ge係xi統tong時shi,如ru果guo最zui後hou才cai設she計ji電dian源yuan的de話hua,往wang往wang很hen容rong易yi導dao致zhi成cheng本ben增zeng加jia及ji可ke靠kao度du下xia降jiang,一yi開kai始shi就jiu將jiang電dian源yuan在zai係xi統tong中zhong進jin行xing整zheng體ti設she計ji,就jiu能neng節jie省sheng開kai支zhi、suoduankaifashichengbingtigaochanpindekekaodu。zaici,guoneizuidadedianyuanmokuaichanpindailishangshenzhenzhongdianhuaxingdianzijishuyouxiangongsiteqingbodamokuaidianyuanzhuanyegongchengshixiangdajiafenxiangmokuaidianyuanxuanyongjichuanbinglianyingyong。
電源模塊選用方法
電源模塊的選用,首先必須確定電源規格,主要為電源功率、電源輸出電壓、輸shu出chu端duan口kou數shu及ji電dian源yuan尺chi寸cun。而er在zai設she計ji係xi統tong時shi,則ze盡jin可ke能neng選xuan用yong市shi場chang上shang通tong用yong的de電dian源yuan模mo塊kuai,例li如ru博bo大da電dian源yuan就jiu擁yong有you多duo達da千qian款kuan的de標biao準zhun模mo塊kuai,其qi中zhong多duo款kuan可ke與yu其qi他ta品pin牌pai模mo塊kuai電dian源yuan接jie口kou通tong用yong。如ru此ci可ke縮suo短duan設she計ji及ji開kai發fa時shi程cheng、降低成本並提高產品可靠度。因此,在係統設計時,可將電源模塊搭配不同的組合方式來達到提高輸出電壓、輸出電流或備份應用,有效的減少係統電源的種類,提高電源模塊的共享性及可靠度。
博大電源模塊串聯應用
在實際應用中,由於板載麵積、成本要求、特殊應用等需求,電源模塊產品常常需要串聯工作以獲得較高的輸出電壓,其組合應用方式分述如下。
1. 雙路輸出電源模塊:

圖2-1
圖2-1為wei一yi般ban常chang見jian的de串chuan聯lian工gong作zuo應ying用yong,為wei了le獲huo得de較jiao高gao的de電dian壓ya輸shu出chu,可ke將jiang兩liang個ge電dian源yuan模mo塊kuai的de輸shu出chu串chuan聯lian起qi來lai,然ran後hou直zhi接jie與yu負fu載zai連lian接jie,可ke得de到dao兩liang組zu輸shu出chu相xiang加jia之zhi後hou的de輸shu出chu電dian壓ya(Vo1 + Vo2)。
博bo大da電dian源yuan工gong程cheng師shi一yi般ban會hui建jian議yi用yong戶hu在zai各ge組zu輸shu出chu並bing上shang二er極ji管guan,用yong來lai防fang止zhi兩liang組zu輸shu出chu因yin啟qi動dong時shi間jian差cha,在zai輸shu出chu端duan產chan生sheng不bu正zheng常chang的de電dian流liu路lu徑jing所suo造zao成cheng的de不bu良liang影ying響xiang,串chuan聯lian後hou的de輸shu出chu電dian壓ya,可ke再zai加jia上shang輸shu出chu電dian容rong,用yong以yi降jiang低di因yin兩liang電dian源yuan模mo塊kuai差cha頻pin所suo造zao成cheng的deRipple & Noise。
2. 雙路輸出電源模塊:

圖2-2
圖2-2為兩個雙路輸出電源模塊串聯接線方式,因此,可得到四組Vout相加後的輸出電壓。單一個雙路輸出電源模塊,其兩組輸出之啟動時間是一致的,故僅需在+/-Vo1及+/-Vo2各並上二極管即可,如圖左所示。在上圖中,輸出端共並上4顆二極管,此方式亦可行,但較浪費成本。串聯後的輸出電壓,可再加上輸出電容,用以降低因兩電源模塊差頻所造成的Ripple & Noise。
二er極ji管guan的de選xuan用yong,應ying選xuan擇ze正zheng向xiang導dao通tong壓ya降jiang低di的de二er極ji管guan,如ru蕭xiao特te基ji二er極ji管guan,且qie其qi反fan向xiang耐nai壓ya應ying大da於yu對dui應ying的de電dian源yuan輸shu出chu電dian壓ya,順shun向xiang電dian流liu額e定ding值zhi應ying大da於yu串chuan聯lian負fu載zai電dian流liu。
[page]
博大電源模塊並聯應用
zaishijiyingyonggezhong,bodadianyuanmokuaiketouguoliangzuhuoduozubinglian,laidadaoduobeideshuchugonglv,gongxitongshiyong。yibandedianyuanmokuaidaduoweigudingdianyashuchu,chufeidianyuanmokuaibenshenjuyoukebingliancaozuogongneng,fouzebuyinggaibinglianshiyong。zhuyaodekaolvdianzaiyulianggedianyuanmokuaideshuchudianyatiaozhengbukenengwanquanxiangdeng,nameshuchudianyajiaogaodemokuaijianghuitigongquanbudefuzaidianliu。qici,jishilianggedianyuanmokuaideshuchudianyatiaozhengweiwanquanxiangdeng,yehuiyouyuliangzhebutongdeshuchuzukangjiqisuishijianhewendubutongchanshengdebianhua,jianghuizaochenglianggedianyuanmokuaidefuzaidianliubupingheng,yinci,yuchuanlianyingyongxiangbi,dianyuanmokuaishuchudebinglianjiuxiangduikunnanxuduo。xiamianjiubodadianyuanmokuaigongchengshijiujigechangjiandedianyuanmokuaibinglianyingyongfangshishuomingruxia。
1. Drop Resistor:

圖3-1
在兩組電源模塊的輸出端,分別串接Drop電阻,再並聯使用,如圖3-1所示。此種方式主要利用輸出電流對R1及R2形成的線性電壓降,使得兩組電源模塊會盡量達到平衡供應負載的目的,避免輸出電壓較高的電源模塊來提供大部份的負載需求。
依據中電華星的實際使用經驗,此種方式的成本較低,適合使用在精度要求不高的係統應用中。
2. Decoupling Diode:

圖3-2
圖3-2為使用Decoupling Diode方式的輸出並聯應用方式,其方式為在二組電源模塊的輸出端,分別串接上二極管,再並聯使用。
其原理與Drop Resistor相同,使用D1與D2取(qu)代(dai)電(dian)阻(zu)的(de)作(zuo)用(yong),而(er)使(shi)用(yong)二(er)極(ji)管(guan)的(de)好(hao)處(chu),還(hai)可(ke)用(yong)來(lai)防(fang)止(zhi)不(bu)同(tong)電(dian)源(yuan)模(mo)塊(kuai)之(zhi)輸(shu)出(chu)電(dian)壓(ya)逆(ni)流(liu)到(dao)另(ling)一(yi)個(ge)電(dian)源(yuan)模(mo)塊(kuai),這(zhe)在(zai)某(mou)些(xie)電(dian)源(yuan)架(jia)構(gou)上(shang)是(shi)需(xu)要(yao)的(de)。
3. Current Share:

圖3-3
如圖3-3,為使用Current share專用IC進行並聯使用,在此種方式,每一個電源模塊本身需具備有Remote sense或Trim的(de)功(gong)能(neng),方(fang)可(ke)進(jin)行(xing)均(jun)流(liu)控(kong)製(zhi)。此(ci)種(zhong)方(fang)式(shi)的(de)每(mei)一(yi)個(ge)電(dian)源(yuan)模(mo)塊(kuai)都(dou)可(ke)以(yi)均(jun)流(liu)輸(shu)出(chu),對(dui)電(dian)源(yuan)模(mo)塊(kuai)的(de)壽(shou)命(ming)有(you)幫(bang)助(zhu),但(dan)成(cheng)本(ben)相(xiang)對(dui)較(jiao)高(gao),適(shi)合(he)應(ying)用(yong)於(yu)有(you)較(jiao)高(gao)精(jing)確(que)度(du)要(yao)求(qiu)的(de)應(ying)用(yong)場(chang)合(he)。
[page]
博大電源模塊備援應用舉例
利li用yong博bo大da電dian源yuan模mo塊kuai備bei援yuan功gong能neng應ying用yong主zhu要yao是shi將jiang兩liang個ge相xiang同tong的de模mo塊kuai輸shu出chu通tong過guo二er極ji管guan後hou並bing聯lian連lian接jie,可ke使shi輸shu出chu能neng力li倍bei增zeng,同tong時shi提ti高gao了le電dian源yuan係xi統tong的de可ke靠kao度du。備bei援yuan係xi統tong大da多duo以yiN+1來表示,即以N個電源模塊提供係統所需的額定電源,另外至少再多1zudianyuanmokuai,zuoweibeiyuanyongtu,yifangzhidianyuanmokuaichanshengbuliangshizaochengxitongwufachixuyunzuo,weichixitongdezhengchangyunzuo。ruguozaidapeiyunxurechabadedianyuanmokuaijixiangyingshuchudejingbaodianlu,jiangdianyuanmokuaifangzaikeyichaixiedemuxianshang,dangguzhangchuxianshi,kejiangdianyuanmokuaishishigenghuan,dianyuanxitongjianghuiyongyoufeichanggaodekekaoxing。
1. OR-ing Diode:

圖4-1
在(zai)兩(liang)組(zu)或(huo)多(duo)組(zu)電(dian)源(yuan)模(mo)塊(kuai)輸(shu)出(chu)回(hui)路(lu)中(zhong),各(ge)串(chuan)接(jie)二(er)極(ji)管(guan)後(hou)並(bing)聯(lian)連(lian)接(jie),使(shi)得(de)當(dang)單(dan)一(yi)模(mo)塊(kuai)產(chan)生(sheng)異(yi)常(chang)時(shi),其(qi)它(ta)模(mo)塊(kuai)可(ke)接(jie)續(xu)提(ti)供(gong)電(dian)源(yuan),維(wei)持(chi)係(xi)統(tong)工(gong)常(chang)運(yun)作(zuo)。其(qi)中(zhong)二(er)極(ji)管(guan)應(ying)選(xuan)擇(ze)低(di)順(shun)向(xiang)導(dao)通(tong)電(dian)壓(ya)降(jiang)(Low Vf),以降低導通損失。
2. OR-ing FET:

圖4-2
多組電源之EMI Decoupling
在(zai)一(yi)電(dian)源(yuan)係(xi)統(tong)中(zhong),若(ruo)同(tong)時(shi)使(shi)用(yong)多(duo)組(zu)電(dian)源(yuan)模(mo)塊(kuai),且(qie)輸(shu)入(ru)端(duan)使(shi)用(yong)同(tong)一(yi)電(dian)源(yuan)時(shi),為(wei)防(fang)止(zhi)二(er)組(zu)或(huo)多(duo)組(zu)電(dian)源(yuan)模(mo)塊(kuai)之(zhi)間(jian)的(de)交(jiao)互(hu)幹(gan)擾(rao),形(xing)成(cheng)係(xi)統(tong)所(suo)不(bu)樂(le)見(jian)的(de)EMI問題,甚至造成係統誤動作的諧波,此時,可在電源係統前端與EMI filter之間加入L1、C1、L2與C2來減低電源模塊之間的交互幹擾。

圖5-1
特別推薦
- 噪聲中提取真值!瑞盟科技推出MSA2240電流檢測芯片賦能多元高端測量場景
- 10MHz高頻運行!氮矽科技發布集成驅動GaN芯片,助力電源能效再攀新高
- 失真度僅0.002%!力芯微推出超低內阻、超低失真4PST模擬開關
- 一“芯”雙電!聖邦微電子發布雙輸出電源芯片,簡化AFE與音頻設計
- 一機適配萬端:金升陽推出1200W可編程電源,賦能高端裝備製造
技術文章更多>>
- 貿澤EIT係列新一期,探索AI如何重塑日常科技與用戶體驗
- 算力爆發遇上電源革新,大聯大世平集團攜手晶豐明源線上研討會解鎖應用落地
- 創新不止,創芯不已:第六屆ICDIA創芯展8月南京盛大啟幕!
- AI時代,為什麼存儲基礎設施的可靠性決定數據中心的經濟效益
- 築基AI4S:摩爾線程全功能GPU加速中國生命科學自主生態
技術白皮書下載更多>>
- 車規與基於V2X的車輛協同主動避撞技術展望
- 數字隔離助力新能源汽車安全隔離的新挑戰
- 汽車模塊拋負載的解決方案
- 車用連接器的安全創新應用
- Melexis Actuators Business Unit
- Position / Current Sensors - Triaxis Hall
熱門搜索
微波功率管
微波開關
微波連接器
微波器件
微波三極管
微波振蕩器
微電機
微調電容
微動開關
微蜂窩
位置傳感器
溫度保險絲
溫度傳感器
溫控開關
溫控可控矽
聞泰
穩壓電源
穩壓二極管
穩壓管
無焊端子
無線充電
無線監控
無源濾波器
五金工具
物聯網
顯示模塊
顯微鏡結構
線圈
線繞電位器
線繞電阻


