理解功率MOSFET的RDS(ON)溫度係數特性
發布時間:2011-06-08
中心議題:
- 功率MOSFET傳輸特征
- 功率MOSFET內部晶胞的等效模型
解決方案:
- 溫度對功率MOSFET傳輸特征影響
- 功率MOSFET開關瞬態過程中晶胞的熱不平衡
通常,許多資料和教材都認為,MOSFET的導通電阻具有正的溫度係數,因此可以並聯工作。當其中一個並聯的MOSFETdewendushangshengshi,juyouzhengdewenduxishudaotongdianzuyezengjia,yinciliuguodedianliujianxiao,wendujiangdi,congershixianzidongdejunliudadaopingheng。tongyangduiyuyigegonglvMOSFET器件,在其內部也是有許多小晶胞並聯而成,晶胞的導通電阻具有正的溫度係數,因此並聯工作沒有問題。但是,當深入理解功率MOSFET的傳輸特性和溫度對其傳輸特性的影響,以及各個晶胞單元等效電路模型,就會發現,上述的理論隻有在MOSFETjinruwentaidaotongdezhuangtaixiacainengchengli,erzaikaiguanzhuanhuadeshuntaiguochengzhong,shangshulilunbingbuchengli,yincizaishijideyingyongzhonghuichanshengyixiewenti,benwenjiangxiangxidilunshuzhexiewenti,yijiuzhengchuantongrenshidejuxianxinghepianmianxing。
功率MOSFET傳輸特征
三極管有三個工作區:截止區、放大區和飽和區,而MOSFET對應的是關斷區、飽和區和線性區。MOSFET的飽和區對應著三極管的放大區,而MOSFET的線性區對應著三極管的飽和區。MOSFET線性區也叫三極區或可變電阻區,在這個區域,MOSFET基本上完全導通。
當MOSFET工作在飽和區時,MOSFET具有信號放大功能,柵極的電壓和漏極的電流基於其跨導保持一定的約束關係。柵極的電壓和漏極的電流的關係就是MOSFET的傳輸特性。

其中,μn為反型層中電子的遷移率,COX為氧化物介電常數與氧化物厚度比值,W和L分別為溝道寬度和長度。
溫度對功率MOSFET傳輸特征影響
在MOSFET的數據表中,通常可以找到它的典型的傳輸特性。注意到25℃和175℃兩條曲線有一個交點,此交點對應著相應的VGS電壓和ID電流值。若稱這個交點的VGS為轉折電壓,可以看到:在VGS轉折電壓的左下部分曲線,VGS電壓一定時,溫度越高,所流過的電流越大,溫度和電流形成正反饋,即MOSFET的RDS(ON)為負溫度係數,可以將這個區域稱為RDS(ON)的負溫度係數區域。

圖1 MOSFET轉移特性
而在VGS轉折電壓的右上部分曲線,VGS電壓一定時,溫度越高,所流過的電流越小,溫度和電流形成負反饋,即MOSFET的RDS(ON)為正溫度係數,可以將這個區域稱為RDS(ON)正溫度係數區域。
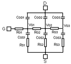
功率MOSFET內部晶胞的等效模型
在功率MOSFET的內部,由許多單元,即小的MOSFET晶胞並聯組成,在單位的麵積上,並聯的MOSFET晶胞越多,MOSFET的導通電阻RDS(ON)就越小。同樣的,晶元的麵積越大,那麼生產的MOSFET晶胞也就越多,MOSFET的導通電阻RDS(ON)也就越小。所有單元的G極和S極由內部金屬導體連接彙集在晶元的某一個位置,然後由導線引出到管腳,這樣G極在晶元彙集處為參考點,其到各個晶胞單元的電阻並不完全一致,離彙集點越遠的單元,G極的等效串聯電阻就越大。
正是由於串聯等效的柵極和源極電阻的分壓作用,造成晶胞單元的VGS的電壓不一致,從而導致各個晶胞單元電流不一致。在MOSFET開通的過程中,由於柵極電容的影響,會加劇各個晶胞單元電流不一致。
功率MOSFET開關瞬態過程中晶胞的熱不平衡
從圖2可以看出:在開通的過程中,漏極的電流ID在逐漸增大,離柵極管腳距離近的晶胞單元的電壓大於離柵極管腳距離遠的晶胞單元的電壓,即VG1>VG2>VG3>…,VGS電(dian)壓(ya)高(gao)的(de)單(dan)元(yuan),也(ye)就(jiu)是(shi)離(li)柵(zha)極(ji)管(guan)腳(jiao)距(ju)離(li)近(jin)的(de)晶(jing)胞(bao)單(dan)元(yuan),流(liu)過(guo)的(de)電(dian)流(liu)大(da),而(er)離(li)柵(zha)極(ji)管(guan)腳(jiao)距(ju)離(li)較(jiao)遠(yuan)的(de)晶(jing)胞(bao)單(dan)元(yuan),流(liu)過(guo)的(de)電(dian)流(liu)小(xiao),距(ju)離(li)最(zui)遠(yuan)地(di)方(fang)的(de)晶(jing)胞(bao)甚(shen)至(zhi)可(ke)能(neng)還(hai)沒(mei)有(you)導(dao)通(tong),因(yin)而(er)沒(mei)有(you)電(dian)流(liu)流(liu)過(guo)。電(dian)流(liu)大(da)的(de)晶(jing)胞(bao)單(dan)元(yuan),它(ta)們(men)的(de)溫(wen)度(du)升(sheng)高(gao)。

圖2 功率MOSFET的內部等效模型
由於在開通的過程中VGS的電壓逐漸增大到驅動電壓,VGS的電壓穿越RDS(ON)的(de)負(fu)溫(wen)度(du)係(xi)數(shu)區(qu)域(yu),此(ci)時(shi),那(na)些(xie)溫(wen)度(du)越(yue)高(gao)的(de)晶(jing)胞(bao)單(dan)元(yuan),由(you)於(yu)正(zheng)反(fan)饋(kui)的(de)作(zuo)用(yong),所(suo)流(liu)過(guo)的(de)電(dian)流(liu)進(jin)一(yi)步(bu)加(jia)大(da),晶(jing)胞(bao)單(dan)元(yuan)溫(wen)度(du)又(you)進(jin)一(yi)步(bu)上(shang)升(sheng)。如(ru)果(guo)VGS在RDS(ON)的負溫度係數區域工作或停留的時間越大,那麼這些晶胞單元就越有過熱擊穿的可能,造成局部的損壞。
如果VGS從RDS(ON)的負溫度係數區域到達RDS(ON)的正溫度係數區域時沒有形成局部的損壞,此時,在RDS(ON)的正溫度係數區域,晶胞單元的溫度越高,所流過的電流減小,晶胞單元溫度和電流形成負反饋,晶胞單元自動均流,達到平衡。
相應的,在MOSFET關斷過程中,離柵極管腳距離遠的晶胞單元的電壓降低得慢,容易在RDS(ON)的負溫度係數區域形成局部的過熱而損壞。
因此,加快MOSFET的開通和關斷速度,使MOSFET快速通過RDS(ON)的負溫度係數區域,就可以減小局部能量的聚集,防止晶胞單元局部的過熱而損壞。
基於上麵的分析,可以得到:當MOSFET局部損壞時,若損壞的熱點位於離柵極管腳距離近的區域,則可能是開通速度太慢產生的局部的損壞;若損壞的熱點位於離柵極管腳距離遠的區域,則可能是關斷速度太慢產生的局部損壞。
在柵極和源極加一個大的電容,在開機的過程中,就會經常發生MOSFET損壞的情況,正是由於額外的大的輸入電容造成晶胞單元VGS電壓更大的不平衡,從而更容易導致局部的損壞。
結論
1.MOSFET在開通的過程中,RDS(ON)從負溫度係數區域向正溫度係數區域轉化;在其關斷的過程中,RDS(ON)從正溫度係數區域向負溫度係數區域過渡。
2.MOSFET串聯等效的柵極和源極電阻的分壓作用和柵極電容的影響,造成晶胞單元的VGS的電壓不一致,從而導致各個晶胞單元電流不一致,在開通和關斷的過程中形成局部過熱損壞。
3.快速開通和關斷MOSFET,可(ke)以(yi)減(jian)小(xiao)局(ju)部(bu)能(neng)量(liang)的(de)聚(ju)集(ji),防(fang)止(zhi)晶(jing)胞(bao)單(dan)元(yuan)局(ju)部(bu)的(de)過(guo)熱(re)而(er)損(sun)壞(huai)。開(kai)通(tong)速(su)度(du)太(tai)慢(man),距(ju)離(li)柵(zha)極(ji)管(guan)腳(jiao)較(jiao)近(jin)的(de)區(qu)域(yu)局(ju)部(bu)容(rong)易(yi)產(chan)生(sheng)局(ju)部(bu)過(guo)熱(re)損(sun)壞(huai),關(guan)斷(duan)速(su)度(du)太(tai)慢(man),距(ju)離(li)柵(zha)極(ji)管(guan)腳(jiao)較(jiao)遠(yuan)的(de)區(qu)域(yu)容(rong)易(yi)產(chan)生(sheng)局(ju)部(bu)過(guo)熱(re)損(sun)壞(huai)。
- 噪聲中提取真值!瑞盟科技推出MSA2240電流檢測芯片賦能多元高端測量場景
- 10MHz高頻運行!氮矽科技發布集成驅動GaN芯片,助力電源能效再攀新高
- 失真度僅0.002%!力芯微推出超低內阻、超低失真4PST模擬開關
- 一“芯”雙電!聖邦微電子發布雙輸出電源芯片,簡化AFE與音頻設計
- 一機適配萬端:金升陽推出1200W可編程電源,賦能高端裝備製造
- 算力爆發遇上電源革新,大聯大世平集團攜手晶豐明源線上研討會解鎖應用落地
- 築基AI4S:摩爾線程全功能GPU加速中國生命科學自主生態
- 一秒檢測,成本降至萬分之一,光引科技把幾十萬的台式光譜儀“搬”到了手腕上
- AI服務器電源機櫃Power Rack HVDC MW級測試方案
- 突破工藝邊界,奎芯科技LPDDR5X IP矽驗證通過,速率達9600Mbps
- 車規與基於V2X的車輛協同主動避撞技術展望
- 數字隔離助力新能源汽車安全隔離的新挑戰
- 汽車模塊拋負載的解決方案
- 車用連接器的安全創新應用
- Melexis Actuators Business Unit
- Position / Current Sensors - Triaxis Hall




