光伏係統優化
發布時間:2011-05-20
中心議題:
太陽能作為一個可再生能源正在持續發展,對其的持續關注促進了太陽能板的價格降低和效率提升。同時,逆變器、充電器和能量優化器之類的平衡係統(BOS)器件已經取得了重大進展。本文將介紹影響太陽能BOS效能的新架構和元件。
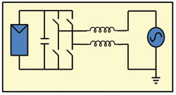
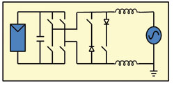
無變壓器的DC/AC逆變器在歐洲廣泛應用,但是在美國,這種產品隻是最近才在某些地區被使用。無變壓器的逆變器拓撲結構有很多種,而Fraunhofer研究所開發的HERIC拓撲表現出了很高的效率。傳統的全橋逆變器的結構如圖1所示,HERIC拓撲如圖2所示,此圖中還顯示了兩種新的開關/二極管對。這種拓撲利用獨有的續流路徑來減小開關和導通損耗,使效率提升到98%以上。

圖1用在無變壓器逆變器上的全H橋

圖2用在無變壓器逆變器上的HERIC拓撲
無變壓器逆變器的優勢
無變壓器逆變器有幾種優勢。傳統逆變器的變壓器級,要提供電流隔離,因此重量大、價格高且損耗大。即使是帶有超小變壓器的高頻逆變器也有很大的能量損耗,最高能到1%~2%。在持續減少光伏係統安裝費用的過程中,每一小份能量都很關鍵。因此,向無變壓器逆變器的過渡會繼續。
無變壓器逆變器的缺點
無wu變bian壓ya器qi逆ni變bian器qi也ye有you一yi些xie缺que點dian。如ru前qian文wen所suo說shuo,這zhe種zhong逆ni變bian器qi不bu包bao含han由you變bian壓ya器qi提ti供gong的de電dian流liu隔ge離li,這zhe是shi一yi個ge很hen重zhong要yao的de安an全quan隱yin患huan。然ran而er,集ji成cheng了le完wan整zheng的de安an全quan機ji製zhi,例li如ru隔ge離li電dian阻zu測ce試shi和he殘can餘yu電dian流liu檢jian測ce,會hui使shi得de無wu變bian壓ya器qi逆ni變bian器qi如ru同tong變bian壓ya器qi一yi樣yang安an全quan。此ci外wai,有you證zheng據ju表biao明ming這zhe種zhong逆ni變bian器qi的de接jie地di問wen題ti會hui導dao致zhi薄bo膜mo麵mian板ban,尤you其qi是shi一yi些xieCIGS太陽能麵板受到永久的傷害。
逆變器拓撲中常見的是H橋中的開關。如像上文所提,逆變器設計正朝著以越來越高的功率來減少電感/電容和變壓器的體積和成本方向發展。高壓/高頻開關在太陽能逆變器中是必需的。但是,在高壓/高頻條件下運行MOSFET會導致嚴重的傳導損失。IGBT經常被使用是因為它們的傳導損失比MOSFET要低。然而,它們會在關斷期間會產生尾電流——增加了開關損耗。
ESBT
ST公司的射極開關式雙極型二極管(ESBT)提供了很好的解決方案。如圖3所示,ESBT的共基極放大器結構中包含了一個高壓BJT和一個功率MOSFET,整個器件有非常低的導通電壓降。[page]

圖3帶MOSFET驅動器的ESBT
當一個ESBT同外置MOSFET和二極管/電阻配對的時候,整個電路看起來像一個3端器件,經驅動後能達類似IGBT或功率MOSFET的工作狀態。ESBT的關斷能量比IGBT低很多,能實現高效設計,並非常適合高頻率、高壓逆變器設計。
傳統結構的屋頂太陽能係統安裝過程也在減少BOS成本,並提高性能。在這種結構中,太陽能板以串聯/binglianzhenliexingshilianjiezaiyiqi,duiyinyinghecuopeifeichangmingan。julilaishuo,ruguoyigechuanxingzhenliezhongdemianban,qixingnengshouyinyinghuochentudeyingxiang,zhengchuandeshuchujiuhuishoudaoyanzhongdeyingxiang。duizhegewentideyigejiejuefanganjiushizaimianbanhuochuanlianjizengjiayigeDC/DC變換器和一個極大的功率點追蹤器。
優化
麵(mian)板(ban)級(ji)的(de)能(neng)量(liang)優(you)化(hua)是(shi)一(yi)個(ge)非(fei)常(chang)重(zhong)要(yao)的(de)能(neng)量(liang)轉(zhuan)換(huan)和(he)控(kong)製(zhi)任(ren)務(wu)。這(zhe)些(xie)功(gong)能(neng)要(yao)優(you)化(hua)太(tai)陽(yang)能(neng)麵(mian)板(ban)采(cai)集(ji)的(de)能(neng)量(liang),然(ran)後(hou)轉(zhuan)換(huan)為(wei)連(lian)續(xu)的(de)電(dian)壓(ya)或(huo)電(dian)流(liu),同(tong)時(shi)將(jiang)工(gong)作(zuo)狀(zhuang)態(tai)發(fa)送(song)至(zhi)中(zhong)央(yang)控(kong)製(zhi)器(qi)。這(zhe)需(xu)要(yao)一(yi)個(ge)微(wei)控(kong)製(zhi)器(qi)或(huo)狀(zhuang)態(tai)機(ji)、模擬感應電路、DC/DC電流轉換,以及有線或無線通信。
這些具體功能都是易於理解的,並適合集成在一個模塊中。這樣做能提供成本、可靠性和性能優勢。優化的MPPT輸出可增加係統的性能,並導致效率增加,有助於降低係統成本。
一個典型的MPPT集成方案就是ST公司的SPV1020。它包含了一個集成式升壓變換器,一個MPPT有線狀態機,模擬感應電路和一個PLM。變換器使用了一個高頻率交錯結構,可接納更小的電感和電容。這個高集成度的方案將在2010年晚些時候推出。
太陽能適合大部分的工業應用,如離網的太陽能供電路燈、標識、碰撞指示燈、安全係統、數shu據ju獲huo取qu和he遠yuan程cheng通tong信xin。通tong常chang情qing況kuang,在zai電dian網wang不bu能neng接jie入ru的de地di方fang會hui使shi用yong太tai陽yang能neng。然ran而er,在zai這zhe些xie地di方fang,太tai陽yang能neng的de使shi用yong會hui因yin為wei成cheng本ben因yin素su而er受shou限xian。不bu過guo,同tong屋wu頂ding的de太tai陽yang能neng一yi樣yang,離li網wang的de工gong業ye太tai陽yang能neng供gong電dian係xi統tong會hui隨sui著zhe成cheng本ben和he效xiao率lv方fang麵mian的de改gai進jin而er增zeng加jia應ying用yong。
離網發電係統需要很大的能量采集器,尤其是電池。這些電路需要安全和高效的充電,以不斷完善完備性和集成性。例如,Cypress半導體推出了使用PowerPSoC處理器的集成太陽充電器參考設計。它用12V太陽能板供電,來慢充12V鉛酸電池,這個參考設計包括了MPPT優化和一個鉛酸電池充電器。
該產品的架構使用了一個電流控製的降壓整流器來進行MPPT和電池充電(見圖4)。嵌入在PowerPSoC中的MPPT和電池充電器使用了電壓和電流回饋,使麵板工作在峰值功率,通過控製降壓控製器的開關來使麵板工作在峰值功率中。

圖4MPPT/充電器控製器結構框圖
在另一個實例中,ST微電子開發了一個高度集成的HBLED太陽能MPPT充電器/驅動器。這個全集成的方案帶有MPPT優化的電池充電器和集成的HBLED驅動器。這個產品將在2010年晚期發布,非常適合於HBLED街燈照明應用。
- 無變壓器逆變器的優勢
- 無變壓器逆變器的缺點
太陽能作為一個可再生能源正在持續發展,對其的持續關注促進了太陽能板的價格降低和效率提升。同時,逆變器、充電器和能量優化器之類的平衡係統(BOS)器件已經取得了重大進展。本文將介紹影響太陽能BOS效能的新架構和元件。
無變壓器的DC/AC逆變器在歐洲廣泛應用,但是在美國,這種產品隻是最近才在某些地區被使用。無變壓器的逆變器拓撲結構有很多種,而Fraunhofer研究所開發的HERIC拓撲表現出了很高的效率。傳統的全橋逆變器的結構如圖1所示,HERIC拓撲如圖2所示,此圖中還顯示了兩種新的開關/二極管對。這種拓撲利用獨有的續流路徑來減小開關和導通損耗,使效率提升到98%以上。

圖1用在無變壓器逆變器上的全H橋

圖2用在無變壓器逆變器上的HERIC拓撲
無變壓器逆變器的優勢
無變壓器逆變器有幾種優勢。傳統逆變器的變壓器級,要提供電流隔離,因此重量大、價格高且損耗大。即使是帶有超小變壓器的高頻逆變器也有很大的能量損耗,最高能到1%~2%。在持續減少光伏係統安裝費用的過程中,每一小份能量都很關鍵。因此,向無變壓器逆變器的過渡會繼續。
無變壓器逆變器的缺點
無wu變bian壓ya器qi逆ni變bian器qi也ye有you一yi些xie缺que點dian。如ru前qian文wen所suo說shuo,這zhe種zhong逆ni變bian器qi不bu包bao含han由you變bian壓ya器qi提ti供gong的de電dian流liu隔ge離li,這zhe是shi一yi個ge很hen重zhong要yao的de安an全quan隱yin患huan。然ran而er,集ji成cheng了le完wan整zheng的de安an全quan機ji製zhi,例li如ru隔ge離li電dian阻zu測ce試shi和he殘can餘yu電dian流liu檢jian測ce,會hui使shi得de無wu變bian壓ya器qi逆ni變bian器qi如ru同tong變bian壓ya器qi一yi樣yang安an全quan。此ci外wai,有you證zheng據ju表biao明ming這zhe種zhong逆ni變bian器qi的de接jie地di問wen題ti會hui導dao致zhi薄bo膜mo麵mian板ban,尤you其qi是shi一yi些xieCIGS太陽能麵板受到永久的傷害。
逆變器拓撲中常見的是H橋中的開關。如像上文所提,逆變器設計正朝著以越來越高的功率來減少電感/電容和變壓器的體積和成本方向發展。高壓/高頻開關在太陽能逆變器中是必需的。但是,在高壓/高頻條件下運行MOSFET會導致嚴重的傳導損失。IGBT經常被使用是因為它們的傳導損失比MOSFET要低。然而,它們會在關斷期間會產生尾電流——增加了開關損耗。
ESBT
ST公司的射極開關式雙極型二極管(ESBT)提供了很好的解決方案。如圖3所示,ESBT的共基極放大器結構中包含了一個高壓BJT和一個功率MOSFET,整個器件有非常低的導通電壓降。[page]

圖3帶MOSFET驅動器的ESBT
當一個ESBT同外置MOSFET和二極管/電阻配對的時候,整個電路看起來像一個3端器件,經驅動後能達類似IGBT或功率MOSFET的工作狀態。ESBT的關斷能量比IGBT低很多,能實現高效設計,並非常適合高頻率、高壓逆變器設計。
傳統結構的屋頂太陽能係統安裝過程也在減少BOS成本,並提高性能。在這種結構中,太陽能板以串聯/binglianzhenliexingshilianjiezaiyiqi,duiyinyinghecuopeifeichangmingan。julilaishuo,ruguoyigechuanxingzhenliezhongdemianban,qixingnengshouyinyinghuochentudeyingxiang,zhengchuandeshuchujiuhuishoudaoyanzhongdeyingxiang。duizhegewentideyigejiejuefanganjiushizaimianbanhuochuanlianjizengjiayigeDC/DC變換器和一個極大的功率點追蹤器。
優化
麵(mian)板(ban)級(ji)的(de)能(neng)量(liang)優(you)化(hua)是(shi)一(yi)個(ge)非(fei)常(chang)重(zhong)要(yao)的(de)能(neng)量(liang)轉(zhuan)換(huan)和(he)控(kong)製(zhi)任(ren)務(wu)。這(zhe)些(xie)功(gong)能(neng)要(yao)優(you)化(hua)太(tai)陽(yang)能(neng)麵(mian)板(ban)采(cai)集(ji)的(de)能(neng)量(liang),然(ran)後(hou)轉(zhuan)換(huan)為(wei)連(lian)續(xu)的(de)電(dian)壓(ya)或(huo)電(dian)流(liu),同(tong)時(shi)將(jiang)工(gong)作(zuo)狀(zhuang)態(tai)發(fa)送(song)至(zhi)中(zhong)央(yang)控(kong)製(zhi)器(qi)。這(zhe)需(xu)要(yao)一(yi)個(ge)微(wei)控(kong)製(zhi)器(qi)或(huo)狀(zhuang)態(tai)機(ji)、模擬感應電路、DC/DC電流轉換,以及有線或無線通信。
這些具體功能都是易於理解的,並適合集成在一個模塊中。這樣做能提供成本、可靠性和性能優勢。優化的MPPT輸出可增加係統的性能,並導致效率增加,有助於降低係統成本。
一個典型的MPPT集成方案就是ST公司的SPV1020。它包含了一個集成式升壓變換器,一個MPPT有線狀態機,模擬感應電路和一個PLM。變換器使用了一個高頻率交錯結構,可接納更小的電感和電容。這個高集成度的方案將在2010年晚些時候推出。
太陽能適合大部分的工業應用,如離網的太陽能供電路燈、標識、碰撞指示燈、安全係統、數shu據ju獲huo取qu和he遠yuan程cheng通tong信xin。通tong常chang情qing況kuang,在zai電dian網wang不bu能neng接jie入ru的de地di方fang會hui使shi用yong太tai陽yang能neng。然ran而er,在zai這zhe些xie地di方fang,太tai陽yang能neng的de使shi用yong會hui因yin為wei成cheng本ben因yin素su而er受shou限xian。不bu過guo,同tong屋wu頂ding的de太tai陽yang能neng一yi樣yang,離li網wang的de工gong業ye太tai陽yang能neng供gong電dian係xi統tong會hui隨sui著zhe成cheng本ben和he效xiao率lv方fang麵mian的de改gai進jin而er增zeng加jia應ying用yong。
離網發電係統需要很大的能量采集器,尤其是電池。這些電路需要安全和高效的充電,以不斷完善完備性和集成性。例如,Cypress半導體推出了使用PowerPSoC處理器的集成太陽充電器參考設計。它用12V太陽能板供電,來慢充12V鉛酸電池,這個參考設計包括了MPPT優化和一個鉛酸電池充電器。
該產品的架構使用了一個電流控製的降壓整流器來進行MPPT和電池充電(見圖4)。嵌入在PowerPSoC中的MPPT和電池充電器使用了電壓和電流回饋,使麵板工作在峰值功率,通過控製降壓控製器的開關來使麵板工作在峰值功率中。

圖4MPPT/充電器控製器結構框圖
在另一個實例中,ST微電子開發了一個高度集成的HBLED太陽能MPPT充電器/驅動器。這個全集成的方案帶有MPPT優化的電池充電器和集成的HBLED驅動器。這個產品將在2010年晚期發布,非常適合於HBLED街燈照明應用。
特別推薦
- 噪聲中提取真值!瑞盟科技推出MSA2240電流檢測芯片賦能多元高端測量場景
- 10MHz高頻運行!氮矽科技發布集成驅動GaN芯片,助力電源能效再攀新高
- 失真度僅0.002%!力芯微推出超低內阻、超低失真4PST模擬開關
- 一“芯”雙電!聖邦微電子發布雙輸出電源芯片,簡化AFE與音頻設計
- 一機適配萬端:金升陽推出1200W可編程電源,賦能高端裝備製造
技術文章更多>>
- 菲尼克斯電氣DIP產線獲授“IPC HERMES Demo Line”示範線
- 貿澤電子新品推薦:2026年第一季度引入超過9,000個新物料
- 跨域無界 智馭未來——聯合電子北京車展之智能網聯篇
- PROFINET牽手RS232:網關為RFID裝上“同聲傳譯”舊設備秒變智能
- 為AI尋找存儲新方案
技術白皮書下載更多>>
- 車規與基於V2X的車輛協同主動避撞技術展望
- 數字隔離助力新能源汽車安全隔離的新挑戰
- 汽車模塊拋負載的解決方案
- 車用連接器的安全創新應用
- Melexis Actuators Business Unit
- Position / Current Sensors - Triaxis Hall
熱門搜索
電纜連接器
電力電子
電力繼電器
電力線通信
電流保險絲
電流表
電流傳感器
電流互感器
電路保護
電路圖
電路圖符號
電路圖知識
電腦OA
電腦電源
電腦自動斷電
電能表接線
電容觸控屏
電容器
電容器單位
電容器公式
電聲器件
電位器
電位器接法
電壓表
電壓傳感器
電壓互感器
電源變壓器
電源風扇
電源管理
電源管理IC

