電源模塊的電磁幹擾設計
發布時間:2011-04-02
- 電源轉換器的低EMI設計
- 熱性能、電磁幹擾以及與PCB布局和電磁幹擾相關的方案
電源設計中即使是普通的直流到直流開關轉zhuan換huan器qi的de設she計ji都dou會hui出chu現xian一yi係xi列lie問wen題ti,尤you其qi在zai高gao功gong率lv電dian源yuan設she計ji中zhong更geng是shi如ru此ci。除chu功gong能neng性xing考kao慮lv以yi外wai,工gong程cheng師shi必bi須xu保bao證zheng設she計ji的de魯lu棒bang性xing,以yi符fu合he成cheng本ben目mu標biao要yao求qiu以yi及ji熱re性xing能neng和he空kong間jian限xian製zhi,當dang然ran同tong時shi還hai要yao保bao證zheng設she計ji的de進jin度du。另ling外wai,出chu於yu產chan品pin規gui範fan和he係xi統tong性xing能neng的de考kao慮lv,電dian源yuan產chan生sheng的de電dian磁ci幹gan擾rao(EMI)必(bi)須(xu)足(zu)夠(gou)低(di)。不(bu)過(guo),電(dian)源(yuan)的(de)電(dian)磁(ci)幹(gan)擾(rao)水(shui)平(ping)卻(que)是(shi)設(she)計(ji)中(zhong)最(zui)難(nan)精(jing)確(que)預(yu)計(ji)的(de)項(xiang)目(mu)。有(you)些(xie)人(ren)甚(shen)至(zhi)認(ren)為(wei)這(zhe)簡(jian)直(zhi)是(shi)不(bu)可(ke)能(neng)的(de),設(she)計(ji)人(ren)員(yuan)能(neng)做(zuo)的(de)最(zui)多(duo)就(jiu)是(shi)在(zai)設(she)計(ji)中(zhong)進(jin)行(xing)充(chong)分(fen)考(kao)慮(lv),尤(you)其(qi)在(zai)布(bu)局(ju)時(shi)。
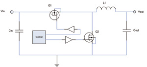
盡(jin)管(guan)本(ben)文(wen)所(suo)討(tao)論(lun)的(de)原(yuan)理(li)適(shi)用(yong)於(yu)廣(guang)泛(fan)的(de)電(dian)源(yuan)設(she)計(ji),但(dan)我(wo)們(men)在(zai)此(ci)隻(zhi)關(guan)注(zhu)直(zhi)流(liu)到(dao)直(zhi)流(liu)的(de)轉(zhuan)換(huan)器(qi),因(yin)為(wei)它(ta)的(de)應(ying)用(yong)相(xiang)當(dang)廣(guang)泛(fan),幾(ji)乎(hu)每(mei)一(yi)位(wei)硬(ying)件(jian)工(gong)程(cheng)師(shi)都(dou)會(hui)接(jie)觸(chu)到(dao)與(yu)它(ta)相(xiang)關(guan)的(de)工(gong)作(zuo),說(shuo)不(bu)定(ding)什(shen)麼(me)時(shi)候(hou)就(jiu)必(bi)須(xu)設(she)計(ji)一(yi)個(ge)電(dian)源(yuan)轉(zhuan)換(huan)器(qi)。本(ben)文(wen)中(zhong)我(wo)們(men)將(jiang)考(kao)慮(lv)與(yu)低(di)電(dian)磁(ci)幹(gan)擾(rao)設(she)計(ji)相(xiang)關(guan)的(de)兩(liang)種(zhong)常(chang)見(jian)的(de)折(zhe)中(zhong)方(fang)案(an);熱性能、電磁幹擾以及與PCB布局和電磁幹擾相關的方案尺寸等。文中我們將使用一個簡單的降壓轉換器做例子,如圖1所示。

圖1普通的降壓轉換器
在zai頻pin域yu內nei測ce量liang輻fu射she和he傳chuan導dao電dian磁ci幹gan擾rao,這zhe就jiu是shi對dui已yi知zhi波bo形xing做zuo傅fu裏li葉ye級ji數shu展zhan開kai,本ben文wen中zhong我wo們men著zhe重zhong考kao慮lv輻fu射she電dian磁ci幹gan擾rao性xing能neng。在zai同tong步bu降jiang壓ya轉zhuan換huan器qi中zhong,引yin起qi電dian磁ci幹gan擾rao的de主zhu要yao開kai關guan波bo形xing是shi由youQ1和Q2產生的,也就是每個場效應管在其各自導通周期內從漏極到源極的電流di/dt。圖2所示的電流波形(Q1on和Q2on)不是很規則的梯形,但是我們的操作自由度也就更大,因為導體電流的過渡相對較慢,所以可以應用HenryOtt經典著作《電子係統中的噪聲降低技術》中的公式1。我們發現,對於一個類似的波形,其上升和下降時間會直接影響諧波振幅或傅裏葉係數(In)。
In=2IdSin(nπd)/nπd×Sin(nπtr/T)/nπtr/T(1)[page]
其中,n是諧波級次,T是周期,I是波形的峰值電流強度,d是占空比,而tr是tr或tf的最小值。
在實際應用中,極有可能會同時遇到奇次和偶次諧波發射。如果隻產生奇次諧波,那麼波形的占空比必須精確為50%。而實際情況中極少有這樣的占空比精度。
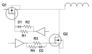
諧波係列的電磁幹擾幅度受Q1和Q2的通斷影響。在測量漏源電壓VDS的上升時間tr和下降時間tf,或流經Q1和Q2的電流上升率di/dt時,可以很明顯看到這一點。這也表示,我們可以很簡單地通過減緩Q1或Q2的通斷速度來降低電磁幹擾水平。事實正是如此,延長開關時間的確對頻率高於f=1/πtr的(de)諧(xie)波(bo)有(you)很(hen)大(da)影(ying)響(xiang)。不(bu)過(guo),此(ci)時(shi)必(bi)須(xu)在(zai)增(zeng)加(jia)散(san)熱(re)和(he)降(jiang)低(di)損(sun)耗(hao)間(jian)進(jin)行(xing)折(zhe)中(zhong)。盡(jin)管(guan)如(ru)此(ci),對(dui)這(zhe)些(xie)參(can)數(shu)加(jia)以(yi)控(kong)製(zhi)仍(reng)是(shi)一(yi)個(ge)好(hao)方(fang)法(fa),它(ta)有(you)助(zhu)於(yu)在(zai)電(dian)磁(ci)幹(gan)擾(rao)和(he)熱(re)性(xing)能(neng)間(jian)取(qu)得(de)平(ping)衡(heng)。具(ju)體(ti)可(ke)以(yi)通(tong)過(guo)增(zeng)加(jia)一(yi)個(ge)小(xiao)阻(zu)值(zhi)電(dian)阻(zu)(通常小於5Ω)實現,該電阻與Q1和Q2的柵極串聯即可控製tr和tf,你也可以給柵極電阻串聯一個"關斷二極管"來獨立控製過渡時間tr或tf(見圖3)。zheqishishiyigediedaiguocheng,shenzhilianjingyanzuifengfudedianyuanshejirenyuandoushiyongzhezhongfangfa。womendezuizhongmubiaoshitongguofangmanjingtiguandetongduansudu,shidianciganraojiangdizhikejieshoudeshuiping,tongshibaozhengqiwenduzugoudiyiquebaowendingxing。

圖3用關聯二極管來控製過渡時間
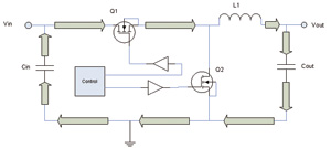
開關節點的物理回路麵積對於控製電磁幹擾也非常重要。通常,出於PCB麵mian積ji的de考kao慮lv,設she計ji者zhe都dou希xi望wang結jie構gou越yue緊jin湊cou越yue好hao,但dan是shi許xu多duo設she計ji人ren員yuan並bing不bu知zhi道dao哪na部bu分fen布bu局ju對dui電dian磁ci幹gan擾rao的de影ying響xiang最zui大da。回hui到dao之zhi前qian的de降jiang壓ya穩wen壓ya器qi例li子zi上shang,該gai例li中zhong有you兩liang個ge回hui路lu節jie點dian(如圖4和圖5所示),它們的尺寸會直接影響到電磁幹擾水平。

圖4 降壓穩壓器模型1

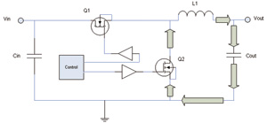
圖5降壓穩壓器模型2[page]
Ott關於不同模式電磁幹擾水平的公式(2)示意了回路麵積對電路電磁幹擾水平產生的直接線性影響。
E=263×10-16(f2AI)(1/r)(2)
輻射場正比於下列參數:涉及的諧波頻率(f,單位Hz)、回路麵積(A,單位m2)、電流(I)和測量距離(r,單位m)。
此概念可以推廣到所有利用梯形波形進行電路設計的場合,不過本文僅討論電源設計。參考圖4中的交流模型,研究其回路電流流動情況:起點為輸入電容器,然後在Q1導通期間流向Q1,再通過L1進入輸出電容器,最後返回輸入電容器中。
當Q1關斷、Q2導通時,就形成了第二個回路。之後存儲在L1內的能量流經輸出電容器和Q2,如圖5所示。這些回路麵積控製對於降低電磁幹擾是很重要的,在PCB走線布線時就要預先考慮清器件的布局問題。當然,回路麵積能做到多小也是有實際限製的。
從公式2可以看出,減小開關節點的回路麵積會有效降低電磁幹擾水平。如果回路麵積減小為原來的3倍,電磁幹擾會降低9.5dB,如果減小為原來的10倍,則會降低20dB。設計時,最好從最小化圖4和圖5所示的兩個回路節點的回路麵積著手,細致考慮器件的布局問題,同時注意銅線連接問題。盡量避免同時使用PCB的兩麵,因為通孔會使電感顯著增高,進而帶來其他問題。
qiadangfangzhigaopinshuruheshuchudianrongqidezhongyaoxingchangbeihulve。ruogannianyiqian,wosuozaidegongsizengbawomendechanpinshejizhuanranggeiguowaizhizaoshang。jieguo,wodegongzuozhizeyefashenglehendabianhua,wochengleyimingguwen,bangzhudianyuanshejixinshoujiejuewenzhongtidaodeyixiliexuyaoquanhengdeshiyijiqitazhongduowenti。zheliyouyigehanyoujichengzhenliuqidelixianshikaiguandeshejilizi:設(she)計(ji)人(ren)員(yuan)希(xi)望(wang)降(jiang)低(di)最(zui)終(zhong)功(gong)率(lv)級(ji)中(zhong)的(de)電(dian)磁(ci)幹(gan)擾(rao)。我(wo)隻(zhi)是(shi)簡(jian)單(dan)地(di)將(jiang)高(gao)頻(pin)輸(shu)出(chu)電(dian)容(rong)器(qi)移(yi)動(dong)到(dao)更(geng)靠(kao)近(jin)輸(shu)出(chu)級(ji)的(de)位(wei)置(zhi),其(qi)回(hui)路(lu)麵(mian)積(ji)就(jiu)大(da)約(yue)隻(zhi)剩(sheng)原(yuan)來(lai)的(de)一(yi)半(ban),而(er)電(dian)磁(ci)幹(gan)擾(rao)就(jiu)降(jiang)低(di)了(le)約(yue)6dB。而這位設計者顯然不太懂得其中的道理,他稱那個電容為"魔法帽子",而事實上我們隻是減小了開關節點的回路麵積。
- 噪聲中提取真值!瑞盟科技推出MSA2240電流檢測芯片賦能多元高端測量場景
- 10MHz高頻運行!氮矽科技發布集成驅動GaN芯片,助力電源能效再攀新高
- 失真度僅0.002%!力芯微推出超低內阻、超低失真4PST模擬開關
- 一“芯”雙電!聖邦微電子發布雙輸出電源芯片,簡化AFE與音頻設計
- 一機適配萬端:金升陽推出1200W可編程電源,賦能高端裝備製造
- 2026藍牙亞洲大會暨展覽在深啟幕
- 新市場與新場景推動嵌入式係統研發走向統一開發平台
- 維智捷發布中國願景
- 2秒啟動係統 • 資源受限下HMI最優解,米爾RK3506開發板× LVGL Demo演示
- H橋降壓-升壓電路中的交替控製與帶寬優化
- 車規與基於V2X的車輛協同主動避撞技術展望
- 數字隔離助力新能源汽車安全隔離的新挑戰
- 汽車模塊拋負載的解決方案
- 車用連接器的安全創新應用
- Melexis Actuators Business Unit
- Position / Current Sensors - Triaxis Hall

