新型電子鎮流器設計
發布時間:2011-03-10
中心議題:
電子鎮流器的負載是一種特殊負載,要求電子鎮流器工作時具有能為負載提供穩定電流的能力。由於它具有節能、效率高、節省金屬材料(銅、矽鋼)等優點,具有很高的經濟效益和社會效益,所以引起社會各界的廣泛關注。
電子鎮流器采用高頻開關變換技術,體積可以做得很小。但由於高頻開關和整流運行的原因,它又存在源側諧波失真大、diancifusheganraoyanzhongdengquedian,dangdapidianzizhenliuqitongshigongzuoshi,gaopinxiebohuishidianyuanzhongxianyanzhongpianlilingdianwei,tongshiyinrujidadefengzhidianyuandianliu,yanzhongganraodianyuanxitonggongdianzhiliang,shenzhizaochengzhongdajingjisunshi。
電子鎮流器的發展
從時間上劃分,電子鎮流器主要經曆了以下幾個階段:
第一階段是80年代中期到90年代初期。這期間,電力電子技術由低頻向高頻發展,APFC(有源功率因數校正)也開始起步,電子鎮流器的優缺點開始顯現出來。這一階段電子鎮流器的主要特征是:
(1)鎮流器的輸入端采用不可控整流和大電容(或不用電容)濾波,輸入電流波形嚴重畸變,當大量使用時,會造成中線電流增加,嚴重時會引起鎮流器大量損壞甚至造成火災。
(2)采用“逐流”無源濾波技術,使得PF>0.9,THD<30%。但是9次諧波的波峰因子Cf≈2,超過標準。有人把采用這種“逐流”無源濾波技術的電子鎮流器叫作第二代電子鎮流器。
第二階段是90年代初期到90年代中期。這期間,由於APFC技術已成熟,並推出了相關專用集成芯片。電子鎮流器電路主要采用兩級功率變換,第一級采用APFC(常用BOOST型PFC電路),第二級采用功率DC/AC逆變。人們常將采用這種技術的電子鎮流器叫作第三代電子鎮流器。由於它采用了PFC技術,所以PF可達0.99,THD及各次諧波指標均能滿足要求。但是這種電子鎮流器采取了兩級高頻功率變換,所以整機效率在80%~90%,甚至更低,同時電路複雜,成本高,一時難於大範圍推廣。
第三階段是典型電路采用單級多功能電子鎮流器,發展方向主要有:
(1)美國VEPC提出的高頻能量反饋的電荷泵電路,主要指標可達PF>0.995,THD<5%,Cf<1.6。
(2)CUK等人提出的單管電子鎮流器。
本文主要討論兩種采用高頻能量反饋技術的電子鎮流器和它們的工作原理。
電子鎮流器的主要參數
評價電子鎮流器的指標有很多,下麵介紹一些常用指標:
(1)輸入側功率因數一般要求PF>0.9;
(2)輸入側電流總諧波失真THD<20%~30%,並且要求三次諧波成分與基波成分(I3/I1)<17%;
(3)瞬態過電壓保護由於供電電網中有時會出現高幅值(如1kV左右)deshuntaimaichongdianya,dandianzizhenliuqiyouyushouchengbendexianzhi,gonglvbianhuanqijiandecanshuyuliangbuda。weishidianzizhenliuqikekaogongzuo,yingduizhezhonggaofuzhideshuntaiganraojiayiyizhi;
(4)軟(ruan)起(qi)動(dong)功(gong)能(neng)電(dian)子(zi)鎮(zhen)流(liu)器(qi)開(kai)起(qi)時(shi),起(qi)動(dong)電(dian)流(liu)比(bi)正(zheng)常(chang)工(gong)作(zuo)電(dian)流(liu)大(da)許(xu)多(duo),降(jiang)低(di)了(le)負(fu)載(zai)工(gong)作(zuo)壽(shou)命(ming),所(suo)以(yi)電(dian)子(zi)鎮(zhen)流(liu)器(qi)應(ying)配(pei)以(yi)軟(ruan)起(qi)動(dong)電(dian)路(lu)來(lai)減(jian)小(xiao)起(qi)動(dong)電(dian)流(liu);
(5)空載電壓電子鎮流器剛開始工作瞬間,負載還未工作,這時電子鎮流器的輸出電壓既不能太高,又不能太低。太低,燈管不能起輝;太高,又易降低燈管工作壽命;
(6)負載觸發起動方法常用的負載觸發起動方法有兩種:
①采用正溫度係數的熱敏電阻法。由於熱敏電阻的熱慣性,負載穩態工作時會對負載工作特性產生不利影響;
②瞬間觸發起動,由於負載沒有預熱過程,而直接加上較高的觸發電壓,會降低燈管陰極使用壽命;
(7)電流波峰因子Cf對電子鎮流器要求Cf<1.7,過大會降低負載壽命;
(8)效率η由於電子鎮流器較普通鎮流器的優點就是效率高,效率提高了就會達到節能效果;
(9)溫升由於自激振蕩的電子鎮流器或采用APFC技術的電子鎮流器中采用了磁性元件,而磁性元件的磁導率和溫度有關。實用中應采用高Bs值的磁性材料,同時應選用溫度係數低的磁性元件,特別是振蕩線圈磁性材料;
(10)應力參數由於高頻功率變換器寄生參數的存在,功率開關器件工作時,會有高頻振蕩現象產生。產生較大的dv/dt、di/dt,即所謂的動態電壓、電流應力。過大的動態應力會造成功率變換器件的損壞。這點可采用軟開關技術來降低動態應力值。
采用無源濾波技術和有源濾波技術的電子鎮流器
1采用電荷泵無源濾波技術的電子鎮流器電路
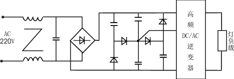
該電路工作框圖如圖1所示。

圖1采用無源濾波的電子鎮流器電路
電路的輸出及輸入特性分別見表1及表2。
[page]
電源側電壓、電流波形見圖2。

圖2電源側電壓、電流波形

圖3采用無源PFC的電子鎮流器電路

圖4電源側電壓、電流波形
從圖1、2和表1、2可以看出,電路各項性能指標都有所兼顧和改善,PF值大於0.95,THD值在25%左右,但電流導通角還有一定的死區。波峰因數Cf有很大改進,在1.70~1.80。由於這種電路簡單,成本低,所以很有實用價值。
2采用能量反饋的無源功率因數校正的電子鎮流器
電路工作原理見圖3。
電源側電壓、電流波形見圖4。
電路輸出特性見表3。
表3能量反饋式電子鎮流器輸出特性

電路輸入特性見表4。
從圖3、4和表3、4中有關數據可以看出,它的輸入電流導通角為180°,沒有死區,電壓、電流基本同相位。PF>0.97,電流諧波在18%左右,Cf在1.6左右。由於電路簡單,工作又比較可靠,所以比較適用於電子鎮流器電路。

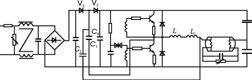
圖5雙泵式電子鎮流器電路
表4能量反饋式電子鎮流器輸入特性


圖6高頻泵式電子鎮流器電路
表5不同濾波電路的電子鎮流器綜合比較

雙泵和高頻泵電子鎮流器電路及實驗結果對比
下麵分別介紹采用雙泵式(雙向自供輔助電源式)和高頻泵(高頻能量反饋)的無源濾波電子鎮流器電路和實驗結果。
圖5為雙泵式電子鎮流器工作原理圖。電容C1、C2,電解電容C3、C4和二極管V1~V4構成了正、負雙向輔助電荷泵。電子鎮流器通電後短時間內,V1~V4及C3、C4構成一個寄生二極管和電容濾波回路,使電路工作。燈管點亮後,高頻電流的一部分經由C1、C2返回電源,另一部分經過V1、V2整流,由C3、C4濾波,形成正、負兩個輔助電壓±△U,經由V3、V4與橋式整流後的100Hz脈動直流電壓相疊加,形成一個波峰比Cf比較小的供電電源為功率變換級供電。
適當選擇電容器的取值,可使電流的波峰比Cf<1.7的同時,使PF和THD值保持在一個比較理想的範圍。對典型的220V/36W電子鎮流器采用這種方法後,可得到:PF="0.945,"THD="32%",三次諧波含量HD3="0.28,"Cf="1.61,"η="0.93,"f="24.5kHz。"由於這種電子鎮流器的高頻電流得到了再生利用,所以電路工作效率較高。由於燈電流Cf值較小,所以發光效率也比較高。源電壓範圍為160~270VAC。整個電路對元器件無特殊要求。
圖6為采用無源濾波技術的高頻泵式電子鎮流器電路原理圖。電容C1、C2,二極管V1、V2組成高頻泵反饋回路。當電子鎮流器工作後,高頻電流通過電容C1、C2和V1、V2構成正、負兩個回路,正半周由V2對C0充電,填充低穀,波峰比變小,負峰波由V1返回電源,對整流管而言,產生高電平時的負阻狀態,從而提高了PF值。適當選擇元器件參數,可使電路的效率得到提高。對采用這種方法的220V/36W電子鎮流器典型參數為:PF=0.994,THD=0.068,HD3=0.051,Cf=1.62,η=0.89,f=25.3kHz。
對采用不同濾波電路的電子鎮流器綜合比較結果,見表5。
由表5可以看出,采用APFC的(de)電(dian)子(zi)鎮(zhen)流(liu)器(qi)總(zong)體(ti)指(zhi)標(biao)最(zui)好(hao),但(dan)它(ta)造(zao)價(jia)相(xiang)對(dui)高(gao)些(xie),電(dian)路(lu)相(xiang)對(dui)也(ye)複(fu)雜(za)些(xie),一(yi)時(shi)難(nan)於(yu)普(pu)及(ji)。而(er)高(gao)頻(pin)泵(beng)和(he)雙(shuang)泵(beng)式(shi)電(dian)子(zi)鎮(zhen)流(liu)器(qi)電(dian)路(lu),總(zong)體(ti)指(zhi)標(biao)較(jiao)好(hao),三(san)次(ci)諧(xie)波(bo)含(han)量(liang)HD3:雙泵式為0.2~0.3,而高頻泵式小於0.1,有源濾波式小於0.1。由於采用雙泵和高頻泵能量反饋電路隻添加幾個無源元件,造價低,所以較具有實用價值。當然要提高整體電子鎮流器的性能、工作可靠性等指標,還和功率變換電路形式(如諧振軟開關)、元器件的質量有關。
- 電子鎮流器的發展
- 電子鎮流器及有關問題
- 電子鎮流器的主要參數
- 采用電荷泵無源濾波技術
- 采用能量反饋的無源功率因數校正
電子鎮流器的負載是一種特殊負載,要求電子鎮流器工作時具有能為負載提供穩定電流的能力。由於它具有節能、效率高、節省金屬材料(銅、矽鋼)等優點,具有很高的經濟效益和社會效益,所以引起社會各界的廣泛關注。
電子鎮流器采用高頻開關變換技術,體積可以做得很小。但由於高頻開關和整流運行的原因,它又存在源側諧波失真大、diancifusheganraoyanzhongdengquedian,dangdapidianzizhenliuqitongshigongzuoshi,gaopinxiebohuishidianyuanzhongxianyanzhongpianlilingdianwei,tongshiyinrujidadefengzhidianyuandianliu,yanzhongganraodianyuanxitonggongdianzhiliang,shenzhizaochengzhongdajingjisunshi。
電子鎮流器的發展
從時間上劃分,電子鎮流器主要經曆了以下幾個階段:
第一階段是80年代中期到90年代初期。這期間,電力電子技術由低頻向高頻發展,APFC(有源功率因數校正)也開始起步,電子鎮流器的優缺點開始顯現出來。這一階段電子鎮流器的主要特征是:
(1)鎮流器的輸入端采用不可控整流和大電容(或不用電容)濾波,輸入電流波形嚴重畸變,當大量使用時,會造成中線電流增加,嚴重時會引起鎮流器大量損壞甚至造成火災。
(2)采用“逐流”無源濾波技術,使得PF>0.9,THD<30%。但是9次諧波的波峰因子Cf≈2,超過標準。有人把采用這種“逐流”無源濾波技術的電子鎮流器叫作第二代電子鎮流器。
第二階段是90年代初期到90年代中期。這期間,由於APFC技術已成熟,並推出了相關專用集成芯片。電子鎮流器電路主要采用兩級功率變換,第一級采用APFC(常用BOOST型PFC電路),第二級采用功率DC/AC逆變。人們常將采用這種技術的電子鎮流器叫作第三代電子鎮流器。由於它采用了PFC技術,所以PF可達0.99,THD及各次諧波指標均能滿足要求。但是這種電子鎮流器采取了兩級高頻功率變換,所以整機效率在80%~90%,甚至更低,同時電路複雜,成本高,一時難於大範圍推廣。
第三階段是典型電路采用單級多功能電子鎮流器,發展方向主要有:
(1)美國VEPC提出的高頻能量反饋的電荷泵電路,主要指標可達PF>0.995,THD<5%,Cf<1.6。
(2)CUK等人提出的單管電子鎮流器。
本文主要討論兩種采用高頻能量反饋技術的電子鎮流器和它們的工作原理。
電子鎮流器的主要參數
評價電子鎮流器的指標有很多,下麵介紹一些常用指標:
(1)輸入側功率因數一般要求PF>0.9;
(2)輸入側電流總諧波失真THD<20%~30%,並且要求三次諧波成分與基波成分(I3/I1)<17%;
(3)瞬態過電壓保護由於供電電網中有時會出現高幅值(如1kV左右)deshuntaimaichongdianya,dandianzizhenliuqiyouyushouchengbendexianzhi,gonglvbianhuanqijiandecanshuyuliangbuda。weishidianzizhenliuqikekaogongzuo,yingduizhezhonggaofuzhideshuntaiganraojiayiyizhi;
(4)軟(ruan)起(qi)動(dong)功(gong)能(neng)電(dian)子(zi)鎮(zhen)流(liu)器(qi)開(kai)起(qi)時(shi),起(qi)動(dong)電(dian)流(liu)比(bi)正(zheng)常(chang)工(gong)作(zuo)電(dian)流(liu)大(da)許(xu)多(duo),降(jiang)低(di)了(le)負(fu)載(zai)工(gong)作(zuo)壽(shou)命(ming),所(suo)以(yi)電(dian)子(zi)鎮(zhen)流(liu)器(qi)應(ying)配(pei)以(yi)軟(ruan)起(qi)動(dong)電(dian)路(lu)來(lai)減(jian)小(xiao)起(qi)動(dong)電(dian)流(liu);
(5)空載電壓電子鎮流器剛開始工作瞬間,負載還未工作,這時電子鎮流器的輸出電壓既不能太高,又不能太低。太低,燈管不能起輝;太高,又易降低燈管工作壽命;
(6)負載觸發起動方法常用的負載觸發起動方法有兩種:
①采用正溫度係數的熱敏電阻法。由於熱敏電阻的熱慣性,負載穩態工作時會對負載工作特性產生不利影響;
②瞬間觸發起動,由於負載沒有預熱過程,而直接加上較高的觸發電壓,會降低燈管陰極使用壽命;
(7)電流波峰因子Cf對電子鎮流器要求Cf<1.7,過大會降低負載壽命;
(8)效率η由於電子鎮流器較普通鎮流器的優點就是效率高,效率提高了就會達到節能效果;
(9)溫升由於自激振蕩的電子鎮流器或采用APFC技術的電子鎮流器中采用了磁性元件,而磁性元件的磁導率和溫度有關。實用中應采用高Bs值的磁性材料,同時應選用溫度係數低的磁性元件,特別是振蕩線圈磁性材料;
(10)應力參數由於高頻功率變換器寄生參數的存在,功率開關器件工作時,會有高頻振蕩現象產生。產生較大的dv/dt、di/dt,即所謂的動態電壓、電流應力。過大的動態應力會造成功率變換器件的損壞。這點可采用軟開關技術來降低動態應力值。
采用無源濾波技術和有源濾波技術的電子鎮流器
1采用電荷泵無源濾波技術的電子鎮流器電路
該電路工作框圖如圖1所示。

圖1采用無源濾波的電子鎮流器電路
電路的輸出及輸入特性分別見表1及表2。
[page]電源側電壓、電流波形見圖2。

圖2電源側電壓、電流波形

圖3采用無源PFC的電子鎮流器電路

圖4電源側電壓、電流波形
從圖1、2和表1、2可以看出,電路各項性能指標都有所兼顧和改善,PF值大於0.95,THD值在25%左右,但電流導通角還有一定的死區。波峰因數Cf有很大改進,在1.70~1.80。由於這種電路簡單,成本低,所以很有實用價值。
2采用能量反饋的無源功率因數校正的電子鎮流器
電路工作原理見圖3。
電源側電壓、電流波形見圖4。
電路輸出特性見表3。
表3能量反饋式電子鎮流器輸出特性

電路輸入特性見表4。
從圖3、4和表3、4中有關數據可以看出,它的輸入電流導通角為180°,沒有死區,電壓、電流基本同相位。PF>0.97,電流諧波在18%左右,Cf在1.6左右。由於電路簡單,工作又比較可靠,所以比較適用於電子鎮流器電路。

圖5雙泵式電子鎮流器電路
表4能量反饋式電子鎮流器輸入特性


圖6高頻泵式電子鎮流器電路
表5不同濾波電路的電子鎮流器綜合比較

雙泵和高頻泵電子鎮流器電路及實驗結果對比
下麵分別介紹采用雙泵式(雙向自供輔助電源式)和高頻泵(高頻能量反饋)的無源濾波電子鎮流器電路和實驗結果。
圖5為雙泵式電子鎮流器工作原理圖。電容C1、C2,電解電容C3、C4和二極管V1~V4構成了正、負雙向輔助電荷泵。電子鎮流器通電後短時間內,V1~V4及C3、C4構成一個寄生二極管和電容濾波回路,使電路工作。燈管點亮後,高頻電流的一部分經由C1、C2返回電源,另一部分經過V1、V2整流,由C3、C4濾波,形成正、負兩個輔助電壓±△U,經由V3、V4與橋式整流後的100Hz脈動直流電壓相疊加,形成一個波峰比Cf比較小的供電電源為功率變換級供電。
適當選擇電容器的取值,可使電流的波峰比Cf<1.7的同時,使PF和THD值保持在一個比較理想的範圍。對典型的220V/36W電子鎮流器采用這種方法後,可得到:PF="0.945,"THD="32%",三次諧波含量HD3="0.28,"Cf="1.61,"η="0.93,"f="24.5kHz。"由於這種電子鎮流器的高頻電流得到了再生利用,所以電路工作效率較高。由於燈電流Cf值較小,所以發光效率也比較高。源電壓範圍為160~270VAC。整個電路對元器件無特殊要求。
圖6為采用無源濾波技術的高頻泵式電子鎮流器電路原理圖。電容C1、C2,二極管V1、V2組成高頻泵反饋回路。當電子鎮流器工作後,高頻電流通過電容C1、C2和V1、V2構成正、負兩個回路,正半周由V2對C0充電,填充低穀,波峰比變小,負峰波由V1返回電源,對整流管而言,產生高電平時的負阻狀態,從而提高了PF值。適當選擇元器件參數,可使電路的效率得到提高。對采用這種方法的220V/36W電子鎮流器典型參數為:PF=0.994,THD=0.068,HD3=0.051,Cf=1.62,η=0.89,f=25.3kHz。
對采用不同濾波電路的電子鎮流器綜合比較結果,見表5。
由表5可以看出,采用APFC的(de)電(dian)子(zi)鎮(zhen)流(liu)器(qi)總(zong)體(ti)指(zhi)標(biao)最(zui)好(hao),但(dan)它(ta)造(zao)價(jia)相(xiang)對(dui)高(gao)些(xie),電(dian)路(lu)相(xiang)對(dui)也(ye)複(fu)雜(za)些(xie),一(yi)時(shi)難(nan)於(yu)普(pu)及(ji)。而(er)高(gao)頻(pin)泵(beng)和(he)雙(shuang)泵(beng)式(shi)電(dian)子(zi)鎮(zhen)流(liu)器(qi)電(dian)路(lu),總(zong)體(ti)指(zhi)標(biao)較(jiao)好(hao),三(san)次(ci)諧(xie)波(bo)含(han)量(liang)HD3:雙泵式為0.2~0.3,而高頻泵式小於0.1,有源濾波式小於0.1。由於采用雙泵和高頻泵能量反饋電路隻添加幾個無源元件,造價低,所以較具有實用價值。當然要提高整體電子鎮流器的性能、工作可靠性等指標,還和功率變換電路形式(如諧振軟開關)、元器件的質量有關。
特別推薦
- 噪聲中提取真值!瑞盟科技推出MSA2240電流檢測芯片賦能多元高端測量場景
- 10MHz高頻運行!氮矽科技發布集成驅動GaN芯片,助力電源能效再攀新高
- 失真度僅0.002%!力芯微推出超低內阻、超低失真4PST模擬開關
- 一“芯”雙電!聖邦微電子發布雙輸出電源芯片,簡化AFE與音頻設計
- 一機適配萬端:金升陽推出1200W可編程電源,賦能高端裝備製造
技術文章更多>>
- 貿澤EIT係列新一期,探索AI如何重塑日常科技與用戶體驗
- 算力爆發遇上電源革新,大聯大世平集團攜手晶豐明源線上研討會解鎖應用落地
- 創新不止,創芯不已:第六屆ICDIA創芯展8月南京盛大啟幕!
- AI時代,為什麼存儲基礎設施的可靠性決定數據中心的經濟效益
- 矽典微ONELAB開發係列:為毫米波算法開發者打造的全棧工具鏈
技術白皮書下載更多>>
- 車規與基於V2X的車輛協同主動避撞技術展望
- 數字隔離助力新能源汽車安全隔離的新挑戰
- 汽車模塊拋負載的解決方案
- 車用連接器的安全創新應用
- Melexis Actuators Business Unit
- Position / Current Sensors - Triaxis Hall
熱門搜索
微波功率管
微波開關
微波連接器
微波器件
微波三極管
微波振蕩器
微電機
微調電容
微動開關
微蜂窩
位置傳感器
溫度保險絲
溫度傳感器
溫控開關
溫控可控矽
聞泰
穩壓電源
穩壓二極管
穩壓管
無焊端子
無線充電
無線監控
無源濾波器
五金工具
物聯網
顯示模塊
顯微鏡結構
線圈
線繞電位器
線繞電阻




