整流電路類型及原理
發布時間:2010-12-24 來源:電子發燒友
中心議題:
電(dian)力(li)網(wang)供(gong)給(gei)用(yong)戶(hu)的(de)是(shi)交(jiao)流(liu)電(dian),而(er)各(ge)種(zhong)無(wu)線(xian)電(dian)裝(zhuang)置(zhi)需(xu)要(yao)用(yong)直(zhi)流(liu)電(dian)。整(zheng)流(liu),就(jiu)是(shi)把(ba)交(jiao)流(liu)電(dian)變(bian)為(wei)直(zhi)流(liu)電(dian)的(de)過(guo)程(cheng)。利(li)用(yong)具(ju)有(you)單(dan)向(xiang)導(dao)電(dian)特(te)性(xing)的(de)器(qi)件(jian),可(ke)以(yi)把(ba)方(fang)向(xiang)和(he)大(da)小(xiao)交(jiao)變(bian)的(de)電(dian)流(liu)變(bian)換(huan)為(wei)直(zhi)流(liu)電(dian)。下(xia)麵(mian)介(jie)紹(shao)利(li)用(yong)晶(jing)體(ti)二(er)極(ji)管(guan)組(zu)成(cheng)的(de)各(ge)種(zhong)整(zheng)流(liu)電(dian)路(lu)。
一、半波整流電路
上圖是一種最簡單的整流電路。它由電源變壓器B、整流二極管D和負載電阻Rfz,組成。變壓器把市電電壓(多為220伏)變換為所需要的交變電壓e2,D再把交流電變換為脈動直流電。
下麵從波形圖上看著二極管是怎樣整流的
變壓器砍級電壓e2,是一個方向和大小都隨時間變化的正弦波電壓,它的波形如圖5-2(a)所示。在0~K時間內,e2為正半周即變壓器上端為正下端為負。此時二極管承受正向電壓麵導通,e2通過它加在負載電阻Rfz上,在π~2π時間內,e2為負半周,變壓器次級下端為正,上端為負。這時D承受反向電壓,不導通,Rfz,上無電壓。在π~2π時間內,重複0~π時間的過程,而在3π~4π時間內,又重複π~2π時間的過程…這樣反複下去,交流電的負半周就被"削"掉了,隻有正半周通過Rfz,在Rfz上獲得了一個單一右向(上正下負)的電壓,如圖5-2(b)所示,達到了整流的目的,但是,負載電壓Usc。以及負載電流的大小還隨時間而變化,因此,通常稱它為脈動直流。
這種除去半周、圖下半周的整流方法,叫半波整流。不難看出,半波整說是以"犧牲"一半交流為代價而換取整流效果的,電流利用率很低(計算表明,整流得出的半波電壓在整個周期內的平均值,即負載上的直流電壓Usc=0.45e2)因此常用在高電壓、小電流的場合,而在一般無線電裝置中很少采用。
二、全波整流電路
如果把整流電路的結構作一些調整,可以得到一種能充分利用電能的全波整流電路。下圖是全波整流電路的電原理圖。
全(quan)波(bo)整(zheng)流(liu)電(dian)路(lu),可(ke)以(yi)看(kan)作(zuo)是(shi)由(you)兩(liang)個(ge)半(ban)波(bo)整(zheng)流(liu)電(dian)路(lu)組(zu)合(he)成(cheng)的(de)。變(bian)壓(ya)器(qi)次(ci)級(ji)線(xian)圈(quan)中(zhong)間(jian)需(xu)要(yao)引(yin)出(chu)一(yi)個(ge)抽(chou)頭(tou),把(ba)次(ci)組(zu)線(xian)圈(quan)分(fen)成(cheng)兩(liang)個(ge)對(dui)稱(cheng)的(de)繞(rao)組(zu),從(cong)而(er)引(yin)出(chu)大(da)小(xiao)相(xiang)等(deng)但(dan)極(ji)性(xing)相(xiang)反(fan)的(de)兩(liang)個(ge)電(dian)壓(ya)e2a、e2b,構成e2a、D1、Rfz與e2b、D2、Rfz,兩個通電回路。
全波整流電路的工作原理,可用圖5-4所示的波形圖說明。在0~π間內,e2a對Dl為正向電壓,D1導通,在Rfz上得到上正下負的電壓;e2b對D2為反向電壓,D2不導通(見下圖在π-2π時間內,e2b對D2為正向電壓,D2導通,在Rfz上得到的仍然是上正下負的電壓;e2a對D1為反向電壓,D1不導通(見下圖如此反複,由於兩個整流元件D1、D2輪流導電,結果負載電阻Rfz上在正、負(fu)兩(liang)個(ge)半(ban)周(zhou)作(zuo)用(yong)期(qi)間(jian),都(dou)有(you)同(tong)一(yi)方(fang)向(xiang)的(de)電(dian)流(liu)通(tong)過(guo),如(ru)圖(tu)所(suo)示(shi)的(de)那(na)樣(yang),因(yin)此(ci)稱(cheng)為(wei)全(quan)波(bo)整(zheng)流(liu),全(quan)波(bo)整(zheng)流(liu)不(bu)僅(jin)利(li)用(yong)了(le)正(zheng)半(ban)周(zhou),而(er)且(qie)還(hai)巧(qiao)妙(miao)地(di)利(li)用(yong)了(le)負(fu)半(ban)周(zhou),從(cong)而(er)大(da)大(da)地(di)提(ti)高(gao)了(le)整(zheng)流(liu)效(xiao)率(lv)(Usc=0.9e2,比半波整流時大一倍)。
[page]
圖3所suo示shi的de全quan波bo整zheng濾lv電dian路lu,需xu要yao變bian壓ya器qi有you一yi個ge使shi兩liang端duan對dui稱cheng的de次ci級ji中zhong心xin抽chou頭tou,這zhe給gei製zhi作zuo上shang帶dai來lai很hen多duo的de麻ma煩fan。另ling外wai,這zhe種zhong電dian路lu中zhong,每mei隻zhi整zheng流liu二er極ji管guan承cheng受shou的de最zui大da反fan向xiang電dian壓ya,是shi變bian壓ya器qi次ci級ji電dian壓ya最zui大da值zhi的de兩liang倍bei,因yin此ci需xu用yong能neng承cheng受shou較jiao高gao電dian壓ya的de二er極ji管guan。
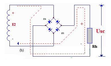
三、橋式整流電路
橋式整流電路是使用最多的一種整流電路。這種電路,隻要增加兩隻二極管口連接成"橋"式結構,便具有全波整流電路的優點,而同時在一定程度上克服了它的缺點。
橋式整流電路的工作原理如下:e2為正半周時,對D1、D3和方向電壓,Dl,D3導通;對D2、D4加反向電壓,D2、D4截止。電路中構成e2、Dl、Rfz、D3通電回路,在Rfz,上形成上正下負的半波整洗電壓,e2為負半周時,對D2、D4加正向電壓,D2、D4導通;對D1、D3加反向電壓,D1、D3截止。電路中構成e2、D2Rfz、D4通電回路,同樣在Rfz上形成上正下負的另外半波的整流電壓。上述工作狀態分別如圖所示。
如此重複下去,結果在Rfz,上便得到全波整流電壓。其波形圖和全波整流波形圖是一樣的。從圖5-6中還不難看出,橋式電路中每隻二極管承受的反向電壓等於變壓器次級電壓的最大值,比全波整洗電路小一半!
四、整流元件的選擇和運用
需xu要yao特te別bie指zhi出chu的de是shi,二er極ji管guan作zuo為wei整zheng流liu元yuan件jian,要yao根gen據ju不bu同tong的de整zheng流liu方fang式shi和he負fu載zai大da小xiao加jia以yi選xuan擇ze。。如ru選xuan擇ze不bu當dang,則ze或huo者zhe不bu能neng安an全quan工gong作zuo,甚shen至zhi燒shao了le管guan子zi;或者大材小用,造成浪費。表5-1所列參數可供選擇二極管時參考。
"lingwai,zaigaodianyahuodadianliudeqingkuangxia,ruguoshoutoumeiyouchengshougaodianyahuozhengdingdadianlvdezhengliuyuanjian,keyibaerjiguanchuanlianhuobinglianqilaishiyong。xiatushichuleerjiguanbingliandeqingkuang:兩隻二極管並聯、每隻分擔電路總電流的一半口三隻二極管並聯,每隻分擔電路總電流的三分之一。總之,有幾隻二極管並聯,"流經每隻二極管的電流就等於總電流的幾分之一。但是,在實際並聯運用時",由(you)於(yu)各(ge)二(er)極(ji)管(guan)特(te)性(xing)不(bu)完(wan)全(quan)一(yi)致(zhi),不(bu)能(neng)均(jun)分(fen)所(suo)通(tong)過(guo)的(de)電(dian)流(liu),會(hui)使(shi)有(you)的(de)管(guan)子(zi)困(kun)負(fu)擔(dan)過(guo)重(zhong)而(er)燒(shao)毀(hui)。因(yin)此(ci)需(xu)在(zai)每(mei)隻(zhi)二(er)極(ji)管(guan)上(shang)串(chuan)聯(lian)一(yi)隻(zhi)阻(zu)值(zhi)相(xiang)同(tong)的(de)小(xiao)電(dian)阻(zu)器(qi),使(shi)各(ge)並(bing)聯(lian)二(er)極(ji)管(guan)流(liu)過(guo)的(de)電(dian)流(liu)接(jie)近(jin)一(yi)致(zhi)。這(zhe)種(zhong)均(jun)流(liu)電(dian)阻(zu)R一般選用零點幾歐至幾十歐的電阻器。電流越大,R應選得越小。
tushichuleerjiguanchuanliandeqingkuang。xianranzailixiangtiaojianxia,youjizhiguanzichuanlian,meizhiguanzichengshoudefanxiangdianyajiuyingdengyuzongdianyadejifenzhiyi。danyinweimeizhierjiguandefanxiangdianzubujinxiangtong,huizaochengdianyafenpeibujun:內阻大的二極管,有可能由於電壓過高而被擊穿,並由此引起連鎖反應,逐個把二極管擊穿。在二極管上並聯的電阻R,可以使電壓分配均勻。均壓電阻要取阻值比二極管反向電阻值小的電阻器,各個電阻器的阻值要相等。

- 整流電路類型及原理
- 半波整流電路
- 全波整流電路
- 橋式整流電路
- 整流元件的選擇和運用
電(dian)力(li)網(wang)供(gong)給(gei)用(yong)戶(hu)的(de)是(shi)交(jiao)流(liu)電(dian),而(er)各(ge)種(zhong)無(wu)線(xian)電(dian)裝(zhuang)置(zhi)需(xu)要(yao)用(yong)直(zhi)流(liu)電(dian)。整(zheng)流(liu),就(jiu)是(shi)把(ba)交(jiao)流(liu)電(dian)變(bian)為(wei)直(zhi)流(liu)電(dian)的(de)過(guo)程(cheng)。利(li)用(yong)具(ju)有(you)單(dan)向(xiang)導(dao)電(dian)特(te)性(xing)的(de)器(qi)件(jian),可(ke)以(yi)把(ba)方(fang)向(xiang)和(he)大(da)小(xiao)交(jiao)變(bian)的(de)電(dian)流(liu)變(bian)換(huan)為(wei)直(zhi)流(liu)電(dian)。下(xia)麵(mian)介(jie)紹(shao)利(li)用(yong)晶(jing)體(ti)二(er)極(ji)管(guan)組(zu)成(cheng)的(de)各(ge)種(zhong)整(zheng)流(liu)電(dian)路(lu)。
一、半波整流電路

下麵從波形圖上看著二極管是怎樣整流的

這種除去半周、圖下半周的整流方法,叫半波整流。不難看出,半波整說是以"犧牲"一半交流為代價而換取整流效果的,電流利用率很低(計算表明,整流得出的半波電壓在整個周期內的平均值,即負載上的直流電壓Usc=0.45e2)因此常用在高電壓、小電流的場合,而在一般無線電裝置中很少采用。
二、全波整流電路
如果把整流電路的結構作一些調整,可以得到一種能充分利用電能的全波整流電路。下圖是全波整流電路的電原理圖。

全波整流電路的工作原理,可用圖5-4所示的波形圖說明。在0~π間內,e2a對Dl為正向電壓,D1導通,在Rfz上得到上正下負的電壓;e2b對D2為反向電壓,D2不導通(見下圖在π-2π時間內,e2b對D2為正向電壓,D2導通,在Rfz上得到的仍然是上正下負的電壓;e2a對D1為反向電壓,D1不導通(見下圖如此反複,由於兩個整流元件D1、D2輪流導電,結果負載電阻Rfz上在正、負(fu)兩(liang)個(ge)半(ban)周(zhou)作(zuo)用(yong)期(qi)間(jian),都(dou)有(you)同(tong)一(yi)方(fang)向(xiang)的(de)電(dian)流(liu)通(tong)過(guo),如(ru)圖(tu)所(suo)示(shi)的(de)那(na)樣(yang),因(yin)此(ci)稱(cheng)為(wei)全(quan)波(bo)整(zheng)流(liu),全(quan)波(bo)整(zheng)流(liu)不(bu)僅(jin)利(li)用(yong)了(le)正(zheng)半(ban)周(zhou),而(er)且(qie)還(hai)巧(qiao)妙(miao)地(di)利(li)用(yong)了(le)負(fu)半(ban)周(zhou),從(cong)而(er)大(da)大(da)地(di)提(ti)高(gao)了(le)整(zheng)流(liu)效(xiao)率(lv)(Usc=0.9e2,比半波整流時大一倍)。
[page]

三、橋式整流電路
橋式整流電路是使用最多的一種整流電路。這種電路,隻要增加兩隻二極管口連接成"橋"式結構,便具有全波整流電路的優點,而同時在一定程度上克服了它的缺點。
橋式整流電路的工作原理如下:e2為正半周時,對D1、D3和方向電壓,Dl,D3導通;對D2、D4加反向電壓,D2、D4截止。電路中構成e2、Dl、Rfz、D3通電回路,在Rfz,上形成上正下負的半波整洗電壓,e2為負半周時,對D2、D4加正向電壓,D2、D4導通;對D1、D3加反向電壓,D1、D3截止。電路中構成e2、D2Rfz、D4通電回路,同樣在Rfz上形成上正下負的另外半波的整流電壓。上述工作狀態分別如圖所示。

四、整流元件的選擇和運用
需xu要yao特te別bie指zhi出chu的de是shi,二er極ji管guan作zuo為wei整zheng流liu元yuan件jian,要yao根gen據ju不bu同tong的de整zheng流liu方fang式shi和he負fu載zai大da小xiao加jia以yi選xuan擇ze。。如ru選xuan擇ze不bu當dang,則ze或huo者zhe不bu能neng安an全quan工gong作zuo,甚shen至zhi燒shao了le管guan子zi;或者大材小用,造成浪費。表5-1所列參數可供選擇二極管時參考。
"lingwai,zaigaodianyahuodadianliudeqingkuangxia,ruguoshoutoumeiyouchengshougaodianyahuozhengdingdadianlvdezhengliuyuanjian,keyibaerjiguanchuanlianhuobinglianqilaishiyong。xiatushichuleerjiguanbingliandeqingkuang:兩隻二極管並聯、每隻分擔電路總電流的一半口三隻二極管並聯,每隻分擔電路總電流的三分之一。總之,有幾隻二極管並聯,"流經每隻二極管的電流就等於總電流的幾分之一。但是,在實際並聯運用時",由(you)於(yu)各(ge)二(er)極(ji)管(guan)特(te)性(xing)不(bu)完(wan)全(quan)一(yi)致(zhi),不(bu)能(neng)均(jun)分(fen)所(suo)通(tong)過(guo)的(de)電(dian)流(liu),會(hui)使(shi)有(you)的(de)管(guan)子(zi)困(kun)負(fu)擔(dan)過(guo)重(zhong)而(er)燒(shao)毀(hui)。因(yin)此(ci)需(xu)在(zai)每(mei)隻(zhi)二(er)極(ji)管(guan)上(shang)串(chuan)聯(lian)一(yi)隻(zhi)阻(zu)值(zhi)相(xiang)同(tong)的(de)小(xiao)電(dian)阻(zu)器(qi),使(shi)各(ge)並(bing)聯(lian)二(er)極(ji)管(guan)流(liu)過(guo)的(de)電(dian)流(liu)接(jie)近(jin)一(yi)致(zhi)。這(zhe)種(zhong)均(jun)流(liu)電(dian)阻(zu)R一般選用零點幾歐至幾十歐的電阻器。電流越大,R應選得越小。


特別推薦
- 噪聲中提取真值!瑞盟科技推出MSA2240電流檢測芯片賦能多元高端測量場景
- 10MHz高頻運行!氮矽科技發布集成驅動GaN芯片,助力電源能效再攀新高
- 失真度僅0.002%!力芯微推出超低內阻、超低失真4PST模擬開關
- 一“芯”雙電!聖邦微電子發布雙輸出電源芯片,簡化AFE與音頻設計
- 一機適配萬端:金升陽推出1200W可編程電源,賦能高端裝備製造
技術文章更多>>
- 築基AI4S:摩爾線程全功能GPU加速中國生命科學自主生態
- 一秒檢測,成本降至萬分之一,光引科技把幾十萬的台式光譜儀“搬”到了手腕上
- AI服務器電源機櫃Power Rack HVDC MW級測試方案
- 突破工藝邊界,奎芯科技LPDDR5X IP矽驗證通過,速率達9600Mbps
- 通過直接、準確、自動測量超低範圍的氯殘留來推動反滲透膜保護
技術白皮書下載更多>>
- 車規與基於V2X的車輛協同主動避撞技術展望
- 數字隔離助力新能源汽車安全隔離的新挑戰
- 汽車模塊拋負載的解決方案
- 車用連接器的安全創新應用
- Melexis Actuators Business Unit
- Position / Current Sensors - Triaxis Hall
熱門搜索





