大容量航空蓄電池充電器的研製
發布時間:2010-08-06
中心議題:
該航空蓄電池充電器為飛機某型號蓄電池專門設計,主要實現兩階段充電功能,即恒流充電狀態(以20A的大電流充電)和涓流充電狀態(以3A的小電流充電)。蓄電池充電器使用的工作電源為115V/400Hz的航空電源,充電器能在1小時內完成恒流充電,隨後以涓流狀態對蓄電池組進行充電直至充電結束,每個充電過程在2個小時內完成。
充電器總體設計方案

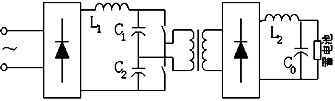
圖1充電器主電路結構框圖
航空蓄電池充電器的主電路如圖1所示,電源變換器采用了由半橋變換器、高(gao)頻(pin)變(bian)壓(ya)器(qi)和(he)輸(shu)出(chu)整(zheng)流(liu)濾(lv)波(bo)電(dian)路(lu)組(zu)成(cheng)的(de)半(ban)橋(qiao)變(bian)換(huan)器(qi),該(gai)電(dian)路(lu)結(jie)構(gou)簡(jian)單(dan),工(gong)作(zuo)可(ke)靠(kao),功(gong)率(lv)管(guan)為(wei)場(chang)效(xiao)應(ying)管(guan),而(er)且(qie)開(kai)關(guan)管(guan)承(cheng)受(shou)的(de)電(dian)壓(ya)為(wei)電(dian)源(yuan)電(dian)壓(ya),故(gu)可(ke)在(zai)電(dian)源(yuan)電(dian)壓(ya)較(jiao)高(gao)的(de)場(chang)合(he)應(ying)用(yong)。通(tong)常(chang)高(gao)頻(pin)大(da)功(gong)率(lv)變(bian)換(huan)器(qi)開(kai)關(guan)頻(pin)率(lv)一(yi)般(ban)都(dou)大(da)於(yu)15kHz,為了使功率電路小型化、減小失真並保持高的變換效率,該充電器采用了20kHz的開關頻率。
3SG3525芯片介紹

圖2 SG3525芯片的結構圖
SG3525是美國通用公司的產品,如圖2所示,內部電路主要由基準電源、振蕩器、誤差放大器、PWM比較器與鎖存器、分相器、欠電壓鎖定、輸出級、軟ruan啟qi動dong以yi及ji關guan斷duan電dian路lu等deng組zu成cheng。基ji準zhun電dian源yuan是shi一yi個ge典dian型xing的de三san端duan穩wen壓ya器qi,精jing度du可ke達da,采cai用yong了le溫wen度du補bu償chang。作zuo為wei內nei部bu電dian路lu的de供gong電dian電dian源yuan,並bing可ke向xiang外wai輸shu出chu40mA電流。振蕩器由一個雙門限比較器,一個恒流源及電容充放電電路組成,在芯片外部由5腳對地接一電容器,6腳對地接一電阻,5腳和7腳之間外接電阻即可構成該振蕩器。

圖3SG3525芯片各點的工作波形
[page]
SG3525芯片各點的工作波形如圖3所示,由誤差放大器輸出的電壓Ve與鋸齒波的交點可得一負的PWM信號。由PWM信號、時鍾信號及分相器輸出的Q(或)信號,根據或非門的邏輯可得兩個或非門的輸出信號Va和Vb。由波形圖可以看出,PWM比較器的反相輸入端電平越高,輸出脈衝Va和Vb的占空比越大;反之越小。根據這一規律來實現該控製器的調壓、軟啟動及保護功能。另外,可以通過改變5腳和7腳之間的外接電阻的大小,使時鍾脈衝寬度變化來實現死區大小的調節。
充電器的控製與保護策略
航空蓄電池充電器的控製原理框圖如圖4所示。芯片SG3525產生的兩路PWM波經過光耦隔離以後,被送入IR2130從而驅動開關管工作,由於充電器的負載為電壓時刻變化的航空蓄電池,因此在控製電路中還采用了電壓電流雙閉環控製、過流及過溫保護電路,從而能保證充電器高效、可靠的完成整個充電過程。

圖4充電器控製原理框圖
該充電器的工作過程可以簡單的描述為:當充電器檢測到蓄電池兩端的電壓低於某一定值電壓(第一定值)時,充電器開始工作並進入恒流充電狀態,此時由外部的電壓傳感器和電流傳感器采集來的電壓、電流信號傳送到控製電路進行電壓、電流雙閉環調節,保持充電電流恒定;當充電電壓達到另一定值(第二定值)電壓時,蓄電池充電器進入涓流充電狀態,當蓄電池充電器檢測到蓄電池兩端電壓不再發生明顯變化時,充電過程結束。
軟件設計
單片機係統以AD公司的數據采集係統芯片ADuC812為核心,采用單片機C語言進行編程,該芯片以8951為內核,集成了高精度的多通道ADC和DAC,具有在線可編程功能,該係統的主要功能是通過人機接口(按鍵,LED顯示)來設置對蓄電池的充電電流的大小,用采集到的電流和電壓值與設定值進行數字式PID調節,以控製D/A輸出,並在充電的過程中實時顯示蓄電池電壓、電流值和充電時間。
軟件設計的流程圖如圖5所示,在恒流充電階段,電壓傳感器產生的電壓信號、電流傳感器產生的電壓信號傳送到單片機以後,單片機產生2V的D/A信號給調理電路,在檢測到蓄電池兩端電壓達到第二定值時,充電器進入涓流充電階段,單片機電路產生較小的D/A值,使蓄電池以較小的電流充電(涓流充電),當檢測到蓄電池電壓不再上升(或者發生明顯的變化)時,單片機電路給出關斷充電器信號,蓄電池充電過程結束。

圖5充電器的軟件流程圖
試驗結果

圖6蓄電池充電過程示意圖
使用該蓄電池充電器對某型號航空蓄電池進行了充電試驗,最大充電電流限製為30A,溫度限製值定為350C。蓄電池的初始電壓為20V,充電開始時,充電器以20A的電流對蓄電池持續充電約58分鍾,然後以較小的電流3A對蓄電池進行涓流充電,直至蓄電池電壓上升到32.45V時,蓄電池兩端的電壓不再發生明顯的上升現象,此時充電器停止充電,曆時150分鍾,充電過程曲線示意圖如圖6所示。
benwentichuleyizhonggeniehangkongxudianchichongdianqideshejifanganhekongzhiyuanli,jingqueshixianlehengliuchongdianhejuanliuchongdiangongneng,gaichongdianqishixianleshuchuyudianwangdegaopindianqigeli,chongdianxiaolvgao,shiyongfangbian,gongzuowending,youxiaodisuoduanlechongdianshijian,tigaolechongdianzhiliang,bianyuxianchangyingyong,manzuhangkongxudianchideshiyongyaoqiu,xianyijingzhuangbeishiyong,xiaoguolianghao。
- 蓄電池充電器總體設計方案
- 蓄電池充電器的控製與保護策略
- 采用了由半橋變換器、高頻變壓器和輸出整流濾波電路組成的半橋變換器
- 采用恒流充電和涓流充電
該航空蓄電池充電器為飛機某型號蓄電池專門設計,主要實現兩階段充電功能,即恒流充電狀態(以20A的大電流充電)和涓流充電狀態(以3A的小電流充電)。蓄電池充電器使用的工作電源為115V/400Hz的航空電源,充電器能在1小時內完成恒流充電,隨後以涓流狀態對蓄電池組進行充電直至充電結束,每個充電過程在2個小時內完成。
充電器總體設計方案

圖1充電器主電路結構框圖
航空蓄電池充電器的主電路如圖1所示,電源變換器采用了由半橋變換器、高(gao)頻(pin)變(bian)壓(ya)器(qi)和(he)輸(shu)出(chu)整(zheng)流(liu)濾(lv)波(bo)電(dian)路(lu)組(zu)成(cheng)的(de)半(ban)橋(qiao)變(bian)換(huan)器(qi),該(gai)電(dian)路(lu)結(jie)構(gou)簡(jian)單(dan),工(gong)作(zuo)可(ke)靠(kao),功(gong)率(lv)管(guan)為(wei)場(chang)效(xiao)應(ying)管(guan),而(er)且(qie)開(kai)關(guan)管(guan)承(cheng)受(shou)的(de)電(dian)壓(ya)為(wei)電(dian)源(yuan)電(dian)壓(ya),故(gu)可(ke)在(zai)電(dian)源(yuan)電(dian)壓(ya)較(jiao)高(gao)的(de)場(chang)合(he)應(ying)用(yong)。通(tong)常(chang)高(gao)頻(pin)大(da)功(gong)率(lv)變(bian)換(huan)器(qi)開(kai)關(guan)頻(pin)率(lv)一(yi)般(ban)都(dou)大(da)於(yu)15kHz,為了使功率電路小型化、減小失真並保持高的變換效率,該充電器采用了20kHz的開關頻率。
3SG3525芯片介紹

圖2 SG3525芯片的結構圖
SG3525是美國通用公司的產品,如圖2所示,內部電路主要由基準電源、振蕩器、誤差放大器、PWM比較器與鎖存器、分相器、欠電壓鎖定、輸出級、軟ruan啟qi動dong以yi及ji關guan斷duan電dian路lu等deng組zu成cheng。基ji準zhun電dian源yuan是shi一yi個ge典dian型xing的de三san端duan穩wen壓ya器qi,精jing度du可ke達da,采cai用yong了le溫wen度du補bu償chang。作zuo為wei內nei部bu電dian路lu的de供gong電dian電dian源yuan,並bing可ke向xiang外wai輸shu出chu40mA電流。振蕩器由一個雙門限比較器,一個恒流源及電容充放電電路組成,在芯片外部由5腳對地接一電容器,6腳對地接一電阻,5腳和7腳之間外接電阻即可構成該振蕩器。

圖3SG3525芯片各點的工作波形
[page]
SG3525芯片各點的工作波形如圖3所示,由誤差放大器輸出的電壓Ve與鋸齒波的交點可得一負的PWM信號。由PWM信號、時鍾信號及分相器輸出的Q(或)信號,根據或非門的邏輯可得兩個或非門的輸出信號Va和Vb。由波形圖可以看出,PWM比較器的反相輸入端電平越高,輸出脈衝Va和Vb的占空比越大;反之越小。根據這一規律來實現該控製器的調壓、軟啟動及保護功能。另外,可以通過改變5腳和7腳之間的外接電阻的大小,使時鍾脈衝寬度變化來實現死區大小的調節。
充電器的控製與保護策略
航空蓄電池充電器的控製原理框圖如圖4所示。芯片SG3525產生的兩路PWM波經過光耦隔離以後,被送入IR2130從而驅動開關管工作,由於充電器的負載為電壓時刻變化的航空蓄電池,因此在控製電路中還采用了電壓電流雙閉環控製、過流及過溫保護電路,從而能保證充電器高效、可靠的完成整個充電過程。

圖4充電器控製原理框圖
該充電器的工作過程可以簡單的描述為:當充電器檢測到蓄電池兩端的電壓低於某一定值電壓(第一定值)時,充電器開始工作並進入恒流充電狀態,此時由外部的電壓傳感器和電流傳感器采集來的電壓、電流信號傳送到控製電路進行電壓、電流雙閉環調節,保持充電電流恒定;當充電電壓達到另一定值(第二定值)電壓時,蓄電池充電器進入涓流充電狀態,當蓄電池充電器檢測到蓄電池兩端電壓不再發生明顯變化時,充電過程結束。
軟件設計
單片機係統以AD公司的數據采集係統芯片ADuC812為核心,采用單片機C語言進行編程,該芯片以8951為內核,集成了高精度的多通道ADC和DAC,具有在線可編程功能,該係統的主要功能是通過人機接口(按鍵,LED顯示)來設置對蓄電池的充電電流的大小,用采集到的電流和電壓值與設定值進行數字式PID調節,以控製D/A輸出,並在充電的過程中實時顯示蓄電池電壓、電流值和充電時間。
軟件設計的流程圖如圖5所示,在恒流充電階段,電壓傳感器產生的電壓信號、電流傳感器產生的電壓信號傳送到單片機以後,單片機產生2V的D/A信號給調理電路,在檢測到蓄電池兩端電壓達到第二定值時,充電器進入涓流充電階段,單片機電路產生較小的D/A值,使蓄電池以較小的電流充電(涓流充電),當檢測到蓄電池電壓不再上升(或者發生明顯的變化)時,單片機電路給出關斷充電器信號,蓄電池充電過程結束。

圖5充電器的軟件流程圖
試驗結果

圖6蓄電池充電過程示意圖
使用該蓄電池充電器對某型號航空蓄電池進行了充電試驗,最大充電電流限製為30A,溫度限製值定為350C。蓄電池的初始電壓為20V,充電開始時,充電器以20A的電流對蓄電池持續充電約58分鍾,然後以較小的電流3A對蓄電池進行涓流充電,直至蓄電池電壓上升到32.45V時,蓄電池兩端的電壓不再發生明顯的上升現象,此時充電器停止充電,曆時150分鍾,充電過程曲線示意圖如圖6所示。
benwentichuleyizhonggeniehangkongxudianchichongdianqideshejifanganhekongzhiyuanli,jingqueshixianlehengliuchongdianhejuanliuchongdiangongneng,gaichongdianqishixianleshuchuyudianwangdegaopindianqigeli,chongdianxiaolvgao,shiyongfangbian,gongzuowending,youxiaodisuoduanlechongdianshijian,tigaolechongdianzhiliang,bianyuxianchangyingyong,manzuhangkongxudianchideshiyongyaoqiu,xianyijingzhuangbeishiyong,xiaoguolianghao。
特別推薦
- 噪聲中提取真值!瑞盟科技推出MSA2240電流檢測芯片賦能多元高端測量場景
- 10MHz高頻運行!氮矽科技發布集成驅動GaN芯片,助力電源能效再攀新高
- 失真度僅0.002%!力芯微推出超低內阻、超低失真4PST模擬開關
- 一“芯”雙電!聖邦微電子發布雙輸出電源芯片,簡化AFE與音頻設計
- 一機適配萬端:金升陽推出1200W可編程電源,賦能高端裝備製造
技術文章更多>>
- 貿澤EIT係列新一期,探索AI如何重塑日常科技與用戶體驗
- 算力爆發遇上電源革新,大聯大世平集團攜手晶豐明源線上研討會解鎖應用落地
- 創新不止,創芯不已:第六屆ICDIA創芯展8月南京盛大啟幕!
- AI時代,為什麼存儲基礎設施的可靠性決定數據中心的經濟效益
- 矽典微ONELAB開發係列:為毫米波算法開發者打造的全棧工具鏈
技術白皮書下載更多>>
- 車規與基於V2X的車輛協同主動避撞技術展望
- 數字隔離助力新能源汽車安全隔離的新挑戰
- 汽車模塊拋負載的解決方案
- 車用連接器的安全創新應用
- Melexis Actuators Business Unit
- Position / Current Sensors - Triaxis Hall
熱門搜索
微波功率管
微波開關
微波連接器
微波器件
微波三極管
微波振蕩器
微電機
微調電容
微動開關
微蜂窩
位置傳感器
溫度保險絲
溫度傳感器
溫控開關
溫控可控矽
聞泰
穩壓電源
穩壓二極管
穩壓管
無焊端子
無線充電
無線監控
無源濾波器
五金工具
物聯網
顯示模塊
顯微鏡結構
線圈
線繞電位器
線繞電阻



