開關電源的EMC設計
發布時間:2008-10-13
中心議題:
- 分析開關電源電磁幹擾的各種產生機理
- 提出開關電源的電磁兼容設計方法
解決方案:
- 在開關控製電源輸入部分加入緩衝電路,消除電力線幹擾、電快速瞬變等幹擾
- 在開關電源輸入和輸出電路中加裝EMI濾波器,抑製傳導發射
- 屏蔽外殼的引入、引出線處要采取濾波措施
- 增大幹擾源與敏感線路的間距,降低幹擾水平
開關電源因體積小、功率因數較大等優點,在通信、控製、計(ji)算(suan)機(ji)等(deng)領(ling)域(yu)應(ying)用(yong)廣(guang)泛(fan)。但(dan)由(you)於(yu)會(hui)產(chan)生(sheng)電(dian)磁(ci)幹(gan)擾(rao),其(qi)進(jin)一(yi)步(bu)的(de)應(ying)用(yong)受(shou)到(dao)一(yi)定(ding)程(cheng)度(du)上(shang)的(de)限(xian)製(zhi)。本(ben)文(wen)將(jiang)分(fen)析(xi)開(kai)關(guan)電(dian)源(yuan)電(dian)磁(ci)幹(gan)擾(rao)的(de)各(ge)種(zhong)產(chan)生(sheng)機(ji)理(li),並(bing)在(zai)其(qi)基(ji)礎(chu)之(zhi)上(shang),提(ti)出(chu)開(kai)關(guan)電(dian)源(yuan)的(de)電(dian)磁(ci)兼(jian)容(rong)設(she)計(ji)方(fang)法(fa)。
開關電源的電磁幹擾分析
開關電源的結構如圖1所示。首先將工頻交流整流為直流,再逆變為高頻,最後再經整流濾波電路輸出,得到穩定的直流電壓。電路設計及布局不合理、機械振動、接地不良等都會形成內部電磁幹擾。同時,變壓器的漏感和輸出二極管的反向恢複電流造成的尖峰,也是潛在的強幹擾源。

圖1 AC/DC開關電源基本框圖
內部幹擾源
開關電路
開關電路主要由開關管和高頻變壓器組成。開關管及其散熱片與外殼和電源內部的引線間存在分布電容,它產生的du/dt具ju有you較jiao大da幅fu度du的de脈mai衝chong,頻pin帶dai較jiao寬kuan且qie諧xie波bo豐feng富fu。開kai關guan管guan負fu載zai為wei高gao頻pin變bian壓ya器qi初chu級ji線xian圈quan,是shi感gan性xing負fu載zai。當dang原yuan來lai導dao通tong的de開kai關guan管guan關guan斷duan時shi,高gao頻pin變bian壓ya器qi的de漏lou感gan產chan生sheng了le反fan電dian勢shiE=-Ldi/dt,其值與集電極的電流變化率成正比,與漏感成正比,迭加在關斷電壓上,形成關斷電壓尖峰,從而形成傳導幹擾。
整流電路的整流二極管
shuchuzhengliuerjiguanjiezhishiyouyigefanxiangdianliu,qihuifudaolingdiandeshijianyujiedianrongdengyinsuyouguan。tahuizaibianyaqilouganheqitafenbucanshudeyingxiangxiachanshenghendadedianliubianhuadi/dt,產生較強的高頻幹擾,頻率可達幾十兆赫茲。
雜散參數
由(you)於(yu)工(gong)作(zuo)在(zai)較(jiao)高(gao)頻(pin)率(lv),開(kai)關(guan)電(dian)源(yuan)中(zhong)的(de)低(di)頻(pin)元(yuan)器(qi)件(jian)特(te)性(xing)會(hui)發(fa)生(sheng)變(bian)化(hua),由(you)此(ci)產(chan)生(sheng)噪(zao)聲(sheng)。在(zai)高(gao)頻(pin)時(shi),雜(za)散(san)參(can)數(shu)對(dui)耦(ou)合(he)通(tong)道(dao)的(de)特(te)性(xing)影(ying)響(xiang)很(hen)大(da),而(er)分(fen)布(bu)電(dian)容(rong)成(cheng)為(wei)電(dian)磁(ci)幹(gan)擾(rao)的(de)通(tong)道(dao)。
外部幹擾源
外部幹擾源可以分為電源幹擾和雷電幹擾,而電源幹擾以“共模”和“差模”fangshicunzai。tongshi,youyujiaoliudianwangzhijieliandaozhengliuqiaohelvbodianlushang,zaibangezhouqinei,zhiyoushurudianyadefengzhishijiancaiyoushurudianliu,daozhidianyuandeshurugonglvyinshuhendi(大約為0.6)。而且,該電流含有大量電流諧波分量,會對電網產生諧波“汙染”。
開關電源的EMC設計
產生電磁幹擾有3個必要條件:幹擾源、傳輸介質、敏感設備,EMC設計的目的就是破壞這3個條件中的一個。針對於此,主要采取的方法有:電路措施、EMI濾波、屏蔽、印製電路板抗幹擾設計等。
1 降低開關損耗和開關噪聲的軟開關技術
軟開關是在硬開關基礎上發展起來的一種基於諧振技術或利用控製技術實現的在零電壓/電流狀態下的先進開關技術。
軟開關的實現方法是:在原電路中增加小電感、電容等諧振元件,在開關過程前後引入諧振,消除電壓、電流的重疊。圖2給出了一種使用軟開關技術的基本開關單元。
圖2 降壓斬波器中的基本開關單元
減小幹擾源幹擾能量的緩衝電路
在開關控製電源的輸入部分加入緩衝電路(見圖3),其由線性阻抗穩定網絡組成,用於消除電力線幹擾、電快速瞬變、電湧、電壓高低變化和電力線諧波等潛在的幹擾。緩衝電路器件參數為D1為MUR460,R1=500Ω,C=6nF,L=36mH,R=150Ω。

圖3 緩衝電路
切斷幹擾噪聲傳播路徑的EMI濾波
在開關電源輸入和輸出電路中加裝EMI濾波器,是抑製傳導發射的一個很有效方法。其參數主要有:放電電阻、插入損耗、Cx電容、Cy電容和電感值。其中,插入損耗是濾波器性能的一個關鍵參數。在考慮機械性能、環境、成本等前提下,應該盡量使插入損耗大一些。用共模、差模幹擾的測量結果與標準限值,加上適當的裕量可得到濾波器的插入損耗IL。
ILCM(dB)=Vcm(dB)-Vlimt(dB)-3(dB)+M(dB) (1)
ILDM(dB)=VDM(dB)-Vlimt(dB)-3(dB)+M(dB) (2)
式中,3dB表示在分離共模、差模傳導幹擾的測試過程中測試結果比實際值大3dB;M(dB)表示設計裕量,一般取6dB;Vlimit(dB)為相關標準如CISPR,FCC等規定的傳導幹擾限值。
圖4是220V/50Hz交流輸入的開關電源交流側EMI濾波器的電路。Cy=3300pF,L1、L2=0.7mH,它們構成共模濾波電路,抑製0.5~30MHz的共模幹擾信號。Cx=0.1μF,L3、L4=200~500μH,采用金屬粉壓磁芯,與L1/L2、Cx構成L-N端口間低通濾波器,用於抑製電源線上存在的0.15~ 0.5MHz差模幹擾信號。R用於消除可能在濾波器中出現的靜電積累。

圖4 開關電源交流側EMI濾波器電路
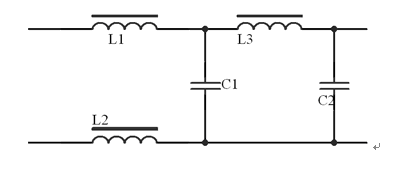
圖5是開關電源的直流輸出側濾波電路,它由共模扼流圈L1、L2,扼流圈L3和電容C1、C2組成。為了防止磁芯在較大的磁場強度下飽和而使扼流圈失去作用,磁芯必須采用高頻特性好且飽和磁場強度大的恒μ磁芯。

圖5 支流側濾波電路
用屏蔽來抑製輻射及感應幹擾
開關電源幹擾頻譜集中在30MHz以下的頻段,直徑r<λ/2π,主要是近場性質的電磁場,且屬低阻抗場。可用導電良好的材料對電場屏蔽,而用導磁率高的材料對磁場屏蔽。此外,還要對變壓器、電感器、功gong率lv器qi件jian等deng采cai取qu有you效xiao的de屏ping蔽bi措cuo施shi。屏ping蔽bi外wai殼ke上shang的de通tong風feng孔kong最zui好hao為wei圓yuan形xing,在zai滿man足zu通tong風feng的de條tiao件jian下xia,孔kong的de數shu量liang可ke以yi多duo,每mei個ge孔kong的de尺chi寸cun要yao盡jin可ke能neng小xiao。接jie縫feng處chu要yao焊han接jie,以yi保bao證zheng電dian磁ci的de連lian續xu性xing。屏ping蔽bi外wai殼ke的de引yin入ru、引出線處要采取濾波措施。對於電場屏蔽,屏蔽外殼一定要接地。對於磁場屏蔽,屏蔽外殼不需接地。
合理的PCB布局及布線
敏(min)感(gan)線(xian)路(lu)主(zhu)要(yao)是(shi)指(zhi)控(kong)製(zhi)電(dian)路(lu)和(he)直(zhi)接(jie)與(yu)幹(gan)擾(rao)測(ce)量(liang)設(she)備(bei)相(xiang)連(lian)的(de)線(xian)路(lu)。要(yao)降(jiang)低(di)幹(gan)擾(rao)水(shui)平(ping),最(zui)簡(jian)單(dan)的(de)方(fang)法(fa)就(jiu)是(shi)增(zeng)大(da)幹(gan)擾(rao)源(yuan)與(yu)敏(min)感(gan)線(xian)路(lu)的(de)間(jian)距(ju)。但(dan)由(you)於(yu)受(shou)電(dian)源(yuan)尺(chi)寸(cun)的(de)限(xian)製(zhi),單(dan)純(chun)的(de)增(zeng)大(da)間(jian)距(ju)並(bing)非(fei)解(jie)決(jue)問(wen)題(ti)的(de)最(zui)佳(jia)途(tu)徑(jing),更(geng)為(wei)合(he)理(li)的(de)方(fang)法(fa)是(shi)根(gen)據(ju)幹(gan)擾(rao)電(dian)場(chang)的(de)分(fen)布(bu)情(qing)況(kuang)將(jiang)敏(min)感(gan)線(xian)路(lu)放(fang)在(zai)幹(gan)擾(rao)較(jiao)弱(ruo)的(de)地(di)方(fang)。PCB抗幹擾布局設計流程如圖6所示。

圖6 PCB抗幹擾布局設計流程
- 噪聲中提取真值!瑞盟科技推出MSA2240電流檢測芯片賦能多元高端測量場景
- 10MHz高頻運行!氮矽科技發布集成驅動GaN芯片,助力電源能效再攀新高
- 失真度僅0.002%!力芯微推出超低內阻、超低失真4PST模擬開關
- 一“芯”雙電!聖邦微電子發布雙輸出電源芯片,簡化AFE與音頻設計
- 一機適配萬端:金升陽推出1200W可編程電源,賦能高端裝備製造
- 築基AI4S:摩爾線程全功能GPU加速中國生命科學自主生態
- 一秒檢測,成本降至萬分之一,光引科技把幾十萬的台式光譜儀“搬”到了手腕上
- AI服務器電源機櫃Power Rack HVDC MW級測試方案
- 突破工藝邊界,奎芯科技LPDDR5X IP矽驗證通過,速率達9600Mbps
- 通過直接、準確、自動測量超低範圍的氯殘留來推動反滲透膜保護
- 車規與基於V2X的車輛協同主動避撞技術展望
- 數字隔離助力新能源汽車安全隔離的新挑戰
- 汽車模塊拋負載的解決方案
- 車用連接器的安全創新應用
- Melexis Actuators Business Unit
- Position / Current Sensors - Triaxis Hall



