一組獨特的照明應用看細分市場LED驅動設計的挑戰
發布時間:2021-04-16 責任編輯:lina
【導讀】經過十多年的產業發展,LED照明已經從一種創新技術變成成熟技術進入千家萬戶。根據TrendForce集邦谘詢最新報告顯示,LED照明產品為人們生產生活之必需品,預估2025年達到443億美金。照明產品進一步向數字化智能調光調控的燈具發展,相信未來照明產業也將更多地關注產品的智能係統化、人因健康照明以及細分應用市場需求等。
經過十多年的產業發展,LED照明已經從一種創新技術變成成熟技術進入千家萬戶。根據TrendForce集邦谘詢最新報告顯示,LED照明產品為人們生產生活之必需品,預估2025年達到443億美金。照明產品進一步向數字化智能調光調控的燈具發展,相信未來照明產業也將更多地關注產品的智能係統化、人因健康照明以及細分應用市場需求等。傳統的LED照明解決方案技術日趨成熟,而一些細分市場由於具有獨特、更加苛刻的技術特性要求,依然是電源半導體解決方案提供商性能比拚的關鍵市場之一。本文就以ADI在機器視覺、汽車車燈、舞台及建築照明為例分析如何滿足細分市場LED照明的需求方案。
支持機器視覺下的LED照明設計
在(zai)協(xie)作(zuo)機(ji)器(qi)人(ren)大(da)規(gui)模(mo)應(ying)用(yong)之(zhi)前(qian),現(xian)代(dai)工(gong)業(ye)組(zu)裝(zhuang)生(sheng)產(chan)線(xian)就(jiu)已(yi)經(jing)運(yun)用(yong)機(ji)器(qi)視(shi)覺(jiao)來(lai)輔(fu)助(zhu)自(zi)動(dong)化(hua)光(guang)學(xue)檢(jian)查(zha),以(yi)確(que)保(bao)在(zai)組(zu)裝(zhuang)線(xian)上(shang)快(kuai)速(su)移(yi)動(dong)的(de)部(bu)件(jian)符(fu)合(he)定(ding)義(yi)的(de)規(gui)範(fan)。未(wei)通(tong)過(guo)光(guang)學(xue)檢(jian)查(zha)的(de)缺(que)陷(xian)部(bu)件(jian)被(bei)打(da)上(shang)標(biao)記(ji)並(bing)自(zi)動(dong)地(di)從(cong)組(zu)裝(zhuang)線(xian)移(yi)除(chu),從(cong)而(er)確(que)保(bao)部(bu)件(jian)之(zhi)間(jian)的(de)一(yi)致(zhi)性(xing)。而(er)在(zai)這(zhe)一(yi)類(lei)組(zu)裝(zhuang)線(xian)上(shang)作(zuo)為(wei)視(shi)覺(jiao)傳(chuan)感(gan)使(shi)用(yong)的(de)高(gao)速(su)攝(she)像(xiang)機(ji)需(xu)要(yao)一(yi)種(zhong)照(zhao)相(xiang)閃(shan)光(guang)燈(deng)係(xi)統(tong),該(gai)係(xi)統(tong)能(neng)夠(gou)始(shi)終(zhong)如(ru)一(yi)地(di)重(zhong)現(xian)一(yi)個(ge)固(gu)定(ding)導(dao)通(tong)時(shi)間(jian)光(guang)脈(mai)衝(chong),可(ke)變(bian)的(de)關(guan)斷(duan)時(shi)間(jian)由(you)組(zu)裝(zhuang)線(xian)的(de)速(su)度(du)以(yi)及(ji)部(bu)件(jian)的(de)間(jian)隔(ge)距(ju)離(li)來(lai)限(xian)定(ding)。

快速移動的傳送帶通過機器視覺係統進行快速標簽和缺陷檢測
在這一過程中,紅外和激光LED閃光燈常用於近程和運動檢測機器視覺。安全係統發出高速、難以察覺的LED閃光燈來檢測運動,捕獲和存儲安全影像。但是,這些機器視覺的相機閃光燈係統都存在的一個挑戰,即產生非常高的電流和短時間(微秒)LED相機閃光波形,這些波形可能散開在較長時間內,例如100 ms到1 s以上。
然而,產生間隔較長時間的短時LED閃光方波並非易事。當LED(或LED串)的驅動電流上升到1 A以上,並且LED開啟時間縮短到幾微秒時,挑戰難度進一步加大。許多具有高速PWM能力的LED驅動器可能無法有效處理較長關斷時間和短時間的高電流,而又不降低適當處理高速圖像所需的方波質量。
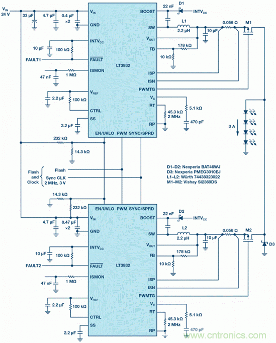
為了實現上述功能, ADI的高速LED驅動器LT3932可為高達2 A的LED串提供機器視覺相機閃光燈,關斷時間可以長達1秒、1小時、1天或更長時間,從而完美地解決這一問題。LT3932的特殊相機閃光燈功能允許其保持輸出電容和控製環路充電狀態,哪怕是在長關斷時間內。對輸出和控製環路電容的狀態進行采樣後,LT3932繼續在長關斷期間對這些元件進行涓流充電,以補償通常都會有的漏電流,而這是其他LED驅動器沒有考慮到的。
ADI的LT3932專有閃光技術支持擴展,驅動器可以並聯以提供更高的LED閃光電流。所需的閃光形狀和完整性保持不變。下圖顯示了並聯兩個驅動器從而支持3 A相機閃光燈,甚至高達4 A的設計也是可行的。

相對於標準PWM調光頻率,並聯LT3932 1.5A LED驅動器
產生具有長關斷時間的3A機器視覺LED脈衝
一顆IC驅動整個LED車前燈組
在車輛中,LED主要用於前照燈、日間行車燈(DRL)、側麵指示燈和環境照明,其中前照燈組將遠光燈和近光燈、晝間行駛燈、有時還包括信號燈和示寬燈整合為單個車前燈組。該燈組的組件會具有迥然相異的驅動器要求,包括電壓和電流要求、拓撲、功率級別或獨特的調光功能。滿足各種要求常常意味著需采用單獨的驅動器解決方案。使用多個驅動器不僅使物料清單(BOM)和生產過程複雜化,而且還會導致難以滿足EMI標準。
雖然每種汽車款式和型號的車前燈組可以配備富有創造性的各種LED電流和電壓,但是它們通常最高達到30W總值,因此,這樣的驅動器必須具備以下特質:能接受相對較寬的電池電壓範圍,並采用一種升降壓拓撲將其轉換為各種各樣的燈串電壓;具有小巧和通用的特點,以便容易地安裝到燈組十分受限的空間之中;必須產生極低的EMI,從而盡量地減少研發工作量並免除增設昂貴EMI金屬屏蔽外殼;最後但很關鍵的一點,它還應該是高效率的。ADI公司的同步、四開關降壓-升壓型LED控製器LT8391A在滿足所有上述要求方麵具有獨特性,可驅動整個車前燈組,而且還是僅采用單個控製器。

采用LT8391A的2MHz演示電路DC2575A以1.5A驅動16VLED
LED車前燈組可以是兼具創新性和藝術創意的。遠光燈和近光燈可以與時髦漂亮和獨具特色的晝間行駛燈(DRL)“包裹”在一起。因為晝間行駛燈僅在遠光燈和近光燈關閉時才會需要,故可使用單個LED驅動器給遠光和近光LED或晝間行駛燈供電。隻有在LED驅動器具有靈活的輸入至輸出比、而且能對輸入至輸出電壓進行升壓和降壓的情況下,這種做法才會奏效。升降壓型設計可滿足該要求。
多光束LT8391A升降壓型LED驅動器能夠驅動3V至34V的LED燈串電壓。這使其能驅動一個近光燈串,並通過給近光燈串添加LED以創建一個遠光燈。這同一個驅動器在切換之後,可驅動一個電壓較高、但電流較低的DRL。從僅限近光燈的LED切換至近光/遠光燈組合式燈串,就不會在輸出電壓或LED電流上產生尖峰脈衝。LT8391A能夠在升壓、4開關升降壓、和降壓工作區之間平穩地轉換。對於轉換器來說,從LED數量少的燈串變更至LED數量多的燈串時不產生LED尖峰脈衝會是棘手的難題,然而這款多光束LED燈電路則能輕鬆地做到這一點。

用於近光燈、遠光燈和DRL燈的LT8391A多光束LED車前燈組解決方案
LT8391A LED驅動器專為汽車前照燈而設計,它采用AEC-Q100組件並滿足CISPR25 Class5輻射EMI標準。在上圖的演示電路中,盡管該控製器具有2MHz工作頻率和24W功率,但是這款升降壓型LED驅動器仍然達到CISPR25Class5輻射和傳導EMI規格要求。
舞台和建築LED照明的色彩控製
紅、綠、藍(RGB) LED可用於建築和舞台照明係統,用以形成明亮的投影色彩——有時會在RGB組合中添加白色LED,從色調、飽和度和亮度方麵擴展色彩範圍。無論色彩分量有多少,都必須精確控製每個色彩分量的亮度,以便對色彩進行預測或是補償LED之間的色差。
采用大量RGBW LED的照明係統需要大量的驅動器,並且控製信號要與這些驅動器同步。性能最好的方法是用高性能LED驅動器直接控製每個LED。在這種方法下,既能控製每個LED的PWM調光及直流電流和電壓,還能將紋波降至最低水平,並大幅提高可預測能力。使用通過串行總線控製的雙降壓LED驅動器LT3964,可以輕鬆實現這類係統。
具有I2C控製和報告功能的LT3964雙降壓LED驅動器是一款理想的解決方案,可以通過串行通信技術驅動具有高電流和高帶寬的多個LED或LED串。降壓調節器具有固有的高帶寬,LT3964在單個封裝中有集成了兩個36 V、2 MHz同步和高頻降壓LED驅動器,還集成了2 A開關,可以相對輕鬆地驅動多通道大電流LED。

ADI圖片
I2C串行通信功能簡化了每個LT3964支持的兩個獨立高電流LED通道的模擬和PWM調光功能,在單個I2C總線上有多達八個不同的LT3964地址。例如,上圖中的2 MHz雙通道1A降壓LED驅動器示例電路具有高效率和超小尺寸等特點,可將其更改為通過34 V至36 V輸入為每個通道提供高達30 V的LED電源,效率高於90%。
兩個LT3964驅動器足以用1 A(或以上)驅動單個或一串RGBW LED。雖然RGBW色彩通常以1:256、8位分辨率控製,但LT3964可以為每個通道提供高達1:8192、13位的PWM調光功能以及1:10的模擬調光功能——全部由I2C控製。

Cree XM-L RGBW高功率LED可由兩個LT3964 LED驅動器驅動
這種直驅方法允許分量RGBW LED在亮度和電壓方麵存在較大差異——每個通道完全獨立。在此示例中,單個Cree RGBW LED由四個LT3964通道驅動,每個通道輸出1A電流。通過簡單更改數字寄存器,亮度和色彩控製可擴展至1:8192 PWM調光,並且1/10模擬調光可支持每個紅、綠、藍、白LED。對色彩的唯一真正限製是LED本身。實際上,如果需要,如此強大的混色控製能力允許對LED進行色彩校正。
免責聲明:本文為轉載文章,轉載此文目的在於傳遞更多信息,版權歸原作者所有。本文所用視頻、圖片、文字如涉及作品版權問題,請電話或者郵箱聯係小編進行侵刪。
特別推薦
- 噪聲中提取真值!瑞盟科技推出MSA2240電流檢測芯片賦能多元高端測量場景
- 10MHz高頻運行!氮矽科技發布集成驅動GaN芯片,助力電源能效再攀新高
- 失真度僅0.002%!力芯微推出超低內阻、超低失真4PST模擬開關
- 一“芯”雙電!聖邦微電子發布雙輸出電源芯片,簡化AFE與音頻設計
- 一機適配萬端:金升陽推出1200W可編程電源,賦能高端裝備製造
技術文章更多>>
- 一秒檢測,成本降至萬分之一,光引科技把幾十萬的台式光譜儀“搬”到了手腕上
- AI服務器電源機櫃Power Rack HVDC MW級測試方案
- 突破工藝邊界,奎芯科技LPDDR5X IP矽驗證通過,速率達9600Mbps
- 通過直接、準確、自動測量超低範圍的氯殘留來推動反滲透膜保護
- 從技術研發到規模量產:恩智浦第三代成像雷達平台,賦能下一代自動駕駛!
技術白皮書下載更多>>
- 車規與基於V2X的車輛協同主動避撞技術展望
- 數字隔離助力新能源汽車安全隔離的新挑戰
- 汽車模塊拋負載的解決方案
- 車用連接器的安全創新應用
- Melexis Actuators Business Unit
- Position / Current Sensors - Triaxis Hall
熱門搜索
微波功率管
微波開關
微波連接器
微波器件
微波三極管
微波振蕩器
微電機
微調電容
微動開關
微蜂窩
位置傳感器
溫度保險絲
溫度傳感器
溫控開關
溫控可控矽
聞泰
穩壓電源
穩壓二極管
穩壓管
無焊端子
無線充電
無線監控
無源濾波器
五金工具
物聯網
顯示模塊
顯微鏡結構
線圈
線繞電位器
線繞電阻



