結構緊湊的超聲成像係統連續波多普勒(CWD)設計的挑戰
發布時間:2017-02-15 來源:John Scampini 責任編輯:wenwei
【導讀】超聲係統中要求最苛刻的臨床診斷工具是連續波多普勒(CWD)接收器。對小尺寸、低成本的要求不得不犧牲CWD係統的靈敏度性能,通過分析當前使用的CWD接收器方案,設計人員開發出了新一代解決方案,該方案采用了已經投產的高集成度、低功耗雙極型放大器和CWD混頻器/波束成型芯片組。新方案能夠保證CWD接收機無需折衷診斷特性。
CWD基本概念
典型的相控陣CWD架構中,64至128個超聲傳感器在孔徑中心附近均分成兩部分,一半的傳感器單元用於發送器,聚焦超聲CWD發射波束,另一半用於接收器,聚焦接收波束。作用在發射單元的信號是方波信號,典型頻率為1.0MHz至7.5MHz多普勒頻率。將適當相位的信號作用到發射單元來聚焦發射波束。同樣,CWD接收信號通過對每個接收單元的信號進行相位調整、求和進行聚焦。
“波束成型”CWD接收信號由固態組織反射的強信號(通常稱其為雜波)以及流動的血液反射回來的較弱的多普勒信號組成。每個相控陣接收通道輸入端的典型雜波可能高達200mVP-P,而接收機參考輸入的噪底會低至1nV/。為了優化接收性能,需要每通道的SNR達到大約157dBc/Hz。
對於一個64通道的CWD接收機,其SNR的要求非常極端。每個接收通道的噪聲不相關,結果對於64個通道的噪底,波束成型後的信號噪底可能比單個通道的噪底高出18dB。然而每個通道的CWD是相關的,波束成型後的CWD信號會比單個通道的CWD信號高出36dB。考慮到“求和增益”的作用,波束成型後SNR的要求會比單個通道高出18dB,達到175dBc/Hz! 更加困難的是,感興趣的低速多普勒信號的頻率會在1kHz以內或低於雜波信號。由此可見超聲檢測設備麵臨巨大的設計挑戰。
基於延時線的CWD波束成型
目前,超聲係統大多采用模擬延時線接收器實現CWD信號檢測(圖1),來自超聲接收單元的輸入信號經過緩衝、放大,LNA提供大約20dB的增益。LNA輸出被轉換成電流信號,隨後通過交叉開關和模擬延時線對RF頻率信號進行波束成型。

圖1. 基於CWD延時線的接收機簡化電路
這種架構很容易集成,因為它所需要的電壓-電流轉換器、模擬開關、無源延時線以及單路I/Q混頻器很容易集成。通過配置交叉開關求和,適當的延時線抽頭切換信號,達到每個接收器的延時要求。
波束成型後的RF CWD信號混頻後得到基帶I、Q音頻信號,這兩路信號經過帶通濾波後由高分辨率ADC進行數字轉換,用於數字頻譜分析。RF至基帶的混頻處理通常是接收鏈路保證SNR的瓶頸,這個處理過程對CWD的性能影響較大,以64通道設計為例,I/Q RF混頻器需要在處理波束成型信號時具有175dBc/Hz (1kHz頻偏)的動態範圍。
很hen難nan找zhao到dao或huo設she計ji能neng夠gou達da到dao這zhe一yi指zhi標biao的de混hun頻pin器qi,此ci外wai,本ben振zhen驅qu動dong信xin號hao還hai必bi須xu保bao持chi極ji低di的de抖dou動dong。遺yi憾han的de是shi很hen難nan從cong市shi場chang上shang獲huo得de能neng夠gou達da到dao這zhe樣yang指zhi標biao的de邏luo輯ji器qi件jian。雖sui然ranCWD延時線波束成型器能夠滿足結構緊湊的超聲係統的最低要求,上述性能的局限性也是亟待解決的問題。
基於混頻器的CWD波束成型
為了獲得更高性能,在CWD係統中引入一個CWD混頻器/波束成型器,簡化框圖如圖2所示。該架構中,每個通道都具有一個I/Q混頻器,在基帶端(而非RF端)進行波束成型求和;每路I/Q混頻器的LO相位可以調節在n (n = 8至16相)個相位的其中之一。LO相位的變化將改變接收信號的相位,達到波束成型的目的。

圖2. 低功耗雙極型LNA和CWD混頻器/波束成型電路能夠簡化高性能CWD接收機的設計
由於混頻器的實現基於每個通道,對每個通道混頻器的要求可以降低到157dBc/Hz (1kHz頻偏)。這一SNR指標雖然苛刻,但利用雙極型混頻器和標準邏輯器件可以實現。混頻器輸出為電流,而且在聲波基帶進行無源求和,可以滿足CWD波束成型的SNR要求。
基於混頻器的CWD波束成型方案
過去,由於缺乏適當的集成工藝,很難實現高性能的CWD波束成型架構。但目前這一問題已經得到解決,對於功耗不敏感的應用無需降低CWD和成像質量,可以使用帶有可編程CWD混頻器/波束成型器的集成雙極型八通道VGA。圖3給出了接收鏈路的MAX2038 VGA原理圖。

圖3. 由MAX2038和MAX2034構成的超聲接收機的單通道簡化框圖。MAX2038集成了八路VGA和CWD I/Q混頻器/波束成型器,MAX2034集成了四路LNA。
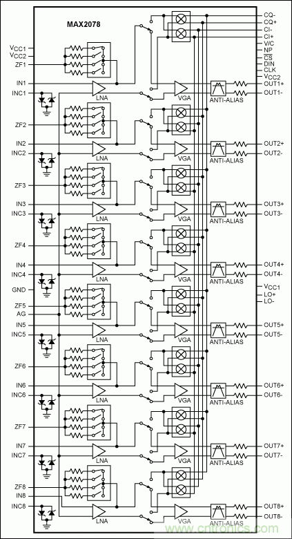
對於功耗和空間要求苛刻的高端應用,可以選擇圖4所示MAX2078新款、具有更高集成度、更低功耗的解決方案。該款完全集成的八通道接收器在單芯片雙極型IC中包含了:LNA、VGA、抗混疊濾波器以及完全可編程的CWD混頻器/波束成型器,這些器件使得各種超聲係統不再受早期延時線CWD架構的製約,能夠達到出色的CWD性能。

圖4. MAX2078超低功耗、八通道超聲接收器,帶有CWD波束成型器,器件內部集成了八個高性能、低功耗超聲接收通道,每個通道包括:LNA、VGA、抗混疊濾波器以及完全可編程的I/Q混頻器/波束成型器。
構建CWD接收器的另外一個潛在問題是LNA放大器的SNR指標,為了降低功耗、減小尺寸,許多超聲設計人員選擇了CMOS LNA,這樣的器件可能適合某些能夠控製CWD性能的應用。利用幾何尺寸低於0.35µm的CMOS工藝製作放大器時需要特別注意這個問題,在如此小尺寸的製造工藝中生產出的電路往往具有較大的1/f噪聲,1/f噪聲會引起LNA增益的低頻調製,這是一個極其負麵的影響。
較強的RF CWD雜波通過這種LNA時將產生較大的低頻調製噪聲,從而降低SNR指標和CWD檢測靈敏度。因此,為了滿足高性能的應用需求,應選擇類似於MAX2034 4通道超聲LNA的低功耗雙極型放大器。
本文來源於Maxim。
推薦閱讀:
特別推薦
- 噪聲中提取真值!瑞盟科技推出MSA2240電流檢測芯片賦能多元高端測量場景
- 10MHz高頻運行!氮矽科技發布集成驅動GaN芯片,助力電源能效再攀新高
- 失真度僅0.002%!力芯微推出超低內阻、超低失真4PST模擬開關
- 一“芯”雙電!聖邦微電子發布雙輸出電源芯片,簡化AFE與音頻設計
- 一機適配萬端:金升陽推出1200W可編程電源,賦能高端裝備製造
技術文章更多>>
- 築基AI4S:摩爾線程全功能GPU加速中國生命科學自主生態
- 一秒檢測,成本降至萬分之一,光引科技把幾十萬的台式光譜儀“搬”到了手腕上
- AI服務器電源機櫃Power Rack HVDC MW級測試方案
- 突破工藝邊界,奎芯科技LPDDR5X IP矽驗證通過,速率達9600Mbps
- 通過直接、準確、自動測量超低範圍的氯殘留來推動反滲透膜保護
技術白皮書下載更多>>
- 車規與基於V2X的車輛協同主動避撞技術展望
- 數字隔離助力新能源汽車安全隔離的新挑戰
- 汽車模塊拋負載的解決方案
- 車用連接器的安全創新應用
- Melexis Actuators Business Unit
- Position / Current Sensors - Triaxis Hall
熱門搜索
微波功率管
微波開關
微波連接器
微波器件
微波三極管
微波振蕩器
微電機
微調電容
微動開關
微蜂窩
位置傳感器
溫度保險絲
溫度傳感器
溫控開關
溫控可控矽
聞泰
穩壓電源
穩壓二極管
穩壓管
無焊端子
無線充電
無線監控
無源濾波器
五金工具
物聯網
顯示模塊
顯微鏡結構
線圈
線繞電位器
線繞電阻


