新手必備:十大常見照明電路設計齊分享
發布時間:2016-10-24 責任編輯:sherry
【導讀】為了幫助廣大從事電氣工作人員掌握更多的電工電路連接的應用知識,特選取十例常見照明電路,目的是給初、中級電工技術人員或想從事電氣維修工作的人員,如職業學院的學生以及下崗再就業人員,提供一些更實用、更具有操作性的電路圖,使廣大讀者能活學活用。
隨著我國經濟的不斷發展,電氣技術也在日漸普及,各個行業中從事電氣工作的人員也越來越多,這就要求廣大從事電工、機械設備操作的技術人員與時俱進,掌握更多的電氣方麵的設計、安(an)裝(zhuang)以(yi)及(ji)更(geng)實(shi)際(ji)的(de)操(cao)作(zuo)維(wei)修(xiu)技(ji)能(neng)。為(wei)了(le)幫(bang)助(zhu)廣(guang)大(da)從(cong)事(shi)電(dian)氣(qi)工(gong)作(zuo)人(ren)員(yuan)掌(zhang)握(wo)更(geng)多(duo)的(de)電(dian)工(gong)電(dian)路(lu)連(lian)接(jie)的(de)應(ying)用(yong)知(zhi)識(shi),特(te)選(xuan)取(qu)十(shi)例(li)常(chang)見(jian)照(zhao)明(ming)電(dian)路(lu),目(mu)的(de)是(shi)給(gei)初(chu)、中級電工技術人員或想從事電氣維修工作的人員,如職業學院的學生以及下崗再就業人員,提供一些更實用、更geng具ju有you操cao作zuo性xing的de電dian路lu圖tu,使shi廣guang大da讀du者zhe能neng活huo學xue活huo用yong。在zai較jiao短duan的de學xue習xi時shi間jian中zhong,學xue到dao最zui實shi用yong的de電dian工gong電dian路lu知zhi識shi,並bing能neng應ying用yong到dao實shi際ji工gong作zuo當dang中zhong,從cong而er達da到dao學xue以yi致zhi用yong,取qu得de立li竿gan見jian影ying的de良liang好hao效xiao果guo,在zai自zi己ji的de工gong作zuo中zhong取qu得de更geng好hao的de經jing濟ji效xiao益yi。
照明電路—雙熒光燈的戶外廣告雙燈管接電路
雙熒光燈接線電路如圖1所示。一般在接線時應盡可能減少外部接頭。安裝熒光燈時,鎮流器、輝光啟動器必須和電源電壓、燈管功率相配合。這種電路一般用於廠礦和戶外廣告等要求照明度較高的場所。

圖1 雙熒光燈的戶外廣告雙燈管接線電路
照明電路—單連開關控製三盞燈電路
用一隻單連開關控製三盞燈及三盞以上燈的線路見圖2所(suo)示(shi),要(yao)注(zhu)意(yi)通(tong)過(guo)開(kai)關(guan)的(de)電(dian)流(liu)值(zhi)不(bu)能(neng)超(chao)過(guo)該(gai)開(kai)關(guan)允(yun)許(xu)的(de)範(fan)圍(wei)。按(an)實(shi)物(wu)圖(tu)連(lian)接(jie)就(jiu)能(neng)使(shi)電(dian)路(lu)工(gong)作(zuo),非(fei)常(chang)直(zhi)觀(guan)實(shi)用(yong)。這(zhe)對(dui)初(chu)學(xue)電(dian)工(gong)很(hen)有(you)借(jie)鑒(jian)意(yi)義(yi)。

圖2 一隻單連開關控製三盞燈電路
照明電路—三個開關控製一盞燈電路
在日常生活中,經常需要用兩個或多個開關來控製一盞燈,如樓梯上有一盞燈,要求上、下樓梯口處各安裝一個開關,使人員上、下樓時都能開燈或關燈。這就需要一燈多控。圖3所示是三個開關控製一盞燈電路。開關S1和S3用單刀雙擲開關,而S2用雙刀雙擲開關。S1、S2、S3三個開關中的任何一個都可以獨立地控製電路通斷。

圖3 用三個開關控製一盞燈電路
照明電路—路燈光電控製電路
這是一種簡單的光控開關電路,工作原理如圖4所示。當晚上(照度低)時,光敏電阻GR的電阻增大,VT1的基極電流減小直至截止,於是VT2也截止。VT2的集電極電壓上升使VT3導通,繼電器KA吸合,點亮路燈。早上天剛亮(照度高),GR的阻值減小,使VT1導通,於是與上述過程相反,關閉路燈。繼電器KA為JRX-13F型。

圖4 路燈光電控製電路
照明電路—感應延時燈光控製電路
電路如圖5所示。當有人進入控製區時,白熾燈會自然點亮;而er當dang人ren走zou過guo或huo在zai控kong製zhi區qu內nei靜jing止zhi不bu動dong時shi,它ta會hui延yan時shi一yi段duan時shi間jian自zi動dong關guan燈deng。但dan是shi,隻zhi要yao人ren在zai被bei控kong製zhi的de範fan圍wei內nei活huo動dong,燈deng就jiu會hui給gei人ren照zhao明ming。這zhe種zhong裝zhuang置zhi還hai設she有you光guang控kong電dian路lu,在zai室shi內nei可ke見jian度du較jiao好hao的de環huan境jing下xia,盡jin管guan人ren來lai人ren往wang,由you它ta控kong製zhi的de燈deng不bu會hui點dian亮liang。
晶體管VT1、L1、L2、C1及R1~R4等組成近微波段自激振蕩電路,其振蕩頻率在700~1000MHz範圍內可調,由微調電容器C1設定。所產生的電磁波由L1發射到周圍空間,其幅射麵積在50~80m2,且無方向性。當有人在該範圍內活動時,根據電磁波的多普勒效應,人體的反射波將通過L1接收到,使VT1的振蕩頻率和幅度產生變化,電容器C2正端的電位發生波動。電位波動的頻率與人體活動快慢有關,而幅度與人體至L1的距離有關。該波動電位信號經電解電容器C2和電阻R5耦合到運算放大器N1A的反相輸入端②腳進行高增益放大。為了使N1A輸出幅度變化最大,其同相輸入端③腳的偏置電壓設定在直流電源電壓的一半處,即+6V左右。也就是說,適當地選取R7、R17、R12等的電阻值,使N1A靜態時輸出端①腳電位為6V。當有人在燈下被監控範圍內活動時,N1A輸出端①腳電位就會在6V左右變化。這個變化的電信號通過C5、R8微分,送到N1B進行比較放大,這時N1B的輸出端將在0~+10V之間大幅度變化,再送入比較器N1C進行比較。當N1C的反相輸入端電壓高於同相輸入端電壓時,N1D的輸出立刻由高電位轉化為低電位,二極管VD2導通,使N1D的反相輸入端電位低於同相輸入端電位,N1D輸出端⑦腳呈高電位,通過R15觸發雙向晶閘管VS導通,白熾燈泡EL點亮。

圖5 人體感應延時燈光控製電路
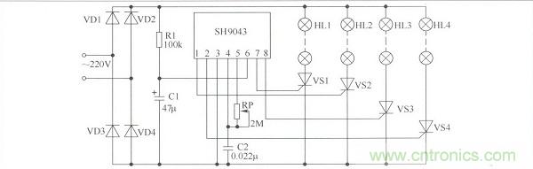
照明電路—追逐式彩燈電路
本例是一種跳躍感特別強的新穎彩燈,其控製閃亮順序采取1→3→2→4的跳馬追逐方式。電路如圖6所示。
二極管VD1~VD4組成橋式整流電路,輸出全波整流電壓作為4路彩燈的電源,同時通過限流電阻R1並經電容C1濾波後作為集成電路SH9043的電源。電位器RP和電容C2是SH9043的外接電阻和電容,調節RP可以調節芯片內部振蕩器的振蕩頻率,從而改變4路彩燈跳馬追逐速率,閃光頻率可以在1~200Hz之間變化。集成電路的①腳、②腳、⑦腳、⑧腳分別與晶閘管VS2、VS4、VS1、VS3的控製極相接。4路輸出信號用來控製晶閘管的導通與否,從而使得串接在晶閘管陽極回路中的燈串HL1~HL4閃亮。
製作時,集成電路用SH9043,VD1~VD4用1N4004型二極管,VS1~VS4用2N6565型單向晶閘管。R1用RTX-2W型碳膜電阻器,RP用WH5型合成碳膜電位器;C1用CD11-10V型普通電解電容器,C2可用CT1型瓷介電容器;HL1~HL4用功率小於100W的市售彩燈串,也可用60個3.8V的小電珠串聯而成。

圖6 追逐式彩燈電路
照明電路—彩燈(滿天星霓虹燈)電路
電路如圖7所示,主要由CD4060及外圍元件組成。CD4060是一種帶有振蕩器的十四級計數器,用其輸出端控製晶閘管導通,使各組燈串發光。由於CD4060輸出方式是二進製狀態,所以很難看出燈串的發光變化規律,從而好似滿天星星。

圖7 節日彩燈——滿天星霓虹燈電路
照明電路—“流水式”廣告彩燈控製電路
大功率“流水式”廣告彩燈,可以在商場、劇院、舞廳或其他建築物上使用,使夜景顯得很美,特別是在節日裏用於廣告時,更增加了節日的歡樂氣氛。
這裏介紹一種元件少、功率大,可同時點亮60盞25W彩燈的電路。燈光呈追逐式跳動閃光。電路如圖8所示,VSl、VS2、VS3組成相同的三個單元電路。當接通電源後,電源通過VD1、EL1、R1對C1充電,使A點電位升高。同理,B、C點電位也逐漸升高。由於電子元件性能的差別,某一組雙向晶閘管會首先觸發導通,如C點電位升高使VS1首先觸發導通,ELl燈亮,電容C3經電阻R6向VSl放電,C點電位下降,而電容C1繼續充電,A點電位升高,一段時間後,VS2導通,EL2燈亮,VS1截止。這時電容C1經R2向VS2放電,A點電位下降,而C2繼續充電,B點電位升高,一段時間後,VS3導通,EL3燈亮,VS2截止。以下過程相同。這樣,燈泡按次序輪流發光,產生“流水式”廣告彩燈效果。

圖8 大功率“流水式”廣告彩燈控製電路
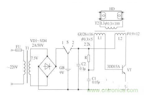
照明電路—應急照明燈電路
應急照明燈電路如圖9所示。當開關S在“1”的位置時,220V的交流電源經變壓器T1降壓、VD1~VD4整流後向蓄電池GB充電。當停止交流供電時,可把開關S撥向“2”的位置,此時蓄電池向逆變變壓器T2二次[側]輸出高壓,使燈管啟輝。
逆變變壓器采用鐵氧體罐形磁芯繞製,規格為GU26&TImes;16。繞製時,要注意高壓繞組L3的絕緣。電池組可根據條件選用。電源變壓器可用10V?A鐵芯繞製。燈管可選用7W的H形或U形節能燈。
電路安裝無誤後,如通電不起振,則有可能是反饋線圈接反,一般來講,將L1兩端對調,即可正常工作。調整C1的容量可改變振蕩頻率,C1的容量越大,振蕩頻率越低。
應急燈的應用很廣泛,若應用在消防工程中時,除應具有產品相關合格證外,燈具還必須采用金屬外殼,燈頭(指白熾燈)不允許采用塑料製品。

圖9 應急照明燈電路
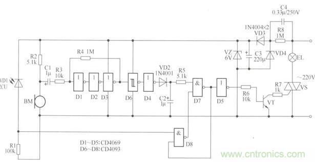
照明電路— 聲光控自動照明燈電路
這是一種智能燈具,能夠隻在夜晚有人時才自動開燈,人走後即自動關燈,既滿足了照明的需要,又最大限度地節約了電能。電路如圖10所示,主要元器件使用了數字集成電路,簡化了電路結構,提高了工作可靠性。
電路工作原理如下:
(1)光敏二極管VD1等組成光控電路。白天由於環境光很亮,VD1導通,D8輸出低電平封閉了與非門D7,照明燈泡EL不亮。夜晚VD1截止,D8輸出高電平開啟了與非門D7,燈泡EL亮或不亮取決於聲控電路。
(2)駐極體話筒BM等組成聲控電路。沒有行人時燈泡EL不亮。當有行人接近時,行人的腳步聲或講話聲由話筒BM接收、D1~D3放大、D6整形、D4倒相後,經過與非門D7使開關管VT和雙向晶閘管VS導通,照明燈EL點亮。
(3)VD2、C2等組成延時電路。當聲音信號消失後,由於延時電路的作用,照明燈EL將繼續點亮數十秒後才關閉。
(4)與非門D7輸出端的信號又回送至光控門D8,在燈泡EL點亮時封閉光控電路信號,這樣即使本燈的燈光照射到光敏二極管VD1上,係統也不會誤認為是白天而造成照明燈剛點亮就立即關閉。
該燈電路可以安放在燈座中,外表隻留感光孔和感聲孔,如圖10所示組成一個整體,特別適合安裝在樓梯、走廊等公共場所。

圖10 聲光控自動照明燈電路
特別推薦
- 噪聲中提取真值!瑞盟科技推出MSA2240電流檢測芯片賦能多元高端測量場景
- 10MHz高頻運行!氮矽科技發布集成驅動GaN芯片,助力電源能效再攀新高
- 失真度僅0.002%!力芯微推出超低內阻、超低失真4PST模擬開關
- 一“芯”雙電!聖邦微電子發布雙輸出電源芯片,簡化AFE與音頻設計
- 一機適配萬端:金升陽推出1200W可編程電源,賦能高端裝備製造
技術文章更多>>
- 貿澤EIT係列新一期,探索AI如何重塑日常科技與用戶體驗
- 算力爆發遇上電源革新,大聯大世平集團攜手晶豐明源線上研討會解鎖應用落地
- 創新不止,創芯不已:第六屆ICDIA創芯展8月南京盛大啟幕!
- AI時代,為什麼存儲基礎設施的可靠性決定數據中心的經濟效益
- 矽典微ONELAB開發係列:為毫米波算法開發者打造的全棧工具鏈
技術白皮書下載更多>>
- 車規與基於V2X的車輛協同主動避撞技術展望
- 數字隔離助力新能源汽車安全隔離的新挑戰
- 汽車模塊拋負載的解決方案
- 車用連接器的安全創新應用
- Melexis Actuators Business Unit
- Position / Current Sensors - Triaxis Hall
熱門搜索
微波功率管
微波開關
微波連接器
微波器件
微波三極管
微波振蕩器
微電機
微調電容
微動開關
微蜂窩
位置傳感器
溫度保險絲
溫度傳感器
溫控開關
溫控可控矽
聞泰
穩壓電源
穩壓二極管
穩壓管
無焊端子
無線充電
無線監控
無源濾波器
五金工具
物聯網
顯示模塊
顯微鏡結構
線圈
線繞電位器
線繞電阻



