一款帶PFC的初級端調節反激式LED驅動
發布時間:2014-05-21 來源:電子工程專輯 責任編輯:sherryyu
【導讀】消費電子市場需要功耗低、尺寸小且成本超低的電源/驅動,另外,由於對電能質量要求不斷提高,在這些設備上使用功率因數校正(PFC)電路幾乎是必須的。而反激因為簡單而成為對這些應用最具吸引力的拓撲。本文就介紹一款帶PFC的初級端調節反激式LED驅動設計。
消費電子市場(特別是LED驅動市場)最近幾年發展迅速。這些市場需要功耗低、尺寸小且成本超低的電源/驅動。另外,由於對電能質量要求不斷提高,在這些設備上使用功率因數校正(PFC)電路幾乎是必須的。今天,在多種不同電路中,反激因為簡單而成為對這些應用最具吸引力的拓撲。它使用一個開關提供絕緣、啟動以及各種其他保護。在非連續導通模式下工作時,通過簡單的恒定導通時間控製,可使功率因數為1。
傳統上,用於LED的恒流LED驅動使用隔離反激式轉換器實施,該轉換器具有輸出電流調節電路,如圖1所示。實際LED電(dian)流(liu)使(shi)用(yong)感(gan)測(ce)電(dian)阻(zu)測(ce)量(liang),然(ran)後(hou)與(yu)與(yu)參(can)考(kao)電(dian)壓(ya)進(jin)行(xing)比(bi)較(jiao),生(sheng)成(cheng)誤(wu)差(cha)電(dian)壓(ya)。誤(wu)差(cha)電(dian)壓(ya)通(tong)過(guo)光(guang)電(dian)耦(ou)合(he)器(qi)傳(chuan)輸(shu)到(dao)初(chu)級(ji)端(duan),並(bing)用(yong)於(yu)控(kong)製(zhi)初(chu)級(ji)端(duan)開(kai)關(guan)器(qi)件(jian)的(de)占(zhan)空(kong)比(bi)。雖(sui)然(ran)這(zhe)可(ke)以(yi)實(shi)現(xian)卓(zhuo)越(yue)的(de)LED電流調節,但輸出調節電路要求使用光電耦合器、基準電壓以及感測電阻,從而增加係統成本並降低整體效率。

圖1:傳統次級端調節LED驅動
初級端調節(PSR)可以成為最小化LED驅動成本的最佳解決方案。此技術僅使用驅動器初級端的信息便可精確控製次級端的LED電流。它不僅消除了輸出電流感測損耗,還減少了所有次級反饋電路。這有利於獲得更高效率的離線LED驅動設計,且無需巨大成本。此技術無需次級反饋電路便可調節LED驅動器輸出電壓,可做開路過壓保護,確保驅動器具有更佳的可靠性。

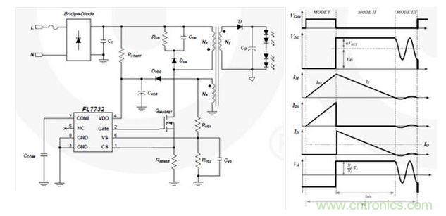
圖2:初級端調節LED驅動及其典型波形
圖2xianshideshichujiduantiaojiefanjishizhuanhuanqidejianhuadianlutujiqidianxinggongzuoboxing。chujiduantiaojiedeguanjianzaiyuhuodeshuchudianyahedianliuxinxi,qiewuxuzhijiegance。
在二極管導通時間期間,輸出電壓與二極管正向壓降之和反射到輔助繞組為(VO+VF)*Na/Ns。通過在二極管導通時間結束時對繞組電壓進行采樣,可以獲得輸出電壓信息。輸出電流(Io)可使用MOSFET的峰值漏極電流(Ipk)以及電感電流的放電時間(tDIS)來估算,因為在穩態下,輸出電流(Io)與二極管電流(ID)的平均值相同。輸出電流估算通過峰值檢測電路來確定漏極電流的峰值,並利用電感放電時間和開關周期(ts)來計算輸出電流。將此輸出信息與內部精確參考電壓進行比較,產生誤差電壓(VCOMI),它可以確定MOSFET的占空比。使用Fairchild的創新TRUECURRENT技術,可精確控製恒定輸出電流。

利用探測到的輸出電壓和電流信息,可通過傳統的反饋補償方法完成控製。對於初級端調節,通常優先使用非連續導通模式(DCM)操作。它具有更佳的輸出調節以及單位輸入功率因數(PF)。
相關閱讀:
特別推薦
- 噪聲中提取真值!瑞盟科技推出MSA2240電流檢測芯片賦能多元高端測量場景
- 10MHz高頻運行!氮矽科技發布集成驅動GaN芯片,助力電源能效再攀新高
- 失真度僅0.002%!力芯微推出超低內阻、超低失真4PST模擬開關
- 一“芯”雙電!聖邦微電子發布雙輸出電源芯片,簡化AFE與音頻設計
- 一機適配萬端:金升陽推出1200W可編程電源,賦能高端裝備製造
技術文章更多>>
- 博世半導體亮相北京車展:以技術創新驅動智能出行
- 超低功耗微控製器模塊為工程師帶來新的機遇——第1部分:Eclipse項目設置
- 英偉達吳新宙北京車展解讀:以五層架構與開放生態,加速汽車駛向L4
- 三星上演罕見對峙:工會集會討薪,股東隔街抗議
- 摩爾線程實現DeepSeek-V4“Day-0”支持,國產GPU適配再提速
技術白皮書下載更多>>
- 車規與基於V2X的車輛協同主動避撞技術展望
- 數字隔離助力新能源汽車安全隔離的新挑戰
- 汽車模塊拋負載的解決方案
- 車用連接器的安全創新應用
- Melexis Actuators Business Unit
- Position / Current Sensors - Triaxis Hall
熱門搜索
電纜連接器
電力電子
電力繼電器
電力線通信
電流保險絲
電流表
電流傳感器
電流互感器
電路保護
電路圖
電路圖符號
電路圖知識
電腦OA
電腦電源
電腦自動斷電
電能表接線
電容觸控屏
電容器
電容器單位
電容器公式
電聲器件
電位器
電位器接法
電壓表
電壓傳感器
電壓互感器
電源變壓器
電源風扇
電源管理
電源管理IC

