【技術彙總】九種電子閃光燈設計電路圖
發布時間:2014-03-04 來源:極客迷 責任編輯:sherryyu
攝影愛好者在室內、夜間、陰(yin)影(ying)下(xia)或(huo)逆(ni)光(guang)的(de)情(qing)況(kuang)下(xia)進(jin)行(xing)攝(she)影(ying)時(shi),若(ruo)要(yao)獲(huo)得(de)滿(man)意(yi)的(de)拍(pai)攝(she)效(xiao)果(guo),通(tong)常(chang)要(yao)用(yong)借(jie)助(zhu)各(ge)種(zhong)的(de)輔(fu)助(zhu)照(zhao)明(ming)設(she)施(shi),這(zhe)其(qi)中(zhong)以(yi)電(dian)子(zi)閃(shan)光(guang)燈(deng)的(de)性(xing)能(neng)最(zui)佳(jia)。而(er)電(dian)子(zi)閃(shan)光(guang)燈(deng)的(de)種(zhong)類(lei)很(hen)多(duo),從(cong)結(jie)構(gou)區(qu)分(fen),主(zhu)要(yao)有(you)單(dan)體(ti)閃(shan)光(guang)燈(deng)和(he)照(zhao)相(xiang)機(ji)內(nei)藏(zang)式(shi)閃(shan)光(guang)燈(deng)兩(liang)大(da)類(lei)。從(cong)電(dian)路(lu)區(qu)分(fen),主(zhu)要(yao)有(you)以(yi)下(xia)幾(ji)種(zhong)常(chang)見(jian)電(dian)路(lu)。
電子閃光燈電路一:

最普通的閃光燈電路通常由DC—DC變換、儲能、充電顯示、觸發及閃光燈管組成。如圖l、圖2所示。市場上的卡片機和過去常用的低檔膠片傻瓜相機的內藏閃光燈一般都采用這類電路。圖1、圖2所示電路的工作原理是相同的。接通電開關後,由三極管和振蕩線圈、整流二極管構成的反擻式DC-DC變換電路將電池的低電壓變換成300V左右的直流脈動電壓,對儲能電容器充電,當電壓上升到額定電壓的百分之七十(約200V左右)時,VG點亮。這時即可按動快門按鈕,進行閃光攝影。快門動作時,同步觸發開關閉台,觸發閃光燈管,儲能電容器通過閃光燈管放電閃光。
電子閃光燈電路二:

在圖一、圖二的電路中,當VG點亮之後,由於振蕩電路在工作,故耗電較大。若將圖一、圖二中的部分電路改為圖三、圖四所示,則可能大大降低VG點亮後的耗電。
[page]
電子閃光燈電路三:

在圖三所示的電路中,在儲能電容器C2所充電壓低於VG的啟輝電壓(一般為25o~27OV)時,VG不點亮,VT4因無基極偏流而截止,振蕩電路工作。當c2所充電壓太於VG 的啟輝電壓時,VG點亮,VT4導通,振蕩管VT3截止,此時電源所消耗的電流基本上由R4決定。當C2上的電壓降低時,VG熄滅,VT4截止,VT3又進入振蕩工作狀態。
電子閃光燈電路四:

圖四所示電路的工作原理與圖3類(lei)似(si)。自(zi)動(dong)調(tiao)光(guang)閃(shan)光(guang)燈(deng)電(dian)路(lu)采(cai)用(yong)自(zi)動(dong)調(tiao)光(guang)的(de)閃(shan)光(guang)燈(deng),可(ke)根(gen)據(ju)被(bei)攝(she)物(wu)體(ti)所(suo)受(shou)光(guang)照(zhao)的(de)強(qiang)弱(ruo),自(zi)動(dong)確(que)定(ding)燈(deng)閃(shan)時(shi)間(jian)的(de)長(chang)短(duan),來(lai)得(de)到(dao)正(zheng)確(que)的(de)閃(shan)光(guang)曝(pu)光(guang)量(liang)。
[page]
電子閃光燈電路五:

圖5所示為並聯控製式自動調光閃光燈電路電路中振蕩和主閃光燈管的觸發閃光與普通閃光燈相似。當主閃光燈管發光後,光敏管VD2 接收到被攝物體反射回來的光,使可控矽VS導通,於是C6儲存的電能經T3振蕩升壓,觸發旁路閃光燈泡,迅速將主電容器C2的電能泄放,使主閃光燈管停止發光,從而獲得正確的閃光曝光量。由於並聯控製式電路比較簡單,故應用廣泛。
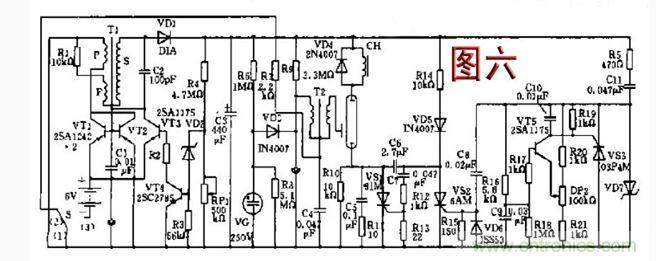
電子閃光燈電路六:

圖6所示電路的閃光指數可在一定範圍內連續可謂,其振蕩管由VT1,VT2並聯而成,從而改善了振蕩管的太電流工作條件。主電容器C3為恒壓充電。閃光指數的調節是通過電位器RP1來實現的。調節RP2,可改變VT5的發射極電位,該電位與C9上的積分電壓相比較,然後變成和閃光燈閃光時間相對應的脈衝信號,使可控矽VS2導通 於是C6儲存的電能反向加到VS1兩端,迫使VS1關端,閃光燈管停止閃爍。
[page]
電子閃光燈電路七:

圖7、圖8電路所示的是自動閃光燈,在圖7所示電路中,當被攝物的亮度較低時,光敏電阻R7的阻值增大,三極管VT1飽和導通,VT2截止,閃光振蕩電路開始工作。反之,由於VT3的基極被VT2飽和鉗製而不能振蕩。
電子閃光燈電路八:

圖8所示電路的特點是,在未攝影前.主電容器C3已充好電。攝影時,如果被攝物體的亮度較弱,則VTl截止.VS導通,隨著快門的開啟,同步開關s2接通,閃光燈閃亮。反之,VT1飽和導通,vs截止,閃光燈不閃亮。
目前,很多相機上設有延時自動斷電功能,一般是打開相機前蓋開關後,若在幾十秒鍾內沒有拍照,則相機(包括內藏閃光燈)自動斷電。此時按下拍攝按鈕,隻需在拍攝按鈕按至中遺約停留一穢鍾,即可自行恢複通電。
[page]
電子閃光燈電路九:

在圖9所示白廿自動斷電閃光燈電路中,增加了一個延時電路。當電源開關S1接通後,比較器輸出低電平,VT1導通,閃光燈振蕩,主電容器C3充電。在VT1導通期間,若進行了拍攝,即手拍按鈕開關S2或自拍開關S3接通,則比較器持續保持低電平狀態。否則,隨著計時電容器C1的充電,當A點電位低於B點電位時,比較器輸出高電平,VT1截止,閃光燈停振。
更多閱讀:
電源設計技巧十例:相機閃光燈電容充電器設計
http://www.0-fzl.cn/power-art/80021217
LED閃光燈驅動在照相手機中的應用
http://www.0-fzl.cn/power-art/80015032
手機相機的LED閃光燈驅動電路設計
http://www.0-fzl.cn/opto-art/80014368
- 噪聲中提取真值!瑞盟科技推出MSA2240電流檢測芯片賦能多元高端測量場景
- 10MHz高頻運行!氮矽科技發布集成驅動GaN芯片,助力電源能效再攀新高
- 失真度僅0.002%!力芯微推出超低內阻、超低失真4PST模擬開關
- 一“芯”雙電!聖邦微電子發布雙輸出電源芯片,簡化AFE與音頻設計
- 一機適配萬端:金升陽推出1200W可編程電源,賦能高端裝備製造
- 築基AI4S:摩爾線程全功能GPU加速中國生命科學自主生態
- 一秒檢測,成本降至萬分之一,光引科技把幾十萬的台式光譜儀“搬”到了手腕上
- AI服務器電源機櫃Power Rack HVDC MW級測試方案
- 突破工藝邊界,奎芯科技LPDDR5X IP矽驗證通過,速率達9600Mbps
- 通過直接、準確、自動測量超低範圍的氯殘留來推動反滲透膜保護
- 車規與基於V2X的車輛協同主動避撞技術展望
- 數字隔離助力新能源汽車安全隔離的新挑戰
- 汽車模塊拋負載的解決方案
- 車用連接器的安全創新應用
- Melexis Actuators Business Unit
- Position / Current Sensors - Triaxis Hall




