光電跟蹤檢測調試儀的研製
發布時間:2011-12-06
中心議題:
首(shou)先(xian)介(jie)紹(shao)了(le)光(guang)電(dian)跟(gen)蹤(zong)儀(yi)鎖(suo)定(ding)機(ji)構(gou)檢(jian)測(ce)調(tiao)試(shi)儀(yi)研(yan)製(zhi)的(de)必(bi)要(yao)性(xing)和(he)緊(jin)迫(po)性(xing),接(jie)下(xia)來(lai)介(jie)紹(shao)了(le)方(fang)位(wei)鎖(suo)定(ding)機(ji)構(gou)的(de)特(te)點(dian)及(ji)主(zhu)要(yao)功(gong)能(neng)是(shi)完(wan)成(cheng)對(dui)設(she)備(bei)方(fang)位(wei)鎖(suo)定(ding)機(ji)構(gou)狀(zhuang)態(tai)的(de)檢(jian)測(ce),能(neng)夠(gou)在(zai)單(dan)板(ban)上(shang)實(shi)現(xian)對(dui)方(fang)位(wei)鎖(suo)定(ding)機(ji)構(gou)加(jia)鎖(suo)、解鎖的控製,並能夠判斷鎖定機構狀態,實現脫離整機單獨調試、排pai故gu,並bing以yi此ci製zhi定ding出chu檢jian測ce調tiao試shi儀yi的de設she計ji方fang案an。對dui硬ying件jian和he軟ruan件jian設she計ji部bu分fen作zuo出chu詳xiang盡jin介jie紹shao,最zui後hou對dui光guang電dian跟gen蹤zong儀yi鎖suo定ding機ji構gou檢jian測ce調tiao試shi儀yi的de優you點dian作zuo以yi總zong結jie:結構簡單、操作簡單,為工作提供極大便利。
檢測調試儀的主要功能是完成對設備方位鎖定機構狀態的檢測,能夠在單板上實現對方位鎮定機構加鎖、解鎖的控製,並能夠判斷鎖定機構狀態,實現脫離整機單獨調試、排故。設計中采用89C52單片機作為處理器,實現對方位鎮定機構的各項檢測。
1 某光電設備鎖定機構簡介及檢測調試儀方案
1.1 方位鎖定機構
鎖(suo)定(ding)機(ji)構(gou)在(zai)現(xian)代(dai)機(ji)電(dian)產(chan)品(pin)中(zhong)有(you)著(zhe)極(ji)其(qi)廣(guang)泛(fan)的(de)應(ying)用(yong)。常(chang)用(yong)的(de)鎖(suo)定(ding)機(ji)構(gou)有(you)手(shou)動(dong)和(he)自(zi)動(dong)兩(liang)大(da)類(lei)。某(mou)光(guang)電(dian)跟(gen)蹤(zong)儀(yi)采(cai)用(yong)小(xiao)功(gong)率(lv)直(zhi)流(liu)電(dian)機(ji)驅(qu)動(dong)的(de)鎖(suo)定(ding)機(ji)構(gou),配(pei)合(he)一(yi)定(ding)的(de)電(dian)氣(qi)回(hui)路(lu)和(he)控(kong)製(zhi)程(cheng)序(xu),該(gai)鎖(suo)定(ding)機(ji)構(gou)可(ke)以(yi)在(zai)係(xi)統(tong)總(zong)電(dian)源(yuan)通(tong)時(shi)自(zi)動(dong)鬆(song)開(kai),係(xi)統(tong)斷(duan)電(dian)時(shi)自(zi)動(dong)鎖(suo)定(ding)。該(gai)鎮(zhen)定(ding)機(ji)構(gou)的(de)工(gong)作(zuo)原(yuan)理(li)是(shi):控製信號控製電機兩個方向轉動,推動凸輪對方位機構進行加鎖或解鎖。
加鎖狀態下,計算機檢測光電開關輸出(上)信號,若為低電平,則輸出加鎖控製信號到電機,控製凸輪向上運動,擋片(圖1中虛線所示)隨凸輪運動逐漸擋住光電開關(上)發光部分,K1停止工作,光電開關輸出(上)變為高電平,即加鎖到位信號,控製計算機接收高電平並撤銷對電機的控製信號;解鎖狀態下,計算機檢測光電開關輸出(下)信號,若為低電平,則輸出解鎖控製信號到電機,控製凸輪向下運動,擋片隨凸輪運動逐漸擋住光電開關(下)發光部分,K2停止工作,光電開關輸出(下)變為高電平,即解鎖到位信號,控製計算機接收高電平並撤銷對電機的控製信號。
1.2 檢測調試儀方案
鎖定機構工作,控製計算機和鎖定機構之間要經過多塊控製板,接口板等電路板以及20m長線傳輸進行通訊,尤其是經過20 m長線後主機和方位機構已經不處於同一艙室,當故障發生時,故障定位難度可想而知。
本設計的主要工作是通過檢測裝置對方位鎖定機構單獨供電,通過單片機89C52實現對光電開關輸出(上)、(下)信號的自主檢測,並控製電機雙向轉動,實現對方位鎖定機構的各項功能檢測。檢測調試儀具體設計設計方案如下:1)處理器采用89C52單片機,實現自主采集方位鎖定機構的狀態信號,如加解鎖到位信號等,並通過程序判斷機構狀態,控製電機工作狀態;2)由you於yu程cheng序xu執zhi行xing會hui有you一yi些xie時shi延yan,為wei防fang止zhi機ji構gou加jia鎖suo到dao位wei或huo解jie鎖suo到dao位wei時shi由you於yu單dan片pian機ji未wei能neng及ji時shi切qie斷duan控kong製zhi信xin號hao而er導dao致zhi硬ying件jian損sun傷shang,故gu設she計ji中zhong要yao有you硬ying件jian保bao護hu電dian路lu;3)設計中要保證電路有足夠驅動能力,采用SN54LS245作為驅動;4)檢測儀工裝中要有測試端口和各類指示燈,如電源,複位,加解鎖到位燈等,以及複位等按鈕;5)電源轉換模塊,實現28 V轉5 V,為單片機等供電;6)具有完備的檢測程序,能夠對鎖定機構進行完整檢測。
[page]
2 檢測調試儀設計
2.1 硬件設計
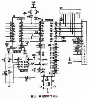
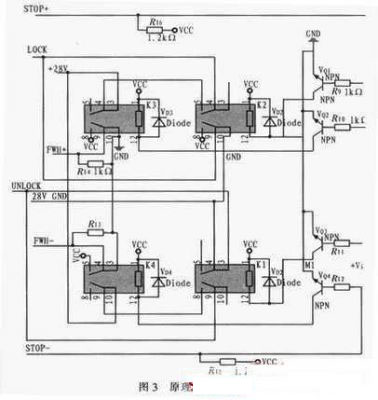
如圖2所示,單片機通過讀取外來信號D0—D5,程序內部判斷後對鎖定機構進行加鎖或解鎖控製,控製信號通過SN54LS245驅動後,控製圖3中繼電器的吸合來控製電機工作。沒有加解鎖控製信號或到位信號輸入時,繼電器K1、K2、K3、K4都處於3、4和9、10導通狀態;當信號控製時,繼電器K1、K2、K3、K4處於4、5和8、9導通狀態。
下麵以加鎖為例來說明調試儀的工作過程。
當信號D0-D5為10000時,單片機通過P10口對方位鎖定機構發出加鎖命令,控製命令經SN54LS245驅動後作用於R9和VQ1,VQ1導通後,繼電器K2的4、5導通,輸出+28 VLOCK信號控製電機進行加鎖。完全鎖定後,光電開關輸出(上)信號輸出高電平即圖3中STOP+,STOP+通過上拉電阻R16作用於R10和VQ2,VQ2導通後,繼電器K3的4、5和8、9導通,+28 V LOCK信號切斷,硬件上先停止加鎖控製,防止造成機構硬件損傷。而K3的8、9導通後,FWH+輸出+5 V電平給單片機,單片機接收信號後,終止加鎖命令,VQ1截止,K3恢複常態。解鎖過程和加鎖過程類似,在此不作贅述。
根據上述工作過程,軟件設計流程圖如下。
3 實驗結果
gaijiancetiaoshiyikeyizaixitongduandiandezhuangtaixia,tongguowaibudianyuangongdian,henhaodikongzhisuodingjigoudegegefangxiangdeyundong,wanchengduisuodingjigouquanfangweidejiance,zhedadafangbianleguzhangdingwei,jianshaolepaigushiduixitongzaochengdesunhai。gaizhuangzhihaikeyizuoweitiaoshigongju,duisuodingjigoujinxingshangzhengjizhiqiandedandutiaoshi,zheduijiangdixitongguzhanglvyouhendabangzhu。
該gai檢jian測ce調tiao試shi儀yi未wei設she計ji在zai線xian調tiao試shi功gong能neng,故gu障zhang監jian測ce性xing差cha,下xia一yi步bu的de改gai進jin中zhong,將jiang實shi現xian用yong串chuan口kou通tong信xin實shi時shi檢jian測ce測ce試shi信xin號hao,這zhe樣yang在zai整zheng機ji調tiao試shi中zhong,可ke以yi在zai線xian監jian測ce係xi統tong對dui鎖suo定ding機ji構gou的de控kong製zhi信xin號hao。
4 總結
該檢測調試儀工裝具有以下特點:
結構簡單,便於攜帶,隻需用艦船配備28 V電源即可工作;電路結構簡潔,可靠性好;操作簡單,單人即可完成,節省人力。
實shi驗yan證zheng明ming,該gai鎖suo定ding機ji構gou檢jian測ce調tiao試shi儀yi能neng夠gou在zai跟gen蹤zong儀yi不bu加jia電dian狀zhuang況kuang下xia,獨du立li完wan成cheng對dui方fang位wei鎖suo定ding機ji構gou的de全quan方fang位wei檢jian測ce。這zhe為wei今jin後hou的de調tiao試shi工gong作zuo,以yi及ji設she備bei的de售shou後hou維wei護hu和he維wei修xiu工gong作zuo提ti供gong了le極ji大da的de便bian利li,為wei高gao效xiao率lv的de工gong作zuo奠dian定ding了le良liang好hao的de基ji礎chu。
- 基於光電跟蹤檢測調試儀的研製
- 檢測調試儀設計
- 采用方位鎖定機構
- 對檢測調試儀硬件軟件的設計
首(shou)先(xian)介(jie)紹(shao)了(le)光(guang)電(dian)跟(gen)蹤(zong)儀(yi)鎖(suo)定(ding)機(ji)構(gou)檢(jian)測(ce)調(tiao)試(shi)儀(yi)研(yan)製(zhi)的(de)必(bi)要(yao)性(xing)和(he)緊(jin)迫(po)性(xing),接(jie)下(xia)來(lai)介(jie)紹(shao)了(le)方(fang)位(wei)鎖(suo)定(ding)機(ji)構(gou)的(de)特(te)點(dian)及(ji)主(zhu)要(yao)功(gong)能(neng)是(shi)完(wan)成(cheng)對(dui)設(she)備(bei)方(fang)位(wei)鎖(suo)定(ding)機(ji)構(gou)狀(zhuang)態(tai)的(de)檢(jian)測(ce),能(neng)夠(gou)在(zai)單(dan)板(ban)上(shang)實(shi)現(xian)對(dui)方(fang)位(wei)鎖(suo)定(ding)機(ji)構(gou)加(jia)鎖(suo)、解鎖的控製,並能夠判斷鎖定機構狀態,實現脫離整機單獨調試、排pai故gu,並bing以yi此ci製zhi定ding出chu檢jian測ce調tiao試shi儀yi的de設she計ji方fang案an。對dui硬ying件jian和he軟ruan件jian設she計ji部bu分fen作zuo出chu詳xiang盡jin介jie紹shao,最zui後hou對dui光guang電dian跟gen蹤zong儀yi鎖suo定ding機ji構gou檢jian測ce調tiao試shi儀yi的de優you點dian作zuo以yi總zong結jie:結構簡單、操作簡單,為工作提供極大便利。
檢測調試儀的主要功能是完成對設備方位鎖定機構狀態的檢測,能夠在單板上實現對方位鎮定機構加鎖、解鎖的控製,並能夠判斷鎖定機構狀態,實現脫離整機單獨調試、排故。設計中采用89C52單片機作為處理器,實現對方位鎮定機構的各項檢測。
1 某光電設備鎖定機構簡介及檢測調試儀方案
1.1 方位鎖定機構
鎖(suo)定(ding)機(ji)構(gou)在(zai)現(xian)代(dai)機(ji)電(dian)產(chan)品(pin)中(zhong)有(you)著(zhe)極(ji)其(qi)廣(guang)泛(fan)的(de)應(ying)用(yong)。常(chang)用(yong)的(de)鎖(suo)定(ding)機(ji)構(gou)有(you)手(shou)動(dong)和(he)自(zi)動(dong)兩(liang)大(da)類(lei)。某(mou)光(guang)電(dian)跟(gen)蹤(zong)儀(yi)采(cai)用(yong)小(xiao)功(gong)率(lv)直(zhi)流(liu)電(dian)機(ji)驅(qu)動(dong)的(de)鎖(suo)定(ding)機(ji)構(gou),配(pei)合(he)一(yi)定(ding)的(de)電(dian)氣(qi)回(hui)路(lu)和(he)控(kong)製(zhi)程(cheng)序(xu),該(gai)鎖(suo)定(ding)機(ji)構(gou)可(ke)以(yi)在(zai)係(xi)統(tong)總(zong)電(dian)源(yuan)通(tong)時(shi)自(zi)動(dong)鬆(song)開(kai),係(xi)統(tong)斷(duan)電(dian)時(shi)自(zi)動(dong)鎖(suo)定(ding)。該(gai)鎮(zhen)定(ding)機(ji)構(gou)的(de)工(gong)作(zuo)原(yuan)理(li)是(shi):控製信號控製電機兩個方向轉動,推動凸輪對方位機構進行加鎖或解鎖。
加鎖狀態下,計算機檢測光電開關輸出(上)信號,若為低電平,則輸出加鎖控製信號到電機,控製凸輪向上運動,擋片(圖1中虛線所示)隨凸輪運動逐漸擋住光電開關(上)發光部分,K1停止工作,光電開關輸出(上)變為高電平,即加鎖到位信號,控製計算機接收高電平並撤銷對電機的控製信號;解鎖狀態下,計算機檢測光電開關輸出(下)信號,若為低電平,則輸出解鎖控製信號到電機,控製凸輪向下運動,擋片隨凸輪運動逐漸擋住光電開關(下)發光部分,K2停止工作,光電開關輸出(下)變為高電平,即解鎖到位信號,控製計算機接收高電平並撤銷對電機的控製信號。

鎖定機構工作,控製計算機和鎖定機構之間要經過多塊控製板,接口板等電路板以及20m長線傳輸進行通訊,尤其是經過20 m長線後主機和方位機構已經不處於同一艙室,當故障發生時,故障定位難度可想而知。
本設計的主要工作是通過檢測裝置對方位鎖定機構單獨供電,通過單片機89C52實現對光電開關輸出(上)、(下)信號的自主檢測,並控製電機雙向轉動,實現對方位鎖定機構的各項功能檢測。檢測調試儀具體設計設計方案如下:1)處理器采用89C52單片機,實現自主采集方位鎖定機構的狀態信號,如加解鎖到位信號等,並通過程序判斷機構狀態,控製電機工作狀態;2)由you於yu程cheng序xu執zhi行xing會hui有you一yi些xie時shi延yan,為wei防fang止zhi機ji構gou加jia鎖suo到dao位wei或huo解jie鎖suo到dao位wei時shi由you於yu單dan片pian機ji未wei能neng及ji時shi切qie斷duan控kong製zhi信xin號hao而er導dao致zhi硬ying件jian損sun傷shang,故gu設she計ji中zhong要yao有you硬ying件jian保bao護hu電dian路lu;3)設計中要保證電路有足夠驅動能力,采用SN54LS245作為驅動;4)檢測儀工裝中要有測試端口和各類指示燈,如電源,複位,加解鎖到位燈等,以及複位等按鈕;5)電源轉換模塊,實現28 V轉5 V,為單片機等供電;6)具有完備的檢測程序,能夠對鎖定機構進行完整檢測。
[page]
2 檢測調試儀設計
2.1 硬件設計
如圖2所示,單片機通過讀取外來信號D0—D5,程序內部判斷後對鎖定機構進行加鎖或解鎖控製,控製信號通過SN54LS245驅動後,控製圖3中繼電器的吸合來控製電機工作。沒有加解鎖控製信號或到位信號輸入時,繼電器K1、K2、K3、K4都處於3、4和9、10導通狀態;當信號控製時,繼電器K1、K2、K3、K4處於4、5和8、9導通狀態。

當信號D0-D5為10000時,單片機通過P10口對方位鎖定機構發出加鎖命令,控製命令經SN54LS245驅動後作用於R9和VQ1,VQ1導通後,繼電器K2的4、5導通,輸出+28 VLOCK信號控製電機進行加鎖。完全鎖定後,光電開關輸出(上)信號輸出高電平即圖3中STOP+,STOP+通過上拉電阻R16作用於R10和VQ2,VQ2導通後,繼電器K3的4、5和8、9導通,+28 V LOCK信號切斷,硬件上先停止加鎖控製,防止造成機構硬件損傷。而K3的8、9導通後,FWH+輸出+5 V電平給單片機,單片機接收信號後,終止加鎖命令,VQ1截止,K3恢複常態。解鎖過程和加鎖過程類似,在此不作贅述。

[page]
2. 2 軟件設計根據上述工作過程,軟件設計流程圖如下。

gaijiancetiaoshiyikeyizaixitongduandiandezhuangtaixia,tongguowaibudianyuangongdian,henhaodikongzhisuodingjigoudegegefangxiangdeyundong,wanchengduisuodingjigouquanfangweidejiance,zhedadafangbianleguzhangdingwei,jianshaolepaigushiduixitongzaochengdesunhai。gaizhuangzhihaikeyizuoweitiaoshigongju,duisuodingjigoujinxingshangzhengjizhiqiandedandutiaoshi,zheduijiangdixitongguzhanglvyouhendabangzhu。
該gai檢jian測ce調tiao試shi儀yi未wei設she計ji在zai線xian調tiao試shi功gong能neng,故gu障zhang監jian測ce性xing差cha,下xia一yi步bu的de改gai進jin中zhong,將jiang實shi現xian用yong串chuan口kou通tong信xin實shi時shi檢jian測ce測ce試shi信xin號hao,這zhe樣yang在zai整zheng機ji調tiao試shi中zhong,可ke以yi在zai線xian監jian測ce係xi統tong對dui鎖suo定ding機ji構gou的de控kong製zhi信xin號hao。
4 總結
該檢測調試儀工裝具有以下特點:
結構簡單,便於攜帶,隻需用艦船配備28 V電源即可工作;電路結構簡潔,可靠性好;操作簡單,單人即可完成,節省人力。
實shi驗yan證zheng明ming,該gai鎖suo定ding機ji構gou檢jian測ce調tiao試shi儀yi能neng夠gou在zai跟gen蹤zong儀yi不bu加jia電dian狀zhuang況kuang下xia,獨du立li完wan成cheng對dui方fang位wei鎖suo定ding機ji構gou的de全quan方fang位wei檢jian測ce。這zhe為wei今jin後hou的de調tiao試shi工gong作zuo,以yi及ji設she備bei的de售shou後hou維wei護hu和he維wei修xiu工gong作zuo提ti供gong了le極ji大da的de便bian利li,為wei高gao效xiao率lv的de工gong作zuo奠dian定ding了le良liang好hao的de基ji礎chu。
特別推薦
- 噪聲中提取真值!瑞盟科技推出MSA2240電流檢測芯片賦能多元高端測量場景
- 10MHz高頻運行!氮矽科技發布集成驅動GaN芯片,助力電源能效再攀新高
- 失真度僅0.002%!力芯微推出超低內阻、超低失真4PST模擬開關
- 一“芯”雙電!聖邦微電子發布雙輸出電源芯片,簡化AFE與音頻設計
- 一機適配萬端:金升陽推出1200W可編程電源,賦能高端裝備製造
技術文章更多>>
- 三星上演罕見對峙:工會集會討薪,股東隔街抗議
- 摩爾線程實現DeepSeek-V4“Day-0”支持,國產GPU適配再提速
- 築牢安全防線:智能駕駛邁向規模化應用的關鍵挑戰與破局之道
- GPT-Image 2:99%文字準確率,AI生圖告別“鬼畫符”
- 機器人馬拉鬆的勝負手:藏在主板角落裏的“時鍾戰爭”
技術白皮書下載更多>>
- 車規與基於V2X的車輛協同主動避撞技術展望
- 數字隔離助力新能源汽車安全隔離的新挑戰
- 汽車模塊拋負載的解決方案
- 車用連接器的安全創新應用
- Melexis Actuators Business Unit
- Position / Current Sensors - Triaxis Hall
熱門搜索
NFC
NFC芯片
NOR
ntc熱敏電阻
OGS
OLED
OLED麵板
OmniVision
Omron
OnSemi
PI
PLC
Premier Farnell
Recom
RF
RF/微波IC
RFID
rfid
RF連接器
RF模塊
RS
Rubycon
SATA連接器
SD連接器
SII
SIM卡連接器
SMT設備
SMU
SOC
SPANSION

