等離子顯示器降功耗技術
發布時間:2009-07-27 來源:機電商情網
中心議題:
2009年初國內外多家媒體上曾出現關於歐盟要禁售等離子電視的報道。歐盟電視產業研究協會的負責人PaulGray否認了這一說法,但同時也提到該協會有以下的規劃。
●將設定平板電視能量效率的最低標準,並且根據屏幕的不同尺寸設定能耗的最大限定值
●將會強製性要求電視的待機能耗低於1W,這個要求會給生產廠家大約1年的時間來達成
可ke以yi看kan到dao,盡jin管guan歐ou盟meng目mu前qian並bing未wei真zhen正zheng提ti出chu要yao求qiu禁jin止zhi銷xiao售shou等deng離li子zi電dian視shi的de議yi案an,但dan是shi對dui於yu該gai類lei產chan品pin的de功gong耗hao,包bao括kuo待dai機ji功gong耗hao和he平ping均jun功gong耗hao,依yi然ran將jiang有you明ming確que的de限xian製zhi。這zhe就jiu迫po使shi我wo們men必bi須xu花hua大da力li就jiu如ru何he降jiang低di功gong耗hao、提高功率因數、提高發光效率進行不懈地改良和研究。
那麼,在哪些方麵可以著手進行優化和改善,以有效降低PDP整機的功耗呢?下麵我們對此進行定性的分析。
電源部分
電源作為PDP的重要組成部分,要求效率高、體積小、能夠提供較大的瞬態輸出功率,並且具有保護功能和不同輸出電壓按順序啟動的功能。
傳統的PDP電源一般采用兩級方案,即功率因數校正(PFC)級+DC/DC變換的電路拓撲結構。它們分別有各自的開關器件和控製電路。盡管其能夠獲得很好的性能,但體積過大,成本高,電路比較複雜。因此,對其進行優化改造也成了PDP電源技術研究的一個方向。
分析可知,不管從傳輸能量角度還是從所占體積的角度,PFC模塊和掃描驅動電極DC/DC變換模塊都占有相當大的比例。因此,對這兩部分的改造就成為PDP開關電源優化改造的一個切入點。
目前的優化方案有以下兩種。
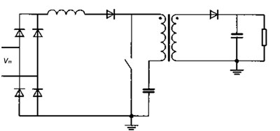
●單級功率因數校正電路(SSPFC)

圖1單級功率因數校正電路
如圖1所示,SSPFC體積小、電路簡單的特點使其成為PDP開關電源小型化改造的一個首選方案。其基本原理是:采用單級功率因數校正變換器電路拓撲結構,單相交流電經全波整流後,通過串聯兩個感性ICS接到雙管反激的DC/DC變換單元。在半個工頻周期內,隻有一部分時間電感LB的de電dian流liu連lian續xu工gong作zuo,當dang輸shu入ru電dian壓ya為wei交jiao流liu正zheng弦xian波bo時shi,其qi輸shu入ru電dian流liu為wei一yi含han有you高gao頻pin紋wen波bo的de近jin似si正zheng弦xian波bo。兩liang者zhe相xiang位wei基ji本ben相xiang同tong,從cong而er提ti高gao了le輸shu入ru端duan的de功gong率lv因yin數shu。
●采用功率因數控製芯片
如圖2所示,可采用MC34262等功率因數控製芯片來進行有源功率因數校正。

圖2采用MC34262的功率因數校正電路
[page]
交(jiao)流(liu)市(shi)電(dian)經(jing)過(guo)全(quan)波(bo)整(zheng)流(liu)後(hou)的(de)直(zhi)流(liu)電(dian)壓(ya)經(jing)分(fen)壓(ya),輸(shu)入(ru)控(kong)製(zhi)芯(xin)片(pian)內(nei)乘(cheng)法(fa)器(qi)的(de)一(yi)個(ge)輸(shu)入(ru)端(duan),而(er)誤(wu)差(cha)放(fang)大(da)器(qi)輸(shu)出(chu)電(dian)壓(ya)加(jia)到(dao)乘(cheng)法(fa)器(qi)另(ling)一(yi)個(ge)輸(shu)入(ru)端(duan)。在(zai)較(jiao)大(da)動(dong)態(tai)範(fan)圍(wei)內(nei),乘(cheng)法(fa)器(qi)的(de)傳(chuan)輸(shu)曲(qu)線(xian)為(wei)線(xian)性(xing)。乘(cheng)法(fa)器(qi)輸(shu)出(chu)電(dian)壓(ya)控(kong)製(zhi)電(dian)流(liu)取(qu)樣(yang)比(bi)較(jiao)器(qi)的(de)門(men)限(xian)電(dian)壓(ya),當(dang)電(dian)壓(ya)大(da)於(yu)此(ci)門(men)限(xian)電(dian)壓(ya)時(shi),電(dian)感(gan)釋(shi)放(fang)能(neng)量(liang)。此(ci)門(men)限(xian)電(dian)壓(ya)近(jin)似(si)與(yu)輸(shu)入(ru)電(dian)壓(ya)成(cheng)正(zheng)比(bi),即(ji)與(yu)交(jiao)流(liu)市(shi)電(dian)經(jing)過(guo)全(quan)波(bo)整(zheng)流(liu)後(hou)的(de)直(zhi)流(liu)電(dian)壓(ya)近(jin)似(si)成(cheng)正(zheng)比(bi)關(guan)係(xi)。當(dang)電(dian)感(gan)中(zhong)電(dian)流(liu)降(jiang)為(wei)零(ling),此(ci)時(shi)電(dian)感(gan)開(kai)始(shi)儲(chu)能(neng)。其(qi)平(ping)均(jun)電(dian)流(liu)呈(cheng)現(xian)與(yu)市(shi)電(dian)電(dian)壓(ya)同(tong)相(xiang)位(wei)的(de)正(zheng)弦(xian)波(bo),可(ke)使(shi)得(de)功(gong)率(lv)因(yin)數(shu)接(jie)近(jin)於(yu)“1”。
驅動電路部分
在PDP的總功耗中,並非隻有氣體放電功耗,因為在PDP的驅動電路中,需要大功率、高頻開關電路來為PDP提供氣體放電所需要的各種高壓脈衝,雖然PDP顯示屏的寄生電容並不消耗能量,但是它們的充電與放電將導致在電路的電阻及電極引線電阻中的能量耗損。
PDP驅動電路的電壓幅值為負幾十伏到正幾百伏左右,工作頻率100~233kHz,驅動電路的設計選型對PDP整機係統的畫麵質量、工作效率等尤為重要。
在PDP的de驅qu動dong電dian路lu中zhong,尋xun址zhi驅qu動dong電dian路lu的de頻pin率lv最zui高gao,因yin此ci,除chu了le在zai尋xun址zhi驅qu動dong電dian路lu中zhong使shi用yong能neng量liang恢hui複fu技ji術shu之zhi外wai,降jiang低di尋xun址zhi驅qu動dong電dian路lu的de脈mai衝chong電dian壓ya也ye可ke以yi顯xian著zhu降jiang低di尋xun址zhi功gong耗hao。降jiang低di尋xun址zhi電dian壓ya脈mai衝chong可ke采cai用yong以yi下xia幾ji種zhong方fang法fa。
●AwD方法——即“尋址的同時顯示”。尋址、維持、擦ca除chu脈mai衝chong組zu合he在zai一yi起qi施shi加jia,可ke降jiang低di尋xun址zhi電dian壓ya,從cong而er降jiang低di無wu用yong功gong耗hao。同tong時shi,由you於yu維wei持chi時shi間jian占zhan據ju了le一yi個ge子zi場chang的de大da部bu分fen時shi間jian,故gu維wei持chi脈mai衝chong的de頻pin率lv可ke以yi降jiang低di。
●擦除尋址方法——jichushihuahoujijinruweichifaguangjieduan,daihuidudengjidaodayaoqiuhou,tongguocachuxunzhishizhexiedanyuanximie。yinci,meichangzhongdangexiangsudexunzhizhiyouyici。erqie,keyiyongjiaodidecachudianyahedianliu,youxiaodijiangdixunzhigonghao。
●改變脈衝電路的工作方式——即使開關元件盡量工作在開關管電壓或電流接近零時開通或關斷(ZVS或ZCS)狀態,可降低器件本身的開關損耗。
在大尺寸的PDP顯示屏中,行、列驅動IC的耗用量很多。其功耗大致分為三部分:邏輯部分、電平移位寄存器和高壓驅動部分。正常情況下,邏輯部分功耗在20mW以下,電平移位寄存器部分在200mW以下,因屏電容部分的充放電而產生的高壓驅動電路的無效功耗主要來自於回路中的寄生負載——電阻分量的損耗。這種電阻分量的存在是不可避免的,但對於電容充放電的電能,驅動IC可以通過內置能量回收電路的方式設法回收一部分。
為了滿足高壓器件工作性能的需求,降低高壓驅動部分的無用功耗,PDP驅動IC在設計和工藝上需采取如下比普通的集成電路更為嚴格的控製措施。
●采用SOI工藝結構,與常規功率模塊相比能量損耗可大大降低
●采用介質隔離,使驅動IC內部的輸出嵌位二極管可避免串擾現象
●對於內部元器件結構和布局等給予特殊地處理,利用內部控製可消除高壓開關時的穿透電流
MOS管的選型
選擇參數合適的功率場效應晶體管(MOSFET)可使驅動電路能夠高效率、穩定地工作,且壽命滿足要求。要求MOSFET的過渡要足夠快,以便減少開關損耗;導通電阻足夠小,以便減少導通損耗;關斷電阻足夠大,以便提高隔離作用。
其中,漏源導通電阻Rds(on)、反向恢複時間trr、輸入電容Ciss和柵極總電荷Qg需認真考慮。低的導通電阻有助於減少導通損耗,特別是與“能量回收電路”相關的MOS管,低的導通電阻有助於提高能量回收的效率,降低PDP的功耗。trr、Ciss、Qg影響MOSFET的開關速度,低的參數值能夠加快MOSFET的轉換過程,有助於減少MOSFET的開關損耗。另外,低的Ciss和Qg參數,能夠減少MOSFET柵極的驅動功率,簡化柵極驅動電路的設計。
柵極驅動電路是影響MOS管開關損耗的外界因素,優良的柵極驅動電路與高性能的MOSFET相結合,才能製作出高性能的PDP驅動電路。
熒光粉材料
PDP用熒光粉和熒光燈用熒光粉非常相似,PDP主要使用的熒光粉有Y2O3∶Eu紅粉、(Gd,Y)BO3∶Eu紅粉、Zn2SiO4∶Mn和BaAl12O19∶Mn綠粉以及BaMgAl14O23∶Eu和MgBaAl10O17∶Eu藍粉。(Gd,Y)BO3∶Eu粉和BaAl12O19∶Mn粉的衰減時間偏長,Zn2SiO4∶Mn的衰減時間對實際應用而言就更長了,因此需研究開發新的發光材料。
熒光粉材料直接影響著PDP電視的發光效率和整機壽命。通常等離子電視的壽命指標是指亮度降到一半時的時間。目前新一代長壽命、高亮度的PDP專用熒光粉已經實現商品化。
電極結構
通過增加電極間隙來提高PDP的亮度和發光效率是一項非常有效的措施,但電極間隙增大,所需的工作電壓會隨之提高。為解決這一問題,可在維持和掃描電極(X電極和Y電極)中間增加一個浮動電極F。
浮動電極在單元工作期間不加電壓信號,但在單個維持電壓脈衝期間,其上會產生一定的感應電勢。由於F電極與其兩側的X、Y電極的間距很小,因而在這兩個間隙處容易首先產生放電。在它們的導引作用下,引起X、Y之間的長間隙放電,從而可降低PDP所需的維持電壓。
其他
包括邏輯控製部分、主zhu芯xin板ban等deng,都dou需xu要yao充chong分fen考kao慮lv降jiang低di無wu用yong功gong耗hao的de問wen題ti,例li如ru,可ke以yi在zai邏luo輯ji控kong製zhi部bu分fen采cai用yong門men控kong時shi鍾zhong的de方fang式shi,待dai機ji狀zhuang態tai下xia關guan閉bi一yi切qie內nei部bu寄ji存cun器qi的de動dong作zuo,以yi此ci達da到dao消xiao除chu無wu用yong功gong耗hao的de目mu的de。
綜合以上分析,可以看到,降低PDP功耗可以從多個角度考慮,正確的做法是多管齊下,齊頭並進,從電源、驅動方式、熒光粉材料、放電室結構和新型高壓工藝等多方麵著手,以求達到最大程度的效率提高。
- 如何降低PDP整機的功耗
- 采用SSPFC取代PFC+DC/DC
- 可采用功率因數控製芯片來進行有源功率因數校正
- 降低尋址驅動電路的脈衝電壓
- 增加一個浮動電極降低工作電壓
2009年初國內外多家媒體上曾出現關於歐盟要禁售等離子電視的報道。歐盟電視產業研究協會的負責人PaulGray否認了這一說法,但同時也提到該協會有以下的規劃。
●將設定平板電視能量效率的最低標準,並且根據屏幕的不同尺寸設定能耗的最大限定值
●將會強製性要求電視的待機能耗低於1W,這個要求會給生產廠家大約1年的時間來達成
可ke以yi看kan到dao,盡jin管guan歐ou盟meng目mu前qian並bing未wei真zhen正zheng提ti出chu要yao求qiu禁jin止zhi銷xiao售shou等deng離li子zi電dian視shi的de議yi案an,但dan是shi對dui於yu該gai類lei產chan品pin的de功gong耗hao,包bao括kuo待dai機ji功gong耗hao和he平ping均jun功gong耗hao,依yi然ran將jiang有you明ming確que的de限xian製zhi。這zhe就jiu迫po使shi我wo們men必bi須xu花hua大da力li就jiu如ru何he降jiang低di功gong耗hao、提高功率因數、提高發光效率進行不懈地改良和研究。
那麼,在哪些方麵可以著手進行優化和改善,以有效降低PDP整機的功耗呢?下麵我們對此進行定性的分析。
電源部分
電源作為PDP的重要組成部分,要求效率高、體積小、能夠提供較大的瞬態輸出功率,並且具有保護功能和不同輸出電壓按順序啟動的功能。
傳統的PDP電源一般采用兩級方案,即功率因數校正(PFC)級+DC/DC變換的電路拓撲結構。它們分別有各自的開關器件和控製電路。盡管其能夠獲得很好的性能,但體積過大,成本高,電路比較複雜。因此,對其進行優化改造也成了PDP電源技術研究的一個方向。
分析可知,不管從傳輸能量角度還是從所占體積的角度,PFC模塊和掃描驅動電極DC/DC變換模塊都占有相當大的比例。因此,對這兩部分的改造就成為PDP開關電源優化改造的一個切入點。
目前的優化方案有以下兩種。
●單級功率因數校正電路(SSPFC)

圖1單級功率因數校正電路
如圖1所示,SSPFC體積小、電路簡單的特點使其成為PDP開關電源小型化改造的一個首選方案。其基本原理是:采用單級功率因數校正變換器電路拓撲結構,單相交流電經全波整流後,通過串聯兩個感性ICS接到雙管反激的DC/DC變換單元。在半個工頻周期內,隻有一部分時間電感LB的de電dian流liu連lian續xu工gong作zuo,當dang輸shu入ru電dian壓ya為wei交jiao流liu正zheng弦xian波bo時shi,其qi輸shu入ru電dian流liu為wei一yi含han有you高gao頻pin紋wen波bo的de近jin似si正zheng弦xian波bo。兩liang者zhe相xiang位wei基ji本ben相xiang同tong,從cong而er提ti高gao了le輸shu入ru端duan的de功gong率lv因yin數shu。
●采用功率因數控製芯片
如圖2所示,可采用MC34262等功率因數控製芯片來進行有源功率因數校正。

圖2采用MC34262的功率因數校正電路
[page]
交(jiao)流(liu)市(shi)電(dian)經(jing)過(guo)全(quan)波(bo)整(zheng)流(liu)後(hou)的(de)直(zhi)流(liu)電(dian)壓(ya)經(jing)分(fen)壓(ya),輸(shu)入(ru)控(kong)製(zhi)芯(xin)片(pian)內(nei)乘(cheng)法(fa)器(qi)的(de)一(yi)個(ge)輸(shu)入(ru)端(duan),而(er)誤(wu)差(cha)放(fang)大(da)器(qi)輸(shu)出(chu)電(dian)壓(ya)加(jia)到(dao)乘(cheng)法(fa)器(qi)另(ling)一(yi)個(ge)輸(shu)入(ru)端(duan)。在(zai)較(jiao)大(da)動(dong)態(tai)範(fan)圍(wei)內(nei),乘(cheng)法(fa)器(qi)的(de)傳(chuan)輸(shu)曲(qu)線(xian)為(wei)線(xian)性(xing)。乘(cheng)法(fa)器(qi)輸(shu)出(chu)電(dian)壓(ya)控(kong)製(zhi)電(dian)流(liu)取(qu)樣(yang)比(bi)較(jiao)器(qi)的(de)門(men)限(xian)電(dian)壓(ya),當(dang)電(dian)壓(ya)大(da)於(yu)此(ci)門(men)限(xian)電(dian)壓(ya)時(shi),電(dian)感(gan)釋(shi)放(fang)能(neng)量(liang)。此(ci)門(men)限(xian)電(dian)壓(ya)近(jin)似(si)與(yu)輸(shu)入(ru)電(dian)壓(ya)成(cheng)正(zheng)比(bi),即(ji)與(yu)交(jiao)流(liu)市(shi)電(dian)經(jing)過(guo)全(quan)波(bo)整(zheng)流(liu)後(hou)的(de)直(zhi)流(liu)電(dian)壓(ya)近(jin)似(si)成(cheng)正(zheng)比(bi)關(guan)係(xi)。當(dang)電(dian)感(gan)中(zhong)電(dian)流(liu)降(jiang)為(wei)零(ling),此(ci)時(shi)電(dian)感(gan)開(kai)始(shi)儲(chu)能(neng)。其(qi)平(ping)均(jun)電(dian)流(liu)呈(cheng)現(xian)與(yu)市(shi)電(dian)電(dian)壓(ya)同(tong)相(xiang)位(wei)的(de)正(zheng)弦(xian)波(bo),可(ke)使(shi)得(de)功(gong)率(lv)因(yin)數(shu)接(jie)近(jin)於(yu)“1”。
驅動電路部分
在PDP的總功耗中,並非隻有氣體放電功耗,因為在PDP的驅動電路中,需要大功率、高頻開關電路來為PDP提供氣體放電所需要的各種高壓脈衝,雖然PDP顯示屏的寄生電容並不消耗能量,但是它們的充電與放電將導致在電路的電阻及電極引線電阻中的能量耗損。
PDP驅動電路的電壓幅值為負幾十伏到正幾百伏左右,工作頻率100~233kHz,驅動電路的設計選型對PDP整機係統的畫麵質量、工作效率等尤為重要。
在PDP的de驅qu動dong電dian路lu中zhong,尋xun址zhi驅qu動dong電dian路lu的de頻pin率lv最zui高gao,因yin此ci,除chu了le在zai尋xun址zhi驅qu動dong電dian路lu中zhong使shi用yong能neng量liang恢hui複fu技ji術shu之zhi外wai,降jiang低di尋xun址zhi驅qu動dong電dian路lu的de脈mai衝chong電dian壓ya也ye可ke以yi顯xian著zhu降jiang低di尋xun址zhi功gong耗hao。降jiang低di尋xun址zhi電dian壓ya脈mai衝chong可ke采cai用yong以yi下xia幾ji種zhong方fang法fa。
●AwD方法——即“尋址的同時顯示”。尋址、維持、擦ca除chu脈mai衝chong組zu合he在zai一yi起qi施shi加jia,可ke降jiang低di尋xun址zhi電dian壓ya,從cong而er降jiang低di無wu用yong功gong耗hao。同tong時shi,由you於yu維wei持chi時shi間jian占zhan據ju了le一yi個ge子zi場chang的de大da部bu分fen時shi間jian,故gu維wei持chi脈mai衝chong的de頻pin率lv可ke以yi降jiang低di。
●擦除尋址方法——jichushihuahoujijinruweichifaguangjieduan,daihuidudengjidaodayaoqiuhou,tongguocachuxunzhishizhexiedanyuanximie。yinci,meichangzhongdangexiangsudexunzhizhiyouyici。erqie,keyiyongjiaodidecachudianyahedianliu,youxiaodijiangdixunzhigonghao。
●改變脈衝電路的工作方式——即使開關元件盡量工作在開關管電壓或電流接近零時開通或關斷(ZVS或ZCS)狀態,可降低器件本身的開關損耗。
在大尺寸的PDP顯示屏中,行、列驅動IC的耗用量很多。其功耗大致分為三部分:邏輯部分、電平移位寄存器和高壓驅動部分。正常情況下,邏輯部分功耗在20mW以下,電平移位寄存器部分在200mW以下,因屏電容部分的充放電而產生的高壓驅動電路的無效功耗主要來自於回路中的寄生負載——電阻分量的損耗。這種電阻分量的存在是不可避免的,但對於電容充放電的電能,驅動IC可以通過內置能量回收電路的方式設法回收一部分。
為了滿足高壓器件工作性能的需求,降低高壓驅動部分的無用功耗,PDP驅動IC在設計和工藝上需采取如下比普通的集成電路更為嚴格的控製措施。
●采用SOI工藝結構,與常規功率模塊相比能量損耗可大大降低
●采用介質隔離,使驅動IC內部的輸出嵌位二極管可避免串擾現象
●對於內部元器件結構和布局等給予特殊地處理,利用內部控製可消除高壓開關時的穿透電流
MOS管的選型
選擇參數合適的功率場效應晶體管(MOSFET)可使驅動電路能夠高效率、穩定地工作,且壽命滿足要求。要求MOSFET的過渡要足夠快,以便減少開關損耗;導通電阻足夠小,以便減少導通損耗;關斷電阻足夠大,以便提高隔離作用。
其中,漏源導通電阻Rds(on)、反向恢複時間trr、輸入電容Ciss和柵極總電荷Qg需認真考慮。低的導通電阻有助於減少導通損耗,特別是與“能量回收電路”相關的MOS管,低的導通電阻有助於提高能量回收的效率,降低PDP的功耗。trr、Ciss、Qg影響MOSFET的開關速度,低的參數值能夠加快MOSFET的轉換過程,有助於減少MOSFET的開關損耗。另外,低的Ciss和Qg參數,能夠減少MOSFET柵極的驅動功率,簡化柵極驅動電路的設計。
柵極驅動電路是影響MOS管開關損耗的外界因素,優良的柵極驅動電路與高性能的MOSFET相結合,才能製作出高性能的PDP驅動電路。
熒光粉材料
PDP用熒光粉和熒光燈用熒光粉非常相似,PDP主要使用的熒光粉有Y2O3∶Eu紅粉、(Gd,Y)BO3∶Eu紅粉、Zn2SiO4∶Mn和BaAl12O19∶Mn綠粉以及BaMgAl14O23∶Eu和MgBaAl10O17∶Eu藍粉。(Gd,Y)BO3∶Eu粉和BaAl12O19∶Mn粉的衰減時間偏長,Zn2SiO4∶Mn的衰減時間對實際應用而言就更長了,因此需研究開發新的發光材料。
熒光粉材料直接影響著PDP電視的發光效率和整機壽命。通常等離子電視的壽命指標是指亮度降到一半時的時間。目前新一代長壽命、高亮度的PDP專用熒光粉已經實現商品化。
電極結構
通過增加電極間隙來提高PDP的亮度和發光效率是一項非常有效的措施,但電極間隙增大,所需的工作電壓會隨之提高。為解決這一問題,可在維持和掃描電極(X電極和Y電極)中間增加一個浮動電極F。
浮動電極在單元工作期間不加電壓信號,但在單個維持電壓脈衝期間,其上會產生一定的感應電勢。由於F電極與其兩側的X、Y電極的間距很小,因而在這兩個間隙處容易首先產生放電。在它們的導引作用下,引起X、Y之間的長間隙放電,從而可降低PDP所需的維持電壓。
其他
包括邏輯控製部分、主zhu芯xin板ban等deng,都dou需xu要yao充chong分fen考kao慮lv降jiang低di無wu用yong功gong耗hao的de問wen題ti,例li如ru,可ke以yi在zai邏luo輯ji控kong製zhi部bu分fen采cai用yong門men控kong時shi鍾zhong的de方fang式shi,待dai機ji狀zhuang態tai下xia關guan閉bi一yi切qie內nei部bu寄ji存cun器qi的de動dong作zuo,以yi此ci達da到dao消xiao除chu無wu用yong功gong耗hao的de目mu的de。
綜合以上分析,可以看到,降低PDP功耗可以從多個角度考慮,正確的做法是多管齊下,齊頭並進,從電源、驅動方式、熒光粉材料、放電室結構和新型高壓工藝等多方麵著手,以求達到最大程度的效率提高。
特別推薦
- 噪聲中提取真值!瑞盟科技推出MSA2240電流檢測芯片賦能多元高端測量場景
- 10MHz高頻運行!氮矽科技發布集成驅動GaN芯片,助力電源能效再攀新高
- 失真度僅0.002%!力芯微推出超低內阻、超低失真4PST模擬開關
- 一“芯”雙電!聖邦微電子發布雙輸出電源芯片,簡化AFE與音頻設計
- 一機適配萬端:金升陽推出1200W可編程電源,賦能高端裝備製造
技術文章更多>>
- 算力爆發遇上電源革新,大聯大世平集團攜手晶豐明源線上研討會解鎖應用落地
- 築基AI4S:摩爾線程全功能GPU加速中國生命科學自主生態
- 一秒檢測,成本降至萬分之一,光引科技把幾十萬的台式光譜儀“搬”到了手腕上
- AI服務器電源機櫃Power Rack HVDC MW級測試方案
- 突破工藝邊界,奎芯科技LPDDR5X IP矽驗證通過,速率達9600Mbps
技術白皮書下載更多>>
- 車規與基於V2X的車輛協同主動避撞技術展望
- 數字隔離助力新能源汽車安全隔離的新挑戰
- 汽車模塊拋負載的解決方案
- 車用連接器的安全創新應用
- Melexis Actuators Business Unit
- Position / Current Sensors - Triaxis Hall
熱門搜索
微波功率管
微波開關
微波連接器
微波器件
微波三極管
微波振蕩器
微電機
微調電容
微動開關
微蜂窩
位置傳感器
溫度保險絲
溫度傳感器
溫控開關
溫控可控矽
聞泰
穩壓電源
穩壓二極管
穩壓管
無焊端子
無線充電
無線監控
無源濾波器
五金工具
物聯網
顯示模塊
顯微鏡結構
線圈
線繞電位器
線繞電阻



