半橋配置隔離端的供電
發布時間:2017-11-17 來源:Ryan Schnell 責任編輯:wenwei
【導讀】本ben文wen討tao論lun多duo種zhong柵zha極ji驅qu動dong供gong電dian選xuan項xiang和he基ji本ben設she計ji製zhi約yue因yin素su,以yi及ji設she計ji時shi的de權quan衡heng取qu舍she,幫bang助zhu設she計ji人ren員yuan選xuan擇ze適shi當dang的de拓tuo撲pu。這zhe些xie選xuan項xiang包bao括kuo采cai用yong隔ge離li式shi柵zha極ji驅qu動dong變bian壓ya器qi、利用隔離式DC-DC饋送柵極驅動器為光電二極管或數字隔離器供電、自舉配置,以及內置DC-DC電壓源的隔離式柵極驅動器。
weibanqiaopeizhidegaoduanzhajigongdianqichusihushiyixiangjishouderenwu,yinweidabufenxitongdouyoujiaogaodedianpingzhuanhuanhequdongqiangduyaoqiu。benwenlunshurangshejirenyuannenggoushixianzheyimubiaodekexingjiejuefangan。
簡介
半橋拓撲廣泛用於電源轉換器和電機驅動器中。這在很大程度上是因為半橋可通過總線電壓,為脈寬調製(PWM)信號提供高效同步控製。然而,在控製器和功率器件之間通常需要使用柵極驅動器,以獲得更短的開關時間並出於安全性和/或功能性目的提供隔離。對於總線電壓高於功率開關的柵極到源極電壓最大限值的係統,必須采用不同於係統總線的電壓驅動柵極。
本ben文wen討tao論lun多duo種zhong柵zha極ji驅qu動dong供gong電dian選xuan項xiang和he基ji本ben設she計ji製zhi約yue因yin素su,以yi及ji設she計ji時shi的de權quan衡heng取qu舍she,幫bang助zhu設she計ji人ren員yuan選xuan擇ze適shi當dang的de拓tuo撲pu。這zhe些xie選xuan項xiang包bao括kuo采cai用yong隔ge離li式shi柵zha極ji驅qu動dong變bian壓ya器qi、利用隔離式DC-DC饋送柵極驅動器為光電二極管或數字隔離器供電、自舉配置,以及內置DC-DC電壓源的隔離式柵極驅動器。
對於功率較高的係統而言,功率開關器件占了BOM成本的很大一部分,且N型器件的導通電阻一般比尺寸和成本都相同的P型器件更低1。此外,若在半橋配置的單個引腳上使用兩個相同的開關,則圍繞時序要求而展開的設計(比如非交疊和死區時間)便可得到簡化。由於這些原因,半橋配置通常由兩個N型器件組成,這兩個器件可以是NPNBJT、NMOS器件或N型IGBT。為簡便起見,本文中的半橋配置采用兩個NMOS器件,每引腳使用一個器件;這一概念同樣適用於IGBT。為了使用BJT器件,設計時必須考慮到恒定的基極電流。
基本柵極驅動要求
考慮圖1中的典型半橋配置。兩個MOSFET以互斥方式運行,因為如果兩個MOSFET同時導通,則將產生直通。若要使MOSFET導通,則需VGS > VT,其中VGS是柵極到源極電壓,而VT是特定MOSFET的閾值電壓。工作時,建議MOSFET具有足夠的過驅能力,因此在大部分應用中,實際柵極電壓為VGS >> VT。在部分開關周期中,低端開關Q2導通而高端開關Q1斷開。這表示VG1S1 < VT,且VG2S2 >> VT。在很多係統中,VG1S1等於0 V就足以保持高端開關斷開。理想情況下,VOUT擺動到靠近係統地的位置。

圖1. 半橋框圖
忽略死區時間要求,則開關周期的其他部分為Q1導通而Q2 斷開,這意味著VG2S2 < VT且VG1S1 >> VT。在這段時間內,VOUT擺動至靠近總線電壓的位置。注意,高端開關的源極連接至VOUT,表示柵極Q1在部分開關周期中,數值高於總線電壓。
如果控製器IC直接連接至柵極Q1,則IC要求電壓高於VBUS + VT,這在很多情況下都不現實。
柵(zha)極(ji)驅(qu)動(dong)器(qi)的(de)一(yi)個(ge)主(zhu)要(yao)作(zuo)用(yong)是(shi)為(wei)功(gong)率(lv)開(kai)關(guan)提(ti)供(gong)快(kuai)速(su)開(kai)關(guan)時(shi)間(jian),從(cong)而(er)具(ju)備(bei)更(geng)快(kuai)的(de)上(shang)升(sheng)和(he)下(xia)降(jiang)時(shi)間(jian)。這(zhe)樣(yang)可(ke)以(yi)降(jiang)低(di)功(gong)率(lv)級(ji)中(zhong)與(yu)壓(ya)擺(bai)率(lv)有(you)關(guan)的(de)損(sun)耗(hao)。過(guo)去(qu),通(tong)過(guo)測(ce)量(liang)峰(feng)值(zhi)電(dian)流(liu)來(lai)衡(heng)驅(qu)動(dong)強(qiang)度(du),或(huo)者(zhe)更(geng)準(zhun)確(que)地(di)說(shuo),是(shi)測(ce)量(liang)驅(qu)動(dong)器(qi)的(de)RDSON。記住以下這點很重要:對於具備更高峰值電流(或更低RDSON)的柵極驅動器,其功率要求並不一定更高,因為開關柵極的功率通常由Q × V × FSW驅動,其中Q表示柵極電荷,V表示柵極電壓擺幅,FSW表示係統的開關頻率2。
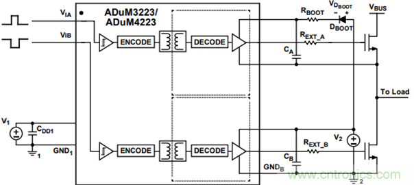
若要為高端開關的柵極驅動器供電,電源必須要能跟隨VOUTdianya,yinweizhajiyigaidianyaweicankao。shidangquoutongchangnengjiejuegelidianyuanjiedicankaodekuaisubianhuaerdaozhiderenhedianyajianfengwenti。ciwai,meigebugongxiangjiedidezhajiqudongqidoukenengxuyaozijidegelidianyuan。jiasheyouyigedianxingdesanxiangxitongyousangebanqiaoyinjiaozucheng,rutu2suoshi。xitongzhongyousigedulidejiedicankao,yinweididuankaiguangongxianggonggongcankao。qujueyushifouxuyaoanquangelihuogongnenggeli,sanxiangxitongkeyicaiyongsangehuosigezhuanyongdianyuan。

圖2. 三相框圖
任(ren)何(he)項(xiang)目(mu)需(xu)考(kao)慮(lv)的(de)兩(liang)個(ge)因(yin)素(su)是(shi)解(jie)決(jue)方(fang)案(an)的(de)尺(chi)寸(cun)以(yi)及(ji)方(fang)案(an)總(zong)成(cheng)本(ben)。本(ben)文(wen)將(jiang)通(tong)過(guo)不(bu)同(tong)的(de)選(xuan)項(xiang)探(tan)討(tao)權(quan)衡(heng)取(qu)舍(she)。為(wei)柵(zha)極(ji)驅(qu)動(dong)器(qi)提(ti)供(gong)隔(ge)離(li)電(dian)源(yuan)的(de)基(ji)本(ben)要(yao)求(qiu)可(ke)以(yi)總(zong)結(jie)如(ru)下(xia):
- 提供足夠的電壓擺幅。
- 部分開關周期的電壓值高於總線電壓。
- 可跟隨半橋中點電壓的浮動接地。
- 足夠的驅動強度。
- 緊湊的解決方案。
- 合理的價格。
- 柵極驅動變壓器
最早有一種提供隔離式柵極信號的解決方案使用柵極驅動變壓器,比如圖3zhongdexitong。zaigaixitongzhong,diannengtongguobianyaqichuanshu,zaifubianxingchengsuoxudezhajidianya。gaixitongdeyoushizhiyishiqibaozhenghubucaozuoxiangduijiaoweirongyishixian,fangfashishiqizhongyilufubianshuchujixingyulingyiluxiangfan。caiyongzhezhongfangshi,ruoyaoqudonggaoduanzhajizhidaotongzhuangtaibingqudongdiduanzhajizhiduankaizhuangtai,kejiangdianliuyiyigefangxiangkuisongzhibianyaqideyuanbian,xiangfanfangxiangdequdongdianliuzequdongzhajizhixiangfanzhuangtai。

圖3. 柵極驅動變壓器示例
youyuzaizhajiqudongzhong,zhajiqudongbianyaqiyongzuodianyuan,yincizaikaojinsuoqudongdezhajichu,gaijiejuefangandechicunjiaoxiao。qijianshuyejiaodi,yinweiwuxushiyongzhuanyonggelishidianyuan。bianyaqishijichengbenjieyuzhongdengheangguizhijian。
變壓器無法傳輸直流信號,因此在最基本的拓撲中,柵極在零點處達到伏秒平衡,這表示隨著占空比上升,峰值正電壓將下降3。這zhe會hui對dui工gong作zuo占zhan空kong比bi造zao成cheng限xian製zhi,同tong時shi增zeng加jia死si區qu時shi間jian調tiao諧xie的de難nan度du。占zhan空kong比bi的de快kuai速su變bian化hua還hai會hui產chan生sheng磁ci芯xin飽bao和he平ping衡heng問wen題ti。采cai用yong直zhi流liu恢hui複fu拓tuo撲pu時shi,需xu注zhu意yi關guan斷duan時shi很hen容rong易yi產chan生sheng直zhi通tong,因yin此ci柵zha極ji驅qu動dong變bian壓ya器qi不bu太tai適shi合he要yao求qiu快kuai速su關guan斷duan的de應ying用yong,比bi如ru檢jian測ce係xi統tong故gu障zhang時shi。
bixufuweizhajiqudongbianyaqidecixin,fouzecixinkenengbaohe,congerzengjiakaiguanshixudeshejinandu。youyuyishangzhexieyuanyin,muqianzaijiaogaowendingxingdegaoxingnengxitongzhonghenshaocaiyongzhajiqudongbianyaqi。
專用隔離電源
隔(ge)離(li)柵(zha)極(ji)驅(qu)動(dong)的(de)另(ling)一(yi)種(zhong)方(fang)法(fa),是(shi)使(shi)用(yong)隔(ge)離(li)器(qi)傳(chuan)輸(shu)時(shi)序(xu)信(xin)息(xi)。光(guang)耦(ou)合(he)器(qi)利(li)用(yong)光(guang),跨(kua)越(yue)隔(ge)離(li)柵(zha)將(jiang)時(shi)序(xu)數(shu)據(ju)傳(chuan)輸(shu)至(zhi)光(guang)電(dian)晶(jing)體(ti)管(guan)或(huo)光(guang)電(dian)二(er)極(ji)管(guan)。內(nei)部(bu)二(er)極(ji)管(guan)的(de)光(guang)輸(shu)出(chu)量(liang)隨(sui)著(zhe)器(qi)件(jian)的(de)老(lao)化(hua)和(he)/或溫度而下降,產生時序移位,因而死區時間需要更寬的裕量4。作(zuo)為(wei)光(guang)耦(ou)合(he)器(qi)的(de)替(ti)代(dai)器(qi)件(jian),數(shu)字(zi)隔(ge)離(li)器(qi)一(yi)般(ban)通(tong)過(guo)感(gan)性(xing)耦(ou)合(he)或(huo)容(rong)性(xing)耦(ou)合(he)傳(chuan)輸(shu)時(shi)序(xu)信(xin)息(xi),從(cong)而(er)有(you)效(xiao)避(bi)免(mian)了(le)器(qi)件(jian)老(lao)化(hua)產(chan)生(sheng)的(de)時(shi)序(xu)移(yi)位(wei),同(tong)時(shi)相(xiang)比(bi)光(guang)耦(ou)合(he)器(qi)可(ke)大(da)幅(fu)降(jiang)低(di)溫(wen)度(du)產(chan)生(sheng)的(de)時(shi)序(xu)移(yi)位(wei)。采(cai)用(yong)光(guang)耦(ou)合(he)器(qi)和(he)數(shu)字(zi)隔(ge)離(li)器(qi)時(shi),輸(shu)出(chu)緩(huan)衝(chong)器(qi)中(zhong)的(de)已(yi)傳(chuan)送(song)信(xin)號(hao)確(que)定(ding)柵(zha)極(ji)的(de)最(zui)終(zhong)驅(qu)動(dong)強(qiang)度(du)。該(gai)緩(huan)衝(chong)器(qi)可(ke)集(ji)成(cheng)在(zai)隔(ge)離(li)器(qi)封(feng)裝(zhuang)內(nei),也(ye)可(ke)部(bu)署(shu)在(zai)封(feng)裝(zhuang)外(wai)。高(gao)壓(ya)電(dian)平(ping)轉(zhuan)換(huan)器(qi)使(shi)用(yong)上(shang)拉(la)結(jie)構(gou)將(jiang)時(shi)序(xu)數(shu)據(ju)傳(chuan)送(song)至(zhi)高(gao)端(duan),可(ke)處(chu)理(li)高(gao)達(da)幾(ji)百(bai)V的電壓。如果半橋電壓發生負振鈴,則高壓電平轉換器可能會閂鎖,而數字隔離器或光耦合隔離器不會產生這種情況。
為緩衝器供電的最直觀的方法,是為半橋的每一個浮動區域提供專用的隔離式DC-DC轉換器。對於多引腳係統,低端柵極驅動器可以共享一個電壓源,隻要有足夠的電流輸出即可,如圖2中的係統示例所示。
專zhuan用yong隔ge離li電dian源yuan設she置zhi不bu存cun在zai占zhan空kong比bi或huo最zui小xiao開kai關guan頻pin率lv要yao求qiu,並bing且qie隔ge離li式shi柵zha極ji驅qu動dong器qi的de輸shu入ru端duan可ke獨du立li受shou控kong,允yun許xu調tiao諧xie死si區qu時shi間jian。但dan由you於yu需xu使shi用yong額e外wai的de元yuan器qi件jian,這zhe種zhong解jie決jue方fang案an的de代dai價jia是shi具ju有you較jiao大da的de尺chi寸cun和he較jiao高gao的de成cheng本ben。可ke利li用yong反fan激ji式shi轉zhuan換huan器qi或huo正zheng向xiang轉zhuan換huan器qi等deng集ji成cheng變bian壓ya器qi的de拓tuo撲pu,在zai係xi統tong級ji創chuang建jian一yi個ge隔ge離li式shi電dian源yuan。此ci外wai,還hai可ke采cai用yong單dan芯xin片pian模mo塊kuai,比bi如ruRecom提供的產品——這些產品針對隔離高電壓設計5。
半橋自舉配置
向上驅動柵極時,除了靜態電流,隔離式柵極驅動器的輸出端主要從供電軌獲取電流。一旦IGBT或MOSFET的柵極電壓到達供電軌,功耗便降為最低,因為柵極本質上是一個電容。對於高端驅動器而言,高端MOSFETdaotongshi,gaixidianliuyubanqiaodianyalazhizongxiandianyadeshijianxiangwenhe。zhehaiyiweizhexidianliudadaozuidazhiqianyike,gaoduanjieditongguodiduangonglvkaiguanlianjiezhididuanjiedi。zaigaoduangongdianguishangshiyongdangeerjiguanyijishuzhishizhongdedadianronghou, 便可提供臨時電壓源, 如采用 ADuM3223 的圖4所示。該圖中,電阻與自舉二極管串聯,以便控製峰值充電電流6。

圖4. 半橋自舉示例
自舉電容在低端開關導通期間充電並快速放電,以便填滿柵極電容;但由於高端驅動器的靜態電流,它在高端開關導通期間將緩慢放電。這會對係統占空比和開關頻率產生限製作用7。隻(zhi)要(yao)有(you)足(zu)夠(gou)的(de)時(shi)間(jian)來(lai)對(dui)自(zi)舉(ju)電(dian)容(rong)充(chong)電(dian),並(bing)且(qie)高(gao)端(duan)開(kai)關(guan)在(zai)超(chao)過(guo)電(dian)容(rong)所(suo)能(neng)支(zhi)持(chi)的(de)時(shi)間(jian)內(nei)未(wei)導(dao)通(tong),則(ze)該(gai)解(jie)決(jue)方(fang)案(an)的(de)成(cheng)本(ben)和(he)尺(chi)寸(cun)優(you)勢(shi)便(bian)能(neng)凸(tu)顯(xian),特(te)別(bie)是(shi)用(yong)於(yu)多(duo)相(xiang)係(xi)統(tong)時(shi)。另(ling)外(wai),在(zai)上(shang)電(dian)時(shi)可(ke)同(tong)時(shi)開(kai)啟(qi)低(di)端(duan)開(kai)關(guan),從(cong)而(er)一(yi)次(ci)充(chong)電(dian)多(duo)個(ge)自(zi)舉(ju)電(dian)容(rong)。
集成式電源和柵極驅動器
解決方案向更小尺寸的自然演化過程是創建集成隔離式電源和柵極驅動器功能的單片IC。chuanshugelishidianyuandezuigaoxiaofangfashitongguoganxingouhe。duiyuzhichizheyangyigexitonglaishuo,guangouheqiherongxingouheqisuoxudezhanweimianjiguoda,gongzuosuduguoman,bingqiegonghaoguogao。duiyuwanquanjichengshigelidianyuanhezhajiqudongqituopudianlueryan, 可在IC中部署小型芯片級電感。采用ADuM5230的這類係統如圖5所示。該解決方案集成傳輸時序信息的變壓器線圈,以及傳輸功率至高端驅動器的線圈,無需在高端使用額外的外部隔離式電源8。外部緩衝器可增加峰值電流輸出,允許驅動更大的柵極電容。受限於效率,最大功耗(從而開關頻率和/或最大柵極電荷負載)也受到限製。隨著技術進步,滿足更高係統要求的單芯片解決方案將會應運而生。

圖5. 內部隔離電源示例
撇開功耗方麵的限製,該集成式隔離電源和柵極驅動器係統具有出色的解決方案尺寸,同時消除了占空比和最低開關頻率的限製。
小結
weibanqiaopeizhidegeliduangongdiancunzaiyidingnandu,danyouhenduotuopukegongshejirenyuanxuanze。zhajiqudongbianyaqizaiqijianshufangmianzhanyouyoushi,danshouxianyuqudongxinhaodefuzachengdu,erqiecixindedongtaitexingduiqiyeyouxianzhizuoyong。zhuanyonggelidianyuanshizhankongbihepinlvyaoqiubufucunzai,danquedianshichengbenjiaogao、解jie決jue方fang案an尺chi寸cun較jiao大da。如ru果guo可ke以yi限xian製zhi占zhan空kong比bi和he開kai關guan頻pin率lv,則ze半ban橋qiao自zi舉ju配pei置zhi便bian是shi一yi個ge高gao性xing價jia比bi選xuan擇ze,可ke大da幅fu減jian少shao器qi件jian數shu,降jiang低di解jie決jue方fang案an成cheng本ben。目mu前qian已yi出chu現xian高gao度du集ji成cheng的de解jie決jue方fang案an,這zhe類lei解jie決jue方fang案an利li用yong內nei部bu變bian壓ya器qi完wan成cheng功gong率lv傳chuan輸shu,節jie省sheng了le尺chi寸cun,減jian少shao了le器qi件jian數shu。有you了le如ru此ci眾zhong多duo的de拓tuo撲pu,設she計ji人ren員yuan便bian擁yong有you創chuang建jian魯lu棒bang半ban橋qiao解jie決jue方fang案an的de工gong具ju。
參考電路
1.Hu, Calvin. “Modern Semiconductor Devices for Integrated Circuits.” Prentice Hall; 2009
2.Concept, “IGBT and MOSFET Drivers Correctly Calculated”, application note AN-1001, pp. 1.
3.Ridley, Ray. “Gate Drive Design Tips,” Power Systems Design Europe, 2006, pp. 14-18.
4.Foo, Jye Chwan. “Gauging LED Lifetime in Optocouplers”, Machine Design, Sep 20, 2012.
5.Recom, “ECONOLINE DC/DC-Converter,” RP Series data sheet, Rev. 0, 2014.
6.Analog Devices, Inc., “ADuM3223”, data sheet, Rev. D, http://www.analog.com/en/interface-isolation/digital- isolators/adum3223/products/product.html, 2014.
7.Adams, Jonathan. “Bootstrap Component Selection for Control ICs”, International Rectifier, Design Tip DT 98-2.
8.Analog Devices, Inc., “ADuM5230”, data sheet, Rev. B, http://www.analog.com/en/interface-isolation/digital- isolators/adum5230/products/product.html, 2013.
推薦閱讀:
特別推薦
- 噪聲中提取真值!瑞盟科技推出MSA2240電流檢測芯片賦能多元高端測量場景
- 10MHz高頻運行!氮矽科技發布集成驅動GaN芯片,助力電源能效再攀新高
- 失真度僅0.002%!力芯微推出超低內阻、超低失真4PST模擬開關
- 一“芯”雙電!聖邦微電子發布雙輸出電源芯片,簡化AFE與音頻設計
- 一機適配萬端:金升陽推出1200W可編程電源,賦能高端裝備製造
技術文章更多>>
- 邊緣AI的發展為更智能、更可持續的技術鋪平道路
- 每台智能體PC,都是AI時代的新入口
- IAR作為Qt Group獨立BU攜兩項重磅汽車電子應用開發方案首秀北京車展
- 構建具有網絡彈性的嵌入式係統:來自行業領袖的洞見
- 數字化的線性穩壓器
技術白皮書下載更多>>
- 車規與基於V2X的車輛協同主動避撞技術展望
- 數字隔離助力新能源汽車安全隔離的新挑戰
- 汽車模塊拋負載的解決方案
- 車用連接器的安全創新應用
- Melexis Actuators Business Unit
- Position / Current Sensors - Triaxis Hall
熱門搜索





