電路試驗板試驗和原型製作
發布時間:2021-01-12 來源:Walt Kester 責任編輯:wenwei
【導讀】在zai某mou些xie時shi候hou,作zuo為wei學xue生sheng或huo工gong程cheng師shi,您nin可ke能neng需xu要yao在zai試shi驗yan板ban上shang對dui電dian路lu進jin行xing試shi驗yan來lai驗yan證zheng其qi性xing能neng或huo是shi否fou適shi用yong於yu項xiang目mu。如ru果guo是shi學xue生sheng項xiang目mu,您nin的de試shi驗yan板ban實shi際ji上shang可ke能neng是shi最zui終zhong係xi統tong。幸xing運yun的de是shi,您nin可ke以yi使shi用yong現xian代dai無wu焊han技ji術shu構gou建jian試shi驗yan板ban,這zhe些xie試shi驗yan板ban通tong常chang足zu夠gou堅jian固gu,能neng夠gou用yong於yu大da多duo數shu學xue生sheng項xiang目mu。
除構建項目電路之外,試驗板還經常用於驗證電路性能。雖然SPICE仿真是出色的工具(參見httpswiki.analog.comuniversitycourseselectronicscircuitsimulationnotes),但它們有其自身的局限性,通常至少有一部分關鍵電路(通常是模擬部分)需要用試驗板來驗證。另一方麵,試驗板也有其自身限製,因此您需要閱讀下麵的試驗板試驗注意事項部分。
試驗板與原型
jinguanshiyanbanheyuanxingzhelianggeshuyujingchangkeyihuhuan,danshiyuanxingtongchanghaibiaoshizaimouleiyinshuadianlubanshangshiyongtongzouxianjinxinghuliandehanjielianjie。lingyifangmian,wuhanshiyanban(後文將更詳細介紹)的連接並不是固定的,而且試驗板可以重複使用來構建不同的電路。
我們開發出了多種技術用於在印刷電路板上構建硬連線原型電路;教程MT-1001以及Jim Williams應用筆記AN472 對其中的一部分技術進行了描述。但作為學生,您可能會發現這種方法太耗時而且費力,無焊試驗板是更為實用的解決方案。
使用無焊試驗板進行的集成電路試驗
xiandaidianzidianludezhizaofangshishizidongfangzhibiaomiantiezhuangyuanjianyijijianghanliaohuiliudaomijideduocengyinshuadianlubanshang,zhejiuzengjialeshiyanbanshiyanhuoyuanxingzhizuodenandu。yinci,xuduogongchengshifaxianshijishangzaiCAD係統上進行電路板布局並為第一批原型裝配少量的電路板更高效。
但作為學生,您可能無法接觸或使用CAD係xi統tong和he印yin刷shua電dian路lu板ban裝zhuang配pei工gong廠chang,也ye不bu具ju備bei相xiang應ying的de財cai力li。您nin甚shen至zhi可ke能neng無wu法fa接jie觸chu焊han鐵tie站zhan以yi及ji小xiao型xing電dian子zi元yuan件jian需xu要yao使shi用yong的de其qi他ta工gong具ju和he機ji械xie,因yin此ci您nin需xu要yao另ling一yi種zhong可ke靠kao方fang法fa來lai構gou建jian原yuan型xing。
無焊試驗板能為實驗或項目的電路原型製作提供寶貴幫助。這類試驗板可隨時從Digi-Key Electronics以及亞馬遜等分銷商處獲得。我們首先在互聯網上搜索無焊試驗板。互聯網上提供了大量無焊試驗板,而且許多的價格都很公道。
圖1是典型無焊試驗板的俯視圖。這些孔的設計是為了在0.1英寸的中心上容納標準IC引腳。圖2weishiyanbandeneibushitu,xianshileyinjiaozhijianlianjiedexijie。shiyanbandezhongxinbufenfenweiliangpai,youduogechuizhiliezucheng,meiyilieyouwugeyinjiaolianjiezaiyiqi。shiyanbandingbuhedibushuipinglianjiedeliangpaixingchenglebianjiedezongxian,keyongyugongdiandianyahejiedilianjie。

圖1. 無焊試驗板俯視圖。

圖2. 無焊試驗板內部連接的排列情況。
采用標準的雙列直插式封裝(DIP)的集成電路水平放置在試驗板的 中心區域,如圖3所示。

圖3. 采用帶引線元件和雙列直插式封裝的有線無焊試驗板。
電dian阻zu器qi和he電dian容rong器qi等deng元yuan件jian的de引yin線xian插cha入ru孔kong中zhong。每mei組zu五wu個ge孔kong通tong過guo下xia麵mian的de金jin屬shu條tiao連lian接jie形xing成cheng一yi個ge節jie點dian。節jie點dian是shi電dian路lu中zhong兩liang個ge或huo多duo個ge元yuan件jian連lian接jie的de點dian。可ke通tong過guo將jiang元yuan件jian引yin線xian插cha入ru共gong同tong節jie點dian來lai實shi現xian元yuan件jian之zhi間jian的de連lian接jie。試shi驗yan板ban頂ding部bu和he底di部bu用yong紅hong色se和he藍lan色se條tiao紋wen表biao示shi的de一yi長chang排pai孔kong用yong於yu電dian源yuan連lian接jie。插cha入ru元yuan件jian並bing用yong跳tiao線xian連lian接jie在zai一yi起qi便bian可ke構gou建jian電dian路lu的de其qi餘yu部bu分fen。此ci類lei試shi驗yan板ban最zui好hao搭da配pei使shi用yong實shi芯xin線xian而er不bu是shi多duo股gu絞jiao合he線xian。為wei方fang便bian起qi見jian,還hai提ti供gong配pei有you插cha入ru式shi引yin腳jiao的de跳tiao線xian。
您還應該配備以下幾種簡單的手動工具:
● 一把小鋼絲鉗,通常也稱為對角切割器,可根據長度要求切 割電線和元件
● 一把小尖嘴鉗,用於彎曲電線和引線並形成所需形狀
● 一把剝線器,用於去除跳線末端的絕緣部分
● 一把小螺絲刀,用於調節電位器等
使用IC
無焊試驗板專為采用DIP封裝的IC而設計。雖然一些IC采用DIP和表貼兩種封裝,但許多僅提供表貼封裝版本。因此幾乎不可能對這些IC進行試驗板試驗。作為一種解決方案的表貼部件可以安裝在適配器或分線板上,如圖4所示,它們具有DIP兼容引腳。

圖4. 用於表貼器件的DIP兼容分線板。
ADI公司的ADALP2000部件套件提供了許多常用的DIP分線板表貼IC。 如果預裝的分線板不可用,您將不得不使用空白的分線板並自行將表貼元件焊接到該分線板上。Aries Electronics, Inc.等電子元件製造商還提供表貼轉DIP分線板(搜索DIP分線板)。
試驗板試驗注意事項:小心使用寄生元件(電阻、電感和電容)
與試驗板相關的引腳、插槽和跳線增加了可能導致精密直流應用以及高速電路性能下降的寄生電阻、電感和電容。由於試驗板沒有接地或電源層,您必須依靠難以去耦且具有寄生阻抗的接地和電源總線。因此,必須在試驗板中實現每個IC的電源和接地引腳之間的正確去耦。3沒有接地層,不可能保持RF電路中所需的受控阻抗。
如果您堅持使用ADALP2000部件套件中的器件,則可能不會遇到帶寬小於1 MHz的模擬電路問題。不過,還是建議對試驗板進行完整性檢查,即用示波器探測電路中的幾個點,確保沒有振蕩現象(構建振蕩器時才會發生此情況)。
數字電路的試驗板試驗
到目前為止,我們一直在討論模擬電路的試驗板試驗。但由於邊沿速度極快,數字電路麵臨著巨大挑戰。即使您能夠以小於1 MHz的時鍾速率運行數字電路,邏輯轉換邊沿的上升和下降時間也可能少於1 ns。沒有受控的連接阻抗,這些快速邊沿可以產生單位為GHz的頻率。寄生效應造成的響鈴振蕩可能會導致誤觸發和其他影響,使數字電路變得不可靠或無用。
如何入門
與其他技能一樣,在您實際需要使用之前,最好實踐一下(假設您的項目一周後開始)。您可以構建簡單的電路來獲得無焊試驗板的實踐經驗。首先訪問以下網址,在ADI公司電子I期和II期課程提供的實驗室活動中構建一些模擬電路:
大部分簡單電路可以采用ADALP2000部件套件中的器件構成。該套件包括各種晶體管、LED、電阻器、電位器、電容器、二極管、電感器和傳感器。它還包括各種有用的IC以及運算放大器、比較器和調節器。此外,還有一個無焊試驗板,並且該套件隨附各種帶引腳端的跳線。如需獲取ADALP2000套件的完整器件列表,請訪問:httpwww.analog.comcneducation.html.
關(guan)於(yu)試(shi)驗(yan)板(ban)試(shi)驗(yan)還(hai)有(you)很(hen)多(duo)知(zhi)識(shi),我(wo)們(men)剛(gang)才(cai)隻(zhi)是(shi)介(jie)紹(shao)了(le)基(ji)礎(chu)知(zhi)識(shi)。學(xue)習(xi)這(zhe)項(xiang)技(ji)能(neng)的(de)最(zui)好(hao)辦(ban)法(fa)就(jiu)是(shi)親(qin)身(shen)實(shi)踐(jian)並(bing)從(cong)錯(cuo)誤(wu)中(zhong)學(xue)習(xi)。祝(zhu)您(nin)好(hao)運(yun)並(bing)樂(le)在(zai)其(qi)中(zhong)。
提醒和測驗問題
如果您錯過了上一期《模擬對話》中學子專區的第一篇文章,建議您點擊此鏈接查看。
請記得注冊一個myAnalog和EngineerZone帳戶,以便訪問資源並加入學生討論。請讓我們知道您想要討論的主題。
下方是本次的測驗問題。完成後,您可以在EngineerZone 上的學子專區社區查看答案:

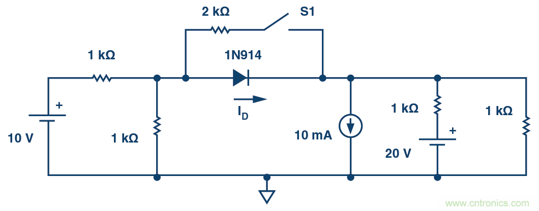
圖5. 測驗問題:計算以下兩種條件下的二極管電流ID:S1打開和S1閉合。您可以訪問httpswww.fairchildsemi.comdatasheets1N1N914.pdf在1N914數據手冊中找到二極管V-I曲線。
試驗板的起源
試驗板這個術語起源於20世紀20年(nian)代(dai)初(chu)的(de)真(zhen)空(kong)管(guan)時(shi)代(dai)。那(na)時(shi)候(hou)人(ren)們(men)將(jiang)真(zhen)空(kong)管(guan)插(cha)入(ru)插(cha)槽(cao)。插(cha)槽(cao)和(he)其(qi)他(ta)大(da)型(xing)元(yuan)件(jian)隨(sui)後(hou)被(bei)擰(ning)入(ru)用(yong)來(lai)擀(gan)麵(mian)的(de)木(mu)板(ban)或(huo)釘(ding)在(zai)該(gai)木(mu)板(ban)上(shang)。這(zhe)些(xie)試(shi)驗(yan)板(ban)在(zai)當(dang)時(shi)是(shi)元(yuan)件(jian)的(de)理(li)想(xiang)安(an)裝(zhuang)平(ping)台(tai),最(zui)終(zhong)也(ye)成(cheng)了(le)該(gai)技(ji)術(shu)的(de)名(ming)稱(cheng)。通(tong)過(guo)在(zai)真(zhen)空(kong)管(guan)插(cha)槽(cao)上(shang)相(xiang)應(ying)引(yin)腳(jiao)之(zhi)間(jian)焊(han)線(xian)來(lai)實(shi)現(xian)互(hu)連(lian)。由(you)重(zhong)銅(tong)線(xian)製(zhi)成(cheng)的(de)電(dian)源(yuan)和(he)接(jie)地(di)總(zong)線(xian)被(bei)釘(ding)到(dao)或(huo)擰(ning)到(dao)木(mu)板(ban)上(shang)。早(zao)期(qi)的(de)試(shi)驗(yan)板(ban)經(jing)常(chang)將(jiang)額(e)外(wai)的(de)釘(ding)子(zi)用(yong)作(zuo)可(ke)包(bao)覆(fu)和(he)焊(han)接(jie)電(dian)線(xian)的(de)連(lian)接(jie)點(dian)。端(duan)子(zi)板(ban)也(ye)用(yong)於(yu)互(hu)連(lian)點(dian)。
圖A顯示了1923年使用原始試驗板構造技術的無線電,它的製造商是位於密歇根州梅諾米尼市的Signal ElectricManufacturing公司。

圖A. 早期使用木製試驗板技術構建的無線電接收器。需要注意的是,真空管板電壓可以高達300 V dc,因此在施加電源後必須小心謹慎。
隨(sui)著(zhe)真(zhen)空(kong)管(guan)變(bian)小(xiao)和(he)頻(pin)率(lv)增(zeng)加(jia),鋁(lv)製(zhi)底(di)盤(pan)盒(he)經(jing)常(chang)用(yong)於(yu)電(dian)路(lu)的(de)試(shi)驗(yan)板(ban)試(shi)驗(yan)。在(zai)底(di)盤(pan)中(zhong)穿(chuan)孔(kong)用(yong)於(yu)安(an)裝(zhuang)真(zhen)空(kong)管(guan)插(cha)槽(cao),端(duan)子(zi)板(ban)允(yun)許(xu)電(dian)路(lu)的(de)點(dian)對(dui)點(dian)布(bu)線(xian),如(ru)圖(tu)B所示。這種技術減小了電路尺寸,而鋁製底盤提供了高頻電路經常需要的低阻抗接地層。

圖B. 采用鋁製底盤構造的三管無線電試驗板的俯視圖和底視圖,顯示用於互連點的真空管插槽和端子板。4
由於20世紀50年代引入了晶體管,20世紀60年代引入了集成電路,元件尺寸得以大幅降低,從而使本專欄中描述的更適合電路原型製作的其他構造技術應運而生(另請參見MT-100和Jim Williams的應用筆記 AN47),但試驗板這一術語仍然是常用的描述。
參考電路
1 教程MT-100,試驗板試驗和原型製作技術. 。ADI公司.
2 Jim Williams. 應用筆記AN47,高速放大器技術。Linear Technology Corporation,1991年8月Jim於2011年離世,他是一位傳奇的電路設計師、應用工程師以及高性能模擬電路原型構建專家。本應用筆記列出了Jim的許多高速原型構建技術示例。
3 教程MT-101,去耦技術。ADI公司
4Max Robinson。真空管研究之樂趣。請務必閱讀EE Web上Max鼓舞人心的文章,網址為httpwww.eeweb.comspotlightinterview-withmax-robinson.
免責聲明:本文為轉載文章,轉載此文目的在於傳遞更多信息,版權歸原作者所有。本文所用視頻、圖片、文字如涉及作品版權問題,請聯係小編進行處理。
推薦閱讀:
特別推薦
- 噪聲中提取真值!瑞盟科技推出MSA2240電流檢測芯片賦能多元高端測量場景
- 10MHz高頻運行!氮矽科技發布集成驅動GaN芯片,助力電源能效再攀新高
- 失真度僅0.002%!力芯微推出超低內阻、超低失真4PST模擬開關
- 一“芯”雙電!聖邦微電子發布雙輸出電源芯片,簡化AFE與音頻設計
- 一機適配萬端:金升陽推出1200W可編程電源,賦能高端裝備製造
技術文章更多>>
- 築基AI4S:摩爾線程全功能GPU加速中國生命科學自主生態
- 一秒檢測,成本降至萬分之一,光引科技把幾十萬的台式光譜儀“搬”到了手腕上
- AI服務器電源機櫃Power Rack HVDC MW級測試方案
- 突破工藝邊界,奎芯科技LPDDR5X IP矽驗證通過,速率達9600Mbps
- 通過直接、準確、自動測量超低範圍的氯殘留來推動反滲透膜保護
技術白皮書下載更多>>
- 車規與基於V2X的車輛協同主動避撞技術展望
- 數字隔離助力新能源汽車安全隔離的新挑戰
- 汽車模塊拋負載的解決方案
- 車用連接器的安全創新應用
- Melexis Actuators Business Unit
- Position / Current Sensors - Triaxis Hall
熱門搜索





