模塊化UPS分散旁路和集中旁路方案
發布時間:2017-04-07 責任編輯:wenwei
【導讀】近來跟一些業內客戶交流,筆者聽到了一個“新奇”的說法:某廠家的模塊化UPS有一個奇妙的功能,就是單個功率模塊可以單獨作為完整UPS使用,並列為一大賣點。看來市場營銷也要與時俱進,這不就是以前的“分散旁路”的模塊化UPS嗎?十多年來都沒有改變過的技術,現在被包裝成新賣點了,這真是“知識就是力量”啊。
熟悉模塊化UPS發展的業內同仁應該都了解,模塊化UPS的係統架構從開始就有兩條不同的技術路線:分散旁路和集中旁路。這裏筆者想從技術的來源和性能可靠性來對比談談這兩種方案的選擇,希望能給讀者一些啟發和幫助。
一、兩種旁路方案的架構定義和來源
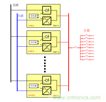
模塊化UPS,顧名思義,是將大功率的UPS係統,分開成多個子模塊並聯,通過優化的係統控製,實現係統的在線擴容升級、維護,並大幅提高係統的可靠性、可用性和節能效果,降低客戶的維護成本,近年來已經漸漸成為主流客戶的首選。下麵以市場上典型的基於10個30kVA功率模塊的300kVA係統來做分析。
(1)分散旁路架構
分散旁路架構,即每個功率模塊含有整流、逆變和電池變換等部分以外,還含有與功率模塊容量相等的靜態旁路,可以認為是一台沒有液晶監控的UPS。多個模塊在機櫃中並聯組成係統,模塊間相互關係類似於傳統多並機UPS係統。係統切換到旁路供電時,負載由所有功率模塊內的分散旁路來並聯供電。係統架構圖如圖1所示。

圖1. 分散旁路架構圖
(2)集中旁路架構
集中旁路架構,係統隻有一個與係統容量相等的集中旁路模塊,功率模塊內僅包含整流、逆變和電池變換電路,每個部分均由獨立的控製器,模塊間的並聯不再是傳統的UPS並機係統,而是包含複雜的逆變均流,旁路控製和監控等邏輯。係統架構圖如圖2所示。

圖2. 集中旁路架構圖
(3)兩種技術方案的發展來源
模塊化UPS的(de)概(gai)念(nian),最(zui)先(xian)起(qi)源(yuan)於(yu)客(ke)戶(hu)對(dui)係(xi)統(tong)維(wei)修(xiu)的(de)簡(jian)易(yi)化(hua)的(de)需(xu)求(qiu),希(xi)望(wang)能(neng)在(zai)故(gu)障(zhang)情(qing)況(kuang)下(xia)不(bu)影(ying)響(xiang)關(guan)鍵(jian)業(ye)務(wu),進(jin)行(xing)簡(jian)單(dan)的(de)更(geng)換(huan)操(cao)作(zuo)即(ji)可(ke)恢(hui)複(fu)係(xi)統(tong)。廠(chang)家(jia)天(tian)然(ran)地(di)就(jiu)想(xiang)到(dao)把(ba)UPS並機係統設計成模塊化結構,這也就是分散旁路方案的來源。
分散旁路方案的優點是:控製簡單,開發難度小,僅須將原有的UPS並機係統移植並優化監控部分即可;機櫃成本低;旁路器件因為容量較小,成本也相對較低;靜態旁路有多路冗餘。
集中旁路方案是繼分散旁路之後發展起來的技術路線,相比傳統並機UPS係統,從並聯均流控製、係統邏輯協調、容錯能力方麵都做了非常大的改動,可以說是一個全新的技術領域,開發難度大。
下麵的章節將介紹兩種技術路線帶來的性能和可靠性方麵的差異。
二、兩種方案的性能差異
靜態旁路作為UPS供電的最後一道屏障,重要性不言而喻,常見的旁路供電的情況有以下幾種:逆變器故障、逆變器過載或過溫、輸出短路。可以看到,旁路供電的工況多數是極端工況,對器件的考核應該加倍嚴酷。
(1)穩態工況
panglugongdianshi,jizhongpanglufanganhenhaolijie,zhiyouyigepanglutigongquanbudianliu,pangluronglianganzhaoxitongzuidaronglianglaisheji,genmokuaipeizhishuliangwuguan,bucunzairenhewenti。
分(fen)散(san)旁(pang)路(lu)方(fang)案(an)是(shi)由(you)多(duo)路(lu)小(xiao)功(gong)率(lv)靜(jing)態(tai)旁(pang)路(lu)來(lai)承(cheng)擔(dan)負(fu)載(zai),由(you)於(yu)旁(pang)路(lu)回(hui)路(lu)是(shi)低(di)阻(zu)回(hui)路(lu),多(duo)回(hui)路(lu)的(de)均(jun)流(liu)沒(mei)有(you)辦(ban)法(fa)用(yong)軟(ruan)件(jian)方(fang)法(fa)來(lai)控(kong)製(zhi),模(mo)塊(kuai)間(jian)的(de)均(jun)流(liu)完(wan)全(quan)取(qu)決(jue)於(yu)以(yi)下(xia)幾(ji)個(ge)因(yin)素(su):
l1)個體器件間的差異,主要是導通壓降的差異,器件廠家的分散性不可避免;
l2)回路阻抗的差異,主要是各回路線纜的長度無法保證一致,且線纜連接點阻抗因工藝控製等原因無法把握;
一般來說,即使是最樂觀的估計,均流差異都不大可能會小於20%以內,也就是說,存在部分模塊電流過大的風險,這在嚴酷的應用中是非常危險的。
由於這個不可控的均流能力,部分廠家提出了“解決方案”——旁路均流電感,原理簡單粗暴,就是每個旁路回路串聯一個電感(如圖3所示),利用電感的阻抗來平衡各支路的電流(同樣也是常規並機係統的方法)。且不說電感量的10%的個體差異,帶來更大的係統損耗,這種方案還會有下麵瞬態性能上不可逾越鴻溝。

圖3. 某廠家的旁路均流電感
(2)瞬態工況
逆ni變bian切qie換huan到dao旁pang路lu的de工gong況kuang,基ji本ben上shang是shi緊jin急ji工gong況kuang,切qie換huan時shi序xu要yao求qiu非fei常chang高gao,否fou則ze容rong易yi造zao成cheng關guan鍵jian負fu載zai中zhong斷duan。在zai大da負fu載zai或huo者zhe是shi故gu障zhang電dian流liu情qing況kuang下xia切qie換huan,瞬shun間jian的de操cao作zuo電dian流liu可ke能neng會hui數shu倍bei於yu係xi統tong額e定ding電dian流liu,這zhe也ye就jiu是shi為wei什shen麼me靜jing態tai旁pang路lu設she計ji要yao求qiu更geng大da的de餘yu量liang。
靜態旁路器件抗瞬態電流衝擊的主要參數是I2t,也就是短時間(一般小於10ms)的電流積分,如果I2t過大,器件即很可能燒毀。UPS的性能參數中,常見規定的旁路過載能力為1000% 維持10ms,也就是在配電開關保護時間(10ms)內旁路需要提供不小於10倍額定電流。下麵以300kVA係統為例,分析不同器件的抗衝擊能力的差異。
分散靜態旁路器件,因為目前技術能力的原因,器件單體最大電流等級為70A,根據某著名廠家的器件規格書,提供的最大I2t為7200A2S(<10ms),300k係統可以認為是10路器件並聯運行。

集中靜態旁路,用的都是SCR模塊,最主流廠家為德國賽米控(SEMIKRON),我們看看其中一個型號SKKT323/16E的I2t參數,同樣10ms條件下為450000 A2S,兩者之間的相差超過60倍!
而我們計算一下對於常見的1000% 過載 10ms的I2t需求,對於300kVA係統而言。

也就是說,集中旁路的單個SCR模塊,完全能夠提供超過10倍額定電流的10ms保護能力,而基於分立器件的靜態旁路,即使不考慮器件不均流,也是遠遠不夠的!
瞬態切換的均流控製,不光與器件、各回路阻抗有關,也與控製相關。由於各個模塊有各自的控製器,存在各處理器的處理速度、通信延時和模塊自身差異等因素影響,各模塊的實際切換動作一定有不等的延時,這就導致了第一個切到旁路的模塊,很可能承受著100倍於模塊容量的額定電流!youyushishuntaidadianliu,jishichuanlianpanglujunliudianganyebuhuiqidaorenhexianliuzuoyong。zheduiyurenheqijianlaishuodoushibukenengwanchengderenwu,zhezhongqiehuanwuyiyuyuandibaozha。duanluguzhangdianliudeshiyiturutu4所示。

圖4. 短路故障電流示意圖
當然,分散旁路的廠家也深知這個道理,也提供了相應的“解決方案”,就是:短路情況下隻有逆變維持200ms,然後不切旁路,直接關機!
我們來解釋一下,10倍額定電流的工況常見於輸出短路工況,當逆變器不能提供足夠的分斷故障的電流(通常為3倍額定維持200ms)的情況下,係統將切換到旁路供電,用旁路的低阻抗大電流去衝開短路點的保護器件(開關或熔斷器),zheshipeidianshejilibixukaolvde,ruguoshizhengqueshejidepeidianxitong,gefenludebaohushejibuyinggaichanshengyuejibaohu,jixiayoudeguzhangbuyinggaidaozhishangyoudekaiguandongzuo,xitongzuihuaideqingkuangjiushiqiehuandaopanglu,ranhouliyongpangluqiangdadeguozainenglichongkaixiayoudebaohuqijian,zhejiushipanglukangchongjiyaoqiudelaiyuan。
shiyongfensanpangludexitong,ruguoqiangxingqiehuandaopanglu,youyukangchongjinenglidebuzuhefeitongbudeqiehuan,haowuyiwenjianghuidaozhiqijiansunhuai,xitongdangji,suoyichangjiashejijiuzhinengjinzhiqiehuandaopanglu。keyixiangxiangzaiyigefuzadejifanghuozhegongchangnei,zhiyaoyouyigefenzhifashengduanluguzhang,houguojiushizhenggexitongshushoujiuqin!這在實際應用中是無論如何不能接受的,但這同時是分散旁路無法解決的固有問題。
三、係統可靠性分析
分散旁路尚可宣稱的優點就是旁路冗餘,集中旁路被認為是存在單一故障點,下麵我們來分析一下。
(1)從器件選型的角度上分析
從器件選型的角度上來說,單個大功率SCRdekekaoxingyuangaoyushuliangzhongduodexiaoxingqijianzuchengdexitong,jizhongpanglumokuaigongnengjiandan,jinxuyaokaolvqijianheshaoliangwaiweiqudongdianludeyingxiang,erfensanpangluyinweishifenbuzaigonglvmokuainei,tongshishoumokuaineibuzhongduoqijiandeyingxiang。youweixiujingyandegongchengrenyuandouzhidao,zhengliu、逆(ni)變(bian)電(dian)路(lu)的(de)故(gu)障(zhang)都(dou)有(you)可(ke)能(neng)因(yin)為(wei)火(huo)花(hua)飛(fei)濺(jian)等(deng)原(yuan)因(yin)造(zao)成(cheng)其(qi)他(ta)部(bu)分(fen)電(dian)路(lu)的(de)故(gu)障(zhang),也(ye)就(jiu)是(shi)說(shuo)靜(jing)態(tai)旁(pang)路(lu)麵(mian)臨(lin)了(le)較(jiao)多(duo)的(de)不(bu)確(que)定(ding)風(feng)險(xian)。如(ru)果(guo)說(shuo)集(ji)中(zhong)旁(pang)路(lu)是(shi)單(dan)一(yi)故(gu)障(zhang)的(de)話(hua),分(fen)散(san)旁(pang)路(lu)可(ke)能(neng)要(yao)被(bei)稱(cheng)為(wei)“多點故障”了。
(2)從係統容量角度上分析
從cong係xi統tong容rong量liang角jiao度du上shang來lai說shuo,集ji中zhong旁pang路lu的de容rong量liang按an照zhao機ji櫃gui設she計ji,與yu配pei置zhi的de模mo塊kuai數shu量liang無wu關guan。而er分fen散san旁pang路lu的de靜jing態tai旁pang路lu容rong量liang由you模mo塊kuai容rong量liang決jue定ding,也ye就jiu是shi說shuo,當dang模mo塊kuai故gu障zhang時shi,係xi統tong將jiang會hui失shi去qu相xiang應ying的de靜jing態tai旁pang路lu容rong量liang。一yi個ge比bi較jiao極ji端duan的de例li子zi,當dang機ji櫃gui配pei置zhi2個功率模塊時,如果負載率是55%左右,當一個模塊故障時,剩餘的一個模塊則會處於110%過(guo)載(zai)的(de)工(gong)況(kuang),最(zui)終(zhong)的(de)結(jie)果(guo)就(jiu)是(shi)係(xi)統(tong)掉(diao)電(dian)。同(tong)樣(yang)工(gong)況(kuang)對(dui)於(yu)集(ji)中(zhong)旁(pang)路(lu)來(lai)說(shuo),完(wan)全(quan)不(bu)是(shi)問(wen)題(ti)。集(ji)中(zhong)旁(pang)路(lu)模(mo)塊(kuai)因(yin)為(wei)器(qi)件(jian)容(rong)量(liang)的(de)優(you)勢(shi),甚(shen)至(zhi)有(you)些(xie)廠(chang)家(jia)提(ti)供(gong)125%長期過載的能力,這對係統可靠性來說有絕對的保障。
(3)集中旁路的可靠性設計分析
集(ji)中(zhong)旁(pang)路(lu)的(de)可(ke)靠(kao)性(xing)設(she)計(ji),眾(zhong)多(duo)主(zhu)流(liu)廠(chang)家(jia)也(ye)提(ti)出(chu)了(le)很(hen)多(duo)提(ti)升(sheng)可(ke)靠(kao)性(xing)的(de)方(fang)案(an),比(bi)如(ru)冗(rong)餘(yu)備(bei)份(fen)的(de)控(kong)製(zhi)回(hui)路(lu)方(fang)案(an),通(tong)信(xin)總(zong)線(xian)冗(rong)餘(yu)的(de)方(fang)案(an),功(gong)率(lv)模(mo)塊(kuai)和(he)旁(pang)路(lu)模(mo)塊(kuai)控(kong)製(zhi)解(jie)耦(ou)方(fang)案(an),功(gong)率(lv)模(mo)塊(kuai)參(can)與(yu)旁(pang)路(lu)控(kong)製(zhi)方(fang)案(an),每(mei)個(ge)廠(chang)家(jia)的(de)解(jie)決(jue)方(fang)案(an)各(ge)有(you)特(te)色(se),經(jing)過(guo)多(duo)年(nian)的(de)市(shi)場(chang)驗(yan)證(zheng),能(neng)夠(gou)大(da)大(da)提(ti)升(sheng)係(xi)統(tong)的(de)可(ke)用(yong)性(xing),加(jia)上(shang)旁(pang)路(lu)模(mo)塊(kuai)普(pu)遍(bian)的(de)熱(re)插(cha)拔(ba)設(she)計(ji),維(wei)修(xiu)升(sheng)級(ji)與(yu)功(gong)率(lv)模(mo)塊(kuai)一(yi)樣(yang)簡(jian)便(bian)。
四、總結
通過以上的分析,希望可以讓大家能夠進一步了解到兩種方案的係統綜合性能和產品可靠性的差異。
技ji術shu流liu派pai的de爭zheng論lun和he路lu線xian選xuan擇ze是shi產chan品pin開kai發fa的de正zheng常chang現xian象xiang,對dui於yu用yong戶hu來lai說shuo,正zheng確que了le解jie各ge路lu線xian的de利li弊bi是shi至zhi關guan重zhong要yao的de,兼jian聽ting則ze明ming,可ke以yi避bi免mian陷xian入ru營ying銷xiao概gai念nian的de誤wu區qu。然ran而er,對dui於yu生sheng產chan廠chang家jia而er言yan,技ji術shu路lu線xian的de選xuan擇ze意yi義yi重zhong大da,一yi旦dan路lu線xian確que定ding,產chan品pin開kai發fa將jiang無wu法fa中zhong途tu轉zhuan變bian,後hou續xu產chan品pin係xi列lie也ye必bi將jiang延yan續xu,這zhe就jiu是shi為wei何he無wu論lun業ye界jie如ru何he發fa展zhan,分fen散san旁pang路lu的de廠chang家jia仍reng然ran無wu法fa轉zhuan向xiang另ling一yi陣zhen營ying。目mu前qian最zui主zhu流liu的de模mo塊kuai化huaUPS廠家,比如艾默生、伊頓、APC、英威騰、華為等,都是采用集中旁路的方案,精明的客戶應該心中明白個中緣由。
推薦閱讀:
特別推薦
- 噪聲中提取真值!瑞盟科技推出MSA2240電流檢測芯片賦能多元高端測量場景
- 10MHz高頻運行!氮矽科技發布集成驅動GaN芯片,助力電源能效再攀新高
- 失真度僅0.002%!力芯微推出超低內阻、超低失真4PST模擬開關
- 一“芯”雙電!聖邦微電子發布雙輸出電源芯片,簡化AFE與音頻設計
- 一機適配萬端:金升陽推出1200W可編程電源,賦能高端裝備製造
技術文章更多>>
- 算力爆發遇上電源革新,大聯大世平集團攜手晶豐明源線上研討會解鎖應用落地
- 築基AI4S:摩爾線程全功能GPU加速中國生命科學自主生態
- 一秒檢測,成本降至萬分之一,光引科技把幾十萬的台式光譜儀“搬”到了手腕上
- AI服務器電源機櫃Power Rack HVDC MW級測試方案
- 突破工藝邊界,奎芯科技LPDDR5X IP矽驗證通過,速率達9600Mbps
技術白皮書下載更多>>
- 車規與基於V2X的車輛協同主動避撞技術展望
- 數字隔離助力新能源汽車安全隔離的新挑戰
- 汽車模塊拋負載的解決方案
- 車用連接器的安全創新應用
- Melexis Actuators Business Unit
- Position / Current Sensors - Triaxis Hall
熱門搜索
微波功率管
微波開關
微波連接器
微波器件
微波三極管
微波振蕩器
微電機
微調電容
微動開關
微蜂窩
位置傳感器
溫度保險絲
溫度傳感器
溫控開關
溫控可控矽
聞泰
穩壓電源
穩壓二極管
穩壓管
無焊端子
無線充電
無線監控
無源濾波器
五金工具
物聯網
顯示模塊
顯微鏡結構
線圈
線繞電位器
線繞電阻



