三大招幫你實現CAN總線節點設計的可靠性
發布時間:2017-02-20 責任編輯:susan
【導讀】CAN總線通訊已經從汽車電子行業逐漸向各行各業鋪開使用了,例如軌道交通、礦井監控等。在設計CAN總線接口電路時需要注意哪些問題呢?
對於提高CAN總線節點的可靠性而言,離不開隔離、總線阻抗匹配、總線保護等,在設計CAN節點時要注意這些點以提高總線電路可靠性和安全性。
一、隔離
信號隔離
gelishoufaqikejiangzongxianhekongzhidianlujinxingdianqigeli,jianggaoyazudangzaikongzhixitongzhiwai,keyiyouxiaodibaozhengcaozuorenyuanderenshenjixitonganquan。bujinruci,gelikeyiyizhiyoujiedidianshicha、接地環路引起的各種共模幹擾,保證總線在嚴重幹擾和其它係統級噪聲存在的情況下不間斷、無差錯運行。如圖 1所suo示shi,使shi用yong隔ge離li收shou發fa器qi後hou,可ke以yi有you效xiao防fang止zhi形xing成cheng地di環huan路lu,總zong線xian參can考kao地di可ke跟gen隨sui共gong模mo電dian壓ya的de波bo動dong而er波bo動dong,共gong模mo電dian壓ya全quan部bu由you隔ge離li帶dai承cheng受shou,共gong模mo電dian壓ya對dui總zong線xian信xin號hao變bian得de不bu再zai可ke見jian,從cong而er保bao證zheng總zong線xian穩wen定ding可ke靠kao地di通tong信xin。

CAN總線上建議使用磁隔離技術。磁隔離技術可靠性較高,磁耦消除了與光耦合器相關的不確定的電流傳送比率、非線性傳送特性以及隨時間漂移和隨溫度漂移問題;磁耦均帶有25KV/us的瞬態共模抑製能力,且能夠在電壓差峰值560V的環境下正常工作。磁耦器件可提供5000Vrms/min及6000V/10sec的電壓隔離保護,多種型號的磁耦帶有±15KV的ESD保護。長壽命。采用芯片級變壓器技術傳輸信號,消除光耦傳輸時的器件損耗。器件內部基本不存在損耗,正常工作條件下至少達到50年nian工gong作zuo壽shou命ming。低di功gong耗hao。磁ci耦ou基ji於yu芯xin片pian級ji變bian壓ya器qi傳chuan輸shu原yuan理li,信xin號hao傳chuan輸shu時shi幾ji乎hu不bu存cun在zai能neng量liang損sun耗hao,因yin此ci能neng以yi極ji低di的de功gong耗hao實shi現xian高gao度du的de數shu據ju隔ge離li。相xiang同tong速su率lv下xia,其qi功gong耗hao僅jin為wei光guang耦ou的de1/10~1/6。
電源隔離
信號通道做隔離後,建議電源通道也做隔離,可直接采用帶隔離的DC-DC隔離模塊實現,如下圖所示。

DC-DC隔離電源模塊
二、阻抗匹配
電信號在在電纜上(shang)傳(chuan)輸(shu)時(shi),當(dang)阻(zu)抗(kang)不(bu)連(lian)續(xu)或(huo)者(zhe)發(fa)生(sheng)突(tu)變(bian)時(shi),就(jiu)會(hui)發(fa)生(sheng)信(xin)號(hao)反(fan)射(she)。反(fan)射(she)的(de)過(guo)程(cheng)十(shi)分(fen)的(de)複(fu)雜(za),甚(shen)至(zhi)可(ke)能(neng)發(fa)生(sheng)多(duo)次(ci)反(fan)射(she),反(fan)射(she)的(de)信(xin)號(hao)疊(die)加(jia)在(zai)正(zheng)常(chang)的(de)信(xin)號(hao)上(shang),引(yin)起(qi)電(dian)平(ping)變(bian)化(hua),導(dao)致(zhi)數(shu)據(ju)傳(chuan)輸(shu)出(chu)現(xian)錯(cuo)誤(wu)。為(wei)了(le)消(xiao)減(jian)這(zhe)種(zhong)信(xin)號(hao)反(fan)射(she)的(de)方(fang)法(fa),我(wo)們(men)是(shi)使(shi)傳(chuan)輸(shu)電(dian)纜(lan)上(shang)的(de)阻(zu)抗(kang)保(bao)持(chi)連(lian)續(xu),但(dan)是(shi)電(dian)纜(lan)總(zong)是(shi)有(you)終(zhong)點(dian)的(de),終(zhong)點(dian)的(de)阻(zu)抗(kang)是(shi)突(tu)變(bian)的(de),為(wei)了(le)使(shi)終(zhong)點(dian)阻(zu)抗(kang)保(bao)持(chi)連(lian)續(xu),CAN-Bus規定要在電纜兩端接入匹配電阻。這個終端電阻的阻值一般選用120Ω。如圖 3所示。

CAN總線終端電阻匹配
三、保護措施
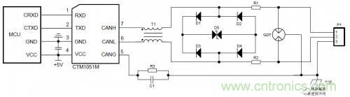
節點在戶外等惡劣的現場環境時,容易遭受大能量的雷擊,此時需要對CAN 信號端口添加更高等級的防護電路,保證節點不被損壞以及總線的可靠通訊。

CAN節點端口推薦電路
上圖中除了右端的保護電路,中間使用的CAN隔離收發器模塊,該模塊主要集成了CAN收發器、DC-DC電源模塊、信號隔離電路三部分電路,打包封裝成一個獨立的模塊,可大大簡化CAN硬件設定的難度,降低開發時間成本。

CTM1051CAN隔離收發模塊
特別推薦
- 噪聲中提取真值!瑞盟科技推出MSA2240電流檢測芯片賦能多元高端測量場景
- 10MHz高頻運行!氮矽科技發布集成驅動GaN芯片,助力電源能效再攀新高
- 失真度僅0.002%!力芯微推出超低內阻、超低失真4PST模擬開關
- 一“芯”雙電!聖邦微電子發布雙輸出電源芯片,簡化AFE與音頻設計
- 一機適配萬端:金升陽推出1200W可編程電源,賦能高端裝備製造
技術文章更多>>
- 築基AI4S:摩爾線程全功能GPU加速中國生命科學自主生態
- 一秒檢測,成本降至萬分之一,光引科技把幾十萬的台式光譜儀“搬”到了手腕上
- AI服務器電源機櫃Power Rack HVDC MW級測試方案
- 突破工藝邊界,奎芯科技LPDDR5X IP矽驗證通過,速率達9600Mbps
- 通過直接、準確、自動測量超低範圍的氯殘留來推動反滲透膜保護
技術白皮書下載更多>>
- 車規與基於V2X的車輛協同主動避撞技術展望
- 數字隔離助力新能源汽車安全隔離的新挑戰
- 汽車模塊拋負載的解決方案
- 車用連接器的安全創新應用
- Melexis Actuators Business Unit
- Position / Current Sensors - Triaxis Hall
熱門搜索
微波功率管
微波開關
微波連接器
微波器件
微波三極管
微波振蕩器
微電機
微調電容
微動開關
微蜂窩
位置傳感器
溫度保險絲
溫度傳感器
溫控開關
溫控可控矽
聞泰
穩壓電源
穩壓二極管
穩壓管
無焊端子
無線充電
無線監控
無源濾波器
五金工具
物聯網
顯示模塊
顯微鏡結構
線圈
線繞電位器
線繞電阻



