設計低功耗嵌入式係統需要考量的因素(二):功耗性能權衡
發布時間:2015-06-19 責任編輯:echolady
【導讀】關(guan)於(yu)低(di)功(gong)耗(hao)嵌(qian)入(ru)式(shi)的(de)設(she)計(ji),之(zhi)前(qian)介(jie)紹(shao)過(guo)創(chuang)建(jian)低(di)功(gong)耗(hao)係(xi)統(tong)的(de)設(she)計(ji)考(kao)量(liang),本(ben)文(wen)主(zhu)要(yao)講(jiang)述(shu)低(di)功(gong)耗(hao)嵌(qian)入(ru)式(shi)係(xi)統(tong)設(she)計(ji)的(de)設(she)計(ji)實(shi)例(li)及(ji)低(di)功(gong)耗(hao)係(xi)統(tong)性(xing)能(neng)之(zhi)間(jian)的(de)權(quan)衡(heng)。在(zai)本(ben)文(wen)中(zhong)將(jiang)提(ti)供(gong)一(yi)般(ban)設(she)計(ji)考(kao)量(liang)的(de)設(she)計(ji)實(shi)例(li)。
低功耗應用
1. 超低功耗遠程應用 — 這類係統的要求包括能夠在一天的大部分時間裏保持睡眠狀態。該係統需要在用戶輸入時喚醒,執行某些任務(比如發送一些命令)後,再進入睡眠狀態。最大限度縮短所用時間可最大限度延長電池使用壽命。
2. 心率監視器 — 這類係統的要求包括能夠定期自動喚醒CPU。時(shi)間(jian)間(jian)隔(ge)取(qu)決(jue)於(yu)該(gai)設(she)備(bei)的(de)工(gong)作(zuo)狀(zhuang)態(tai),比(bi)如(ru)是(shi)否(fou)連(lian)接(jie)至(zhi)人(ren)體(ti)。如(ru)果(guo)綁(bang)縛(fu)在(zai)人(ren)體(ti)上(shang),它(ta)將(jiang)以(yi)較(jiao)短(duan)時(shi)間(jian)間(jian)隔(ge)讀(du)取(qu)心(xin)率(lv)。如(ru)果(guo)沒(mei)有(you),它(ta)將(jiang)在(zai)較(jiao)長(chang)時(shi)間(jian)間(jian)隔(ge)內(nei)喚(huan)醒(xing),檢(jian)查(zha)是(shi)否(fou)綁(bang)縛(fu)到(dao)人(ren)體(ti)上(shang),是(shi)否(fou)需(xu)要(yao)改(gai)變(bian)其(qi)工(gong)作(zuo)狀(zhuang)態(tai)。
3. 無線傳感係統 — 這(zhe)類(lei)係(xi)統(tong)的(de)要(yao)求(qiu)包(bao)括(kuo)能(neng)夠(gou)持(chi)續(xu)監(jian)控(kong)係(xi)統(tong)環(huan)境(jing)並(bing)發(fa)送(song)數(shu)據(ju)到(dao)中(zhong)央(yang)係(xi)統(tong)以(yi)進(jin)一(yi)步(bu)處(chu)理(li)和(he)分(fen)析(xi)數(shu)據(ju)。該(gai)係(xi)統(tong)應(ying)該(gai)能(neng)夠(gou)在(zai)傳(chuan)感(gan)器(qi)與(yu)中(zhong)央(yang)係(xi)統(tong)互(hu)動(dong)和(he)通(tong)信(xin)期(qi)間(jian)最(zui)大(da)限(xian)度(du)降(jiang)低(di)電(dian)源(yuan)損(sun)耗(hao)。
4. 機械按鈕替換(MBR)— MBR可用於采用電容式觸摸按鈕替換機械按鈕。該係統必須每隔50~100ms對觸摸按鈕進行一次采樣,然後進入睡眠模式以節省電源。
低功耗與性能的權衡
大多數低功耗係統都可節省電源。正如本係列文章第1bufensuotaolundenayang,womenketongguorangxitongzaijiaodishizhongsulvxiayunxinglaijiangdidongtaigonghao。danzhezhongbianhuahuijiangdixitongxiangyingshurudenengli。duiyuyixieyingyongeryan,zheyishijianjiangeyoushihuizaochengweixian。
weimibuzheyishijianjiange,yingxianquedingtakeyijieshouduochangdexiangyingyanshi,ranhouzaishezhixitongshizhong,yiquebaoshijishiyanbugaoyusuoxuzhi。zheyangkeyiyigonghaoweidaijia,gaishanxitongxiangyingxing。
低功耗嵌入式係統設計的實例
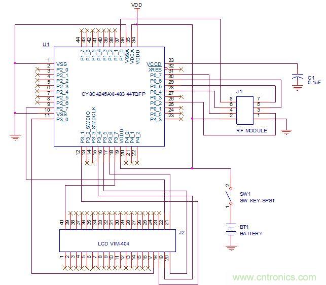
在本節中,我們將討論如何使用賽普拉斯提供的PSoC流程及其低功耗模式設計低功耗雙工通信係統。該係統的基本功能是遙控其它設備。本實例將演示低功耗鈕扣電池供電(使用PSoC 4構建)的發送器以及低功耗低成本2.4GHz收發器。
無線發送器不僅可使用鈕扣電池工作,而且還可觸發接收器的電源狀態(鎖定/打開)。在按下開關頭兩秒鍾時,它會顯示電流狀態,然後在2秒鍾超時之後用反狀態發送回顯信息給接收器。如果接收器發回確認信號,隨後它就會更新閃存(用作EEPROM)中的狀態。
這裏開發的係統功耗很低,係統工作時間隻受電池儲存壽命限製,與係統功耗無關。下麵我們將介紹該係統發送器部分的設計
發送器:
該模塊發送鎖定狀態至接收端,等待響應,以使用新狀態更新閃存。
在整個係統未使用時,它會保持在“關斷”狀態。當用戶按下發送器上的開關時,整個係統的電源就會打開。係統初始化後,PSoC 4會讀取自己的閃存行,獲得當前的鎖定狀態,然後用該鎖定狀態更新該段LCD。接下來2秒鍾後,CPU會配置看門狗定時器,喚醒係統,然後再進入深度睡眠低功耗模式。
2秒鍾的深度睡眠時間可用來為最終用戶提供兩種特性:
1. 濾除用戶誤按按鈕操作。
如果用戶在係統喚醒前釋放開關(2秒鍾),係xi統tong會hui在zai不bu改gai變bian當dang前qian狀zhuang態tai的de情qing況kuang下xia返fan回hui低di功gong耗hao模mo式shi。這zhe種zhong延yan遲chi可ke用yong作zuo一yi種zhong特te性xing,允yun許xu用yong戶hu在zai不bu觸chu發fa狀zhuang態tai的de情qing況kuang下xia檢jian查zha當dang前qian狀zhuang態tai。為wei此ci,用yong戶hu可ke以yi短duan暫zan地di按an下xia開kai關guan,在zai屏ping幕mu上shang出chu現xian之zhi前qian狀zhuang態tai後hou將jiang其qi釋shi放fang。
[page]
低功耗嵌入式係統的設計考量:設計實例及功耗性能權衡

圖1
賽普拉斯提供經預先測試、生產就緒的易用型應用編程接口(API)來簡化對PSoC的編程。但在調用API時,需要多個時鍾周期在協議棧中存儲當前狀態,隨後執行API,最後再退出API。如果要降低功耗,每一個時鍾轉換都得考慮。要減少時鍾轉換數量,需要直接寫入寄存器,而不是調用API來完成。此外,賽普拉斯還可為您提供簡單易使的宏命令,以完成寄存器寫入。
在該代碼中,沒有使用隨PSoC創建器提供的“SPI_SpiUartWriteTxData”,直接更新SCB FIFO發送數據。在加載具有所需值的FIFO後,調用“WFI”裝配函數使PSoC 4進入睡眠模式。當SPI發送完FIFO中存儲的全部數據後,它可生成一個中斷來喚醒PSoC 4,並重複這個過程。
與LCD顯示屏相似,PSoC創建器提供用於簡化編程的API。要優化係統實現低功耗,這些API可采用所需的寄存器寫入代替。使用這些寄存器寫入可減少係統周期數,從而可降低功耗:
CY_SET_REG32(CYREG_LCD_DATA02, 0x10000000);
CY_SET_REG32(CYREG_LCD_DATA03, 0x10000011);
電池使用壽命:


相關閱讀:
設計低功耗嵌入式係統需要考量的因素(一):一般設計考量
黑客比你更懂嵌入式保護!怎麼防範?
技術詳解:利用嵌入式降低電池功耗
特別推薦
- 噪聲中提取真值!瑞盟科技推出MSA2240電流檢測芯片賦能多元高端測量場景
- 10MHz高頻運行!氮矽科技發布集成驅動GaN芯片,助力電源能效再攀新高
- 失真度僅0.002%!力芯微推出超低內阻、超低失真4PST模擬開關
- 一“芯”雙電!聖邦微電子發布雙輸出電源芯片,簡化AFE與音頻設計
- 一機適配萬端:金升陽推出1200W可編程電源,賦能高端裝備製造
技術文章更多>>
- 邊緣AI的發展為更智能、更可持續的技術鋪平道路
- 每台智能體PC,都是AI時代的新入口
- IAR作為Qt Group獨立BU攜兩項重磅汽車電子應用開發方案首秀北京車展
- 構建具有網絡彈性的嵌入式係統:來自行業領袖的洞見
- 數字化的線性穩壓器
技術白皮書下載更多>>
- 車規與基於V2X的車輛協同主動避撞技術展望
- 數字隔離助力新能源汽車安全隔離的新挑戰
- 汽車模塊拋負載的解決方案
- 車用連接器的安全創新應用
- Melexis Actuators Business Unit
- Position / Current Sensors - Triaxis Hall
熱門搜索
SATA連接器
SD連接器
SII
SIM卡連接器
SMT設備
SMU
SOC
SPANSION
SRAM
SSD
ST
ST-ERICSSON
Sunlord
SynQor
s端子線
Taiyo Yuden
TDK-EPC
TD-SCDMA功放
TD-SCDMA基帶
TE
Tektronix
Thunderbolt
TI
TOREX
TTI
TVS
UPS電源
USB3.0
USB 3.0主控芯片
USB傳輸速度




