智能家居遠距離照明控製的無線遙感開關係統設計
發布時間:2014-12-30 責任編輯:echolady
【導讀】本次設計的是由發射係統和接收係統共同組成的,能夠實現遠距離照明控製的無線遙感開關係統。係統的發射部分由一節12V幹電池供電,接收部分則采用3節1.5V幹電池。本文就為大家講解無線遙感開關係統的發射電路及接收電路。
係統使用無線收發模塊構成射頻發射和接收電路, 發射部分主要由按鍵編址電路、編碼電路和發射模塊組成; 接收部分主要由接收模塊、單片機控製電路和負載電路組成。
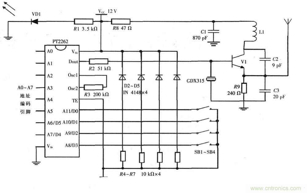
無線發射係統電路

圖1:無線開關係統發射部分電路
當按下按鍵後,按鍵將12 V 的電壓加到對應的數據端, 同時數據端信息通過晶振將信號並發射出去。PT2262 將會根據地址碼的設定和輸入的數據進行編碼, 從17 腳輸出編碼脈衝。無線通信受編碼脈衝控製, 當17 腳脈衝為“l” 時,V1 組成的振蕩器工作, 產生315 MHz 的高頻信號並發射出去; 當17 腳輸出脈衝為“0” 時,Vl 組成的振蕩器停止工作。
無線接收係統電路

圖2
當信號進入單片機後, 單片機對其進行分析並作出相應的控製。如果接收到的第一路信號為高電平, 單片機控製的數碼顯示管會顯示“11” ( 第一個“1” 表示第一路信號,第二個“1” 表示該信號為高電平) , 同時單片機向繼電器電路發出高電平, 繼電器吸合, 負載電路工作; 當第二次接收到高電平, 通過單片機將對應的端口電平置零;當第三次接收到高電平時再次置1, 如此循環; 當數碼管的顯示為“1 1” 時( 第一個1 表示第一路信號, 第二1 表示該信號為低電平) , 此時單片機向繼電器電路發出低電平, 繼電器斷開, 負載停止工作。利用繼電器和數碼管可以實現靈活控製並清晰地顯示。
本設計利用單片機AT89S52 和芯片組PT2262/2272實現了用於照明控製的可編程4 路無線開關係統, 避免了使用專用解碼芯片的有關限製, 能充分利用係統軟硬件資源, 係統的擴展性和靈活性好, 且成本低、功耗小,是智能家居照明控製的一種科學解決方案。
相關閱讀:
細數那些傳統家電轉型思路,智能家居誘惑何在?
五種智能家居布線方法,你該選哪種?
真正的智能家居應具備的四大特征
特別推薦
- 噪聲中提取真值!瑞盟科技推出MSA2240電流檢測芯片賦能多元高端測量場景
- 10MHz高頻運行!氮矽科技發布集成驅動GaN芯片,助力電源能效再攀新高
- 失真度僅0.002%!力芯微推出超低內阻、超低失真4PST模擬開關
- 一“芯”雙電!聖邦微電子發布雙輸出電源芯片,簡化AFE與音頻設計
- 一機適配萬端:金升陽推出1200W可編程電源,賦能高端裝備製造
技術文章更多>>
- 具身智能成最大亮點!CITE 2026開幕峰會釋放產業強信號
- 助力醫療器械產業高質量發展 派克漢尼汾閃耀2026 ICMD
- 比異步時鍾更隱蔽的“芯片殺手”——跨複位域(RDC)問題
- 數據之外:液冷技術背後的連接器創新
- “眼在手上”的嵌入式實踐:基於ROS2與RK3576的機械臂跟隨抓取方案
技術白皮書下載更多>>
- 車規與基於V2X的車輛協同主動避撞技術展望
- 數字隔離助力新能源汽車安全隔離的新挑戰
- 汽車模塊拋負載的解決方案
- 車用連接器的安全創新應用
- Melexis Actuators Business Unit
- Position / Current Sensors - Triaxis Hall
熱門搜索
Energy Micro
EPB
ept
ESC
ESD
ESD保護
ESD保護器件
ESD器件
Eurotect
Exar
Fairhild
FFC連接器
Flash
FPC連接器
FPGA
Fujitsu
Future
GFIVE
GPS
GPU
Harting
HDMI
HDMI連接器
HD監控
HID燈
I/O處理器
IC
IC插座
IDT
IGBT





