精品解讀:一款虹吸式傳感器降水量采集係統的電路設計
發布時間:2014-12-15 責任編輯:echolady
【導讀】本文將要解讀的是虹吸式傳感器降(jiang)水(shui)量(liang)采(cai)集(ji)係(xi)統(tong)電(dian)路(lu)設(she)計(ji),方(fang)案(an)原(yuan)理(li)是(shi)采(cai)用(yong)虹(hong)吸(xi)式(shi)傳(chuan)感(gan)器(qi)以(yi)及(ji)自(zi)動(dong)統(tong)計(ji)的(de)計(ji)算(suan)軟(ruan)件(jian)來(lai)實(shi)現(xian)降(jiang)水(shui)量(liang)的(de)采(cai)集(ji)係(xi)統(tong)。經(jing)過(guo)試(shi)驗(yan)證(zheng)明(ming),該(gai)係(xi)統(tong)能(neng)夠(gou)行(xing)之(zhi)有(you)效(xiao)的(de)統(tong)計(ji)降(jiang)水(shui)強(qiang)度(du)以(yi)及(ji)降(jiang)水(shui)量(liang)。
降水量傳感器
常用的降水量傳感器有翻鬥式和虹吸式兩種。本設計采用的是R.M.YOUNG公司生產的50202 xinghongxishichuanganqi,gaichuanganqiwuhuodongbujian,minganqijianweidianrongchuanganqi。chuanganqideceliangqiangtihecaijiloudouwaibujunyoubaowenhejiarezhuangzhi,yongyurongbinghuohuaxue。yuhuoxuetongguocaijiloudoujinruceliangqiangti。celiangfanweiwei0~50 mm,測量精度為±1mm,輸出信號為0~5.00 V DC,對應0~50 mm deyeweigaodu。jinxingguanceshi,jiangshuitongguochuanganqidecaijiloudoujinruceliangqiangti,shiceliangqiangtineideyeweigaodufashengbianhua,yeweigaodudebianhuazhijiweiguanceshiduandejiangshuiliang。dangchuanganqideyeweigaodudadao50 mm 時,傳感器自動產生虹吸,虹吸時間為30 s 左右,虹吸後,傳感器的液位高度回到零。
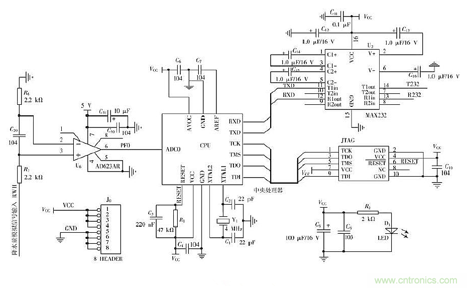
信號采集器
信號采集器由電源模塊和數據采集板組成。電源模塊為降水量傳感器和數據采集板提供工作電源,數據采集板采集測量降水量傳感器的0~5.00 V DC 輸出模擬量信號,並將模擬信號轉換為液位高數字信號發送給數據處理終端。數據采集板原理圖如圖所示。

相關閱讀:
盤點:決定未來科技的六大傳感器
可探測食物變質的傳感器,媽媽再也不擔心我的飲食
一種簡單的壓力傳感器信號調節電路
特別推薦
- 噪聲中提取真值!瑞盟科技推出MSA2240電流檢測芯片賦能多元高端測量場景
- 10MHz高頻運行!氮矽科技發布集成驅動GaN芯片,助力電源能效再攀新高
- 失真度僅0.002%!力芯微推出超低內阻、超低失真4PST模擬開關
- 一“芯”雙電!聖邦微電子發布雙輸出電源芯片,簡化AFE與音頻設計
- 一機適配萬端:金升陽推出1200W可編程電源,賦能高端裝備製造
技術文章更多>>
- 算力爆發遇上電源革新,大聯大世平集團攜手晶豐明源線上研討會解鎖應用落地
- 築基AI4S:摩爾線程全功能GPU加速中國生命科學自主生態
- 一秒檢測,成本降至萬分之一,光引科技把幾十萬的台式光譜儀“搬”到了手腕上
- AI服務器電源機櫃Power Rack HVDC MW級測試方案
- 突破工藝邊界,奎芯科技LPDDR5X IP矽驗證通過,速率達9600Mbps
技術白皮書下載更多>>
- 車規與基於V2X的車輛協同主動避撞技術展望
- 數字隔離助力新能源汽車安全隔離的新挑戰
- 汽車模塊拋負載的解決方案
- 車用連接器的安全創新應用
- Melexis Actuators Business Unit
- Position / Current Sensors - Triaxis Hall
熱門搜索
微波功率管
微波開關
微波連接器
微波器件
微波三極管
微波振蕩器
微電機
微調電容
微動開關
微蜂窩
位置傳感器
溫度保險絲
溫度傳感器
溫控開關
溫控可控矽
聞泰
穩壓電源
穩壓二極管
穩壓管
無焊端子
無線充電
無線監控
無源濾波器
五金工具
物聯網
顯示模塊
顯微鏡結構
線圈
線繞電位器
線繞電阻




