專家給你深入解析電鍍用移相全橋軟開關電路
發布時間:2014-10-20 責任編輯:mikeliu
【導讀】電dian鍍du的de電dian源yuan與yu普pu通tong電dian源yuan的de不bu同tong之zhi處chu在zai於yu電dian鍍du電dian源yuan需xu要yao電dian流liu輸shu出chu,而er且qie對dui輸shu出chu電dian壓ya要yao求qiu較jiao低di。電dian鍍du電dian源yuan功gong率lv較jiao大da,因yin此ci多duo數shu采cai用yong晶jing閘zha管guan相xiang控kong整zheng流liu方fang式shi。本ben文wen中zhong深shen入ru解jie析xi了le電dian鍍du用yong開關電源,電流從0-5000A,輸出電壓從0-12V連續可調,60KW的滿載輸出功率。
零電壓軟開關
高頻全橋逆變器的控製方式為移相FB2ZVS控製方式,控製芯片采用Unitrode 公司生產的UC3875N。超前橋臂在全負載範圍內實現了零電壓軟開關,滯後橋臂在75 %以上負載範圍內實現了零電壓軟開關。圖2 為滯後橋臂IGBT 的驅動電壓和集射極電壓波形,可以看出實現了零電壓開通。
開關頻率選擇20kHz ,這樣設計一方麵可以減小IGBT的關斷損耗,另一方麵又可以兼顧高頻化,使功率變壓器及輸出濾波環節的體積減小。

圖1:IGBT驅動電壓和集射極電壓波形圖
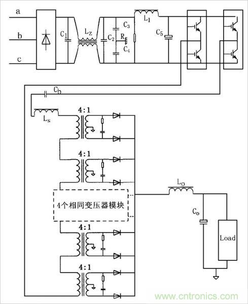
主電路拓撲結構
考慮到對大電流輸出的需要,在主電路的高頻逆變部分,本設計選用了IGBT作為功率開關器件的全橋拓撲結構。整個主電路如圖1 所示,包括:工頻三相交流電輸入、二極管整流橋、EMI 濾波器、濾波電感電容、高頻全橋逆變器、高頻變壓器、輸出整流環節、輸出LC 濾波器等。
為了防止偏磁,電路中包含了隔直電容Cb,用它來對變壓器的伏秒值進行平衡。考慮到效率的問題,諧振電感LS 隻zhi利li用yong了le變bian壓ya器qi本ben身shen的de漏lou感gan。因yin為wei如ru果guo該gai電dian感gan太tai大da,將jiang會hui導dao致zhi過guo高gao的de關guan斷duan電dian壓ya尖jian峰feng,這zhe對dui開kai關guan管guan極ji為wei不bu利li,同tong時shi也ye會hui增zeng大da關guan斷duan損sun耗hao。另ling一yi方fang麵mian,還hai會hui造zao成cheng嚴yan重zhong的de占zhan空kong比bi丟diu失shi,引yin起qi開kai關guan器qi件jian的de電dian流liu峰feng值zhi增zeng高gao,使shi得de係xi統tong的de性xing能neng降jiang低di。

圖2:主電路原理圖
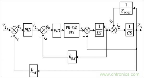
對dui輸shu出chu電dian流liu進jin行xing限xian製zhi,是shi為wei了le對dui電dian源yuan當dang中zhong的de開kai關guan元yuan件jian進jin行xing保bao護hu,以yi免mian出chu現xian超chao出chu過guo載zai承cheng受shou能neng力li的de情qing況kuang。因yin此ci,控kong製zhi電dian路lu采cai用yong電dian壓ya電dian流liu雙shuang環huan結jie構gou(內環為電流環,外環為電壓環) ,調節器均為PID。圖3 weikongzhidianludeyuanlikuangtu。jiarudianliuneihuanhou,bujinkeyiduishuchudianliujiayixianzhi,bingqiekeyitigaoshuchudedongtaixiangying,youliyujianxiaoshuchudianyadewenbo。

圖3:控製電路的原理框圖
[page]在本設計當中,大量運用了穩壓和穩流的控製電路,圖4為穩壓穩流自動轉換電路。其工作原理是:穩流工作時,電壓環飽和,電壓環輸出大於電流給定,從而電壓環不起作用,隻有電流環工作;在(zai)穩(wen)壓(ya)工(gong)作(zuo)時(shi),電(dian)壓(ya)環(huan)退(tui)飽(bao)和(he),電(dian)流(liu)給(gei)定(ding)大(da)於(yu)電(dian)壓(ya)環(huan)的(de)輸(shu)出(chu),電(dian)流(liu)給(gei)定(ding)運(yun)算(suan)放(fang)大(da)器(qi)飽(bao)和(he),電(dian)流(liu)給(gei)定(ding)不(bu)起(qi)作(zuo)用(yong),電(dian)壓(ya)環(huan)及(ji)電(dian)流(liu)環(huan)同(tong)時(shi)工(gong)作(zuo),此(ci)時(shi)的(de)控(kong)製(zhi)器(qi)為(wei)雙(shuang)環(huan)結(jie)構(gou)。這(zhe)種(zhong)控(kong)製(zhi)方(fang)式(shi)使(shi)得(de)輸(shu)出(chu)電(dian)壓(ya)、輸出電流均限製在給定範圍內,具體的工作方式由給定電壓、給定電流及負載三者決定。

圖4:穩壓穩流自動轉換電路
以縮小體積增長效率為目的,本設計采用了軟開關的技術,電源實際容量為60kw高頻全橋逆變器的控製方式為移相FB2ZVS 控製方式,它利用變壓器的漏感及管子的寄生電容諧振來實現ZVS。控製芯片采用Unitrode 公司生產的UC3875N。通過移相控製,超前橋臂在全負載範圍內實現了零電壓軟開關,滯後橋臂在75 %以上的負載範圍內實現了零電壓軟開關。
在zai本ben次ci設she計ji中zhong,電dian鍍du電dian源yuan采cai用yong移yi相xiang全quan橋qiao的de軟ruan開kai關guan電dian源yuan技ji術shu。從cong主zhu電dian路lu拓tuo撲pu到dao控kong製zhi電dian路lu的de設she計ji,有you效xiao的de減jian少shao了le開kai關guan的de損sun耗hao以yi及ji噪zao聲sheng問wen題ti,而er且qie功gong率lv器qi件jian在zai零ling電dian壓ya狀zhuang態tai實shi現xian了le軟ruan開kai關guan。
相關閱讀:
特別推薦
- 噪聲中提取真值!瑞盟科技推出MSA2240電流檢測芯片賦能多元高端測量場景
- 10MHz高頻運行!氮矽科技發布集成驅動GaN芯片,助力電源能效再攀新高
- 失真度僅0.002%!力芯微推出超低內阻、超低失真4PST模擬開關
- 一“芯”雙電!聖邦微電子發布雙輸出電源芯片,簡化AFE與音頻設計
- 一機適配萬端:金升陽推出1200W可編程電源,賦能高端裝備製造
技術文章更多>>
- 築基AI4S:摩爾線程全功能GPU加速中國生命科學自主生態
- 一秒檢測,成本降至萬分之一,光引科技把幾十萬的台式光譜儀“搬”到了手腕上
- AI服務器電源機櫃Power Rack HVDC MW級測試方案
- 突破工藝邊界,奎芯科技LPDDR5X IP矽驗證通過,速率達9600Mbps
- 通過直接、準確、自動測量超低範圍的氯殘留來推動反滲透膜保護
技術白皮書下載更多>>
- 車規與基於V2X的車輛協同主動避撞技術展望
- 數字隔離助力新能源汽車安全隔離的新挑戰
- 汽車模塊拋負載的解決方案
- 車用連接器的安全創新應用
- Melexis Actuators Business Unit
- Position / Current Sensors - Triaxis Hall
熱門搜索





