一款可給魚缸間隔充氧的控製器電路圖設計
發布時間:2014-01-07 責任編輯:sherryyu
養魚的魚缸都需要充氧,但是市售充氧器多為連續工作,這樣會縮短充氧器壽命,更不利於節能。實踐證明:如果缸內魚的密度不是太大,即使是在夏天也不必要一直充氧,可以采用間隔供氧。
下麵介紹的魚缸充氧自動控製器可使充氧器間隔工作,該裝置電路簡單,一裝即成。電路如圖所示。

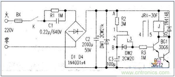
圖 魚缸充氧自動控製器電路圖
接通電源,DW1上的直流電壓經電阻R2、繼電器接點1、2對C3充電,當C3兩端電壓被充到約16V時,DW2擊穿,BG1、BG2飽和導通,繼電器吸合,接點4、5接通市電,充氧器開始工作。然後電容器C3上的電壓通過接點2、3、R3放電,維持BG1、BG2導通,繼電器J繼續吸合,充氧器繼續工作。
當C3兩端電壓下降到不能維持BG1、BC2導通時,BC1、BG2很快退出飽和區而截止。繼電器J釋放,接點4、5間斷開,充氧器’停止工作。接點1、2接通,C3又進行第二次充電。這樣周而複始,達到間隔充氧的目的。
該電路中若將R2、R3改為幾個固定電阻,並通過轉換開關來更換電阻,就可改變充氧時間與間隔時間。
相關閱讀:
一款高效低功耗的開關電源控製器芯片設計
http://www.0-fzl.cn/power-art/80021868
巧用CPLD雙控製器設計電池管理係統
http://www.0-fzl.cn/gptech-art/80022049
- 噪聲中提取真值!瑞盟科技推出MSA2240電流檢測芯片賦能多元高端測量場景
- 10MHz高頻運行!氮矽科技發布集成驅動GaN芯片,助力電源能效再攀新高
- 失真度僅0.002%!力芯微推出超低內阻、超低失真4PST模擬開關
- 一“芯”雙電!聖邦微電子發布雙輸出電源芯片,簡化AFE與音頻設計
- 一機適配萬端:金升陽推出1200W可編程電源,賦能高端裝備製造
- 算力爆發遇上電源革新,大聯大世平集團攜手晶豐明源線上研討會解鎖應用落地
- 築基AI4S:摩爾線程全功能GPU加速中國生命科學自主生態
- 一秒檢測,成本降至萬分之一,光引科技把幾十萬的台式光譜儀“搬”到了手腕上
- AI服務器電源機櫃Power Rack HVDC MW級測試方案
- 突破工藝邊界,奎芯科技LPDDR5X IP矽驗證通過,速率達9600Mbps
- 車規與基於V2X的車輛協同主動避撞技術展望
- 數字隔離助力新能源汽車安全隔離的新挑戰
- 汽車模塊拋負載的解決方案
- 車用連接器的安全創新應用
- Melexis Actuators Business Unit
- Position / Current Sensors - Triaxis Hall


