12個大功率MOSFET基於逆變焊機的應用與評測
發布時間:2012-03-22
中心議題:
- 大功率MOSFET基於逆變焊機的應用原理
- 逆變氣保焊(NB係列)控製電路的特點
- IGBT在焊機中的應用
- 主功率MOS工作波形
解決方案:
- 本方案采用純硬件結構
- 主控芯片選用電源IC KA3525驅動12個HOMSEMI大功率MOSFET HS20N50
逆變焊機的電路結構,一般是采用整流--逆變--再整流的過程,即交流--直流--交流.由於逆變過程中工作頻率高,因此控製過程的動態特性統計局到提高,焊機的體積小,重量輕.
本逆變焊機由香港凱泰科電子有限公司(KEYTECH)和成啟半導體(HOMSEMI)合作開發,逆變頻率在100KHz以上.變壓器重量降低,現在逆變焊機變壓器鐵心材料主要采用鐵氧體材料和微晶材料,小功率逆變焊機已作為工具進入家庭.傳統焊機中變壓器的重量占了焊機重量的80%以上,逆變焊機中變壓器重量是焊機重量的1/5--1/10.逆變焊機重量是同容量整流焊機的1/2--1/4.
由於本逆變焊機的工作頻率為100KHz以上,可以對熔滴過渡細分為多個階段進行控製.對CO2氣體保護焊來講,可以大幅度降低飛濺,對脈衝熔化極惰性/活性氣體保護焊(MIG/MAG),可有效地控製射流過渡的穩定性,還可以將熔滴過渡和送絲機構的運動結合起來,進行一步控製熔滴過渡的過程.這些是傳統整流焊機無法做到的.
焊機是一各特殊的電源,輸出負載是電弧,有空載,短路的過程,焊接電源必須滿足焊接過程穩定性的要求.在許多場合下,焊接過程由人來完成,電源輸出端經常要接觸到人的身體,所以在焊接電源除滿足焊接過程的要求外,還要滿足人身的安全要求.以國內市電為例,輸入220V交流電經整流後,變成310V左右的高壓直流電,經逆變器變成高頻交流,經變壓器降壓,整流濾波後變成平滑直流電供焊機使用.在焊接鋁,鎂等金屬時需要交流電弧,還需要再加二次逆變環節,將直流變為交流,產生交流電弧,完成焊接過程.
一,原理框圖

方案特點
1. 體積小重量輕
2. 節能
3. 可實現熔滴過度的精細控製
[page]
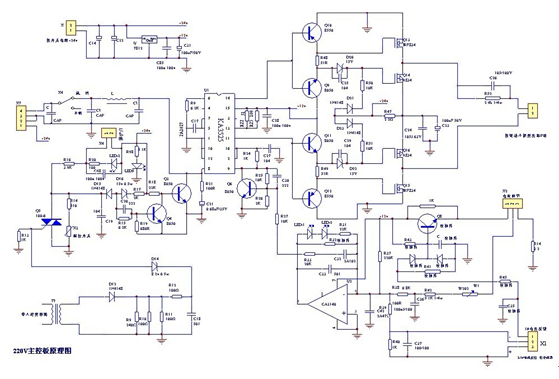
二,主控電路原理圖

本方案采用純硬件結構,主控芯片選用FAIRCHILD公司的電源IC KA3525 驅動12個成啟半導體(HOMSEMI)大功率MOSFET HS20N50. 橋式逆變電路由4*3個HS20N50和變壓器組成,變壓器一次回路中串聯隔直電容來校正變壓器的磁偏.
三,主功率MOS工作波形

早期的逆變焊機中功率開關器件采用晶閘管,逆變頻率為2--3KHz,變壓器鐵心采用矽鋼片,本機采用成啟半導體(HOMSEMI)MOSFET,逆變頻率為100KHz以上,主變壓器鐵心采用微晶鐵心和鐵氧體.主變壓器介電強度和絕緣電阻均滿足國標要求,有理想的短路電流控製特性.
四, 逆變氣保焊(NB係列)控製電路的特點
1,對其送絲機上的給定係統(電壓、送絲速度)進行了線性化處理,杜絕了小規範難以調整的缺陷。
2,對係統解調後的電壓、送絲(電流)速度給定信號進行了同步精密整流處理,消除了此類焊機大規範長線(收弧)情況下給定信號被幹擾的現象。
3,優化了波形控製電路,大大減小了短路過渡下的焊接飛濺,從而提高了焊接質量。
五,IGBT在焊機中的應用
隨著IGBT技術的成熟,其在焊機的應用中越來越廣泛。IGBT即雙極型絕緣效應管,其開關頻率在20KHZ~50KHZ之間。但它可以通過大電流(單管可達60A),而且由於外封裝引腳間距大,爬電距離大,能抵禦環境高壓的影響,安全可靠;同時IGBT與場效應管相比具有更低的導通壓降,在大電流使用環境下IGBT發熱量更小,所以IGBT特別適合應用在大功率逆變焊機。廣州成啟已經啟動IGBT發展戰略,將聯合上下遊廠商開發出越來越多的IGBT器件。
- 噪聲中提取真值!瑞盟科技推出MSA2240電流檢測芯片賦能多元高端測量場景
- 10MHz高頻運行!氮矽科技發布集成驅動GaN芯片,助力電源能效再攀新高
- 失真度僅0.002%!力芯微推出超低內阻、超低失真4PST模擬開關
- 一“芯”雙電!聖邦微電子發布雙輸出電源芯片,簡化AFE與音頻設計
- 一機適配萬端:金升陽推出1200W可編程電源,賦能高端裝備製造
- 2026藍牙亞洲大會暨展覽在深啟幕
- 新市場與新場景推動嵌入式係統研發走向統一開發平台
- 維智捷發布中國願景
- 2秒啟動係統 • 資源受限下HMI最優解,米爾RK3506開發板× LVGL Demo演示
- H橋降壓-升壓電路中的交替控製與帶寬優化
- 車規與基於V2X的車輛協同主動避撞技術展望
- 數字隔離助力新能源汽車安全隔離的新挑戰
- 汽車模塊拋負載的解決方案
- 車用連接器的安全創新應用
- Melexis Actuators Business Unit
- Position / Current Sensors - Triaxis Hall

