零轉換PWM DC-DC變換器的拓撲綜述
發布時間:2012-02-17
中心議題:
1 引言
為了減小功率變換器的體積、重量和開關損耗,提高開關頻率和工作效率,在DC-DC變換器中常采用軟開關技術,以實現主開關管的零電壓(零電流)開通或 關斷。具體的方法有四種: 零電壓準諧振變換器(ZVS-QRC),零電壓多諧振變換器(ZVS-MRC),ZVS-PWM變換器和零轉換PWM變換器。
一般而言,ZVS-QRC變換器[1]電壓應力較大,且電壓應力與負載變化範圍成正比;ZVS-MRC變換器[2]也具有較大的電壓應力和電流應 力;ZVS-PWM變換器[3]則因串聯諧振網絡而導致大的導通損耗。而零轉換PWM變換器則不同,它克服了前麵三種結構的缺點,電路性能大為改善。其電 路結構的特點在於:它的諧振網絡與主開關管並聯;在開關轉換期間,諧振網絡產生諧振,獲得零開關條件;在開關轉換結束後,電路又恢複到正常的PWM工作方 式。這種電路結構給其帶來了四個方麵的優點:(1)功率開關器件工作在軟開關條件下,承受的電壓、電流應力較低;(2)在整個輸入電壓和負載範圍內,都能 較好地保持零電壓特性;(3)輔助諧振網絡並不需要處理很大的環流能量,因此電路的導通損耗較小;(4)采用PWM控製方式,實現了恒頻控製。
由於零轉換PWM電路的突出優點,使其得到了廣泛研究和應用。最近幾年裏,出現了許多新的零轉換PWM拓撲結構,其中以ZVT-PWM變換器的一些改進、ZCT-PWM變換器、以及ZCZVT-PWM變換器等幾種特色比較突出。本文將對這幾種拓撲結構作簡要介紹,重點分析它們的工作原理,並剖析它們的優缺點。
2 ZVT-PWM變換器及其改進
2.1 普通的ZVT-PWM變換器
圖1
圖1所示是文獻[4]提出的普通Boost ZVT-PWM變換器的拓撲結構。它在主開關管S之上,並聯了一個由諧振電容Cr(其中包含了主開關S的輸出電容和二極管D的結電容)、諧振電感Lr、輔助開關S1及二極管D1組成的輔助諧振網絡。
在每次主開關管S導通前,先導通輔助開關管S1,使輔助諧振網絡諧振。當S兩端電容電壓諧振到零時,導通S。當S完成導通後,立即關斷S1,使輔助諧振 電路停止工作。之後,電路以常規的PWM方式運行。該拓撲結構在不增加電壓/電流應力的情況下,實現了S的零電壓導通和D的零電流關斷。但由於S1是在大 電流(接近諧振峰值電流)下關斷、大電壓(接近輸出電壓)下開通, S1處於一種非常不好的硬開關環境。
為了解決普通ZVT-PWM變換器的以上缺點,近幾年中人們提出了幾種改進的ZVT-PWM變換器拓撲結構,它們均實現了主開關管和輔助開關管的軟開關,減少開關損耗。下麵對這幾種改進結構分別予以介紹
[page]
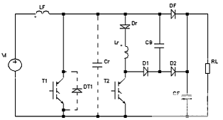
2.2 改進拓撲之一
圖2
圖2所示為文獻[5]提出的一種新穎的ZVT-PWM變換器拓撲。與圖1的普通ZVT-PWM Boost變換器相比,該改進的拓撲隻是在輔助諧振網絡中增加了一個電容
和兩個二極管
,但卻同時實現了主開關管T1和輔助開關管T2的軟通斷,以下對其工作過程進行分析。
在分析中,假定:(1)輸入電壓
為常數,主電感
足夠大,輸入電流
為常數;(2) 輸出電容
足夠大,輸出電壓為常數; (3)諧振電路是理想的;(4)緩衝電感
<<
;(5)忽略半導體器件的電壓降和寄生電容;(6)忽略
其它二極管的反向恢複時間。
設初始狀態為:主功率開關管
及輔助開關管
均為關斷狀態,輸出整流二極管
處於導通狀態。
。電路在穩態時,每個開關周期的工作過程可分為7個模態:
模態1
在
時刻,
導通,
線性下降,
線性上升,直到
,
,該模態結束;
模態2
在
時刻,
達到最大反向恢複電流,主二極管
關斷,
開始諧振,直到
放電到零,轉到模態3;
模態3
在
時刻,
自然導通;
可見,該拓撲結構實現了主開關管T1和輸出整流二極管DF在零電壓下導通和關斷,輔助開關管T2在零電流下導通和零電壓下關斷,兩個開關管都是軟通斷,克服了普通ZVT-PWM變換器的輔助開關管為硬通斷的缺點,減少了關斷損耗。
[page]
2.3 改進拓撲之二
圖3
圖3所示為文獻[6]中提出的另一種新穎的ZVT-PWM變換器拓撲。與圖3的普通ZVT-PWM變換器相比,該改進的拓撲隻是在輔助諧振網絡增加了一個電容,少了一個二極管。以下對其工作過程進行分析。
在分析中,假設與1.2基本相同,並設初始狀態為:
,則電路在穩態時,每個開關周期可劃分為7個模態:
可見,該拓撲結構實現了主開關管 在ZVS條件下通斷,輔助開關管 在零電壓、零電流的條件下關斷與開通,兩個開關管都是軟通斷,改善了開關環境,克服了普通ZVT-PWM變換器的輔助開關管為硬開關的缺點,減小了關斷損耗。
2.4 改進拓撲之三
圖4
圖4所示為文獻[7]提出的另一種改進的ZVT-PWM變換器拓撲。與圖4的普通ZVT-PWM變換器相比,該改進的拓撲隻是在輔助諧振網絡增加了一個 電感、一個二極管和一個電容。其工作原理的分析與前麵的基本相似,具體分析可以參考文獻[7]。從中可知,主開關管S1在零電壓下開通和關斷,輔助開關管 S2在零電流下開通和關斷,從而克服了普通的ZVT-PWM變換器輔助開關管為硬開關的缺點,減小了開關損耗,實現了兩個開關都是軟開關。
3 ZCT-PWM變換器
3.1 普通的ZCT-PWM變換器
圖5
ZVT-PWM變換器能實現在ZVS下開通,消除導通損耗,但卻不能有效地減小關斷損耗。而普通的ZCT-PWM變換器[8],如圖5所示,則能實現主 開關在ZCS下(xia)關(guan)斷(duan),消(xiao)除(chu)關(guan)斷(duan)損(sun)耗(hao)。但(dan)是(shi),其(qi)輔(fu)助(zhu)開(kai)關(guan)仍(reng)然(ran)是(shi)硬(ying)開(kai)關(guan),而(er)且(qie),其(qi)輸(shu)出(chu)整(zheng)流(liu)二(er)極(ji)管(guan)存(cun)在(zai)嚴(yan)重(zhong)的(de)反(fan)向(xiang)恢(hui)複(fu)問(wen)題(ti),導(dao)致(zhi)大(da)的(de)導(dao)通(tong)損(sun)耗(hao)。雖(sui)然(ran)通(tong)過(guo)改(gai)變(bian)控(kong)製(zhi) 策略,使輔助開關導通時間更長一些,可以實現輔助開關管在ZCS下關斷,但輔助開關管的峰值電流將較大。
3.2 改進拓撲之一
文獻[9]提出了一種改進的ZCT-PWM變換器。該改進的拓撲隻是將諧振網絡的輔助開
和嵌位二極管
交換位置,能實現所有的開關管在ZCS下通斷,並減小了輔助開關管的峰值電流。但它的整流二極管
仍存在嚴重的反向恢複問題。
[page]
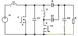
3.3 改進拓撲之二
文獻[10]介紹了一種新穎的ZCT-PWM變換器,它很好地解決了以上所提的各項缺點,如圖6所示。與圖5的普通ZVT-PWM變換器相比,該改進的拓撲在元器件數量方麵沒有增減,隻是改變了組合方式,但同時實現了主開S和輔助開關管
的軟通斷,並解決了輸出整流二極管
嚴重的反向恢複問題。以下對其工作過程進行分析。
圖6
在分析中,假設與1.2基本相同,並設初始狀態為:主功率開關管S及輔助開關管
均為關斷狀態,輸出整流二極管
處於導通狀態。
,則電路在穩態時,每個開關周期可劃分為8個模態:
可見,該拓撲實現了所有開關管和輸出整流二極管
都在較小的
下軟開通,在ZCS下關斷,而且在主開關管S上沒有附加的電流應力和導通損耗,大大減小了輸出整流二極管的反向恢複電流。
4 ZCZVT-PWM變換器
jinxienian,yixiedianlidianziyanjiuzhongxindegongchengshimenzhengjinlixunqiuyizhongzuiyouhuaderuankaiguanjishu,jiyongjinliangshaodefuzhuyuanjian,shixiangonglvbandaotiqijiantongshizailingdianyahelingdianliuxiazhuanhuan,zong 合ZVT-PWM變換器和ZCT-PWM變換器的優點,進一步完善零轉換條件。文獻[11]所介紹一種新穎的 ZCZVT-PWM變換器,就能實現主開關管同時在零電壓和零電流下轉換,如圖7所示。以下對其工作過程進行分析。
圖 7
在分析中,假設與1.2基本相同,並設初始狀態為:主功率開關管S及輔助開關管
均為關斷狀態,輸出整流二極管D處於導通狀態,
,則電路在穩態時,每個開關周期可劃分為14個模態:
可見,該拓撲結構實現了主開關管S同時在零電壓和零電流條件下開通和關斷,輔助開關管
在零電流條件下開通,零電壓和零電流條件下關斷,輸出整流二極管D在零電壓下轉換,從而既綜合了ZVT-PWM變換器和ZCT-PWM變換器的優點,又克服了它們各自的缺點,大大減小了開關損耗。
5 總結
零轉換PWM DC-DC變換器是低電壓(電流)應力、高效率的變換器,但傳統的零轉換PWM DC-DC變換器仍存在一些問題。為了解決這些問題,人們提出了許多新的改進拓撲。本文對三種改進的ZVT-PWM變換器、一種改進的ZCT-PWM,以 及一種新穎的ZCZVT-PWM作了詳細介紹和分析。這幾個改進的拓撲都實現了所有開關管的軟通斷,進一步減小了開關損耗,效率大為提高,很值得進一步研 究和完善。
- 零轉換PWM DC-DC變換器的拓撲綜述
- 一種改進的ZCT-PWM變換器
- ZCZVT-PWM變換器
1 引言
為了減小功率變換器的體積、重量和開關損耗,提高開關頻率和工作效率,在DC-DC變換器中常采用軟開關技術,以實現主開關管的零電壓(零電流)開通或 關斷。具體的方法有四種: 零電壓準諧振變換器(ZVS-QRC),零電壓多諧振變換器(ZVS-MRC),ZVS-PWM變換器和零轉換PWM變換器。
一般而言,ZVS-QRC變換器[1]電壓應力較大,且電壓應力與負載變化範圍成正比;ZVS-MRC變換器[2]也具有較大的電壓應力和電流應 力;ZVS-PWM變換器[3]則因串聯諧振網絡而導致大的導通損耗。而零轉換PWM變換器則不同,它克服了前麵三種結構的缺點,電路性能大為改善。其電 路結構的特點在於:它的諧振網絡與主開關管並聯;在開關轉換期間,諧振網絡產生諧振,獲得零開關條件;在開關轉換結束後,電路又恢複到正常的PWM工作方 式。這種電路結構給其帶來了四個方麵的優點:(1)功率開關器件工作在軟開關條件下,承受的電壓、電流應力較低;(2)在整個輸入電壓和負載範圍內,都能 較好地保持零電壓特性;(3)輔助諧振網絡並不需要處理很大的環流能量,因此電路的導通損耗較小;(4)采用PWM控製方式,實現了恒頻控製。
由於零轉換PWM電路的突出優點,使其得到了廣泛研究和應用。最近幾年裏,出現了許多新的零轉換PWM拓撲結構,其中以ZVT-PWM變換器的一些改進、ZCT-PWM變換器、以及ZCZVT-PWM變換器等幾種特色比較突出。本文將對這幾種拓撲結構作簡要介紹,重點分析它們的工作原理,並剖析它們的優缺點。
2 ZVT-PWM變換器及其改進
2.1 普通的ZVT-PWM變換器

圖1所示是文獻[4]提出的普通Boost ZVT-PWM變換器的拓撲結構。它在主開關管S之上,並聯了一個由諧振電容Cr(其中包含了主開關S的輸出電容和二極管D的結電容)、諧振電感Lr、輔助開關S1及二極管D1組成的輔助諧振網絡。
在每次主開關管S導通前,先導通輔助開關管S1,使輔助諧振網絡諧振。當S兩端電容電壓諧振到零時,導通S。當S完成導通後,立即關斷S1,使輔助諧振 電路停止工作。之後,電路以常規的PWM方式運行。該拓撲結構在不增加電壓/電流應力的情況下,實現了S的零電壓導通和D的零電流關斷。但由於S1是在大 電流(接近諧振峰值電流)下關斷、大電壓(接近輸出電壓)下開通, S1處於一種非常不好的硬開關環境。
為了解決普通ZVT-PWM變換器的以上缺點,近幾年中人們提出了幾種改進的ZVT-PWM變換器拓撲結構,它們均實現了主開關管和輔助開關管的軟開關,減少開關損耗。下麵對這幾種改進結構分別予以介紹
[page]
2.2 改進拓撲之一

圖2所示為文獻[5]提出的一種新穎的ZVT-PWM變換器拓撲。與圖1的普通ZVT-PWM Boost變換器相比,該改進的拓撲隻是在輔助諧振網絡中增加了一個電容


在分析中,假定:(1)輸入電壓



為常數;(2) 輸出電容




設初始狀態為:主功率開關管




模態1







模態2






模態3




可見,該拓撲結構實現了主開關管T1和輸出整流二極管DF在零電壓下導通和關斷,輔助開關管T2在零電流下導通和零電壓下關斷,兩個開關管都是軟通斷,克服了普通ZVT-PWM變換器的輔助開關管為硬通斷的缺點,減少了關斷損耗。
[page]
2.3 改進拓撲之二

圖3所示為文獻[6]中提出的另一種新穎的ZVT-PWM變換器拓撲。與圖3的普通ZVT-PWM變換器相比,該改進的拓撲隻是在輔助諧振網絡增加了一個電容,少了一個二極管。以下對其工作過程進行分析。
在分析中,假設與1.2基本相同,並設初始狀態為:



可見,該拓撲結構實現了主開關管 在ZVS條件下通斷,輔助開關管 在零電壓、零電流的條件下關斷與開通,兩個開關管都是軟通斷,改善了開關環境,克服了普通ZVT-PWM變換器的輔助開關管為硬開關的缺點,減小了關斷損耗。
2.4 改進拓撲之三

圖4所示為文獻[7]提出的另一種改進的ZVT-PWM變換器拓撲。與圖4的普通ZVT-PWM變換器相比,該改進的拓撲隻是在輔助諧振網絡增加了一個 電感、一個二極管和一個電容。其工作原理的分析與前麵的基本相似,具體分析可以參考文獻[7]。從中可知,主開關管S1在零電壓下開通和關斷,輔助開關管 S2在零電流下開通和關斷,從而克服了普通的ZVT-PWM變換器輔助開關管為硬開關的缺點,減小了開關損耗,實現了兩個開關都是軟開關。
3 ZCT-PWM變換器
3.1 普通的ZCT-PWM變換器

ZVT-PWM變換器能實現在ZVS下開通,消除導通損耗,但卻不能有效地減小關斷損耗。而普通的ZCT-PWM變換器[8],如圖5所示,則能實現主 開關在ZCS下(xia)關(guan)斷(duan),消(xiao)除(chu)關(guan)斷(duan)損(sun)耗(hao)。但(dan)是(shi),其(qi)輔(fu)助(zhu)開(kai)關(guan)仍(reng)然(ran)是(shi)硬(ying)開(kai)關(guan),而(er)且(qie),其(qi)輸(shu)出(chu)整(zheng)流(liu)二(er)極(ji)管(guan)存(cun)在(zai)嚴(yan)重(zhong)的(de)反(fan)向(xiang)恢(hui)複(fu)問(wen)題(ti),導(dao)致(zhi)大(da)的(de)導(dao)通(tong)損(sun)耗(hao)。雖(sui)然(ran)通(tong)過(guo)改(gai)變(bian)控(kong)製(zhi) 策略,使輔助開關導通時間更長一些,可以實現輔助開關管在ZCS下關斷,但輔助開關管的峰值電流將較大。
3.2 改進拓撲之一
文獻[9]提出了一種改進的ZCT-PWM變換器。該改進的拓撲隻是將諧振網絡的輔助開



[page]
3.3 改進拓撲之二
文獻[10]介紹了一種新穎的ZCT-PWM變換器,它很好地解決了以上所提的各項缺點,如圖6所示。與圖5的普通ZVT-PWM變換器相比,該改進的拓撲在元器件數量方麵沒有增減,隻是改變了組合方式,但同時實現了主開S和輔助開關管



在分析中,假設與1.2基本相同,並設初始狀態為:主功率開關管S及輔助開關管





可見,該拓撲實現了所有開關管和輸出整流二極管


4 ZCZVT-PWM變換器
jinxienian,yixiedianlidianziyanjiuzhongxindegongchengshimenzhengjinlixunqiuyizhongzuiyouhuaderuankaiguanjishu,jiyongjinliangshaodefuzhuyuanjian,shixiangonglvbandaotiqijiantongshizailingdianyahelingdianliuxiazhuanhuan,zong 合ZVT-PWM變換器和ZCT-PWM變換器的優點,進一步完善零轉換條件。文獻[11]所介紹一種新穎的 ZCZVT-PWM變換器,就能實現主開關管同時在零電壓和零電流下轉換,如圖7所示。以下對其工作過程進行分析。

在分析中,假設與1.2基本相同,並設初始狀態為:主功率開關管S及輔助開關管




可見,該拓撲結構實現了主開關管S同時在零電壓和零電流條件下開通和關斷,輔助開關管

5 總結
零轉換PWM DC-DC變換器是低電壓(電流)應力、高效率的變換器,但傳統的零轉換PWM DC-DC變換器仍存在一些問題。為了解決這些問題,人們提出了許多新的改進拓撲。本文對三種改進的ZVT-PWM變換器、一種改進的ZCT-PWM,以 及一種新穎的ZCZVT-PWM作了詳細介紹和分析。這幾個改進的拓撲都實現了所有開關管的軟通斷,進一步減小了開關損耗,效率大為提高,很值得進一步研 究和完善。
特別推薦
- 噪聲中提取真值!瑞盟科技推出MSA2240電流檢測芯片賦能多元高端測量場景
- 10MHz高頻運行!氮矽科技發布集成驅動GaN芯片,助力電源能效再攀新高
- 失真度僅0.002%!力芯微推出超低內阻、超低失真4PST模擬開關
- 一“芯”雙電!聖邦微電子發布雙輸出電源芯片,簡化AFE與音頻設計
- 一機適配萬端:金升陽推出1200W可編程電源,賦能高端裝備製造
技術文章更多>>
- 算力爆發遇上電源革新,大聯大世平集團攜手晶豐明源線上研討會解鎖應用落地
- 築基AI4S:摩爾線程全功能GPU加速中國生命科學自主生態
- 一秒檢測,成本降至萬分之一,光引科技把幾十萬的台式光譜儀“搬”到了手腕上
- AI服務器電源機櫃Power Rack HVDC MW級測試方案
- 突破工藝邊界,奎芯科技LPDDR5X IP矽驗證通過,速率達9600Mbps
技術白皮書下載更多>>
- 車規與基於V2X的車輛協同主動避撞技術展望
- 數字隔離助力新能源汽車安全隔離的新挑戰
- 汽車模塊拋負載的解決方案
- 車用連接器的安全創新應用
- Melexis Actuators Business Unit
- Position / Current Sensors - Triaxis Hall
熱門搜索




