三個實用方案讓RS-485接口遠離EMI風險
發布時間:2019-05-05 責任編輯:xueqi
【導讀】RS-485接口往往需要工作在惡劣的電磁環境下,還要求實現長距離數據傳輸(可以達到1200米)、高速(可以達到幾十Mbps)。那麼在設計方麵需要注意一些什麼呢?本文主要介紹RS-485的工作模式,以及RS-485可能麵對的EMI電磁幹擾以及對應的解決方案。
詳解RS-485工作原理
以差分傳輸來應對共模幹擾
當RS-485芯片接受到差分電壓大於200mV時,RO腳輸出低電平,而本身DI可以輸出1.5V的差分電壓。因此有足夠的餘量來支持長距離傳輸以及各種環境噪聲的幹擾。

圖1:RS-485芯片工作原理
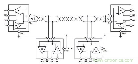
為了消除在通信電纜中的信號反射,一般使用雙絞線來避免幹擾。對於比較長的連接,一般的做法是在RS-485總線的開始和末端都並接終端電阻,因為大多數雙絞線電纜特性阻抗大約在120Ω左右。
RS-485的工作模式
以ADI的ADM3061EARZ為例,半工RS-485連接支持多個接收器和發射器在同一個信號回路上,但是要保證每次隻有一個發射器工作。這個可以通過控製RE(收器使能)、DE(發射器使能引腳)來實現。半工RS-485可以雙向數據傳輸,但是每一個時間節點上隻能一個方向傳輸信號。

圖2:RS-485收發器的工作模式
了解更多RS485收發器信息,請點擊Digi-Key RS485收發器。
RS-485如何連接
為了避免信號反射,在多個RS-485連接時,支路長度(StubLength)越短越好。同時要避免其他類型的連接,比如星型連接。
注:理論上支路長度應該小於1/4波長(傳輸頻率對應的波長),實際應用上越小越好。

圖3:RS-485的正確連接
最大可以接多少個節點由RS-485接收器的輸入阻抗來決定,標準RS-485接收器輸入阻抗大於12K歐姆,最多可以驅動32個負載。輸入電阻越大,驅動的負載越多。比如ADM3061EARZ輸入阻抗48K歐姆,最多可以驅動128個負載。

圖4:RS-485接收器的輸入阻抗和負載數量
RS-485麵臨的EMC電磁幹擾風險
對於RS-485的EMC電磁幹擾需要考慮下麵三種情況的靜電防護:
“靜電”防護ESD:
幹擾成因:靜電引起的幹擾
幹擾路徑:手指觸碰
對應標準:IEC 61000-4-2
典型幹擾波形:接觸放電±8 kV ,ESD脈衝4mJ ,ESD波形(接觸放電8kV)

圖5:靜電幹擾典型幹擾波形
“電快速瞬變脈衝群” 防護EFT
幹擾成因:快速開關引起的幹擾,比如:切斷感性負載、繼電器觸點彈跳等
幹擾路徑:高頻噪聲通過各種路徑耦合到通信端口
對應標準:IEC 61000-4-4
典型幹擾波形:端口電壓2kV,單個EFT脈衝能量4mJ ,EFT 50Ω負載波形2kV

圖6:電快速瞬變脈衝群典型幹擾波形
“浪湧”防護Surge
幹擾成因:開關或雷電瞬變引起的幹擾
幹擾路徑:各種路徑耦合到通信端口
對應標準:IEC 61000-4-5
典型幹擾波形:浪湧脈衝能量可以達到90J,浪湧1.2/50µs波形

圖7:浪湧電壓典型幹擾波形
RS485的EMC電磁幹擾解決方案
TVS管保護
如何連接:TVS管連接需要保護的線路與地,提供過壓保護。
如何工作:當產生大於TVS的擊穿電壓的瞬態電壓時,TVS電阻變小,能量從TVS管流到地(<1 ns)。在瞬態事件後,TVS管自動複位至低阻抗狀態,允許係統恢複正常工作

圖8:TVS保護電路
TVS管非對稱擊穿電壓:RS485芯片需要保障在+12V至–7V的收發器共模範圍。因此對於TVS管的要求也是非對稱擊穿電壓。比如CDSOT23-SM712獨有特性是具有+13.3V和–7.5V的非對稱擊穿電壓。
如果需要了解更多非對稱TVS管信息,請點擊Digi-Key 非對稱TVS管選擇, 可以根據參數選型,選擇「12V(最大), 7V(最小)」項,查找針對RS485設計的TVS管。

圖9:選擇針對RS485設計的TVS
TVS管對於EFT和ESD有著比較好保護。而浪湧的能量平均高出ESD和EFT三到四個數量級, 但是TVS管可能不一定能很好的瓦解浪湧的能量,這時則需要更複雜的保護方案。
瞬態閉鎖單元(TBU)
如何連接:TBU串聯在需要保護的線路中,提供過流保護,與TVS管配合使用。
如何工作:當發生過流,TVS由於瞬態電壓工作在擊穿狀態,TBU阻值變大,電流將升至預設的限流水平。此時,TBU會在不足1µs時間內將受保護電路與浪湧斷開,隻有極小的電流通過受保護電路 (<1mA)。在瞬態事件後,TBU自動複位至低阻抗狀態,允許係統恢複正常工作。典型的TBU,比如Bourns 的TBU-CA065-200-WH。

圖10:TBU保護電路
浪湧抑製專用芯片
一個器件提供的保護往往有限,所以對於高要求的應用,往往需要多種器件聯合使用。
你可以訪問Digi-Key浪湧抑製IC,選擇相關的器件。Digi-Key網站提供豐富的參數選項供選擇,下圖中「外部開關」指的是器件外部需要另加開關(比如MOS管),而該芯片一般是起到控製作用。而「內部開關」指的是保護電路的開關在芯片的內部。

圖11:浪湧抑製專用芯片選型參數
本文小結
盡管已使用多年,RS-485憑借良好的共模噪聲的抗幹擾的能力,適於長距離信號傳輸,仍廣泛應用於工業環境。
來源:得捷電子 作者:Alan Yang
特別推薦
- 噪聲中提取真值!瑞盟科技推出MSA2240電流檢測芯片賦能多元高端測量場景
- 10MHz高頻運行!氮矽科技發布集成驅動GaN芯片,助力電源能效再攀新高
- 失真度僅0.002%!力芯微推出超低內阻、超低失真4PST模擬開關
- 一“芯”雙電!聖邦微電子發布雙輸出電源芯片,簡化AFE與音頻設計
- 一機適配萬端:金升陽推出1200W可編程電源,賦能高端裝備製造
技術文章更多>>
- 築基AI4S:摩爾線程全功能GPU加速中國生命科學自主生態
- 一秒檢測,成本降至萬分之一,光引科技把幾十萬的台式光譜儀“搬”到了手腕上
- AI服務器電源機櫃Power Rack HVDC MW級測試方案
- 突破工藝邊界,奎芯科技LPDDR5X IP矽驗證通過,速率達9600Mbps
- 通過直接、準確、自動測量超低範圍的氯殘留來推動反滲透膜保護
技術白皮書下載更多>>
- 車規與基於V2X的車輛協同主動避撞技術展望
- 數字隔離助力新能源汽車安全隔離的新挑戰
- 汽車模塊拋負載的解決方案
- 車用連接器的安全創新應用
- Melexis Actuators Business Unit
- Position / Current Sensors - Triaxis Hall
熱門搜索



