從抗浪湧思維出發:EMC前級電路如何設計
發布時間:2015-07-24 責任編輯:sherry
【導讀】EMC試驗通常實踐性很強,但如果我們掌握一些基本原理,在設計EMC前qian級ji電dian路lu時shi,將jiang更geng有you方fang向xiang進jin行xing試shi驗yan,從cong而er縮suo短duan項xiang目mu開kai發fa的de時shi間jian。本ben文wen章zhang結jie合he了le一yi個ge簡jian單dan的de實shi例li,從cong浪lang湧yong試shi驗yan的de角jiao度du介jie紹shao了le前qian級ji電dian路lu器qi件jian選xuan型xing和he典dian型xing電dian路lu,在zai以yi後hou的de文wen章zhang中zhong我wo們men將jiang繼ji續xu更geng深shen入ru的de探tan討tao抗kang浪lang湧yong電dian路lu相xiang關guan內nei容rong,並bing從cong其qi他taEMC性能指標的角度來設計EMC前級電路。
一、抗浪湧的電路分析
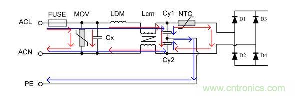
如圖 1所示為小功率電源模塊中常用的EMC前級原理圖,FUSE為保險絲,MOV為壓敏電阻,Cx為X電容,LDM為差模電感,Lcm為共模電感,Cy1和Cy2為Y電容,NTC為熱敏電阻。其中Y電容、共模電感等的主要作用雖然不是為了改善電路的浪湧抗擾度,但它們卻間接地影響了抗浪湧電路的設計。

圖 1 常用EMC前級電路
對ACL與ACN之間施加的浪湧電壓稱為差模浪湧電壓,差模路徑如圖中紅線所示;對ACL(或ACN)與PE之間施加的電壓稱為共模浪湧電壓,共模路徑如圖中藍線所示。
在設計抗浪湧電路前必須先確定相應的“電磁兼容標準”,如IEC/EN 61000-4-5(對應GB/T 17626.5)中規定了浪湧抗擾度要求、試驗方法、試驗等級等。下麵我們將以該標準的規定為基礎來討論抗浪湧電路的設計。
浪湧發生電路在輸出開路時,產生1.2/50μs的浪湧電壓,而在短路時將產生8/20μs的浪湧電流。
發生器的有效輸出阻抗為2Ω,故當開路電壓峰值為XKV時,短路峰值電流為(X/2)KA。
當對ACL(或ACN)和PE之間進行抗浪湧測試時,在耦合電路上又串入了10Ω的電阻,忽略掉串聯耦合電容的影響,則短路峰值電流變為約(X/12)KA。
二、相關器件介紹
1.壓敏電阻
壓敏電阻的選型最重要的幾個參數為:最大允許電壓、最大鉗位電壓、能承受的浪湧電流。
首先應保證壓敏電阻最大允許電壓大於電源輸出電壓的最大值;其次應保證最大鉗位電壓不會超過後級電路所允許的最大浪湧電壓;最後應保證流過壓敏電阻的浪湧電流不會超過其能承受的浪湧電流。
其他參數如額定功率、能承受的最大能量脈衝等,通過簡單驗算或實驗即可確定。
2.Y電容
在進行共模浪湧測試時,若考慮成本等因素,在共模路徑中未加入壓敏電阻或其他用於鉗位電壓的器件時,應保證Y電容耐壓高於測試電壓。
3.輸入整流二極管
假jia設she浪lang湧yong電dian壓ya經jing壓ya敏min電dian阻zu鉗qian位wei後hou,最zui大da鉗qian位wei電dian壓ya大da於yu輸shu入ru整zheng流liu二er極ji管guan能neng承cheng受shou的de最zui大da反fan向xiang電dian壓ya,則ze二er極ji管guan可ke能neng會hui被bei損sun壞huai。因yin此ci應ying選xuan擇ze反fan向xiang耐nai壓ya大da於yu壓ya敏min電dian阻zu最zui大da鉗qian位wei電dian壓ya的de二er極ji管guan作zuo為wei輸shu入ru整zheng流liu二er極ji管guan。
4.共模電感
理論上共模電感僅在共模路徑中起作用,但是因為共模電感兩個繞組並非完全耦合,未耦合部分將在差模路徑中作為差模電感,影響EMC特性。
[page]
三、實例分析
背景:以某型號的電源模塊為例,該模塊是周立功致遠電子為某客戶定製的電源模塊,輸入85VAC~350VAC,且EMC前級電路電路嵌入到模塊中。抗浪湧要求差模電壓3KV,共模電壓6KV。更換更大的保險絲後可承受6KV差模電壓。其前級原理圖及對應實物圖如圖 2所示

圖 2 實例原理圖與實物圖
1.差模浪湧測試
壓敏電阻選型時,首先應使最大允許電壓略大於350V,此電壓等級壓敏電阻最大鉗位電壓為1000V左右(50A測試電流下)。其次在差模路徑上,等效於一個內阻為2Ω、脈衝電壓為6KV的電壓源與壓敏電阻串聯,則峰值電流約為(6KV-1KV)/2Ω=2500A($0.3060)。最終選擇了681KD14作為壓敏電阻。其峰值電流為4500A,最大允許工作電壓385VAC,最大鉗位電壓1120V。
不bu必bi擔dan心xin,因yin為wei共gong模mo電dian感gan中zhong未wei耦ou合he的de部bu分fen,在zai差cha模mo路lu徑jing中zhong作zuo為wei差cha模mo電dian感gan,將jiang分fen得de部bu分fen電dian壓ya,事shi實shi上shang,在zai共gong模mo電dian感gan後hou級ji,電dian路lu已yi得de到dao保bao護hu,經jing試shi驗yan驗yan證zheng,整zheng流liu二er極ji管guan選xuan擇ze常chang用yong的de1N4007($0.0093)即可。
2.共模浪湧測試
當對ACL-PE或ACN-PE測試6KV浪湧時,即共模浪湧試驗,共模路徑等效為一個內阻約為12Ω,脈衝電壓為6KV的電壓源與共模電感、Y電容串聯。因為Y電容選擇Y1等級電容,其耐壓較高,6KV共模浪湧的能量不足以使其損壞,因此僅需保證PE布線與其他布線保持一定間接,即可很容易地通過共模浪湧測試。
但(dan)是(shi),因(yin)為(wei)浪(lang)湧(yong)測(ce)試(shi)時(shi)共(gong)模(mo)電(dian)感(gan)兩(liang)端(duan)將(jiang)產(chan)生(sheng)高(gao)壓(ya),出(chu)現(xian)飛(fei)弧(hu)。若(ruo)與(yu)周(zhou)圍(wei)器(qi)件(jian)間(jian)距(ju)較(jiao)近(jin),可(ke)能(neng)使(shi)周(zhou)圍(wei)器(qi)件(jian)損(sun)壞(huai)。因(yin)此(ci)可(ke)在(zai)其(qi)上(shang)並(bing)聯(lian)一(yi)個(ge)放(fang)電(dian)管(guan)或(huo)壓(ya)敏(min)電(dian)阻(zu)限(xian)製(zhi)其(qi)電(dian)壓(ya),從(cong)而(er)起(qi)到(dao)滅(mie)弧(hu)的(de)作(zuo)用(yong)。如(ru)圖(tu)中(zhong)MOV2所示。
另一種辦法是在PCB設(she)計(ji)時(shi),在(zai)共(gong)模(mo)電(dian)感(gan)兩(liang)端(duan)加(jia)入(ru)放(fang)電(dian)齒(chi),使(shi)得(de)電(dian)感(gan)通(tong)過(guo)兩(liang)放(fang)電(dian)尖(jian)端(duan)放(fang)電(dian),避(bi)免(mian)通(tong)過(guo)其(qi)他(ta)路(lu)徑(jing)放(fang)電(dian),從(cong)而(er)使(shi)得(de)對(dui)周(zhou)圍(wei)和(he)後(hou)級(ji)器(qi)件(jian)的(de)影(ying)響(xiang)減(jian)到(dao)最(zui)小(xiao)。如(ru)圖(tu) 3是廣州致遠電子股份有限公司型號為PA1HBxOD-10W的電力電源模塊PCB在共模電感處加入的放電齒的實物圖。

圖 3 放電齒實物圖
特別推薦
- 噪聲中提取真值!瑞盟科技推出MSA2240電流檢測芯片賦能多元高端測量場景
- 10MHz高頻運行!氮矽科技發布集成驅動GaN芯片,助力電源能效再攀新高
- 失真度僅0.002%!力芯微推出超低內阻、超低失真4PST模擬開關
- 一“芯”雙電!聖邦微電子發布雙輸出電源芯片,簡化AFE與音頻設計
- 一機適配萬端:金升陽推出1200W可編程電源,賦能高端裝備製造
技術文章更多>>
- 貿澤EIT係列新一期,探索AI如何重塑日常科技與用戶體驗
- 算力爆發遇上電源革新,大聯大世平集團攜手晶豐明源線上研討會解鎖應用落地
- 創新不止,創芯不已:第六屆ICDIA創芯展8月南京盛大啟幕!
- AI時代,為什麼存儲基礎設施的可靠性決定數據中心的經濟效益
- 矽典微ONELAB開發係列:為毫米波算法開發者打造的全棧工具鏈
技術白皮書下載更多>>
- 車規與基於V2X的車輛協同主動避撞技術展望
- 數字隔離助力新能源汽車安全隔離的新挑戰
- 汽車模塊拋負載的解決方案
- 車用連接器的安全創新應用
- Melexis Actuators Business Unit
- Position / Current Sensors - Triaxis Hall
熱門搜索





