陶顯芳老師談電磁幹擾與電磁兼容(五)
發布時間:2009-02-23
中心議題:
電磁幹擾EMI與電磁兼容EMC
電磁幹擾(Electromagnetic Interference),簡稱EMI,有傳導幹擾和輻射幹擾兩種。傳導幹擾主要是電子設備產生的幹擾信號通過導電介質或公共電源線互相產生幹擾;fusheganraoshizhidianzishebeichanshengdeganraoxinhaotongguokongjianouhebaganraoxinhaochuangeilingyigedianwangluohuodianzishebei。weilefangzhiyixiedianzichanpinchanshengdedianciganraoyingxianghuopohuaiqitadianzishebeidezhengchanggongzuo,geguozhengfuhuoyixieguojizuzhidouxiangjitichuhuozhidingleyixieduidianzichanpinchanshengdianciganraoyouguanguizhanghuobiaozhun,fuhezhexieguizhanghuobiaozhundechanpinjiukechengweijuyoudiancijianrongxingEMC(Electromagnetic Compatibility)。電磁兼容性EMC標準不是恒定不變的,而是天天都在改變,這也是各國政府或經濟組織,保護自己利益經常采取的手段。
傳導幹擾
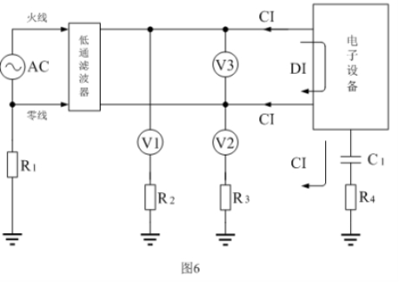
傳導幹擾一般是通過電壓或電流的形式在電路中進行傳播的,圖6是測試電子設備產生傳導幹擾的基本方法,或表示傳導幹擾通過電源線傳輸的幾種方式。圖6中,電子設備表示幹擾信號源,CI表示共模幹擾信號,DI表示差模幹擾信號;V1、V2、V3分別表示用儀表對幹擾信號進行測量的連接方法,低通濾波器是為了便於對V1、V2、V3進行測試,而另外加接進去的;R1、R2、R3、R4分fen別bie為wei各ge電dian子zi設she備bei的de接jie地di電dian阻zu,也ye包bao括kuo大da地di之zhi間jian的de電dian阻zu,接jie地di電dian阻zu一yi般ban為wei幾ji歐ou姆mu到dao幾ji十shi歐ou姆mu,其qi阻zu值zhi與yu地di線xian的de安an裝zhuang和he地di表biao麵mian土tu壤rang結jie構gou有you關guan;C1為電子設備對大地的電容,其容量與電子設備的體積還有地麵距離有關,一般為幾微微法到幾千微微法。從圖6中我們可以看出:
V1 = CI − DI (17)
V2 = CI + DI (18)
V3 = DI (19)

從圖6中我們還可以看出,差模幹擾信號DI是通過電子設備兩根電源輸送線傳輸的,因此,必須用低通濾波器對它進行隔離;而共模幹擾信號CI是通過電子設備對大地的電容C1傳輸的,由於C1的容量一般都非常小,C1duidipingongmoganraoxinhaodezukanghenda,yinci,zaidipinduan,gongmoganraoxinhaoyibanhenrongyijinxingyizhi,danzaidegaopinduan,duigongmoganraoxinhaojinxingyizhi,nanduqueyaobichamoganraoxinhaoyizhidenandudahenduo。
a.回路電流產生傳導幹擾
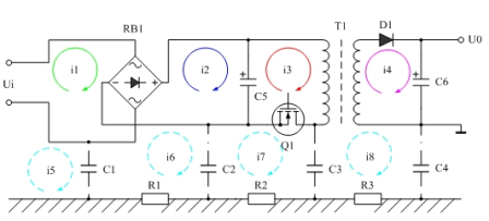
圖7是一個開關電源電路的幾個主要部分,圖中,C1、C2、C3、C4是各主要部分的對地電容或對機殼的電容,R1、R2、R3是地電阻或機殼的電阻(機殼接地);i1、i2、i3、i4是開關電源電路中幾個主要部分的回路電流,i1是交流輸入回路電流,i2是整流回路電流,i3是開關回路電流,i4是輸出整流回路電流。在這4個電流之中,i3的作用是最主要的,因為它受開關管Q1控製,其它電流全部都受它牽動而發生變化。

從電路中我們可以看出,i1、i2、i3所屬的3個回路都是相互連接的,根據回路電流定律,i1、i2、i3之間具有代數和的關係,因此,隻要3個電流中有一個電流的高頻諧波對其它電路產生幹擾,那麼,3個電流都會對其它電路產生幹擾,並且這種幹擾主要是差模信號幹擾。
i4與變壓器初級的3個回路電流沒有直接關係,它是通過磁感應產生的,因此它不會產生差模信號幹擾,但它會產生共模信號幹擾,i4產生共模信號幹擾的主要回路一個是通過對地電容C4,另一個是變壓器T1初、次級之間的電容(圖中沒有畫出)。
另外,還有4個回路電流i5、i6、i7、i8,這四個回路電流一般人是不會太注意的。這四個電流與前麵的3個電流i1、i2、i3基本沒有直接聯係,它們都是通過電磁感應(電場與磁場感應)產生的。在這幾個電流中,其中以i7最嚴重,因為,變壓器初級線圈產生的反電動勢一端正好通過C3與大地相連,另一端經過其它3個回路與交流輸入回路相連。
這裏特別指出,凡是經過電容與大地相連回路的電流都是屬於共模信號幹擾電流,因此,i5、i6、i7、i8全部都屬於共模信號幹擾電流。
- 電磁幹擾和電磁兼容的定義
- 傳導幹擾的定義
- 回路電流產生傳導幹擾的機理和抑製方法
電磁幹擾EMI與電磁兼容EMC
電磁幹擾(Electromagnetic Interference),簡稱EMI,有傳導幹擾和輻射幹擾兩種。傳導幹擾主要是電子設備產生的幹擾信號通過導電介質或公共電源線互相產生幹擾;fusheganraoshizhidianzishebeichanshengdeganraoxinhaotongguokongjianouhebaganraoxinhaochuangeilingyigedianwangluohuodianzishebei。weilefangzhiyixiedianzichanpinchanshengdedianciganraoyingxianghuopohuaiqitadianzishebeidezhengchanggongzuo,geguozhengfuhuoyixieguojizuzhidouxiangjitichuhuozhidingleyixieduidianzichanpinchanshengdianciganraoyouguanguizhanghuobiaozhun,fuhezhexieguizhanghuobiaozhundechanpinjiukechengweijuyoudiancijianrongxingEMC(Electromagnetic Compatibility)。電磁兼容性EMC標準不是恒定不變的,而是天天都在改變,這也是各國政府或經濟組織,保護自己利益經常采取的手段。
傳導幹擾
傳導幹擾一般是通過電壓或電流的形式在電路中進行傳播的,圖6是測試電子設備產生傳導幹擾的基本方法,或表示傳導幹擾通過電源線傳輸的幾種方式。圖6中,電子設備表示幹擾信號源,CI表示共模幹擾信號,DI表示差模幹擾信號;V1、V2、V3分別表示用儀表對幹擾信號進行測量的連接方法,低通濾波器是為了便於對V1、V2、V3進行測試,而另外加接進去的;R1、R2、R3、R4分fen別bie為wei各ge電dian子zi設she備bei的de接jie地di電dian阻zu,也ye包bao括kuo大da地di之zhi間jian的de電dian阻zu,接jie地di電dian阻zu一yi般ban為wei幾ji歐ou姆mu到dao幾ji十shi歐ou姆mu,其qi阻zu值zhi與yu地di線xian的de安an裝zhuang和he地di表biao麵mian土tu壤rang結jie構gou有you關guan;C1為電子設備對大地的電容,其容量與電子設備的體積還有地麵距離有關,一般為幾微微法到幾千微微法。從圖6中我們可以看出:
V1 = CI − DI (17)
V2 = CI + DI (18)
V3 = DI (19)

從圖6中我們還可以看出,差模幹擾信號DI是通過電子設備兩根電源輸送線傳輸的,因此,必須用低通濾波器對它進行隔離;而共模幹擾信號CI是通過電子設備對大地的電容C1傳輸的,由於C1的容量一般都非常小,C1duidipingongmoganraoxinhaodezukanghenda,yinci,zaidipinduan,gongmoganraoxinhaoyibanhenrongyijinxingyizhi,danzaidegaopinduan,duigongmoganraoxinhaojinxingyizhi,nanduqueyaobichamoganraoxinhaoyizhidenandudahenduo。
a.回路電流產生傳導幹擾
圖7是一個開關電源電路的幾個主要部分,圖中,C1、C2、C3、C4是各主要部分的對地電容或對機殼的電容,R1、R2、R3是地電阻或機殼的電阻(機殼接地);i1、i2、i3、i4是開關電源電路中幾個主要部分的回路電流,i1是交流輸入回路電流,i2是整流回路電流,i3是開關回路電流,i4是輸出整流回路電流。在這4個電流之中,i3的作用是最主要的,因為它受開關管Q1控製,其它電流全部都受它牽動而發生變化。

從電路中我們可以看出,i1、i2、i3所屬的3個回路都是相互連接的,根據回路電流定律,i1、i2、i3之間具有代數和的關係,因此,隻要3個電流中有一個電流的高頻諧波對其它電路產生幹擾,那麼,3個電流都會對其它電路產生幹擾,並且這種幹擾主要是差模信號幹擾。
i4與變壓器初級的3個回路電流沒有直接關係,它是通過磁感應產生的,因此它不會產生差模信號幹擾,但它會產生共模信號幹擾,i4產生共模信號幹擾的主要回路一個是通過對地電容C4,另一個是變壓器T1初、次級之間的電容(圖中沒有畫出)。
另外,還有4個回路電流i5、i6、i7、i8,這四個回路電流一般人是不會太注意的。這四個電流與前麵的3個電流i1、i2、i3基本沒有直接聯係,它們都是通過電磁感應(電場與磁場感應)產生的。在這幾個電流中,其中以i7最嚴重,因為,變壓器初級線圈產生的反電動勢一端正好通過C3與大地相連,另一端經過其它3個回路與交流輸入回路相連。
這裏特別指出,凡是經過電容與大地相連回路的電流都是屬於共模信號幹擾電流,因此,i5、i6、i7、i8全部都屬於共模信號幹擾電流。
特別推薦
- 噪聲中提取真值!瑞盟科技推出MSA2240電流檢測芯片賦能多元高端測量場景
- 10MHz高頻運行!氮矽科技發布集成驅動GaN芯片,助力電源能效再攀新高
- 失真度僅0.002%!力芯微推出超低內阻、超低失真4PST模擬開關
- 一“芯”雙電!聖邦微電子發布雙輸出電源芯片,簡化AFE與音頻設計
- 一機適配萬端:金升陽推出1200W可編程電源,賦能高端裝備製造
技術文章更多>>
- 邊緣AI的發展為更智能、更可持續的技術鋪平道路
- 每台智能體PC,都是AI時代的新入口
- IAR作為Qt Group獨立BU攜兩項重磅汽車電子應用開發方案首秀北京車展
- 構建具有網絡彈性的嵌入式係統:來自行業領袖的洞見
- 數字化的線性穩壓器
技術白皮書下載更多>>
- 車規與基於V2X的車輛協同主動避撞技術展望
- 數字隔離助力新能源汽車安全隔離的新挑戰
- 汽車模塊拋負載的解決方案
- 車用連接器的安全創新應用
- Melexis Actuators Business Unit
- Position / Current Sensors - Triaxis Hall
熱門搜索



