低成本變頻技術賦能洗碗機 BLDC電機能效提升30%的解決方案
發布時間:2025-03-25 來源:我愛方案網 責任編輯:lina
【導讀】隨著人們生活水平的提高,大型工商企業、事業單位及學校對大型商業廚具洗滌設備需求日趨增長。而傳統大型廚具洗滌設備也在工業4.0的浪潮中不斷更新換代,新一代洗碗機已經實現了高度自動化,可以通過傳感器和控製係統實現自動進水、洗滌、漂洗、烘幹等功能,不僅提高了生產效率,也降低了人為錯誤和交叉汙染的風險。快報分析師推薦基於低成本MCU開發的變頻洗碗機方案案例及其主控IC選型,極大降低BOM成本,方便工程師快速導入設計應用方案。
摘要
隨著人們生活水平的提高,大型工商企業、事業單位及學校對大型商業廚具洗滌設備需求日趨增長。而傳統大型廚具洗滌設備也在工業4.0的浪潮中不斷更新換代,新一代洗碗機已經實現了高度自動化,可以通過傳感器和控製係統實現自動進水、洗滌、漂洗、烘幹等功能,不僅提高了生產效率,也降低了人為錯誤和交叉汙染的風險。快報分析師推薦基於低成本MCU開發的變頻洗碗機方案案例及其主控IC選型,極大降低BOM成本,方便工程師快速導入設計應用方案。
掃碼可申請免費樣片以及獲取產品技術規格書

HC32L130變頻洗碗機方案

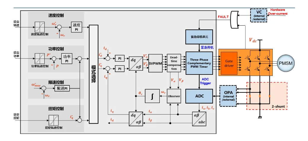
該方案采用無感FOC控製算法,支持恒轉速、恒轉矩、恒功率、恒風量等多種控製模式,可實現多種工況下正常工作;支持主控麵板和電機控製板之間的雙向通信,可快速完成整機方案切換;支持使用電阻分壓方式進行電流采樣,極大降低BOM成本;支持過欠壓、堵轉、缺相、過流等完善的故障保護。
方案特點
• 無感FOC控製係統,電流THD小,轉矩平穩,噪音低,觀測器響應快,參數敏感性低(最大允許20%的參數偏差)
• 支持順風、逆風、靜止啟動,啟動轉速範圍大,逆風啟動無過壓、無過流,啟動時間短
• 過流保護、過欠壓保護、堵轉保護等軟硬件保護
• 恒轉速、恒轉矩、恒功率、恒風量等多種控製模式
• 支持主控麵板和電機控製板之間的雙向通信,可快速完成整機方案切換
• 豐富的控製函數庫,快速實現客製化應用
基於GD32F330係列MCU開發的變頻洗碗機方案

該方案選用業界先進的SMO+PLL無位置傳感器變頻控製技術,該技術具有啟動轉矩大,100%qidongchenggonglv,ziyoutiaosu,xiaolvgao,kongzhijingdugao,wanshandebaohugongneng。youyuxiwanjishuibenggongzuozaigaowengaoshidegongkuangxia,suoyiyaoqiukongzhiqichuleyingjianjuyouwenduguowenbaohugongneng,tongshiruanjiansuanfayexuyaoduikongzhicanshujinxingwendubuchang,zaibaozhengkongzhiqianquankekaodegongzuoqingkuangxia,baozhengshuibengnenggougongzuozaizuidasuduhuozhezuidashuchugonglv,yitigaochanpindexijingdu。
方案特點
輸出功率:50W~100W
控製方式:FOC正弦控製
啟動方式:無傳感器
控製算法:SMO
調製方式:SVPWM
電流采樣方式:雙電阻采樣
調製頻率:20KHz
電機轉速:3200RPM @ 3極對
噴水量:30L/MIN
保護功能:堵轉、過流、欠壓、過壓、過溫保護等
工業級器件(-40~85攝氏度)
主要特點:啟動迅速可靠,效率高、噪聲低
掃碼可申請免費樣片以及獲取產品技術規格書

免責聲明:本文為轉載文章,轉載此文目的在於傳遞更多信息,版權歸原作者所有。本文所用視頻、圖片、文字如涉及作品版權問題,請聯係小編進行處理。
推薦閱讀:
- 噪聲中提取真值!瑞盟科技推出MSA2240電流檢測芯片賦能多元高端測量場景
- 10MHz高頻運行!氮矽科技發布集成驅動GaN芯片,助力電源能效再攀新高
- 失真度僅0.002%!力芯微推出超低內阻、超低失真4PST模擬開關
- 一“芯”雙電!聖邦微電子發布雙輸出電源芯片,簡化AFE與音頻設計
- 一機適配萬端:金升陽推出1200W可編程電源,賦能高端裝備製造
- 築基AI4S:摩爾線程全功能GPU加速中國生命科學自主生態
- 一秒檢測,成本降至萬分之一,光引科技把幾十萬的台式光譜儀“搬”到了手腕上
- AI服務器電源機櫃Power Rack HVDC MW級測試方案
- 突破工藝邊界,奎芯科技LPDDR5X IP矽驗證通過,速率達9600Mbps
- 通過直接、準確、自動測量超低範圍的氯殘留來推動反滲透膜保護
- 車規與基於V2X的車輛協同主動避撞技術展望
- 數字隔離助力新能源汽車安全隔離的新挑戰
- 汽車模塊拋負載的解決方案
- 車用連接器的安全創新應用
- Melexis Actuators Business Unit
- Position / Current Sensors - Triaxis Hall





