使用IO-Link收發器管理數據鏈路如何簡化微控製器選擇
發布時間:2025-01-07 責任編輯:lina
【導讀】在IO-Link應用中,收發器充當運行數據鏈路層協議(堆棧)的微控製器和24 V IO-Link信號線路之間的物理層接口。IO-Link通信涉及多種類型的傳輸,包括過程數據、值狀態、從站數據和事件。這樣一來,如果發生錯誤,便能快速識別、跟蹤和處理工業從站,幫助減少停機時間。IO-Link支持遠程配置;例如,如果需要調整觸發過程警報的閾值,可以通過IO-Link連接將更新的閾值發送到從站,以此方式進行調整,無需技術人員前往現場操作。
“一次做兩件事等於一無所成”—雖然拉丁文作家普布裏烏斯·西(xi)魯(lu)斯(si)對(dui)多(duo)任(ren)務(wu)處(chu)理(li)的(de)看(kan)法(fa)可(ke)能(neng)有(you)些(xie)極(ji)端(duan),但(dan)有(you)時(shi)候(hou),多(duo)任(ren)務(wu)處(chu)理(li)可(ke)能(neng)會(hui)導(dao)致(zhi)任(ren)務(wu)無(wu)法(fa)按(an)最(zui)初(chu)預(yu)期(qi)的(de)方(fang)式(shi)完(wan)成(cheng),或(huo)無(wu)法(fa)按(an)時(shi)完(wan)成(cheng)。隨(sui)著(zhe)工(gong)業(ye)過(guo)程(cheng)日(ri)益(yi)複(fu)雜(za)化(hua),傳(chuan)感(gan)器(qi)和(he)執(zhi)行(xing)器(qi)等(deng)現(xian)場(chang)儀(yi)器(qi) 已yi發fa展zhan為wei同tong時shi執zhi行xing多duo項xiang不bu同tong的de任ren務wu,包bao括kuo與yu過guo程cheng控kong製zhi器qi保bao持chi定ding期qi通tong信xin。這zhe給gei從cong站zhan微wei控kong製zhi器qi帶dai來lai了le額e外wai的de開kai銷xiao,必bi須xu妥tuo善shan管guan理li從cong站zhan微wei控kong製zhi器qi,否fou則ze過guo程cheng數shu據ju可ke能neng會hui丟diu失shi,從cong而er導dao致zhi生sheng產chan停ting機ji,現xian代dai工gong業ye通tong信xin協xie議yi應ying減jian少shao這zhe種zhong情qing況kuang的de發fa生sheng。
IO-Link時序
IO-Link是24 V、3線工業通信標準,支持工業從站和IO-Link主站之間的點對點通信,進而與更高級別的過程控製網絡進行通信。
圖1. IO-Link主站/從站通信接口。
在IO-Link應用中,收發器充當運行數據鏈路層協議(堆棧)的微控製器和24 V IO-Link信號線路之間的物理層接口。IO-Link通信涉及多種類型的傳輸,包括過程數據、值狀態、從站數據和事件。這樣一來,如果發生錯誤,便能快速識別、跟蹤和處理工業從站,幫助減少停機時間。IO-Link支持遠程配置;例如,如果需要調整觸發過程警報的閾值,可以通過IO-Link連接將更新的閾值發送到從站,以此方式進行調整,無需技術人員前往現場操作。
IO-Link主站端口和從站之間的通信受到多個時序的限製,並按照名為M序列時間的固定時間表進行。M序列消息包括從IO-Link主站發送到從站的命令或請求,以及來自從站的回複消息。圖2所示為M序列中的時序參數,其中包括IO-Link主站端口和從站消息之間的消息。從站必須在從站響應時間 tA內響應主站,該時間範圍為1 Tbit至10 Tbit(Tbit = 位時間)。對於COM3波特率, tA 應介於4.3 µs和43 µs之間。如果響應時間超出此範圍,則會發生通信故障。
圖2. IO-Link通信中的M序列時序。
如果未能準時
IO-link從站微控製器需要同時執行多項任務,因此可能難以在為 tA指定的可接受時間窗口內響應請求。在執行微控製器不能中斷的任務時尤其如此,此類型任務通常被稱為不可屏蔽中斷(NMI)。如果從站微控製器在指定時間窗口內未做出響應,則通信中斷,必須重新啟動。
例如,對於超聲波測距傳感器,微控製器需要執行的一些任務包括:
發送超聲波突發脈衝
處理上一次突發脈衝中的固有線路,然後計算距離
測量環境溫度以補償聲速
管理傳感器後台任務(例如電源管理)
回複IO-Link周期性請求
回複IO-Link非周期性請求
由(you)於(yu)要(yao)連(lian)續(xu)處(chu)理(li)數(shu)據(ju)樣(yang)本(ben),微(wei)控(kong)製(zhi)器(qi)幾(ji)乎(hu)沒(mei)有(you)時(shi)間(jian)管(guan)理(li)數(shu)據(ju)鏈(lian)路(lu)層(ceng)通(tong)信(xin)任(ren)務(wu),這(zhe)導(dao)致(zhi)從(cong)站(zhan)響(xiang)應(ying)時(shi)間(jian)顯(xian)著(zhu)變(bian)化(hua)。在(zai)極(ji)端(duan)情(qing)況(kuang)下(xia),還(hai)可(ke)能(neng)無(wu)法(fa)滿(man)足(zu) tA的時序要求。
僅使用速度更快、功能更多的微控製器無法解決NMI引起的時序問題。解決此時序問題的一個典型解決方案是使用第二個微控製器來管理IO-Link堆棧,從而在IO-Link從站和IO-Link主站之間保持更穩定的響應時間間隔。然而,該方法的效率極低,因為其功耗更高且需要更大的PCB,因此需要更大的傳感器外殼。
管理數據鏈路
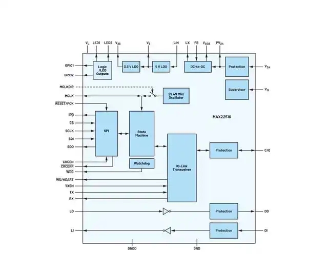
一個更好的替代方案是使用收發器來管理通信路徑中的數據鏈 路和物理層。MAX22516 IO-Link狀態機(圖3)集成了IO-Link從站收發器中常見的所有功能,包括24 V C/Q、集成降壓型DC-DC轉換器以及5 V和3.3 V線性穩壓器。
圖3. 帶收發器和集成DC-DC轉換器的MAX22516 IO-Link狀態機
該設備是第一個包含全功能狀態機的收發器,可全麵管理IO-Link數據通信的時序。它能夠自動處理與IO-Link主站的通信,以處理配置和維護請求等,並能夠使用微控製器寫入寄存器和FIFO的de數shu據ju來lai處chu理li數shu據ju傳chuan輸shu。使shi用yong該gai收shou發fa器qi的de一yi個ge主zhu要yao好hao處chu是shi,在zai為wei傳chuan感gan器qi選xuan擇ze微wei控kong製zhi器qi時shi,它ta提ti供gong了le更geng多duo的de選xuan擇ze,因yin為wei從cong站zhan微wei控kong製zhi器qi不bu需xu要yao管guan理li與yuIO-Link主站通信的任務。
MAX22516監控來自IO-Link主站的傳入消息。收到完整的索引服務數據單元(ISDU)配置或維護請求後,該收發器自動向IO-Link主站發送ISDU BUSY消息,並通知從站微控製器通信已成功完成。如果時間允許,微控製器可將按需數據加載到ISDU FIFO中,這項任務通常需要多個周期才能完成。收發器使用輸入過程數據(PDIn)和輸出過程數據(PDOut) FIFO中的數據來管理PDIn和PDOut,允許微控製器將數據寫入PDIn FIFO並從PDOut FIFO讀取,不受任何時間限製。集成緩衝區確保FIFO中的數據在處理前不會丟失或被覆蓋。
圖4展示了與使用單一微控製器的應用相比,使用該收發器如何顯著減少從站響應IO-Link主站所需的時間。從站響應時間縮短超過50%,同時變化幅度也從12 µs大幅降至0.25 µs。
圖4. 比較使用單一微控製器(左)和MAX22516(右)管理IO-Link通信的應用的響應時間。
MAXREFDES281 IO-Link從站參考設計(圖5)采用MAX22516,可用於驗 證不同類型IO-Link傳感器的時序性能。
圖5. MAXREFDES281 IO-Link從站參考設計。
結論
微控製器需要同時管理多項任務,這意味著它們有時難以滿足IO-Link數據通信的時序規範。一些設備製造商使用第二個微控製器來管理IO-Link堆棧,但該方法令人難以接受。現在不再需要該雙微控製器方法,因為MAX22516 IO-Link收發器集成了一個可以管理所有IO-Link通信的狀態機,讓主要從站微控製器能夠執行其他時間關鍵型任務。
文章來源:亞德諾半導體
免責聲明:本文為轉載文章,轉載此文目的在於傳遞更多信息,版權歸原作者所有。本文所用視頻、圖片、文字如涉及作品版權問題,請聯係小編進行處理。
推薦閱讀:
- 噪聲中提取真值!瑞盟科技推出MSA2240電流檢測芯片賦能多元高端測量場景
- 10MHz高頻運行!氮矽科技發布集成驅動GaN芯片,助力電源能效再攀新高
- 失真度僅0.002%!力芯微推出超低內阻、超低失真4PST模擬開關
- 一“芯”雙電!聖邦微電子發布雙輸出電源芯片,簡化AFE與音頻設計
- 一機適配萬端:金升陽推出1200W可編程電源,賦能高端裝備製造
- 築基AI4S:摩爾線程全功能GPU加速中國生命科學自主生態
- 一秒檢測,成本降至萬分之一,光引科技把幾十萬的台式光譜儀“搬”到了手腕上
- AI服務器電源機櫃Power Rack HVDC MW級測試方案
- 突破工藝邊界,奎芯科技LPDDR5X IP矽驗證通過,速率達9600Mbps
- 通過直接、準確、自動測量超低範圍的氯殘留來推動反滲透膜保護
- 車規與基於V2X的車輛協同主動避撞技術展望
- 數字隔離助力新能源汽車安全隔離的新挑戰
- 汽車模塊拋負載的解決方案
- 車用連接器的安全創新應用
- Melexis Actuators Business Unit
- Position / Current Sensors - Triaxis Hall



