精密低功耗信號鏈:具有可配置性的獨特交流耦合解決方案
發布時間:2023-07-03 來源:作者:Antonius 責任編輯:lina
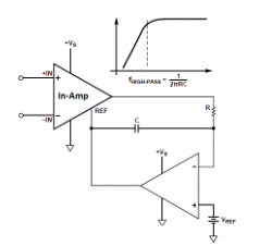
【導讀】在zai上shang一yi博bo客ke文wen章zhang中zhong,我wo們men討tao論lun了le在zai存cun在zai大da得de多duo的de直zhi流liu偏pian移yi和he低di頻pin幹gan擾rao的de情qing況kuang下xia測ce量liang小xiao信xin號hao時shi,交jiao流liu和he直zhi流liu耦ou合he信xin號hao鏈lian之zhi間jian的de權quan衡heng。我wo們men還hai表biao明ming,高gao通tong濾lv波bo器qi在zai交jiao流liu耦ou合he信xin號hao鏈lian中zhong的de位wei置zhi很hen重zhong要yao,會hui影ying響xiangCMRR、輸入阻抗和前端可應用的增益量等性能指標。實現高通濾波器功能的另一種有趣方法如下圖1所示。積分器電路檢測儀表放大器的輸出,並將基準引腳驅動至所需的任何位置,以保持儀表放大器輸出直流偏置在V。裁判.通過反饋輸出的低通濾波版本並進行反相處理,實現了高通濾波器傳遞函數。
在zai上shang一yi博bo客ke文wen章zhang中zhong,我wo們men討tao論lun了le在zai存cun在zai大da得de多duo的de直zhi流liu偏pian移yi和he低di頻pin幹gan擾rao的de情qing況kuang下xia測ce量liang小xiao信xin號hao時shi,交jiao流liu和he直zhi流liu耦ou合he信xin號hao鏈lian之zhi間jian的de權quan衡heng。我wo們men還hai表biao明ming,高gao通tong濾lv波bo器qi在zai交jiao流liu耦ou合he信xin號hao鏈lian中zhong的de位wei置zhi很hen重zhong要yao,會hui影ying響xiangCMRR、輸入阻抗和前端可應用的增益量等性能指標。實現高通濾波器功能的另一種有趣方法如下圖1所示。積分器電路檢測儀表放大器的輸出,並將基準引腳驅動至所需的任何位置,以保持儀表放大器輸出直流偏置在V。裁判.通過反饋輸出的低通濾波版本並進行反相處理,實現了高通濾波器傳遞函數。

圖 1 – 使用積分器反饋環路實現的高通濾波器
改進的變體
圖1所示電路的一個不幸結果是,對於大多數傳統儀表放大器架構(2或3 op-amp),失調消除發生在施加增益後,因此增益仍受電源電壓和失調大小的限製,以防止內部節點飽和。圖2顯示了采用間接電流反饋架構的變體,該架構可在增益[1]之前進行失調校正,是AD8233模擬前端設計的核心。這允許在低電源電壓 (100.300-1.7V) 下實現高增益 (3x) 和更高的失調校正(+/-5mV)。通過在AD8233上增加一個增益/低通濾波器級,所有信號調理都可以通過單個低功耗IC (50uA)周圍的外部無源器件完成。AD8233具有基準電壓緩衝器、右腿驅動、導聯脫落檢測、關斷和快速恢複等特性,為電池供電的生物電勢應用提供了完整的解決方案(見下文圖3)。

圖 3 – AD8233,帶 2 個極點高通和低通濾波器以及額外增益
不同過濾器配置的靈活性
由於無源元件放置在AD8233外部,因此有多種配置可用於設置高通和低通截止頻率、每種極點數以及可根據目標應用定製的額外增益。圖4和圖5分別顯示了AD8233在頻域和時域中的不同ECG配置。您可以看到,對於運動帶寬,應用了一個具有高增益的非常窄的帶通濾波器,並產生了失真的信號。這適用於心率監測器,因為 QRS 複合體中的頻率含量更高。對於更寬的監控和診斷帶寬,增益受到限製,以避免帶內幹擾源飽和。

圖5 – 三種AD8233 ECG配置的時域信息
也可以為肌電圖或腦電圖實現不同的濾波器/增益配置。圖6顯示了不同類型的EEG信號及其相應的帶寬。值得注意的是,高通濾波器還可以幫助濾除1/F噪聲。專用的AD8233濾波器設計工具可幫助優化帶通濾波器。

圖 6 – EEG 信號類型和帶寬 [2]
快速還原概述
ninshifouzengjingshiyongguoyijianjianshenqicai,shituceliangnindexinlv,ranhoudengdailingrenjusangdehenchangshijiancainengchuxiangaishuzi?zhekenengshiyouyujiaoliuouhedailaidefeichangmandeshijianchangshu。duiyushangdian、快速步進或初始電極連接等事件,大電容器需要一些時間充電。快速恢複電路可加快充電速度,可以手動(按需)或自動完成。AD8233通過檢測事件並聯切換較小的片內電阻和較大的外部電阻來自動實現此目的,從而在預定時間內有效降低高通濾波器的時間常數。圖7顯示了使用快速恢複對電極的改進,該電極在三秒鍾後被移除並重新連接。

圖7 – 啟用和未啟用快速恢複的AD8233的ECG建立比較
ADC呢?
正如我們在上個月的博客中所展示的,交流耦合降低了ADC的分辨率要求。如果成本和電路板麵積是一個問題,則可以選擇將AD8233直接運行到帶有嵌入式ADC的微控製器。如果電極/通道數和布線很重要,AD4695是一款易於驅動的16通道、16位SAR ADC,可用於多路複用多達32個電極輸入。這是通過在每對電極附近定位一個AD8233並將其單端輸出路由到多路複用ADC來實現的,這比長距離布線多個電極更可取。參見下麵圖8中的信號鏈示例。

圖 8 – 高電極數的多通道信號鏈示例
作者:Antonius
免責聲明:本文為轉載文章,轉載此文目的在於傳遞更多信息,版權歸原作者所有。本文所用視頻、圖片、文字如涉及作品版權問題,請聯係小編進行處理。
推薦閱讀:
- 噪聲中提取真值!瑞盟科技推出MSA2240電流檢測芯片賦能多元高端測量場景
- 10MHz高頻運行!氮矽科技發布集成驅動GaN芯片,助力電源能效再攀新高
- 失真度僅0.002%!力芯微推出超低內阻、超低失真4PST模擬開關
- 一“芯”雙電!聖邦微電子發布雙輸出電源芯片,簡化AFE與音頻設計
- 一機適配萬端:金升陽推出1200W可編程電源,賦能高端裝備製造
- 1200餘家企業齊聚深圳,CITE2026打造電子信息產業創新盛宴
- 掌握 Gemini 3.1 Pro 參數調優的藝術
- 築牢安全防線:電池擠壓試驗機如何為新能源產業護航?
- Grok 4.1 API 實戰:構建 X 平台實時輿情監控 Agent
- 電源芯片國產化新選擇:MUN3CAD03-SF助力物聯網終端“芯”升級
- 車規與基於V2X的車輛協同主動避撞技術展望
- 數字隔離助力新能源汽車安全隔離的新挑戰
- 汽車模塊拋負載的解決方案
- 車用連接器的安全創新應用
- Melexis Actuators Business Unit
- Position / Current Sensors - Triaxis Hall




