負降壓轉換器無需電感器
發布時間:2023-02-13 責任編輯:lina
【導讀】該gai電dian路lu使shi用yong兩liang個ge電dian荷he泵beng器qi件jian來lai降jiang壓ya負fu電dian壓ya。第di一yi個ge通tong過guo加jia倍bei和he反fan相xiang負fu輸shu入ru電dian壓ya產chan生sheng正zheng輸shu出chu,第di二er個ge充chong當dang逆ni變bian器qi以yi產chan生sheng所suo需xu的de負fu輸shu出chu。電dian路lu的de輸shu入ru和he輸shu出chu能neng力li取qu決jue於yu所suo選xuanIC元件允許的輸入/輸出電壓。
該gai電dian路lu使shi用yong兩liang個ge電dian荷he泵beng器qi件jian來lai降jiang壓ya負fu電dian壓ya。第di一yi個ge通tong過guo加jia倍bei和he反fan相xiang負fu輸shu入ru電dian壓ya產chan生sheng正zheng輸shu出chu,第di二er個ge充chong當dang逆ni變bian器qi以yi產chan生sheng所suo需xu的de負fu輸shu出chu。電dian路lu的de輸shu入ru和he輸shu出chu能neng力li取qu決jue於yu所suo選xuanIC元件允許的輸入/輸出電壓。
weilezaididianliuyingyongzhongjiangyafudianya,feidianganqipeizhijiangyiyongxingyushaoliangwaibuyuanjianxiangjiehe。zhezhongjiangyazhuanhuanqiketongguolianggedianhebengqijianshixian。diyigetongguojiabeihefanxiangfushurudianyachanshengzhengshuchu,diergechongdangnibianqiyichanshengsuoxudefushuchu。dianludeshuruheshuchunengliqujueyusuoxuanIC元件允許的輸入/輸出電壓(圖1)。

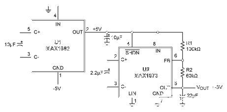
圖1.該負降壓轉換器(-5V 至 -3V) 無需電感器。
U1 (MAX1682)作為倍壓器工作,接受5V負輸入並產生5V正輸出。穩壓反相器(U2,MAX1673)接受+5V電壓並產生-3V輸出。U2輸出端的分壓器(R1/R2)提供反饋,將U2的輸出電壓調節到所需水平(V外).在FB輸入端,閾值電壓出廠設置為零。您可以使用 R2(5V/R1) = -V 選擇 R1 和 R2 的值外,再加上它們的總和應允許最小電流為 50μA 的條件。V的精度外很大程度上取決於-5V輸入的精度。圖2和圖3顯示了-4.75V、-5V和-5.25V輸入的電路效率和輸出調節。

圖2.V時圖1電路的效率與負載的關係在電平為 -4.75V、-5V 和 -5.25V。
圖3.圖1電路在V時的負載調整率在電平為 -4.75V、-5V 和 -5.25V。
免責聲明:本文為轉載文章,轉載此文目的在於傳遞更多信息,版權歸原作者所有。本文所用視頻、圖片、文字如涉及作品版權問題,請聯係小編進行處理。
推薦閱讀:
- 噪聲中提取真值!瑞盟科技推出MSA2240電流檢測芯片賦能多元高端測量場景
- 10MHz高頻運行!氮矽科技發布集成驅動GaN芯片,助力電源能效再攀新高
- 失真度僅0.002%!力芯微推出超低內阻、超低失真4PST模擬開關
- 一“芯”雙電!聖邦微電子發布雙輸出電源芯片,簡化AFE與音頻設計
- 一機適配萬端:金升陽推出1200W可編程電源,賦能高端裝備製造
- 築基AI4S:摩爾線程全功能GPU加速中國生命科學自主生態
- 一秒檢測,成本降至萬分之一,光引科技把幾十萬的台式光譜儀“搬”到了手腕上
- AI服務器電源機櫃Power Rack HVDC MW級測試方案
- 突破工藝邊界,奎芯科技LPDDR5X IP矽驗證通過,速率達9600Mbps
- 通過直接、準確、自動測量超低範圍的氯殘留來推動反滲透膜保護
- 車規與基於V2X的車輛協同主動避撞技術展望
- 數字隔離助力新能源汽車安全隔離的新挑戰
- 汽車模塊拋負載的解決方案
- 車用連接器的安全創新應用
- Melexis Actuators Business Unit
- Position / Current Sensors - Triaxis Hall



