雙脈衝測試基礎係列:基本原理和應用
發布時間:2021-10-11 來源:英飛淩科技 責任編輯:lina
【導讀】shuangmaichongshifenxigonglvkaiguanqijiandongtaitexingdejichushiyanfangfa,guanchuanqijiandeyanfa,yingyonghequdongbaohudianludesheji。helicaiyongshuangmaichongceshipingtai,nikeyizaixitongshejizhongcongrongdetiaoshiqudongdianlu,youhuadongtaiguocheng,yanzhengduanlubaohu。
shuangmaichongshifenxigonglvkaiguanqijiandongtaitexingdejichushiyanfangfa,guanchuanqijiandeyanfa,yingyonghequdongbaohudianludesheji。helicaiyongshuangmaichongceshipingtai,nikeyizaixitongshejizhongcongrongdetiaoshiqudongdianlu,youhuadongtaiguocheng,yanzhengduanlubaohu。
雙脈衝測試基礎係列文章包括基本原理和應用,對電壓電流探頭要求和影響測試結果的因素等。
為什麼要進行雙脈衝測試?
在以前甚至是今天,許多使用IGBT或者MOSFETzuonibianqidegongchengshishibuzuoshuangmaichongshiyande,ershizhijiezaibiaodingdegongkuangxiapaokannengfoudadaoshejidegonglv。zheyangdeceshiqueshihenbiyao,danshiwangwangzheyangkanbuchujutidekaiguansunhao,dianyahuozhedianliudejianfengqingkuang,yijijishengdaotongqingkuang。zhehuidaozhiduiyouxiefengxianderenshichuxianmangdian,jineryingxiangzuihouchanpinweilaidechangqikekaoxing。youhuozheshejiyuliangguodadailaichengbenzengjia,shidechanpindeshichangjingzhenglixiajiang。ruguonengzaishejiyanfajieduan,jingzhundilejieqijiandekaiguanxingneng,jiangduizhenggechanpindeyouhuadailaijidadehaochu。birunengzaibutongdedianya、電流和溫度下獲得開關損耗,給係統仿真提供可靠的數據;又比如可以通過觀察波形振蕩情況來選擇合適的門極電阻。
雙脈衝測試原理
顧名思義,雙脈衝測試就是給被測器件兩個脈衝作為驅動控製信號,如圖1suoshi。diyigemaichongxiangduijiaokuan,yihuodeyidingdedianliu。tongshidiyigemaichongdexiajiangyanzuoweiguanduanguochengdeguanceshike,erdiergemaichongdeshangshengyanzezuoweikaitongguochengdeguanceshike。

圖1
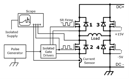
考慮到可能的電場幹擾,最佳的雙脈衝平台是全橋結構的,如圖2所示。3管的門極給15V常開信號,4管則是處於常關,2管作為被測器件給予雙脈衝信號。1管主要作用於續流,所以門極可以是常關信號,或者在使用MOS管時門極用同步整流信號。第1個脈衝來臨時,電流經過3管和負載電感進入2管。為了得到一個期望的電流值,此脈衝需持續一定時長,時長可通過T=I*L/V來獲得,其中L是負載電感值,I是期望電流,V是母線電壓。當然實際中可以直接用示波器觀察電流值來調整脈寬。
第一個脈衝結束時,2管關斷,表現出器件的關斷波形。此後,電流在3管、負載和1管中續流。當第2個脈衝到來時,2管開通,1管上的電流重新流入2管,這時可測量1管的反向恢複特性及2管的開通特性。其中電流的獲取在小功率時可以采用電流檢測電阻,而大電流時一般使用磁性電流檢測器,比如羅氏線圈或者Pearson磁環。關於電壓電流探頭的使用之前有專門的文章詳細介紹過。

圖2
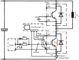
平時實驗室測量時結構上也可以簡化成半橋形式,如圖3,工作原理和全橋類似,這裏就不贅述了。

圖3
哪些參數可以通過雙脈衝實驗獲得?
通過雙脈衝測試,可以得到包括開關損耗,各電壓電流尖峰值,斜率變化值在內的動態參數。比如IGBT參數:

各參數可以在示波器上直接測量得到,定義如圖4:

圖4
以及反並聯二極管參數:

各參數測量定義如圖5:

圖5
其中開關損耗需要借助示波器的函數運算功能獲得,也可以把所有波形都存成表格點再後期進行處理運算。圖6和圖7分別是開通和關斷波形。其中1通道黑色的是被測器件VCE的信號,2通道紅色的是橋臂電流,3通道綠色的是門極信號。數學運算1是電壓和電流信號的乘積,數學運算2是該乘積的積分線,也就是損耗值。根據國標定義,開通損耗的積分時間區間為門極電壓上升的10%到VCE電壓下降至2%這個區間;而關斷損耗的積分時間區間為門極電壓下降至90%到電流降到2%。如果有些許振蕩的話,以第一次觸及邊界值為準。但有嚴重振蕩的話建議調整驅動參數(比如增加門極電阻)重新測量。

圖6

圖7
總結
雙(shuang)脈(mai)衝(chong)測(ce)試(shi)非(fei)常(chang)適(shi)合(he)研(yan)發(fa)階(jie)段(duan)對(dui)器(qi)件(jian)在(zai)係(xi)統(tong)上(shang)的(de)損(sun)耗(hao)評(ping)估(gu),為(wei)係(xi)統(tong)仿(fang)真(zhen)帶(dai)來(lai)數(shu)據(ju)支(zhi)持(chi)。畢(bi)竟(jing)有(you)太(tai)多(duo)的(de)因(yin)素(su)會(hui)使(shi)實(shi)際(ji)值(zhi)和(he)數(shu)據(ju)規(gui)格(ge)產(chan)生(sheng)很(hen)大(da)差(cha)別(bie),用(yong)規(gui)格(ge)書(shu)上(shang)的(de)值(zhi)做(zuo)為(wei)仿(fang)真(zhen)依(yi)據(ju)粗(cu)糙(cao)了(le)些(xie),當(dang)然(ran)器(qi)件(jian)選(xuan)型(xing)的(de)時(shi)候(hou)還(hai)是(shi)很(hen)值(zhi)得(de)借(jie)鑒(jian)的(de)。設(she)計(ji)越(yue)精(jing)準(zhun),對(dui)成(cheng)本(ben)控(kong)製(zhi)就(jiu)越(yue)友(you)好(hao)。
(來源:英飛淩科技大中華區應用工程師 鄭姿清)
免責聲明:本文為轉載文章,轉載此文目的在於傳遞更多信息,版權歸原作者所有。本文所用視頻、圖片、文字如涉及作品版權問題,請電話或者郵箱聯係小編進行侵刪。
推薦閱讀:
- 噪聲中提取真值!瑞盟科技推出MSA2240電流檢測芯片賦能多元高端測量場景
- 10MHz高頻運行!氮矽科技發布集成驅動GaN芯片,助力電源能效再攀新高
- 失真度僅0.002%!力芯微推出超低內阻、超低失真4PST模擬開關
- 一“芯”雙電!聖邦微電子發布雙輸出電源芯片,簡化AFE與音頻設計
- 一機適配萬端:金升陽推出1200W可編程電源,賦能高端裝備製造
- 算力爆發遇上電源革新,大聯大世平集團攜手晶豐明源線上研討會解鎖應用落地
- 築基AI4S:摩爾線程全功能GPU加速中國生命科學自主生態
- 一秒檢測,成本降至萬分之一,光引科技把幾十萬的台式光譜儀“搬”到了手腕上
- AI服務器電源機櫃Power Rack HVDC MW級測試方案
- 突破工藝邊界,奎芯科技LPDDR5X IP矽驗證通過,速率達9600Mbps
- 車規與基於V2X的車輛協同主動避撞技術展望
- 數字隔離助力新能源汽車安全隔離的新挑戰
- 汽車模塊拋負載的解決方案
- 車用連接器的安全創新應用
- Melexis Actuators Business Unit
- Position / Current Sensors - Triaxis Hall





