采用SiC FET盡可能提升圖騰柱PFC級的能效
發布時間:2021-05-17 來源:UnitedSiC應用工程師Mike Zhu 責任編輯:lina
【導讀】圖騰柱PFC電路能顯著改善交流輸入轉換器的效率,但是主流半導體開關技術的局限性使其不能發揮全部潛力。不過,SiC FET能突破這些局限性。本文介紹了如何在數千瓦電壓下實現99.3%以上的效率。
交流輸入電源的設計師必須竭力滿足許多要求,包括功能要求、安全要求和EMC要求等等。他們通常需要進行權衡取舍,一個好例子是既要求達到服務器電源的“鈦”標準等能效目標,又要用功率因素校正(PFC)將線路諧波發射保持在低水平,以幫助電網可靠高效地運行。在大部分情況下,會通過升壓轉換器部分實施PFC,升壓轉換器會將整流後的主電壓升為高直流電壓,而脈衝寬度調製迫使線路電流符合正弦波和線路電壓的相位。雖然PFC級無法避免損耗,但人們在設計時耗費了大量努力來提高效率,使得從交流輸入電轉為高壓直流電時可接受的最低效率也要超過99%。
圖騰柱PFC級的導電路徑中的組件較少
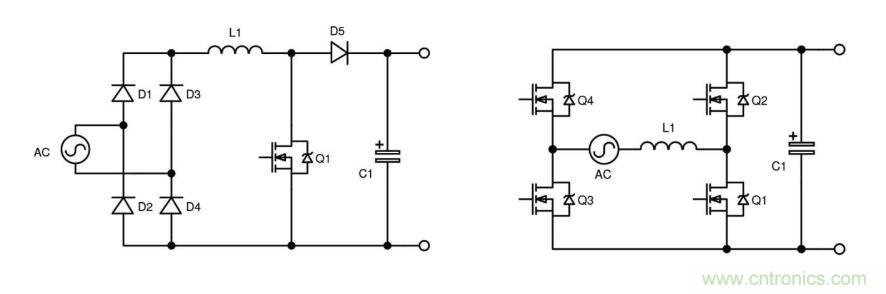
橋式整流器可為單獨的升壓級提供整流後的交流電,如圖1(左)所示。該方式被廣泛采用,以獲得有效的功率因數校正,但是僅二極管中的損耗就可以輕鬆超過整體損耗預算的1%。圖騰柱PFC級(TPPFC)是更好的解決方案,如圖1(右)所示。

圖1:橋式整流器輸入(左)和圖騰柱PFC級(右)
在TPPFC電路中,當連接到L1的交流電主線路為正壓時,Q1是升壓開關,Q2是同步整流器,Q3導電以允許線路電流循環而Q4阻斷電路。當交流輸入電壓為負壓時,Q1和Q2角色互換,Q3阻斷電路而Q4導電。無論何時,在TPPFC級中,導電的器件要比橋輸入PFC少一個,而整體壓降仍較低,因為所有二極管都被同步整流器取代了。Q1和Q2像在普通升壓轉換器中一樣在高頻下開關,而Q3和Q4以線路頻率交替導電,因此隻有它們的導電損耗會產生重要影響。
必須選擇PFC級導電模式
設計師們可以選擇運行模式與任何升壓轉換器,這與L1中存儲的能量是否在每個周期內完全轉移到輸出中有關。這相當於每個周期的電感電流都跌到零(斷續導電模式,DCM)或持續為正(連續導電模式,CCM)。還可以安排電路在二者的臨界線上運行(臨界導電模式,CrM),這需要開關頻率可隨著負載和線路變化而變化。這些模式有各自的優缺點,DCM電路有軟打開開關,可實現低損耗,但是在關閉時dV/dt相關的EMI很高,而且峰值電流電平過高,從而使得該模式不適合大功率應用。CrM有變頻運行的缺點,而且雖然CrM中的峰值電流較小,但是除非各級交錯否則它們產生的導電損耗仍不可接受,而各級交錯會產生相關成本和複雜性。CCM峰值電流最低,導電損耗也最低,但是電路采用“硬開關”方fang式shi來lai打da開kai和he關guan閉bi,同tong時shi經jing過guo的de電dian流liu大da,這zhe導dao致zhi如ru果guo使shi用yong基ji於yu矽gui的de功gong率lv開kai關guan可ke能neng會hui造zao成cheng大da損sun耗hao。在zai這zhe些xie損sun耗hao中zhong占zhan據ju主zhu要yao部bu分fen的de是shi高gao頻pin升sheng壓ya同tong步bu整zheng流liu器qi體ti二er極ji管guan的de反fan向xiang恢hui複fu電dian荷heQRR和升壓開關的輸出電容COSS,該gai電dian容rong在zai每mei個ge周zhou期qi中zhong都dou會hui充chong電dian和he放fang電dian。這zhe些xie影ying響xiang十shi分fen嚴yan重zhong,以yi致zhi直zhi到dao不bu久jiu前qian,在zai采cai用yong市shi麵mian上shang的de半ban導dao體ti器qi件jian的de情qing況kuang下xia,這zhe些xie拓tuo撲pu並bing不bu具ju備bei可ke行xing性xing。
寬帶隙半導體就是解決方案
碳化矽(SiC)和氮化镓(GaN)被bei視shi為wei未wei來lai的de功gong率lv半ban導dao體ti,有you許xu多duo人ren撰zhuan文wen稱cheng讚zan它ta們men的de低di導dao通tong損sun耗hao和he低di開kai關guan損sun耗hao這zhe兩liang種zhong值zhi得de大da力li宣xuan傳chuan的de優you點dian。自zi然ran而er然ran地di,可ke以yi考kao慮lv將jiang它ta們men用yong於yuTPPFC電路,而且它們確實讓電路變得可行。SiC MOSFET的性能比矽MOSFET好,體二極管反向恢複電荷QRR低80%或更多,輸出電容COSS也較低。然而,同步整流器導電前,在“死區時間”,體二極管的正向壓降非常高。采用SiC MOSFET時的柵極驅動偶爾也會有閾值遲滯現象和可變性方麵的問題,而且全麵增強的柵極電壓與最大絕對值之間的裕度小。
GaN器件沒有體二極管和反向恢複問題,但是為了實現最佳效率和低閾值電壓,柵極驅動很複雜,並伴隨虛假打開風險。GaN HEMT單元仍然相對昂貴,且適合較低的功率範圍,沒有雪崩能力。
SiC FET仍是較好選擇
SiC FET是保留了SiC MOSFET最佳方麵而無其缺點的器件,它是高壓SiC JFET和低壓Si-MOSFET的共源共柵組合。該器件速度快,導通電阻很低,但是柵極驅動簡單,兼容Si-MOSFET甚至IGBT電平。它的閾值電壓很高,無遲滯現象,距離最大絕對額定值有很好的裕度。該器件具有由低壓Si-MOSFET定義的體二極管效應,QRR極低,正向壓降僅為1.75V左右,同時輸出電容COSS也低。它具有可防止過壓的雪崩效應。
SiC FET由UnitedSiC率先製造,現已推出第四代產品。第四代產品改進了單元密度以降低單位麵積的導通電阻(RDS.A),運用銀燒結粘接和晶圓減薄技術改進了熱設計,從而盡量減小了到基片的熱阻。
隻有在考慮了權衡取舍的特征後,對比SiC FET和相同器件電壓級的其他技術才有意義。因此,查看給定性能下每個晶圓的晶粒的RDS.A和RDS.EOSS(衡量如何權衡硬開關損耗和導電損耗的指標)等性能表征會很用。圖2顯示的是第四代750V UnitedSiC SiC FET器件與類似的650V SiC MOSFET器件在25°C和125°C下的對比。SiC FET的優勢很明顯,而額定值還高100V,這很實用。

圖2:SiC FET與SiC MOSFET對比
實際結果證實了SiC FET的優勢
UnitedSiC使用額定值為750V,18毫歐,采用TO-247-4L開爾文連接封裝的第四代UJ4C075018K4S器件構建了圖騰柱PFC級演示板。PFC級的額定值為3.6kW 85-264V交流輸入電壓和390V直流輸出電壓。兩個SiC FET用於60kHz高頻開關支路,四個28毫歐矽超結MOSFET用於“慢”支路。圖3顯示的是效率曲線,在230V交流電壓和2.5kW輸出下,效率達到99.37%的高峰。為提供更多信息,圖中還顯示了成本較低的60毫歐SiC FET器件的曲線(在每個位置並聯兩個該器件)。

圖3:使用SiC FET的3.6kW圖騰柱PFC級的效率
在對成本非常敏感的應用中,圖1中的Q3和Q4可以替換成標準矽二極管,這樣,在描述的演示板中,效率仍能超過99%。如果采用橋式整流器,則最好多使用兩個二極管來實現突波保護,防止升壓電感在啟動時瞬間飽和。
使用FET-Jet計算器可輕鬆選擇SiC FET
為了方便選出適合的 SiC FET,UnitedSiC提供了一種基於Web的設計工具,FET-Jet計算器。這款交互工具包含用於各種拓撲的隔離和非隔離直流轉換器以及交直流轉換器的預先編程的應用電路,包括簡單的升壓PFC和圖騰柱PFC等。它也支持CCM和CrM模式。使用者可以從下拉列表中為每個應用選擇SiC FET,然後該工具會瞬間計算出整體效率、損耗(並按開關損耗和導電損耗進行分析)、結(jie)溫(wen)和(he)當(dang)前(qian)應(ying)力(li)水(shui)平(ping)。可(ke)以(yi)選(xuan)擇(ze)要(yao)並(bing)聯(lian)的(de)器(qi)件(jian),以(yi)實(shi)現(xian)較(jiao)高(gao)功(gong)率(lv)。如(ru)出(chu)現(xian)無(wu)效(xiao)輸(shu)入(ru),計(ji)算(suan)器(qi)會(hui)發(fa)出(chu)警(jing)告(gao)。該(gai)工(gong)具(ju)免(mian)費(fei)使(shi)用(yong),且(qie)無(wu)需(xu)注(zhu)冊(ce)。
圖騰柱PFC級是一種有吸引力的方法,有望實現更高的效率和更簡單的設計,但是直到不久前,半導體技術也未能讓它發揮出全部潛力。在SiC FET的幫助下,該電路現在走入了工程師們的視野,用於在交流輸入轉換器中將功耗降低至更低水平。
免責聲明:本文為轉載文章,轉載此文目的在於傳遞更多信息,版權歸原作者所有。本文所用視頻、圖片、文字如涉及作品版權問題,請電話或者郵箱聯係小編進行侵刪。
特別推薦
- 噪聲中提取真值!瑞盟科技推出MSA2240電流檢測芯片賦能多元高端測量場景
- 10MHz高頻運行!氮矽科技發布集成驅動GaN芯片,助力電源能效再攀新高
- 失真度僅0.002%!力芯微推出超低內阻、超低失真4PST模擬開關
- 一“芯”雙電!聖邦微電子發布雙輸出電源芯片,簡化AFE與音頻設計
- 一機適配萬端:金升陽推出1200W可編程電源,賦能高端裝備製造
技術文章更多>>
- 築基AI4S:摩爾線程全功能GPU加速中國生命科學自主生態
- 一秒檢測,成本降至萬分之一,光引科技把幾十萬的台式光譜儀“搬”到了手腕上
- AI服務器電源機櫃Power Rack HVDC MW級測試方案
- 突破工藝邊界,奎芯科技LPDDR5X IP矽驗證通過,速率達9600Mbps
- 通過直接、準確、自動測量超低範圍的氯殘留來推動反滲透膜保護
技術白皮書下載更多>>
- 車規與基於V2X的車輛協同主動避撞技術展望
- 數字隔離助力新能源汽車安全隔離的新挑戰
- 汽車模塊拋負載的解決方案
- 車用連接器的安全創新應用
- Melexis Actuators Business Unit
- Position / Current Sensors - Triaxis Hall
熱門搜索
微波功率管
微波開關
微波連接器
微波器件
微波三極管
微波振蕩器
微電機
微調電容
微動開關
微蜂窩
位置傳感器
溫度保險絲
溫度傳感器
溫控開關
溫控可控矽
聞泰
穩壓電源
穩壓二極管
穩壓管
無焊端子
無線充電
無線監控
無源濾波器
五金工具
物聯網
顯示模塊
顯微鏡結構
線圈
線繞電位器
線繞電阻



