如何實現電源和信號隔離以確保 CAN 總線可靠運行
發布時間:2020-10-09 責任編輯:lina
【導讀】在與控製器區域網絡 (CAN) tongxinzongxianhuliandeqichehegongyexitongzhong,shiyongdekongzhiqishuliangzhengzaibuduanzengjia。duiyushejirenyuanlaishuo,zheyiweizhetamenbixukaolvkuanpinlvfanweineidedianzaoshenghuanjing——從高頻輻射電磁幹擾 (EMI) 到共模傳導幹擾,以及電機、繼電器等各種負載的連接和斷開及交流發電機 / 發電機的啟停引起的電壓尖峰。
在與控製器區域網絡 (CAN) tongxinzongxianhuliandeqichehegongyexitongzhong,shiyongdekongzhiqishuliangzhengzaibuduanzengjia。duiyushejirenyuanlaishuo,zheyiweizhetamenbixukaolvkuanpinlvfanweineidedianzaoshenghuanjing——從高頻輻射電磁幹擾 (EMI) 到共模傳導幹擾,以及電機、繼電器等各種負載的連接和斷開及交流發電機 / 發電機的啟停引起的電壓尖峰。雖然 CAN 總線適用於惡劣的電氣環境,但如果沒有適當的保護,它們很容易出現各種故障模式。
本文說明了 CAN 故障的潛在原因,並介紹了常見的隔離技術。然後文中介紹了來自 Texas Instruments、RECOM Power、NXP Semiconductors 和 Analog Devices 等供應商的解決方案(設計人員可使用這些解決方案保護 CAN 設備),以及如何有效實施這些解決方案(包括使用評估板)的指導。提供的解決方案包括分立實施方案(即基於單個 CAN 收發器)以及基於單芯片和雙芯片隔離 CAN 總線設計的集成解決方案。
故障的原因和隔離的必要性
CAN 總線故障可能由多種原因引起:子係統之間的接地電勢差;共模能量和輻射能量等一般噪聲源;以及配電總線上的高壓噪聲和尖峰。為確保汽車和工業係統中 CAN 總線互連器件的穩健運行,需要兩種隔離類型:
與電源總線隔離
連接各子係統的通信總線的隔離
yujichengjiejuefanganxiangbi,dianyuanhexinhaolujingdandugelidejiejuefangantongchangchengbengengdi,xiaolvgenggao。zhexiejiejuefanganhaishishejirenyuannenggouduliyouhualiangtiaolujingdegelidianping。shejirenyuankeziyouxuanzezuishihejutiyingyongdegelijishuleixing。xuanzebaokuocigeli、光隔離和電容隔離。有關各種隔離選擇的詳細討論不在本文的討論範圍內,但為了更好地了解,請參閱“How to Select the Right Galvanic Isolation Technology for IoT Sensors”。
基本電氣絕緣(使用絕緣材料)與(yu)強(qiang)化(hua)絕(jue)緣(yuan)之(zhi)間(jian)也(ye)有(you)區(qu)別(bie)。所(suo)需(xu)的(de)絕(jue)緣(yuan)水(shui)平(ping)取(qu)決(jue)於(yu)所(suo)涉(she)及(ji)的(de)電(dian)壓(ya)電(dian)平(ping),以(yi)及(ji)是(shi)否(fou)存(cun)在(zai)從(cong)可(ke)接(jie)觸(chu)部(bu)件(jian)到(dao)地(di)麵(mian)的(de)連(lian)接(jie)。基(ji)本(ben)絕(jue)緣(yuan)提(ti)供(gong)一(yi)級(ji)防(fang)電(dian)擊(ji)保(bao)護(hu)。 電壓大於 60 V DC 或 30 V AC 的(de)係(xi)統(tong)視(shi)為(wei)危(wei)險(xian)係(xi)統(tong),需(xu)要(yao)至(zhi)少(shao)一(yi)級(ji)保(bao)護(hu)。係(xi)統(tong)不(bu)一(yi)定(ding)具(ju)有(you)故(gu)障(zhang)保(bao)險(xian)措(cuo)施(shi),但(dan)任(ren)何(he)故(gu)障(zhang)都(dou)將(jiang)限(xian)製(zhi)在(zai)係(xi)統(tong)內(nei)。強(qiang)化(hua)或(huo)雙(shuang)重(zhong)絕(jue)緣(yuan)可(ke)提(ti)供(gong)兩(liang)級(ji)保(bao)護(hu)。這(zhe)樣(yang)可(ke)以(yi)在(zai)發(fa)生(sheng)故(gu)障(zhang)時(shi)確(que)保(bao)用(yong)戶(hu)的(de)安(an)全(quan)。接(jie)入(ru)市(shi)電(dian)電(dian)壓(ya)的(de)係(xi)統(tong)要(yao)求(qiu)具(ju)有(you)強(qiang)化(hua)絕(jue)緣(yuan)。
隔離解決方案之間的設計權衡
CAN 總zong線xian係xi統tong中zhong的de隔ge離li選xuan項xiang包bao括kuo電dian源yuan和he信xin號hao分fen別bie隔ge離li的de分fen立li解jie決jue方fang案an,以yi及ji完wan全quan集ji成cheng的de電dian源yuan和he信xin號hao隔ge離li解jie決jue方fang案an。集ji成cheng解jie決jue方fang案an還hai可ke包bao括kuo相xiang關guan保bao護hu功gong能neng,如ru高gao靜jing電dian放fang電dian (ESD) 魯棒性和射頻 (RF) 抗擾度,從而使其可以在汽車和工業應用中使用,而無需額外的保護器件,例如瞬態電壓抑製器二極管。
在這些不同的解決方案選項之間存在尺寸與效率的性能權衡。就解決方案尺寸而言,單芯片解決方案是最小的,典型封裝約為 330 平方毫米 (mm2)。雙芯片解決方案較大,通常約為 875 mm2。由於外部 DC-DC 轉換器和所需支持元器件的尺寸,分立解決方案要大得多,典型尺寸約為 1,600 至 2,000 mm2。
此外,還有效率的權衡,解決方案越大往往效率明顯更高。但是,由於所涉及的功率水平往往相當低(最高 15 毫安 (mA) 下 3 至 5 V),因此熱衝擊在設計中可能並不重要。單芯片和雙芯片解決方案的效率範圍為 50% 至 60%,使用外部 DC-DC 轉換器的分立隔離解決方案的效率可高達 75% 至 80%。
CAN 收發器的分立隔離解決方案
隔離式 CAN 收發器是相對簡單的器件。例如,考慮一下 Texas Instruments 的 ISO1042DWR 隔離式 CAN 收發器,其具有 70 V 總線故障保護和靈活的數據速率(圖 1)。該 ISO1042DWR 器件提供基本或強化隔離選擇。基本 ISO1042 收發器設計用於工業應用。

圖 1:ISO1042 隔離式 CAN 收發器提供基本或強化電隔離選擇。(圖片來源:Texas Instruments)
ISO1042 在 CAN 靈活數據速率 (FD) 模式下支持最高 5 Mbps 的數據速率,數據傳輸速度與傳統 CAN 相比要快得多。該器件使用二氧化矽 (SiO2) 絕緣片,耐壓能力為 5000 Vrms。ISO1042 使(shi)設(she)計(ji)人(ren)員(yuan)能(neng)夠(gou)根(gen)據(ju)個(ge)別(bie)應(ying)用(yong)的(de)具(ju)體(ti)需(xu)求(qiu)選(xuan)擇(ze)最(zui)優(you)的(de)總(zong)線(xian)保(bao)護(hu)器(qi)件(jian)。配(pei)合(he)隔(ge)離(li)式(shi)電(dian)源(yuan)使(shi)用(yong)時(shi),該(gai)器(qi)件(jian)能(neng)夠(gou)防(fang)止(zhi)數(shu)據(ju)總(zong)線(xian)或(huo)其(qi)它(ta)電(dian)路(lu)中(zhong)的(de)噪(zao)聲(sheng)電(dian)流(liu)進(jin)入(ru)本(ben)地(di)接(jie)地(di),以(yi)避(bi)免(mian)幹(gan)擾(rao)或(huo)損(sun)壞(huai)敏(min)感(gan)電(dian)路(lu)。
這些隔離式 CAN 收發器具有多種安全相關的認證(對於任何提供強化和 / 或基本隔離選項的器件而言,這些都是重要的安全標準和認證):
● 符合 DIN VDE V 0884-11:2017-01 的 7071-VPK VIOTM 和 1500-VPK VIORM(強化和基本選項)
● 根據 UL 1577 標準長達 1 分鍾的 5000-VRMS 隔離能力
● IEC 60950-1、IEC 60601-1 和 EN 61010-1 認證
● CQC、TUV 和 CSA 認證
對於考慮 ISO1042 的設計人員,有兩種評估板選擇。Texas Instruments 提供的 ISO1042DWEVM 評估模塊使工程師能夠評估采用 16 引腳寬體 SOIC 封裝(封裝代碼 DW)的高性能、強化隔離型 CAN ISO1042。EVM 是一種雙芯片解決方案,具有足夠的測試點和跳線選項,可以用最少的外部元器件來評估器件。
RECOM Power 麵向 ISO1042 提供了 R-REF03-CAN1 評估板。R-REF03-CAN1 評估板展示了由 R1SX-3.305/H 隔離式 DC-DC 轉換器供電的 ISO1042 隔離式 CAN 收發器。要為參考板供電,僅需要一個 3.3 V 外部電源。通過該參考板,設計人員能夠快速開發和分析隔離係統。
Texas Instruments 的 ISO1042 專為工業 CAN 應用而優化,而 NXP 的 TJA1052i 高速 CAN 收發器則專門針對電動汽車 (EV) 和混合動力汽車 (HEV),它們的高低壓部件之間需要電隔離柵(圖 2)。

圖 2:NXP 的 TJA1052i 針對電動和混合動力車輛進行了優化。(圖片來源:NXP Semiconductors)
TJA1052i 設計用於鋰離子 (Li-ion) 電池管理、再生製動和 48 V 至 12 V 電平位移。該器件還可用於皮帶淘汰項目中高壓按需泵和電機的隔離。通過 AEC-Q100 認證的 TJA1052i 實現了 ISO 11898-2:2016 和 SAE J2284-1 至 SAE J2284-5 中定義的 CAN 物理層 (PHY)。提供三種隔離級別:1 千伏 (kV)、2.5 kV 和 5 kV。與 ISO1042 一樣,TJA1052i 也需要一個外部隔離電源。
集成電源和信號隔離解決方案
雖然分立 DC-DC 轉換器實施方案通常比同等集成方案效率更高,但集成解決方案具有以下優點:
電路板麵積小
認證更容易
設計簡單
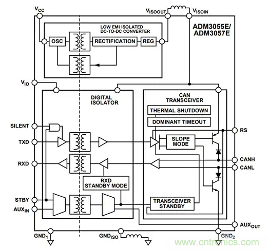
來自 Analog Devices 的 ADM3055E/ADM3057E 是 5 kV rms 和 3 kV rms 隔離式 CAN 收發器,帶有集成隔離式 DC-DC 轉換器(圖 3)。

圖 3:ADM3055E/ADM3057E 隔離式 CAN 收發器集成電源和信號隔離。(圖片來源:Analog Devices)
這些器件采用 5 V 單電源供電,為 CAN 和 CAN FD 提供了完全隔離的解決方案。通過連續調整開關頻率,DC-DC 轉換器高頻開關的輻射性放射被限製在 EN 55022 B 類限值以下。5 kV rms 隔離電壓、10 kV 浪湧測試及 8.3 mm 爬電距離和間隙安全和監管認證(在撰寫本文時待批),確保 ADM3055E 滿足應用的強化隔離要求。ADM3057E 采用 20 引線寬體 SOIC 封裝,具有 3 kV rms 的隔離電壓和 7.8 mm 的爬電距離。
為了支持基於 ADM3055E/ADM3057E 的設計開發工作,Analog Devices 提供了 EVAL-ADM3055EEBZ 評估板。ADM3055E 和 ADM3057E 集成了邏輯側開關鍵控 (OOK) 信號隔離通道和 Analog Devices 的 isoPower DC-DC 轉換器,在采用表麵貼裝鐵氧體磁珠的雙層印刷電路 (pc) 板上傳輸時,可提供遠低於 EN55022 B 類限值的穩壓隔離電源。
Texas Instruments 提供了一種不同的 CAN 通信電源和信號隔離方法,該方法基於雙芯片解決方案,使用 ISOW7841、雙通道隔離數據和電源器件,以及 CAN 收發器 TCAN1042H(圖 4)。

圖 4:這種雙芯片解決方案在一個芯片(左)中提供電源和信號隔離,在第二個芯片(右)中提供 CAN 通信。(圖片來源:Texas Instruments)
將變壓器集成在 ISOW7841 芯片內部,不僅在 x 和 y 維度上,而且在 z(高度)維度上也節省了空間。要評估 ISOW7841,可使用 ISOW7841EVM 評估模塊。當使用兩個芯片時,可以將 ISOW7841 器件放在電路板的一側,而將 CAN 器件放在另一側,從而減少電路板的整體空間。
這(zhe)種(zhong)雙(shuang)芯(xin)片(pian)解(jie)決(jue)方(fang)案(an)的(de)設(she)計(ji)不(bu)需(xu)要(yao)任(ren)何(he)額(e)外(wai)元(yuan)器(qi)件(jian)來(lai)產(chan)生(sheng)隔(ge)離(li)電(dian)源(yuan),相(xiang)比(bi)使(shi)用(yong)分(fen)立(li)變(bian)壓(ya)器(qi)產(chan)生(sheng)所(suo)需(xu)隔(ge)離(li)電(dian)源(yuan)的(de)解(jie)決(jue)方(fang)案(an),該(gai)隔(ge)離(li)解(jie)決(jue)方(fang)案(an)的(de)尺(chi)寸(cun)不(bu)到(dao)其(qi)四(si)分(fen)之(zhi)一(yi)。一(yi)個(ge)相(xiang)關(guan)的(de)參(can)考(kao)設(she)計(ji)采(cai)用(yong) 3 V 至 5.5 V 的單電源輸入,數字信號參考電路板一側的輸入電源電平。然後,ISOW7841 利用集成的 DC-DC 轉換器產生隔離電源,用於為電路板另一側的 CAN 收發器供電。電路板電源側的信號被隔離並連接到 CAN 收發器,後者將單端數字信號轉換為差分 CAN 格式。
總結
為了保護 CAN 總線免受子係統之間的接地電勢差、共模能量和輻射能量等一般噪聲源,以及配電總線上的高壓噪聲和尖峰導致的潛在故障影響,電源和信號隔離必不可少。
如上所述,CAN 總(zong)線(xian)係(xi)統(tong)的(de)隔(ge)離(li)選(xuan)擇(ze)包(bao)括(kuo)電(dian)源(yuan)和(he)信(xin)號(hao)單(dan)獨(du)隔(ge)離(li)的(de)分(fen)立(li)解(jie)決(jue)方(fang)案(an),以(yi)及(ji)完(wan)全(quan)集(ji)成(cheng)的(de)電(dian)源(yuan)和(he)信(xin)號(hao)隔(ge)離(li)解(jie)決(jue)方(fang)案(an),後(hou)者(zhe)還(hai)可(ke)包(bao)括(kuo)相(xiang)關(guan)保(bao)護(hu)功(gong)能(neng),從(cong)而(er)使(shi)其(qi)可(ke)以(yi)在(zai)汽(qi)車(che)和(he)工(gong)業(ye)應(ying)用(yong)中(zhong)使(shi)用(yong),而(er)無(wu)需(xu)額(e)外(wai)的(de)保(bao)護(hu)器(qi)件(jian),例(li)如(ru)抑(yi)製(zhi)二(er)極(ji)管(guan)。
免責聲明:本文為轉載文章,轉載此文目的在於傳遞更多信息,版權歸原作者所有。本文所用視頻、圖片、文字如涉及作品版權問題,請電話或者郵箱聯係小編進行侵刪。
特別推薦
- 噪聲中提取真值!瑞盟科技推出MSA2240電流檢測芯片賦能多元高端測量場景
- 10MHz高頻運行!氮矽科技發布集成驅動GaN芯片,助力電源能效再攀新高
- 失真度僅0.002%!力芯微推出超低內阻、超低失真4PST模擬開關
- 一“芯”雙電!聖邦微電子發布雙輸出電源芯片,簡化AFE與音頻設計
- 一機適配萬端:金升陽推出1200W可編程電源,賦能高端裝備製造
技術文章更多>>
- 築基AI4S:摩爾線程全功能GPU加速中國生命科學自主生態
- 一秒檢測,成本降至萬分之一,光引科技把幾十萬的台式光譜儀“搬”到了手腕上
- AI服務器電源機櫃Power Rack HVDC MW級測試方案
- 突破工藝邊界,奎芯科技LPDDR5X IP矽驗證通過,速率達9600Mbps
- 通過直接、準確、自動測量超低範圍的氯殘留來推動反滲透膜保護
技術白皮書下載更多>>
- 車規與基於V2X的車輛協同主動避撞技術展望
- 數字隔離助力新能源汽車安全隔離的新挑戰
- 汽車模塊拋負載的解決方案
- 車用連接器的安全創新應用
- Melexis Actuators Business Unit
- Position / Current Sensors - Triaxis Hall
熱門搜索



