半橋逆變電路的工原理及常見錯誤
發布時間:2019-07-26 責任編輯:lina
【導讀】banqiaonibiandianlushidianzizhenliuqihedianzijienengdengzhongzuichangyongyeshizuijibendedianlu,zhengquedilijietadegongzuoyuanli,jiangyouzhuyuwomenhelidixuanzeyuanqijianrucihuanbianyaqi、扼流電感、啟動電容等元件的參數,正確地安排三極管的驅動電路,以降低它的功耗與熱量,提高整燈的可靠性。
banqiaonibiandianlushidianzizhenliuqihedianzijienengdengzhongzuichangyongyeshizuijibendedianlu,zhengquedilijietadegongzuoyuanli,jiangyouzhuyuwomenhelidixuanzeyuanqijianrucihuanbianyaqi、扼流電感、啟動電容等元件的參數,正確地安排三極管的驅動電路,以降低它的功耗與熱量,提高整燈的可靠性。遺憾地是過去受觀測儀器(如示波器)和測試手段的局限,我們無法觀測到電路中關鍵點如三極管各個電極電流的正確波形(如文獻4的電流iB、ic的起始波形就是錯誤的),因而無法作出符合實際情況的定量分析和判斷,以至形成一些錯誤的概念。最近看到深愛公司葉文浩先生發表在中國照明電器(刊載於04年11、12期)的文章,受到不少啟發,到歐普照明公司後,利用比較先進的示波器TDS5000,duidianluguanjiandiandedianliuhedianyaboxing,jinxinglezaixideceshi,gandaorenshishangyousuotigao,chengqingleguoqubushaohu塗gainian,tezhuanxiebenwen,paozhuanyinyu,yuyexianshengshangque,bingjiujiaoyuguoneifangjia。
半橋逆變電路的工原理,盡管這個電路是眾所周知的,但人們對它的理解卻並不十分正確,存在一些錯誤觀念。
半橋逆變電路工作原理如圖1

工作原理:
①tl時間:開關K1導通,K2截止,電流方向如圖中①,電源給主變T供電,並給電容C2充電。
②t2時間:開關K1、K2都截止,負截無電流通過(死區)。
③t3時間:開關K1截止,K2導通,電容C2向負載放電。
④t4時間:開關K1、K2均截止,又形成死區。如此反複在負載上就得到了如圖2的電流,實現了逆變的目的。
IGBT焊機的工作原理
①電源供給:
和場效應管作逆變開關的焊機一樣,焊機電源由市電供給,經整流、濾波後供給逆變器。
②逆變:
由於IGBT的工作電流大,可采用半橋逆變的形式,以IGBT作為開關,其開通與關閉由驅動信號控製。
③驅動信號的產生:
驅動信號仍然采用處理脈寬調製器輸出信號的形式。使得兩路驅動信號的相位錯開(有死區),以防止兩個開關管同時導通而產生過大電流損壞開關管。驅動信號的中點同樣下沉一定幅度,以防幹擾使開關管誤導通。
④保護電路:
IGBT焊機也設置了過流、過壓、過熱保護等,有些機型也有截流,以保證焊機及人身安全,其工作原理與場效應管焊機相似。
逆ni變bian與yu整zheng流liu是shi兩liang個ge相xiang反fan的de概gai念nian,整zheng流liu是shi把ba交jiao流liu電dian變bian換huan為wei直zhi流liu電dian的de過guo程cheng,而er逆ni變bian則ze使shi把ba直zhi流liu電dian改gai變bian為wei交jiao流liu電dian的de過guo程cheng,采cai用yong逆ni變bian技ji術shu的de弧hu焊han電dian源yuan稱cheng為wei逆ni變bian焊han機ji。逆ni變bian過guo程cheng需xu要yao大da功gong率lv電dian子zi開kai關guan器qi件jian,采cai用yong絕jue緣yuan柵zha雙shuang極ji晶jing體ti管guanIGBT作為開關器件的逆變焊機成為IGBT逆變焊機。
逆變焊機的工作過程如下:將三相或單相工頻交流電整流,經濾波後得到一個較平滑的直流電,由IGBT組成的逆變電路將該直流電變為幾十KHZ的交流電,經主變壓器降壓後,再經整流濾波獲得平穩的直流輸出焊接電流。
逆變電焊機優點:由(you)於(yu)逆(ni)變(bian)工(gong)作(zuo)頻(pin)率(lv)很(hen)高(gao),所(suo)以(yi)主(zhu)變(bian)壓(ya)器(qi)的(de)鐵(tie)心(xin)截(jie)麵(mian)積(ji)和(he)線(xian)圈(quan)匝(za)數(shu)大(da)大(da)減(jian)少(shao),因(yin)此(ci),逆(ni)變(bian)焊(han)機(ji)可(ke)以(yi)在(zai)很(hen)大(da)程(cheng)度(du)上(shang)節(jie)省(sheng)金(jin)屬(shu)材(cai)料(liao),減(jian)少(shao)外(wai)形(xing)尺(chi)寸(cun)及(ji)重(zhong)量(liang),大(da)大(da)減(jian)少(shao)電(dian)能(neng)損(sun)耗(hao),更(geng)重(zhong)要(yao)的(de)是(shi),逆(ni)變(bian)焊(han)機(ji)能(neng)夠(gou)在(zai)微(wei)妙(miao)級(ji)的(de)時(shi)間(jian)內(nei)對(dui)輸(shu)出(chu)電(dian)流(liu)進(jin)行(xing)調(tiao)整(zheng),所(suo)以(yi)就(jiu)能(neng)實(shi)現(xian)焊(han)接(jie)過(guo)程(cheng)所(suo)要(yao)求(qiu)的(de)理(li)想(xiang)控(kong)製(zhi)過(guo)程(cheng),獲(huo)得(de)滿(man)意(yi)的(de)焊(han)接(jie)效(xiao)果(guo)。
半橋逆變電路的工作原理
1、半橋逆變電路的等效電路:

2、半橋逆變電路的工作原理:上圖中,A、B分別為兩個半橋中點,uAB是它們之間的電壓,R是等效電阻,L為扼流電感,LC構成串聯諧振電路,將uAB的方波輸入轉變為C兩端的近似正弦波,完成了逆變過程。
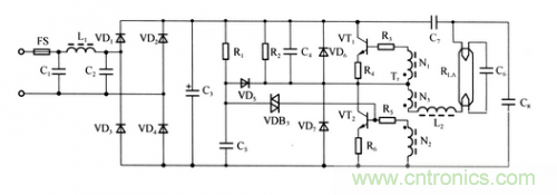
3、典型電子日光燈電路中的應用:

圖中L2、C6、RLA,就是半橋逆變電路,燈管等效電阻是由燈管電壓和燈管電流決定。
左側電路將直流電轉換成方波(為了順利起振和持續振蕩,電路比較複雜),由高頻變壓器提供半橋中點,由C7、C8組成無源半橋中點,實現了由直流到交流的逆變。
特別推薦
- 噪聲中提取真值!瑞盟科技推出MSA2240電流檢測芯片賦能多元高端測量場景
- 10MHz高頻運行!氮矽科技發布集成驅動GaN芯片,助力電源能效再攀新高
- 失真度僅0.002%!力芯微推出超低內阻、超低失真4PST模擬開關
- 一“芯”雙電!聖邦微電子發布雙輸出電源芯片,簡化AFE與音頻設計
- 一機適配萬端:金升陽推出1200W可編程電源,賦能高端裝備製造
技術文章更多>>
- 算力爆發遇上電源革新,大聯大世平集團攜手晶豐明源線上研討會解鎖應用落地
- 築基AI4S:摩爾線程全功能GPU加速中國生命科學自主生態
- 一秒檢測,成本降至萬分之一,光引科技把幾十萬的台式光譜儀“搬”到了手腕上
- AI服務器電源機櫃Power Rack HVDC MW級測試方案
- 突破工藝邊界,奎芯科技LPDDR5X IP矽驗證通過,速率達9600Mbps
技術白皮書下載更多>>
- 車規與基於V2X的車輛協同主動避撞技術展望
- 數字隔離助力新能源汽車安全隔離的新挑戰
- 汽車模塊拋負載的解決方案
- 車用連接器的安全創新應用
- Melexis Actuators Business Unit
- Position / Current Sensors - Triaxis Hall
熱門搜索





