低壓電容補償櫃的作用、基本構造及功能
發布時間:2019-03-04 責任編輯:xueqi
【導讀】電容補償櫃的作用是提高負載功率因數,降低無功功率,提高供電設備的效率;電容櫃是否正常工作可通過功率因數表的讀數判斷,功率因數表讀數如果在0.9左右可視為工作正常。以下還將進一步介紹低壓電容補償櫃的基本構造及功能。
一般來說,低壓電容補償櫃由櫃殼、母線、斷路器、隔離開關,熱繼電器、接觸器、避雷器、電容器、電抗器、一、二次導線、端子排、功率因數自動補償控製裝置、盤麵儀表等組成。
電容器櫃功能及其結構

電容器補償櫃的作用
電容補償櫃的作用是提高負載功率因數,降低無功功率,提高供電設備的效率;電容櫃是否正常工作可通過功率因數表的讀數判斷,功率因數表讀數如果在0.9左右可視為工作正常。
電容器櫃一次電路原理介

一次電路的工作原理過程
heshangdaorongkaiguanheduanluqi,wugonggonglvbuchangkongzhiqigenjujinxianguidianyahedianliudexiangweichashuchukongzhixinhao,kongzhijiaoliujiechuqibiheheduankai,congerkongzhidianrongqitouruhetuichu。
元器件的作用分析
HH15-160A刀熔開關
HH15(QSA)係(xi)列(lie)開(kai)關(guan)熔(rong)斷(duan)器(qi)組(zu)集(ji)負(fu)荷(he)開(kai)關(guan)和(he)熔(rong)斷(duan)器(qi)短(duan)路(lu)保(bao)護(hu)功(gong)能(neng)於(yu)一(yi)體(ti),結(jie)構(gou)緊(jin)湊(cou),使(shi)用(yong)安(an)全(quan),主(zhu)要(yao)用(yong)於(yu)具(ju)有(you)高(gao)短(duan)路(lu)電(dian)流(liu)的(de)配(pei)電(dian)和(he)電(dian)動(dong)機(ji)電(dian)路(lu)中(zhong)作(zuo)為(wei)電(dian)源(yuan)開(kai)關(guan)和(he)應(ying)急(ji)開(kai)關(guan),並(bing)作(zuo)電(dian)纜(lan)的(de)短(duan)路(lu)保(bao)護(hu),由(you)於(yu)開(kai)關(guan)手(shou)柄(bing)為(wei)旋(xuan)轉(zhuan)操(cao)作(zuo),特(te)別(bie)適(shi)用(yong)於(yu)抽(chou)屜(ti)式(shi)開(kai)關(guan)櫃(gui)中(zhong)安(an)裝(zhuang)使(shi)用(yong)。
本開關係列全封閉結構,由接觸係統、操作機構、手柄三部分組成。
由動、靜觸頭及滅弧裝置組成的接觸係統均組裝在由新型耐弧工程塑料製成的封閉殼體內,達到零飛弧;其工作性能的穩定、可靠,並在壽命期內無需用戶維護或更換零件。
配pei用yong的de高gao分fen斷duan能neng力li刀dao型xing觸chu頭tou熔rong斷duan體ti串chuan接jie在zai觸chu頭tou之zhi間jian,當dang開kai關guan處chu於yu斷duan開kai位wei置zhi時shi,其qi外wai露lu導dao電dian部bu件jian均jun不bu帶dai電dian,確que保bao維wei修xiu和he更geng換huan熔rong斷duan體ti的de安an全quan性xing(打開櫃門開關處於斷開狀態)。
開關具有彈簧儲能的操作機構,手柄操作方式係旋轉操作,開關分、合動作靠彈簧力完成,均與人力無關,保證其動作的可靠與穩定。
HY1.5低壓避雷器
HY1.5W-0.28/1.3,HY1.5W-0.5/2.6低壓氧化鋅避雷器 ,產品用於保護交流電力係統電氣設備的絕緣免遭大氣過電壓和操作過電壓的損害,適合於配電箱內,電源頻率50Hz或60Hz。安裝時,先將避雷器固定在托架或橫擔上,下部接地端子直接接地,然後將上引線固定在接線端子上。HY氧化鋅避雷器也叫做矽橡膠氧化鋅避雷器,也叫有機金屬氧化物避雷器。
DZ47-63/D32塑殼斷路器
DZ47係列小型斷路器主要適用於交流50/60Hz,額定工作電壓為240V/415V及以下,額定電流至60A的電路中,該斷路器主要用於現代建築物的電氣線路及設備的控製、過載、短路保護,亦適用於線路的不頻繁操作及隔離。
DZ47係列小型斷路器由塑料外殼、操作機構、觸頭滅弧係統、脫(tuo)扣(kou)機(ji)構(gou)等(deng)組(zu)成(cheng)。脫(tuo)扣(kou)機(ji)構(gou)由(you)雙(shuang)金(jin)屬(shu)片(pian)過(guo)載(zai)反(fan)時(shi)限(xian)脫(tuo)扣(kou)機(ji)構(gou)和(he)短(duan)路(lu)瞬(shun)動(dong)電(dian)磁(ci)機(ji)構(gou)二(er)部(bu)分(fen)組(zu)成(cheng)。觸(chu)頭(tou)滅(mie)弧(hu)係(xi)統(tong)則(ze)采(cai)用(yong)特(te)殊(shu)的(de)導(dao)弧(hu)角(jiao)和(he)過(guo)道(dao)滅(mie)室(shi),並(bing)具(ju)有(you)顯(xian)著(zhu)的(de)限(xian)流(liu)特(te)性(xing)。
BSMJ-0.4-10-3電容器
“BSMJ”自愈式低電壓並聯電容器是采用先進的金屬化膜作為材料,引進國外先進技術、設備,嚴格按照國家標準及IEC標準組織生產的;主要用於低壓電網提高功率因數,減少線路損耗,改善電壓質量,是國家推薦使用的新型節電產品。
體積小、重量輕:由於采用金屬化聚丙烯膜材料作為介質,體積、重量僅為老產品的1/4和1/5。
損耗低:實際值低於0.1%,所以電容器自身的能耗低,發熱少、溫升低、工作壽命長、節能效果佳。
優良的自愈性能: 過電壓所造成的介質局部擊穿能迅速自愈,恢複正常工作,使可靠性大為提高。
安全性:內裝自放電電阻和保險裝置。內裝放電電阻能使電容器上所 帶的電能自動泄放掉;當電容器發生故障時,保險裝置能及時斷開電源,避免故障的進一步發展,確保使用安全。
不漏油:本電容器采用先進的半固體浸漬劑,滴熔點高於70℃,在使用過程中不漏油,避免了環境汙染,電容器也不會因失油而失效。
CJ19-32 交流接觸器觸頭
應用CJ19-32/11.20.02係列切換電容器接觸器,主要用於交流50Hz或60Hz,額定工作電壓至380V的電力線路中,供(gong)低(di)壓(ya)無(wu)功(gong)功(gong)率(lv)補(bu)償(chang)設(she)備(bei)投(tou)入(ru)或(huo)切(qie)除(chu)低(di)壓(ya)並(bing)聯(lian)電(dian)容(rong)器(qi)之(zhi)用(yong)。接(jie)觸(chu)器(qi)帶(dai)有(you)抑(yi)製(zhi)湧(yong)流(liu)裝(zhuang)置(zhi),能(neng)有(you)效(xiao)地(di)減(jian)小(xiao)合(he)閘(zha)湧(yong)流(liu)對(dui)電(dian)容(rong)的(de)衝(chong)擊(ji)和(he)抑(yi)製(zhi)開(kai)斷(duan)時(shi)的(de)過(guo)電(dian)壓(ya)。
使用環境條件:安裝地點的海拔不超過2000m。
安裝條件:安裝麵與垂直麵傾斜度不大於±5°。
周圍空氣溫度:-5°C~+40°C,24小時的平均值不超過+35°C。
大氣相對濕度:在周圍空氣溫度為+40°C時不超過50%,在較低的溫度下可允許有較高相對濕度。
接觸器為直動式雙斷點結構,觸頭係統分上下兩層布置,上層有三對限流觸頭與限流電阻構成抑製湧流裝置。當合閘時它先接通經數毫秒之後工作觸頭接通,限流觸頭中永久磁塊在彈簧反作用下釋放,斷開限流電阻,使電容器正常工作。CJ19-25~43的接觸器有兩對輔助觸頭,CJ19-63~95的接觸器有三對輔助觸頭。接觸器接線端有絕緣罩覆蓋,安全可靠。線圈接線端帶有標出電壓數據,可防止接錯。
CJ19-25~43接觸器可用螺釘安裝,也可借底部的滑塊扣裝在35mm標準卡軌上。麵罩上有一個可拆卸的長方形白色小牌,用戶可用它打印項目代號等。

JR36-20熱繼電器
JR36係列雙金屬片式熱過載繼電器(以下簡稱熱繼電器)適用於交流 50Hz,主電路額定工作電壓至380V,額定工作電流0.25~160A的電路中,對交流電動機的過載和斷相進行保護。
熱繼電器具有整定電流可以調節、溫度補償、斷相保護、自動複位和手動複位任意選擇、能進行線路動作靈活性檢查、可手動斷開常閉觸頭(常開觸頭不閉合)等功能,其外形尺寸和安裝尺寸與JR16B係列完全一致,是新一代較為理想的產品。
電流互感器BH-0.66 150/5
BH-0.66電流互感器為塑料外殼,全封閉,戶內型產品.適用於額定頻率50HZ或60HZ、額定電壓為0.66KV及以下的電力係統中作電能計量、電流測量和繼電保護用。
BH-0.66電流互感器為母線型塑料殼式絕緣,產品下部有安裝板供固定安裝用,中間窗孔供一次母線通過用。

一次電路的的安裝圖

一次電路連接母線安裝及其安裝實物圖
母排的作用是彙流和電流分配。水平母排規格一般根據進線櫃額定電流進行選擇,但要滿足動穩定和熱穩定要求;垂直母排額定電流一般為1000A。
常用的母線結構型式有矩形、槽形和管形等。
① 單片矩形導體具有集膚效應係數小、散熱條件好、安裝簡單、連接方便等優點,一般工作電流小於或等於2000A。
② 多duo片pian矩ju形xing導dao體ti集ji膚fu效xiao應ying係xi數shu比bi單dan片pian導dao體ti的de大da,所suo以yi附fu加jia損sun耗hao增zeng大da。因yin此ci載zai流liu量liang不bu是shi隨sui導dao體ti片pian數shu增zeng加jia而er成cheng倍bei增zeng加jia的de,尤you其qi是shi每mei相xiang超chao過guo三san片pian以yi上shang時shi,導dao體ti的de集ji膚fu效xiao應ying係xi數shu顯xian著zhu增zeng大da。在zai工gong程cheng手shou冊ce中zhong多duo片pian矩ju形xing導dao體ti適shi用yong於yu工gong作zuo電dian流liu≤4000A的回路。4000A以上時,應選用有利於交流電流分布的槽形或管形的成形導體。
③ 槽形或管形的成形導體的集膚效應係數小,電流分布比較均勻,散熱條件好,機械強度高,但造價較高,安裝也不方便。
母線的截麵積選擇原則
A 分支母線的截麵積原則上可按斷路器額定電流的大小來選取。
B 在僅有一路進線情況下,主母線(水平母線)截麵可與進線櫃分支母線截麵相等或稍大些。
C 若ruo進jin線xian回hui路lu有you兩liang條tiao,情qing況kuang稍shao為wei複fu雜za一yi些xie。此ci時shi通tong常chang將jiang兩liang回hui進jin線xian櫃gui安an排pai在zai主zhu母mu線xian的de左zuo右you兩liang端duan,這zhe樣yang電dian流liu的de流liu向xiang分fen布bu更geng為wei合he理li,主zhu母mu線xian的de截jie麵mian就jiu可ke以yi不bu按an兩liang進jin路lu電dian流liu之zhi和he來lai選xuan取qu。這zhe時shi,主zhu母mu線xian截jie麵mian應ying在zai較jiao大da進jin路lu電dian流liu至zhi兩liang路lu電dian流liu之zhi和he的de電dian流liu範fan圍wei內nei考kao慮lv,具ju體ti取qu多duo大da要yao看kan進jin出chu櫃gui布bu置zhi情qing況kuang,分fen析xi電dian流liu流liu向xiang分fen布bu後hou決jue定ding。
開關櫃中母線規格的選擇要考慮以下條件
A 按導體長期發熱允許載流量選擇截麵;
B 熱穩定性的校驗;
C 動穩定性的校驗; D 導體共振的校驗
銅、鋁排母線長期允許的電流值
1)“*”號為低壓元件特殊用材,一般不推薦。
2)表中是空氣溫度為35℃時的長期允許電流值。
3)當母線平放時,寬度≤60mm電流降低5%,寬度>60mm則降低8%。
4)低壓抽屜式開關設備長期允許電流值應按表1中電流的0.8倍配置。
中性導體(N)的選材
一相導線的截麵積>10mm2,則等於相導線截麵積的一半,其截麵積最小為10 mm2。一相導線的截麵積≤10 mm2,中性線截麵積等於相導線。
保護導體(PE)的截麵積不應小於下表給出值

開關設備的櫃體應設置接地母線,一般選取4×40TMY銅母線和6×60TMY銅母排 。
母線製作工藝流程
(1)銅、鋁排母線(簡稱扁形母線)製作工藝流程
選材→模擬→落料→劃剝→衝孔(鑽孔)→搪錫(鍍錫)→彎製→衝孔(鑽孔)→壓平(花)→安裝→塗漆→檢查
注:采用鍍錫母排的,搪錫工序取消。
(2)銅芯絕緣圓母排(簡稱電纜母線)製作工藝流程
選材→模擬→落料→剝頭→冷衝(冷壓)接頭→安裝→整理→檢查
(3)熱縮套管絕緣母線(簡稱絕緣母線)的工藝流程
成型母線→(套絕緣管→加熱→固化成型)→安裝→檢查
銅、鋁排母線製作工藝要求
(1)母線除必要的彎頭及斜度外,不允許有彎曲和歪扭現象,要求母線寬麵彎曲度每米不大於2mm,窄麵每米不大於3mm。
(2)母線表麵不得有明顯的錘痕、銼痕、劃痕。
(3)母線與電器元件搭接,母線應按電器元件接線端子孔徑和孔數要求。
(4)母線與電器元件接線端根部應有不小於5mm的空出位置。
(5)母線搭接長度應大於等於母線寬度或接線端子寬度,並應保證母線與接線端子的接觸麵不小於母線橫截麵積的1.5倍。
(6)與電器元件搭接的母排,應避免銳角彎折,製作彎曲角度一般不小於90度,見下圖。

(7)母線開始彎曲處,距母線搭接位置不應小於30mm,距最近絕緣子的母線支持夾板邊緣不應小於50mm,但不應大於250mm,見下圖。

(8)母mu線xian寬kuan度du大da和he長chang度du短duan都dou不bu能neng曲qu立li彎wan,進jin出chu線xian母mu排pai寬kuan度du差cha比bi較jiao大da時shi,可ke在zai不bu影ying響xiang搭da接jie麵mian積ji的de前qian提ti下xia,允yun許xu有you過guo度du母mu排pai,偏pian向xiang母mu線xian的de一yi側ce或huo改gai變bian母mu線xian的de連lian接jie。見jian下xia圖tu

(9)麻花彎母線扭轉90度時其扭轉部分的長度不應小於母排寬度的2.5倍,見下圖
(10)母排不宜直角彎曲,彎曲半徑不得小於下表規定R值,母排彎曲後不得有裂紋和嚴重的起皺現象,皺紋高度不得大於1mm.
(11)母線搭接麵應搪錫處理,搪錫的長度要大於搭接長度20mm,對大部分無法搪錫的搭接麵允許用導電膏處理。
(12)母線的漆色及相序排列應按下表規定(櫃的正視方向)
(13)muxiandedajiemianbudezhanqi,qiseyingjunyun,tuqidejiemianyingpingzhi,budeyoumingxianwanqubuzhixianxiang,tongyijiandetongyicemiangexiangmuxianduandetuqijiexianyingwumingxianbuzhengqixianxiang,jiexianjujiechuduanmianbudechaoguo20mm。
銅芯電纜母線的製作要求
(1)電纜在與電器元件連接時,必須采用銅接頭連接。
(2)銅接頭切不可與鋁芯線壓接。
(3)絕緣線剝去絕緣層的長度應比銅接頭的捶套長出3mm為宜。
(4)絕緣線剝去絕緣層時,不允許線芯斷裂及使線芯損傷。
(5)將導線插入銅接頭插套後,在衝床上用模子衝接,或用冷壓鉗壓接。然後用力拉導線,導線不應從銅接頭拉出或有鬆動現象。
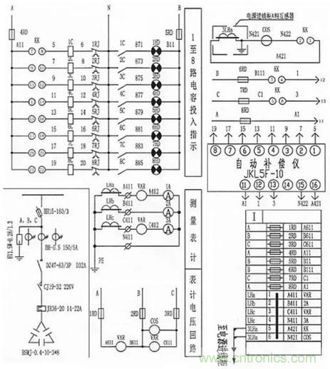
二次回路原理圖分析及安裝

二次原理圖
二次電路工作原理的過程
手動工作時,轉換開關KK從kk21-22開始每轉過一個位置多接通一個LED燈,表示1—8個電容器依次進入使用狀態;自動接通時,轉換開關KK如在kk1-2位置停下,那麼停下的位置,其餘均接通。(如下圖)


二次電路元器件布置圖

二次電路安裝接線圖
二次電路的安裝工藝
使用工具 剝線鉗、剪刀、羅絲批、壓接鉗,適用套筒扳手、尖口鉗、彎線鉗、搭燈、活絡扳手、電工刀。
根據圖紙,安裝二次係統的繼電器、儀表、信號燈、端子排等電器元件及其附件。
按布置圖粘貼元件標號,標號一般粘貼在該元件正中上部的金屬構架上,個別情況元件上方不能粘 貼標號時,可就近選擇適當位置粘貼。
根據圖紙確定配線途徑。按配線途徑量線,正確落料(一般放長300~500mm),且兩端做好記號或套上線號,即按配線途徑 進行敷設。
導線的敷設應做到橫平豎直,層次美觀清晰,用紮帶捆紮或用繞帶繞紮。 可將二次線敷設在專為配線用的塑料行線槽內,此時隻需將導線整理清楚而毋需捆紮

安裝步驟
安裝接線按照先左後右、從上到下、由裏到外、先難後易的接線原則進行接線。先接線無功功率表、電流表、電壓表;然後接線自動補償儀、萬能轉換開關;完成以後進行捆紮線保持橫平豎直轉角為90°。端子排接線要留出一段線,每隻端子上接線螺釘最多接二根導線,對於端子間的連線可采用(圖五)的方法。然後接線電流互感器、交流接觸器、熱繼電器。

5、絕緣電阻測試、介電強度試驗
5.1、以500伏絕緣搖表測試法測試絕緣電阻
(1)被測前先拆下所有連線待測、並放電。
(2)搖測時被測物體應在良好的絕緣上。
(3)將測試線可靠觸及電容器電極上。
(4)分別測電容器三個接線端子對外殼阻值。
(5)經jing搖yao表biao發fa電dian機ji連lian續xu一yi定ding時shi間jian對dui電dian容rong器qi充chong電dian並bing讀du取qu數shu據ju後hou應ying將jiang迅xun速su將jiang測ce試shi線xian離li開kai被bei測ce試shi物wu切qie斷duan電dian路lu,以yi避bi免mian被bei充chong過guo電dian的de電dian容rong器qi的de剩sheng存cun電dian荷he通tong過guo搖yao表biao內nei電dian路lu放fang電dian漏lou掉diao和he打da壞huai指zhi示shi表biao針zhen,燒shao毀hui搖yao表biao內nei二er極ji管guan等deng內nei部bu元yuan件jian。
5.2工頻及衝擊耐壓
試驗時,必須將斷路器(負荷開關或接觸器)、隔離開關閉合,將高壓熔斷器短接,所有可移開部件均處於工作位置。但是,當斷路器(負荷開關或接觸器)、隔離開關在斷開狀態或可移開部件處於移開、試驗或接地位置能引起更為不利的電場條件時,則必須在該條件下再做一次,即合閘、分閘、拉開時,均應按以上條件進行試驗。
衝擊耐壓試驗時,被試品不得帶有過電壓保護元件,電流互感器的二次側應短路並接地,低電流比的電流互感器允許將一次側短接。
輔助回路和控製回路應能經受2500v工頻耐壓試驗,並按以下要求進行:
將輔助回路連接在一起,試驗電壓加在它和接地骨架之間。
將正常使用中與其他部分絕緣的每一部分回路作為一極,其他部
若各次試驗皆無擊穿,認為通過。
保護電路有效性

絕緣電阻及交流耐壓

特別推薦
- 噪聲中提取真值!瑞盟科技推出MSA2240電流檢測芯片賦能多元高端測量場景
- 10MHz高頻運行!氮矽科技發布集成驅動GaN芯片,助力電源能效再攀新高
- 失真度僅0.002%!力芯微推出超低內阻、超低失真4PST模擬開關
- 一“芯”雙電!聖邦微電子發布雙輸出電源芯片,簡化AFE與音頻設計
- 一機適配萬端:金升陽推出1200W可編程電源,賦能高端裝備製造
技術文章更多>>
- 一秒檢測,成本降至萬分之一,光引科技把幾十萬的台式光譜儀“搬”到了手腕上
- AI服務器電源機櫃Power Rack HVDC MW級測試方案
- 突破工藝邊界,奎芯科技LPDDR5X IP矽驗證通過,速率達9600Mbps
- 通過直接、準確、自動測量超低範圍的氯殘留來推動反滲透膜保護
- 從技術研發到規模量產:恩智浦第三代成像雷達平台,賦能下一代自動駕駛!
技術白皮書下載更多>>
- 車規與基於V2X的車輛協同主動避撞技術展望
- 數字隔離助力新能源汽車安全隔離的新挑戰
- 汽車模塊拋負載的解決方案
- 車用連接器的安全創新應用
- Melexis Actuators Business Unit
- Position / Current Sensors - Triaxis Hall
熱門搜索




