時間繼電器控製電動機轉子繞組串電阻啟動電路及實物圖分享
發布時間:2019-01-30 責任編輯:xueqi
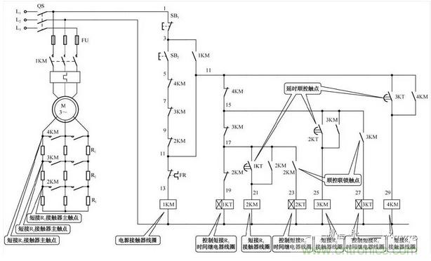
【導讀】電路原理分析:轉子回路中的3組啟動電阻,由接觸器2KM、3KM、4KM在時間繼電器1KT、2KT、KT3的控製下被順序短接;在正常工作時,隻有接觸器1KM和2KM的主觸點閉合。
1.原理圖

時間繼電器控製電動機轉子統組串電阻啟動電路
2.原理圖分析
轉子回路中的3組啟動電阻,由接觸器2KM、3KM、4KM在時間繼電器1KT、2KT、KT3的控製下被順序短接;在正常工作時,隻有接觸器1KM和2KM的主觸點閉合。
3原理圖說明
(1)啟動→4KM、2KM、2KT得電吸合 按下SB2→1KM得電吸合→主觸點閉合→電動機串全阻啟動;→1KM5-11閉合,自鎖→1KT得電吸合→經延時→1KT17-21閉合→2KM得電吸合→2KM9-11斷開;2KM17-21閉合,自鎖→主觸點閉合→第一級電阻R1被短接;2KM17-19斷開→1KT失電釋放→1KT17-21複位斷開;2KM17-23閉合→2KT得電吸合→開始延時。
(2)啟動→3KM、3KT得電吸合2KT得電吸合→開始延時,延時時間到→2KT15-25閉合→3KM得電吸合→3KM7-9斷開;3KM15-25閉合,自鎖;主觸點閉合→第二級電阻R2被短接;3KM15-17斷開→2KM失電釋放→主觸點斷開;2KM9-11複位閉合、2KM17-21複位斷開、2KM17-23複位斷開、2KM17-19複位閉合;2KT失電釋放→2KT15-25複位斷開。
(3)啟動→4KM得電吸合。
3KM15-27閉合→3KT得電吸合→開始延時,延時時間到→3KT11-29閉合→4KM得電吸合→4KM11-29閉合,自鎖,主觸點閉合→第二級電阻R3被短接→電動機全壓運行;4KM5-7斷開;4KM11-15斷開→3KT失電釋放→3KT11-29斷開;3KT失電釋放→主觸點斷開;3KM15-25複位斷開;3KM15-27複位斷開;3KM7-9複位閉合;3KM15-17複位閉合。
(4)停止。按下SB1→1KM、4KM失電釋放→電動機停轉。
EPLAN繪製的電路圖實物圖分享:


來源:維修電工講解(微信公眾號)
特別推薦
- 噪聲中提取真值!瑞盟科技推出MSA2240電流檢測芯片賦能多元高端測量場景
- 10MHz高頻運行!氮矽科技發布集成驅動GaN芯片,助力電源能效再攀新高
- 失真度僅0.002%!力芯微推出超低內阻、超低失真4PST模擬開關
- 一“芯”雙電!聖邦微電子發布雙輸出電源芯片,簡化AFE與音頻設計
- 一機適配萬端:金升陽推出1200W可編程電源,賦能高端裝備製造
技術文章更多>>
- 築基AI4S:摩爾線程全功能GPU加速中國生命科學自主生態
- 一秒檢測,成本降至萬分之一,光引科技把幾十萬的台式光譜儀“搬”到了手腕上
- AI服務器電源機櫃Power Rack HVDC MW級測試方案
- 突破工藝邊界,奎芯科技LPDDR5X IP矽驗證通過,速率達9600Mbps
- 通過直接、準確、自動測量超低範圍的氯殘留來推動反滲透膜保護
技術白皮書下載更多>>
- 車規與基於V2X的車輛協同主動避撞技術展望
- 數字隔離助力新能源汽車安全隔離的新挑戰
- 汽車模塊拋負載的解決方案
- 車用連接器的安全創新應用
- Melexis Actuators Business Unit
- Position / Current Sensors - Triaxis Hall
熱門搜索




