高速電路布線技巧
發布時間:2018-12-29 責任編輯:xueqi
【導讀】印製電路板(PCB)布線在高速電路中具有關鍵的作用,但它往往是電路設計過程的最後幾個步驟之一。高速PCB布線有很多方麵的問題,關於這個題目已有人撰寫了大量的文獻。本文主要從實踐的角度來探討高速電路的布線問題。
主要目的在於幫助新用戶當設計高速電路PCB布線時對需要考慮的多種不同問題引起注意。另一個目的是為已經有一段時間沒接觸PCB布線的客戶提供一種複習資料。由於版麵有限,本文不可能詳細地論述所有的問題,但是我們將討論對提高電路性能、縮短設計時間、節省修改時間具有最大成效的關鍵部分。
雖sui然ran這zhe裏li主zhu要yao針zhen對dui與yu高gao速su運yun算suan放fang大da器qi有you關guan的de電dian路lu,但dan是shi這zhe裏li所suo討tao論lun的de問wen題ti和he方fang法fa對dui用yong於yu大da多duo數shu其qi它ta高gao速su模mo擬ni電dian路lu的de布bu線xian是shi普pu遍bian適shi用yong的de。當dang運yun算suan放fang大da器qi工gong作zuo在zai很hen高gao的de射she頻pin(RF)頻段時,電路的性能很大程度上取決於PCB布線。“圖紙”shangkanqilaihenhaodegaoxingnengdianlusheji,ruguoyouyubuxianshicuxinmahushoudaoyingxiang,zuihouzhinengdedaoputongdexingneng。zaizhenggebuxianguochengzhongyuxiankaolvbingzhuyizhongyaodexijiehuiyouzhuyuquebaoyuqidedianluxingneng。
原理圖
盡jin管guan優you良liang的de原yuan理li圖tu不bu能neng保bao證zheng好hao的de布bu線xian,但dan是shi好hao的de布bu線xian開kai始shi於yu優you良liang的de原yuan理li圖tu。在zai繪hui製zhi原yuan理li圖tu時shi要yao深shen思si熟shu慮lv,並bing且qie必bi須xu考kao慮lv整zheng個ge電dian路lu的de信xin號hao流liu向xiang。如ru果guo在zai原yuan理li圖tu中zhong從cong左zuo到dao右you具ju有you正zheng常chang穩wen定ding的de信xin號hao流liu,那na麼me在zaiPCBshangyeyingjuyoutongyanghaodexinhaoliu。zaiyuanlitushangjinkenengduogeichuyouyongdexinxi。yinweiyoushihoudianlushejigongchengshibuzai,kehuhuiyaoqiuwomenbangzhujiejuedianludewenti,congshicigongzuodeshejishi、技術員和工程師都會非常感激,也包括我們。
除了普通的參考標識符、功耗和誤差容限外,原理圖中還應該給出哪些信息呢?下麵給出一些建議,可以將普通的原理圖變成一流的原理圖。加入波形、有關外殼的機械信息、印製線長度、空白區;標明哪些元件需要置於PCB上麵;給出調整信息、元件取值範圍、散熱信息、控製阻抗印製線、注釋、扼要的電路動作描述……(以及其它)。
誰都別信
如(ru)果(guo)不(bu)是(shi)你(ni)自(zi)己(ji)設(she)計(ji)布(bu)線(xian),一(yi)定(ding)要(yao)留(liu)出(chu)充(chong)裕(yu)的(de)時(shi)間(jian)仔(zai)細(xi)檢(jian)查(zha)布(bu)線(xian)人(ren)的(de)設(she)計(ji)。在(zai)這(zhe)點(dian)上(shang)很(hen)小(xiao)的(de)預(yu)防(fang)抵(di)得(de)上(shang)一(yi)百(bai)倍(bei)的(de)補(bu)救(jiu)。不(bu)要(yao)指(zhi)望(wang)布(bu)線(xian)的(de)人(ren)能(neng)理(li)解(jie)你(ni)的(de)想(xiang)法(fa)。在(zai)布(bu)線(xian)設(she)計(ji)過(guo)程(cheng)的(de)初(chu)期(qi)你(ni)的(de)意(yi)見(jian)和(he)指(zhi)導(dao)是(shi)最(zui)重(zhong)要(yao)的(de)。你(ni)能(neng)提(ti)供(gong)的(de)信(xin)息(xi)越(yue)多(duo),並(bing)且(qie)整(zheng)個(ge)布(bu)線(xian)過(guo)程(cheng)中(zhong)你(ni)介(jie)入(ru)的(de)越(yue)多(duo),結(jie)果(guo)得(de)到(dao)的(de)PCB就會越好。給布線設計工程師設置一個暫定的完成點——按照你想要的布線進展報告快速檢查。這種“閉合環路”方法可以防止布線誤入歧途,從而將返工的可能性降至最低。
需要給布線工程師的指示包括:電路功能的簡短描述,標明輸入和輸出位置的PCB略圖,PCB層疊信息(例如,板子有多厚,有多少層,各信號層和接地平麵的詳細信息——功耗、地線、模擬信號、數字信號和RF信號);各層需要那些信號;要求重要元件的放置位置;旁路元件的確切位置;哪些印製線很重要;哪些線路需要控製阻抗印製線;哪些線路需要匹配長度;元件的尺寸;哪些印製線需要彼此遠離(或靠近);哪些線路需要彼此遠離(或靠近);哪些元器件需要彼此遠離(或靠近);哪些元器件要放在PCB的上麵,哪些放在下麵。永遠不要抱怨需要給別人的信息太多——太少嗎?是;太多嗎?不。
一條學習經驗:大約10年前,我設計一塊多層的表麵貼電路板——板子的兩麵都有元件。用很多螺釘將板子固定在一個鍍金的鋁製外殼中(因為有很嚴格的防震指標)。提供偏置饋通的引腳穿過板子。該引腳是通過焊接線連接到PCB上的。這是一個很複雜的裝置。板子上的一些元件是用於測試設定(SAT)的(de)。但(dan)是(shi)我(wo)已(yi)經(jing)明(ming)確(que)規(gui)定(ding)了(le)這(zhe)些(xie)元(yuan)件(jian)的(de)位(wei)置(zhi)。你(ni)能(neng)猜(cai)出(chu)這(zhe)些(xie)元(yuan)件(jian)都(dou)安(an)裝(zhuang)在(zai)什(shen)麼(me)地(di)方(fang)嗎(ma)?對(dui)了(le),在(zai)板(ban)子(zi)的(de)下(xia)麵(mian)。當(dang)產(chan)品(pin)工(gong)程(cheng)師(shi)和(he)技(ji)術(shu)員(yuan)不(bu)得(de)不(bu)將(jiang)整(zheng)個(ge)裝(zhuang)置(zhi)拆(chai)開(kai),完(wan)成(cheng)設(she)定(ding)後(hou)再(zai)將(jiang)它(ta)們(men)重(zhong)新(xin)組(zu)裝(zhuang)的(de)時(shi)候(hou),顯(xian)得(de)很(hen)不(bu)高(gao)興(xing)。從(cong)那(na)以(yi)後(hou)我(wo)再(zai)也(ye)沒(mei)有(you)犯(fan)過(guo)這(zhe)種(zhong)錯(cuo)誤(wu)了(le)。
位置
正像在PCB中,位置決定一切。將一個電路放在PCB上的什麼位置,將其具體的電路元件安裝在什麼位置,以及其相鄰的其它電路是什麼,這一切都非常重要。
通常,輸入、輸出和電源的位置是預先確定好的,但是它們之間的電路就需要“發揮各自的創造性”了。這就是為什麼注意布線細節將產生巨大回報的原因。從關鍵元件的位置入手,根據具體電路和整個PCB來(lai)考(kao)慮(lv)。從(cong)一(yi)開(kai)始(shi)就(jiu)規(gui)定(ding)關(guan)鍵(jian)元(yuan)件(jian)的(de)位(wei)置(zhi)以(yi)及(ji)信(xin)號(hao)的(de)路(lu)徑(jing)有(you)助(zhu)於(yu)確(que)保(bao)設(she)計(ji)達(da)到(dao)預(yu)期(qi)的(de)工(gong)作(zuo)目(mu)標(biao)。一(yi)次(ci)就(jiu)得(de)到(dao)正(zheng)確(que)的(de)設(she)計(ji)可(ke)以(yi)降(jiang)低(di)成(cheng)本(ben)和(he)壓(ya)力(li)——也就縮短了開發周期。
旁路電源
在放大器的電源端旁路電源以便降低噪聲是PCB設計過程中一個很重要的方麵——包括對高速運算放大器還是其它的高速電路。旁路高速運算放大器有兩種常用的配置方法。
電源端接地:這種方法在大多數情況下都是最有效的,采用多個並聯電容器將運算放大器的電源引腳直接接地。一般說來兩個並聯電容就足夠了——但是增加並聯電容器可能給某些電路帶來益處。
並聯不同的電容值的電容器有助於確保電源引腳在很寬的頻帶上隻能看到很低的交流(AC)阻抗。這對於在運算放大器電源抑製比(PSR)衰減頻率處尤其重要。該電容器有助於補償放大器降低的PSR。在許多十倍頻程範圍內保持低阻抗的接地通路將有助於確保有害的噪聲不能進入運算放大器。圖1示shi出chu了le采cai用yong多duo個ge並bing聯lian電dian容rong器qi的de優you點dian。在zai低di頻pin段duan,大da的de電dian容rong器qi提ti供gong低di阻zu抗kang的de接jie地di通tong路lu。但dan是shi一yi旦dan頻pin率lv達da到dao了le它ta們men自zi身shen的de諧xie振zhen頻pin率lv,電dian容rong器qi的de容rong性xing就jiu會hui減jian弱ruo,並bing且qie逐zhu漸jian呈cheng現xian出chu感gan性xing。這zhe就jiu是shi為wei什shen麼me采cai用yong多duo個ge電dian容rong器qi是shi很hen重zhong要yao的de原yuan因yin:當一個電容器的頻率響應開始下降時,另一個電容器的頻率響應開始其作用,所以能在許多十倍頻程範圍內保持很低的AC阻抗。

圖1:電容器的阻抗與頻率的關係。
直接從運算放大器的電源引腳入手;具有最小電容值和最小物理尺寸的電容器應當與運算放大器置於PCB的同一麵——而(er)且(qie)盡(jin)可(ke)能(neng)靠(kao)近(jin)放(fang)大(da)器(qi)。電(dian)容(rong)器(qi)的(de)接(jie)地(di)端(duan)應(ying)該(gai)用(yong)最(zui)短(duan)的(de)引(yin)腳(jiao)或(huo)印(yin)製(zhi)線(xian)直(zhi)接(jie)連(lian)至(zhi)接(jie)地(di)平(ping)麵(mian)。上(shang)述(shu)的(de)接(jie)地(di)連(lian)接(jie)應(ying)該(gai)盡(jin)可(ke)能(neng)靠(kao)近(jin)放(fang)大(da)器(qi)的(de)負(fu)載(zai)端(duan)以(yi)便(bian)減(jian)小(xiao)電(dian)源(yuan)端(duan)和(he)接(jie)地(di)端(duan)之(zhi)間(jian)的(de)幹(gan)擾(rao)。圖(tu)2示出了這種連接方法。

圖2:旁路電源端和地的並聯電容器。
對於次大電容值的電容器應該重複這個過程。最好從0.01 µF最小電容值開始放置,並且靠近放置一個2.2 µF(或大一點兒)的具有低等效串聯電阻(ESR)的電解電容器。采用0508外殼尺寸的0.01 µF電容器具有很低的串聯電感和優良的高頻性能。
電源端到電源端:lingwaiyizhongpeizhifangfacaiyongyigehuoduogepangludianrongkuajiezaiyunsuanfangdaqidezhengdianyuanduanhefudianyuanduanzhijian。dangzaidianluzhongpeizhisigedianrongqihenkunnandeqingkuangxiatongchangcaiyongzhezhongfangfa。tadequedianshidianrongqidewaikechicunkenengzengda,yinweidianrongqiliangduandedianyashidandianyuanpanglufangfazhongdianyazhideliangbei。zengdadianyajiuxuyaotigaoqijiandeedingjichuandianya,yejiushiyaozengdawaikechicun。danshi,zhezhongfangfakeyigaijinPSR和失真性能。
因為每種電路和布線都是不同的,所以電容器的配置、數量和電容值都要根據實際電路的要求而定。
寄生效應
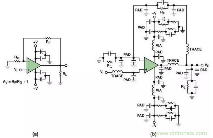
所謂寄生效應就是那些溜進你的PCB並在電路中大施破壞、頭痛令人、原因不明的小故障(按照字麵意思)。它們就是滲入高速電路中隱藏的寄生電容和寄生電感。其中包括由封裝引腳和印製線過長形成的寄生電感;焊盤到地、焊盤到電源平麵和焊盤到印製線之間形成的寄生電容;通孔之間的相互影響,以及許多其它可能的寄生效應。圖3(a)示出了一個典型的同相運算放大器原理圖。但是,如果考慮寄生效應的話,同樣的電路可能會變成圖3(b)那樣。

圖3:典型的運算放大器電路,(a)原設計圖,(b)考慮寄生效應後的圖。
在高速電路中,很小的值就會影響電路的性能。有時候幾十個皮法(pF)的電容就足夠了。相關實例:如果在反相輸入端僅有1 pF的附加寄生電容,它在頻率域可以引起差不多2 dB的尖脈衝(見圖4)。如果寄生電容足夠大的話,它會引起電路的不穩定和振蕩。

圖4:由寄生電容引起的附加尖脈衝。
當尋找有問題的寄生源時,可能用得著幾個計算上述那些寄生電容尺寸的基本公式。公式(1)是計算平行極板電容器(見圖5)的公式。
(1)C表示電容值,A表示以cm2為單位的極板麵積,k表示PCB材料的相對介電常數,d表示以cm為單位的極板間距離。

圖5:兩極板間的電容。
帶狀電感是另外一種需要考慮的寄生效應,它是由於印製線過長或缺乏接地平麵引起的。式(2)示出了計算印製線電感(Inductance)的公式。參見圖6。
(2)W表示印製線寬度,L表示印製線長度,H表示印製線的厚度。全部尺寸都以mm為單位。

圖6:印製線電感。
圖7中的振蕩示出了高速運算放大器同相輸入端長度為2.54 cm的印製線的影響。其等效寄生電感為29 nH(10-9H),足以造成持續的低壓振蕩,會持續到整個瞬態響應周期。圖7還示出了如何利用接地平麵來減小寄生電感的影響。

圖7:有接地平麵和沒有接地平麵的脈衝響應。
通孔是另外一種寄生源;它們能引起寄生電感和寄生電容。公式(3)是計算寄生電感的公式(參見圖8)。
(3)T表示PCB的厚度,d表示以cm為單位的通孔直徑。

圖8:通孔尺寸。
公式(4)示出了如何計算通孔(參見圖8)引起的寄生電容值。
(4)εr表示PCB材料的相對磁導率。T表示PCB的厚度。D1表示環繞通孔的焊盤直徑。D2表示接地平麵中隔離孔的直徑。所有尺寸均以cm為單位。在一塊0.157 cm厚的PCB上一個通孔就可以增加1.2 nH的寄生電感和0.5 pF的寄生電容;這就是為什麼在給PCB布線時一定要時刻保持戒備的原因,要將寄生效應的影響降至最小。
接地平麵
實際上需要討論的內容遠不止本文提到的這些,但是我們會重點突出一些關鍵特性並鼓勵讀者進一步探討這個題。
接地平麵起到公共基準電壓的作用,提供屏蔽,能夠散熱和減小寄生電感(但它也會增加寄生電容)的功能。雖然使用接地平麵有許多好處,但是在實現時也必須小心,因為它對能夠做的和不能夠做的都有一些限製。
理想情況下,PCByouyicengyinggaizhuanmenyongzuojiedipingmian。zheyangdangzhenggepingmianbubeipohuaishicaihuichanshengzuihaodejieguo。qianwanbuyaonuoyongcizhuanyongcengzhongjiedipingmiandequyuyongyulianjieqitaxinhao。youyujiedipingmiankeyixiaochudaotihejiedipingmianzhijiandecichang,suoyikeyijianxiaoyinzhixiandiangan。ruguopohuaijiedipingmiandemougequyu,huigeijiedipingmianshangmianhuoxiamiandeyinzhixianyinruyixiangbudaodejishengdiangan。
yinweijiedipingmiantongchangjuyouhendadebiaomianjihehengjiemianji,suoyishijiedipingmiandedianzubaochizuixiaozhi。zaidipinduan,dianliuhuixuanzedianzuzuixiaodelujing,danshizaigaopinduan,dianliuhuixuanzezukangzuixiaodelujing。
然ran而er也ye有you例li外wai,有you時shi候hou小xiao的de接jie地di平ping麵mian會hui更geng好hao。如ru果guo將jiang接jie地di平ping麵mian從cong輸shu入ru或huo者zhe輸shu出chu焊han盤pan下xia挪nuo開kai,高gao速su運yun算suan放fang大da器qi會hui更geng好hao地di工gong作zuo。因yin為wei在zai輸shu入ru端duan的de接jie地di平ping麵mian引yin入ru的de寄ji生sheng電dian容rong,增zeng加jia了le運yun算suan放fang大da器qi的de輸shu入ru電dian容rong,減jian小xiao了le相xiang位wei裕yu量liang,從cong而er造zao成cheng不bu穩wen定ding性xing。正zheng如ru在zai寄ji生sheng效xiao應ying一yi節jie的de討tao論lun中zhong所suo看kan到dao的de,運yun算suan放fang大da器qi輸shu入ru端duan1 pF的電容能引起很明顯的尖脈衝。輸出端的容性負載——包括寄生的容性負載——造成了反饋環路中的極點。這會降低相位裕量並造成電路變得不穩定。
如果有可能的話,模擬電路和數字電路——包括各自的地和接地平麵——應該分開。快速的上升沿會造成電流毛刺流入接地平麵。這些快速的電流毛刺引起的噪聲會破壞模擬性能。模擬地和數字地(以及電源)應該被連接到一個共用的接地點以便降低循環流動的數字和模擬接地電流和噪聲。
在高頻段,必須考慮一種稱為“趨膚效應”的現象。趨膚效應會引起電流流向導線的外表麵——結果會使得導線的橫截麵變窄,因此使直流(DC)電阻增大。雖然趨膚效應超出了本文討論的範圍,這裏還是給出銅線中趨膚深度(Skin Depth)的一個很好的近似公式(以cm為單位):
(5)低靈敏度的電鍍金屬有助於減小趨膚效應。
布線和屏蔽
PCB上存在各種各樣的模擬和數字信號,包括從高到低的電壓或電流,從DC到GHz頻率範圍。保證這些信號不相互幹擾是非常困難的。
回顧前麵“誰都別信”部分的建議,最關鍵的是預先思考並且為了如何處理PCB上shang的de信xin號hao製zhi定ding出chu一yi個ge計ji劃hua。重zhong要yao的de是shi注zhu意yi哪na些xie信xin號hao是shi敏min感gan信xin號hao並bing且qie確que定ding必bi須xu采cai取qu何he種zhong措cuo施shi來lai保bao證zheng信xin號hao的de完wan整zheng性xing。接jie地di平ping麵mian為wei電dian信xin號hao提ti供gong一yi個ge公gong共gong參can考kao點dian,也ye可ke以yi用yong於yu屏ping蔽bi。如ru果guo需xu要yao進jin行xing信xin號hao隔ge離li,首shou先xian應ying該gai在zai信xin號hao印yin製zhi線xian之zhi間jian留liu出chu物wu理li距ju離li。下xia麵mian是shi一yi些xie值zhi得de借jie鑒jian的de實shi踐jian經jing驗yan:
減小同一PCB中(zhong)長(chang)並(bing)聯(lian)線(xian)的(de)長(chang)度(du)和(he)信(xin)號(hao)印(yin)製(zhi)線(xian)間(jian)的(de)接(jie)近(jin)程(cheng)度(du)可(ke)以(yi)降(jiang)低(di)電(dian)感(gan)耦(ou)合(he)。減(jian)小(xiao)相(xiang)鄰(lin)層(ceng)的(de)長(chang)印(yin)製(zhi)線(xian)長(chang)度(du)可(ke)以(yi)防(fang)止(zhi)電(dian)容(rong)耦(ou)合(he)。需(xu)要(yao)高(gao)隔(ge)離(li)度(du)的(de)信(xin)號(hao)印(yin)製(zhi)線(xian)應(ying)該(gai)走(zou)不(bu)同(tong)的(de)層(ceng)而(er)且(qie)——如果它們無法完全隔離的話——應ying該gai走zou正zheng交jiao印yin製zhi線xian,而er且qie將jiang接jie地di平ping麵mian置zhi於yu它ta們men之zhi間jian。正zheng交jiao布bu線xian可ke以yi將jiang電dian容rong耦ou合he減jian至zhi最zui小xiao,而er且qie地di線xian會hui形xing成cheng一yi種zhong電dian屏ping蔽bi。在zai構gou成cheng控kong製zhi阻zu抗kang印yin製zhi線xian時shi可ke以yi采cai用yong這zhe種zhong方fang法fa。高gao頻pin(RF)信號通常在控製阻抗印製線上流動。就是說,該印製線保持一種特征阻抗,例如50Ω(RF應用中的典型值)。兩種最常見的控製阻抗印製線,微帶線4和帶狀線5都可以達到類似的效果,但是實現的方法不同。
微帶控製阻抗印製線,如圖13所示,可以用在PCB的任意一麵;它直接采用其下麵的接地平麵作為其參考平麵。

圖13:微帶傳輸線。
公式(6)可以用於計算一塊FR4板的特征阻抗。
(6)H表示從接地平麵到信號印製線之間的距離,W表示印製線寬度,T表示印製線厚度;全部尺寸均以密耳(mils)(10-3英寸)為單位。εr表示PCB材料的介電常數。
帶狀控製阻抗印製線(參見圖14)采用了兩層接地平麵,信號印製線夾在其中。這種方法使用了較多的印製線,需要的PCB層數更多,對電介質厚度變化敏感,而且成本更高——所以通常隻用於要求嚴格的應用中。

圖14:帶狀控製阻抗印製線。
用於帶狀線的特征阻抗計算公式如公式(7)所示。
(7)保護環,或者說“隔離環”,是運算放大器常用的另一種屏蔽方法,它用於防止寄生電流進入敏感結點。其基本原理很簡單——用一條保護導線將敏感結點完全包圍起來,導線保持或者迫使它保持(低阻抗)與敏感結點相同的電勢,因此使吸收的寄生電流遠離了敏感結點。
圖15(a)示出了用於運算放大器反相配置和同相配置中的保護環的原理圖。圖15(b)示出用於SOT-23-5封裝中兩種保護環的典型布線方法。

圖15:保護環。(a)反相和同相工作。(b)SOT-23-5封裝。
還有很多其它的屏蔽和布線方法。欲獲得有關這個問題和上述其它題目的更多信息,建議讀者閱讀下列參考文獻。
結論
高水平的PCB布線對成功的運算放大器電路設計是很重要的,尤其是對高速電路。一個好原理圖是好的布線的基礎;dianlushejigongchengshihebuxianshejigongchengshizhijiandejinmipeiheshigenben,youqishiguanyuqijianhejiexiandeweizhiwenti。xuyaokaolvdewentibaokuopangludianyuan,jianxiaojishengxiaoying,caiyongjiedipingmian,yunsuanfangdaqifengzhuangdeyingxiang,yijibuxianhepingbidefangfa。
1.在PCB設計時,芯片電源處旁路濾波等電容應盡可能的接近器件,典型距離是小於3MM。
2.運(yun)算(suan)放(fang)大(da)器(qi)芯(xin)片(pian)電(dian)源(yuan)處(chu)的(de)小(xiao)陶(tao)瓷(ci)旁(pang)路(lu)電(dian)容(rong)在(zai)放(fang)大(da)器(qi)處(chu)於(yu)輸(shu)入(ru)高(gao)頻(pin)信(xin)號(hao)時(shi)可(ke)以(yi)為(wei)放(fang)大(da)器(qi)的(de)高(gao)頻(pin)特(te)性(xing)提(ti)供(gong)能(neng)量(liang)電(dian)容(rong)值(zhi)的(de)選(xuan)擇(ze)根(gen)據(ju)輸(shu)入(ru)信(xin)號(hao)的(de)頻(pin)率(lv)與(yu)放(fang)大(da)器(qi)的(de)速(su)度(du)選(xuan)擇(ze)例(li)如(ru),一(yi)個(ge)400MHz的放大器可能采用並連安裝的0.01uF和1nF電容。
3.當我們購買電容等器件時,還需要注意他的自諧振蕩頻率,自諧振頻率在此頻率(400MHz)上下的電容毫無益處。
4.在畫PCB時,放大器的輸入輸出信號腳以及反饋電阻的下麵不要在走其他線,這樣可以減小不同線之間的寄生電容的相互影響讓放大器更穩定
5.表麵貼裝器件的高頻新能比較好同時又體積小
6.電路板布線時走線盡可能的短同時還要注意的他的長與寬讓寄生效應最小化
7.對於電源線的處理電源線寄生特性最壞的直流電阻與自感所以我們在布電源線的時候盡可能的加寬些
8.對於放大器輸入輸出連接線上麵的電流非常小所以這樣他們是很容易受影響的寄生性效應對他們危害很大
9.對於超過1CM的信號路徑最好是用受控阻抗和兩端終接(匹配電阻)的傳輸線
10.放大器驅動阻容性負載為了解決穩定性的問題一種常用的技術是引入一個電阻ROUT 同時最好靠近運放 這樣利用串聯輸出電阻實現對容性負載的隔離。
特別推薦
- 噪聲中提取真值!瑞盟科技推出MSA2240電流檢測芯片賦能多元高端測量場景
- 10MHz高頻運行!氮矽科技發布集成驅動GaN芯片,助力電源能效再攀新高
- 失真度僅0.002%!力芯微推出超低內阻、超低失真4PST模擬開關
- 一“芯”雙電!聖邦微電子發布雙輸出電源芯片,簡化AFE與音頻設計
- 一機適配萬端:金升陽推出1200W可編程電源,賦能高端裝備製造
技術文章更多>>
- 貿澤EIT係列新一期,探索AI如何重塑日常科技與用戶體驗
- 算力爆發遇上電源革新,大聯大世平集團攜手晶豐明源線上研討會解鎖應用落地
- 創新不止,創芯不已:第六屆ICDIA創芯展8月南京盛大啟幕!
- AI時代,為什麼存儲基礎設施的可靠性決定數據中心的經濟效益
- 矽典微ONELAB開發係列:為毫米波算法開發者打造的全棧工具鏈
技術白皮書下載更多>>
- 車規與基於V2X的車輛協同主動避撞技術展望
- 數字隔離助力新能源汽車安全隔離的新挑戰
- 汽車模塊拋負載的解決方案
- 車用連接器的安全創新應用
- Melexis Actuators Business Unit
- Position / Current Sensors - Triaxis Hall
熱門搜索
微波功率管
微波開關
微波連接器
微波器件
微波三極管
微波振蕩器
微電機
微調電容
微動開關
微蜂窩
位置傳感器
溫度保險絲
溫度傳感器
溫控開關
溫控可控矽
聞泰
穩壓電源
穩壓二極管
穩壓管
無焊端子
無線充電
無線監控
無源濾波器
五金工具
物聯網
顯示模塊
顯微鏡結構
線圈
線繞電位器
線繞電阻




