MOS管等效電路及應用電路概述
發布時間:2018-11-16 責任編輯:xueqi
【導讀】相對於三極管而言,MOS管開關速度快,導通電壓低,電壓驅動簡單,所以越來越受工程師的喜歡。但如果設計不當,哪怕是小功率MOS管,也會導致芯片燒壞,原本想著更簡單的,最後變得更加複雜。作者這幾年來一直做高頻電源設計,也涉及嵌入式開發,對大小功率MOS管,都有一定的理解,所以把心中理解的經驗總結一番,形成理論模型。
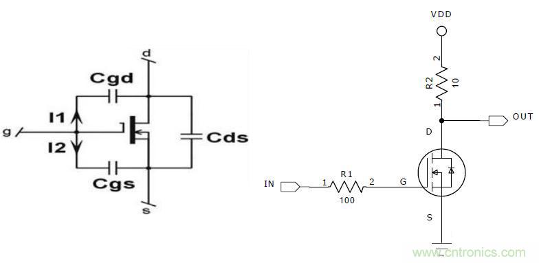
MOS管等效電路及應用電路如下圖所示:

把MOS管的微觀模型疊加起來,就如下圖所示:

我們知道,MOS管的輸入與輸出是相位相反,恰好180度,也就是等效於一個反相器,也可以理解為一個反相工作的運放,如下圖:

有了以上模型,就好辦了,尤其從運放這張圖中,可以一眼看出,這就是一個反相積分電路,當輸入電阻較大時,開關速度比較緩慢,Cgd這顆積分電容影響不明顯,但是當開關速度比較高,而且VDD供電電壓表高,比如310V下,通過Cgd的電流比較大,強的積分很容易引起振蕩,這個振蕩叫米勒振蕩。所以Cgd也叫米勒電容,而在MOS管(guan)開(kai)關(guan)導(dao)通(tong)或(huo)者(zhe)關(guan)斷(duan)的(de)那(na)段(duan)時(shi)間(jian),也(ye)就(jiu)是(shi)積(ji)分(fen)那(na)段(duan)時(shi)間(jian),叫(jiao)米(mi)勒(le)平(ping)台(tai),如(ru)下(xia)圖(tu)圓(yuan)圈(quan)中(zhong)的(de)那(na)部(bu)分(fen)為(wei)米(mi)勒(le)平(ping)台(tai),右(you)邊(bian)的(de)是(shi)振(zhen)蕩(dang)嚴(yan)重(zhong)的(de)米(mi)勒(le)振(zhen)蕩(dang):

因為MOS管guan的de反fan饋kui引yin入ru了le電dian容rong,當dang這zhe個ge電dian容rong足zu夠gou大da,並bing且qie前qian段duan信xin號hao變bian化hua快kuai,後hou端duan供gong電dian電dian壓ya高gao,三san者zhe結jie合he起qi來lai,就jiu會hui引yin起qi積ji分fen過guo充chong振zhen蕩dang,這zhe個ge等deng價jia於yu溫wen控kong的dePID中的I模型,要想解決解決這個米勒振蕩,在頻率和電壓不變的情況下,一般可以提高MOS管的驅動電阻,減緩開關的邊沿速度,其次比較有效的方式是增加Cgs電容。在條件允許的情況下,可以在Cds之間並上低內阻抗衝擊的小電容,或者用RC電路來做吸收電路。
下圖給出常用的三顆大功率MOS管的電容值:LCR電橋直接測量,具體型號就不提了。

從圖上可以看出,Inifineon6代MOS管和APT7代MOS管性能遠遠不如碳化矽性能,它的各個指標都很小,當米勒振蕩通過其他手段無法降低時,可以考慮更換更小的米勒電容MOS管,尤其需要重視Cgd要盡可能的小於Cgs。
特別推薦
- 噪聲中提取真值!瑞盟科技推出MSA2240電流檢測芯片賦能多元高端測量場景
- 10MHz高頻運行!氮矽科技發布集成驅動GaN芯片,助力電源能效再攀新高
- 失真度僅0.002%!力芯微推出超低內阻、超低失真4PST模擬開關
- 一“芯”雙電!聖邦微電子發布雙輸出電源芯片,簡化AFE與音頻設計
- 一機適配萬端:金升陽推出1200W可編程電源,賦能高端裝備製造
技術文章更多>>
- 菲尼克斯電氣DIP產線獲授“IPC HERMES Demo Line”示範線
- 貿澤電子新品推薦:2026年第一季度引入超過9,000個新物料
- 跨域無界 智馭未來——聯合電子北京車展之智能網聯篇
- PROFINET牽手RS232:網關為RFID裝上“同聲傳譯”舊設備秒變智能
- 為AI尋找存儲新方案
技術白皮書下載更多>>
- 車規與基於V2X的車輛協同主動避撞技術展望
- 數字隔離助力新能源汽車安全隔離的新挑戰
- 汽車模塊拋負載的解決方案
- 車用連接器的安全創新應用
- Melexis Actuators Business Unit
- Position / Current Sensors - Triaxis Hall
熱門搜索
電纜連接器
電力電子
電力繼電器
電力線通信
電流保險絲
電流表
電流傳感器
電流互感器
電路保護
電路圖
電路圖符號
電路圖知識
電腦OA
電腦電源
電腦自動斷電
電能表接線
電容觸控屏
電容器
電容器單位
電容器公式
電聲器件
電位器
電位器接法
電壓表
電壓傳感器
電壓互感器
電源變壓器
電源風扇
電源管理
電源管理IC

