貼片電容、電阻、電感基礎知識詳解
發布時間:2018-09-29 責任編輯:xueqi
【導讀】初學者往往麵臨這樣令人困惑又能非常撓頭的問題:如何由IC元件上的標注代碼(也稱印字),判斷是什麼器件?如何查找相關IC的電路資料?無標識(印字)元件怎樣判斷是什麼器件,如何測量其好壞?可否用其它型號的元件(甚至非貼片元件)對貼片元件進行代換?貼片元件的封裝形式有哪些啊?等等。
非貼片元件的電子元件本體,可以承載較多的產信息,如規格型號、製造廠商、產品序號等。貼片元件的體積或尺寸是以毫米為計的,元件本體上不允許標注太多的信息,標識方法通常有:1)簡化標識法。將常規標識型號進行簡化,如將74LS14(六反相器數字IC)標識為LS14;2)代碼標注法,將標識進一步簡化,稱為代碼標注法。如貼片晶體管的-24、1L等,更像是密碼,需要用資料“破譯”後,才能知道標識背後元件規格型號的含義;3)無標識。小功率(如16/1W)貼片電阻,和(PF級別)小容量電容,因元件本體太小,無法印出標識,幹脆就成為無標識元件。
貼片電阻
貼片電阻是電路板上應用數量最多的一種元件,形狀為矩形,黑色,電阻體上一般標注為白色數字(小型電阻無標識,稱無印字貼片電阻),變頻器生產廠家在電路板上標注的元件序列號為R(如R1、R147等)。貼片電阻的基本參數有標稱阻值、額定功率、誤差級別,另外還有最高使用電壓、溫度係數等,我們隻需關注標稱功阻值和額定功率值兩項參數就可以了。

圖1 貼片電阻外型圖
1、貼片電阻的工作參數和類別
1)額定阻值。最常見的有數字標識法。
a、用3位數字電阻值。前2位為十位、個位值,為有效數值,第3位是0的個數或稱為10的X次方。如標注為152,即為1500Ω;101,即為100Ω;103,即為10000Ω(10 kΩ)。
1Ω以下的值加R表示,如1R5,即1.5Ω;R10,即0.01Ω。
b、用4位數字表示電阻值。前3位為有效值,即千位、百位和個位值,第4位為0的個數。如標注為1501,即為1500Ω;標注為1000,即為100Ω;標注為681,即為680 Ω;標注為1003,即為100kΩ。1Ω以下的值加R表示,同上。
3色環和4色環阻值標注法,不常見,標注規則同普通電阻,不予贅述;精密型貼片電阻,用代碼標注法,由兩位數字加一位代碼組成,前兩位數字為有效值,第3位字母為乘數值。如01A——100Ω,02 C——100kΩ,不常見,但須注意!
2)額定功率。采用數字標識的貼片電阻多為黑色,其功率級別分為1/20W、1/16W、1/8W、1/10W、1/4W、1/2W、1W等,以1/16W、1/8W、1/10W、1/4W應ying用yong最zui多duo,一yi般ban功gong率lv越yue大da,電dian阻zu體ti積ji也ye越yue大da,功gong率lv級ji別bie是shi隨sui著zhe尺chi寸cun逐zhu步bu遞di增zeng的de。另ling外wai相xiang同tong的de外wai形xing,顏yan色se越yue深shen,功gong率lv值zhi也ye越yue大da。耗hao散san功gong率lv為wei1W或1W以上的電阻,考慮到散熱要求,不得與印刷線路板直接接觸,因而所有電路板上用到的貼片電阻,一般都是小於1W的。貼片電阻的功率值受限,故在電路中需要較大功率電阻的地方,經常采用多隻貼片電阻並聯(加串聯)的方法,來增大功率值。貼片電阻的功率值不在電阻體上直接標注,可以根據電阻的“個頭”來判斷電阻功率值的大小。
換用電阻元件時,一看數字標注的電阻值,二看電阻的體積大小,符合二者條件時,即可代換。
3)貼片熔斷電阻。這是貼片電阻中的一個特殊類型,出於電路安全考慮,不宜用普通貼片電阻予以代換,或輕易用導線短接。
tiepianrongduandianzu,shizaidianluzhongqidaorongsibaohuzuoyongdeyizhongteshutiepiandianzu,yibanshichuanlianyumoudanyuandianludegongdianzhiluzhong,dangliuguogaidianzudedianliuchaoguoyidingshuzhi,zeqidianzucengkuaisurongduan,qieduandianlugaidanyuandianludegongdiandianyuan,bimianguzhangkuodahua。qidianzutideshuzibiaozhuwei000或0,是貼片熔斷電阻的特征,測量其正常電阻值為0Ω。
4)貼片排阻。這是另一類型的貼片電阻,最常見為4引腳2元件貼片排阻、8引腳4元件貼片電阻和10引腳8元件貼片排阻,8此腳4元件貼片排阻其內部含有4隻同電阻值的相互獨立的電阻元件,標注為472的貼片排阻,指內部含有4隻阻值為4.7k的電阻元件,用於集中使用相同阻值電阻元件的電路,如MCU引腳的上位電阻,在MCU的接口電路中應用較多。

圖2 貼片排阻與內部等效電路
2、如何判斷貼片電阻的阻值和功率大小?
如ru果guo能neng清qing晰xi看kan出chu貼tie片pian電dian阻zu體ti上shang的de數shu字zi標biao識shi,判pan斷duan電dian阻zu值zhi和he功gong率lv值zhi當dang然ran不bu存cun在zai問wen題ti。如ru果guo損sun壞huai電dian阻zu本ben身shen無wu標biao注zhu,或huo已yi燒shao毀hui得de麵mian目mu全quan非fei,看kan不bu清qing標biao注zhu,那na麼me代dai換huan前qian的de電dian阻zu值zhi判pan斷duan就jiu要yao費fei一yi點dian周zhou折zhe了le,而er且qie也ye必bi須xu做zuo到dao心xin中zhong有you數shu,才cai能neng做zuo出chu下xia一yi步bu的de修xiu複fu。有you哪na些xie方fang法fa可ke以yi作zuo出chu較jiao為wei準zhun確que的de判pan斷duan呢ne?
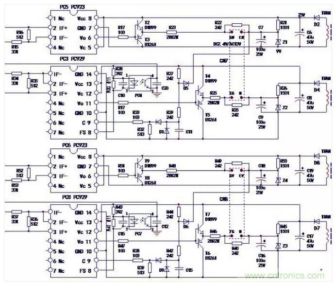
1)參考本機型的相同電路中相對應元件的電阻值。變頻器電路中的相同電路很多,如6路IGBT驅動脈衝傳輸通道,其中6個支路是完全一樣的,從MCU脈衝信號輸出引腳,至緩衝電路、至驅動IC,至IGBT的柵、射極電路。任何其中1路lu或huo數shu個ge支zhi路lu中zhong的de電dian阻zu或huo其qi它ta元yuan件jian損sun壞huai,可ke能neng參can考kao未wei損sun壞huai支zhi路lu中zhong貼tie片pian元yuan件jian的de參can數shu值zhi,如ru無wu標biao識shi,可ke在zai電dian路lu板ban上shang測ce量liang確que定ding或huo將jiang元yuan件jian焊han脫tuo電dian路lu板ban進jin行xing測ce定ding。3相輸出電流(模擬信號)的傳輸通道,3個信號檢測電路也是一般也是完全相同的,一路有損壞時,可能未損壞兩路中的元件參數,確定損壞元件的參數值。
如圖2-9所示,PC5與PC6兩路驅動IC的外圍電路的元件參數完全相同;PC3與PC8兩路驅動IC的外圍元件參數完全相同,R17=R51、R23=R48、R22=R49……,當PC3外圍有元件損壞壞,可以“照搬”PC5相對應外圍元件的參數值進行修複。
同理,對晶體管、二極管、IC芯片等其它元件的損壞,當無法確定損壞元件參數時,可以參照同類型電路元件的參數值進行代換修複。
2)據電路類型確定元件參數。如MCU(微控製器)引腳上連接的上拉、下拉電阻損壞,MCU需外接上拉、下拉電阻的數字端口,一般內部為開漏結構,應用上拉或下拉電阻,可以避免I/O口存在電平漂移狀態,維持一個靜態的穩定電平。其電阻選值一般為10kΩ、6.8kΩ、5.1kΩ、4.7kΩ、3.3kΩ等,取值過小耗電增大,取值過大,則引發電平漂移或易引入幹擾。隻要確定損壞貼片電阻為MCU引腳的上位、下接電阻,則可以直接確定該損壞元件的阻值也在3.3~10kΩ的範圍之內。當然也可以參考其它上位、下拉電阻的電阻值。

圖3 參考相同電路中元件參數示意圖

圖4 MCU引腳的上拉電阻的電路示意圖
如圖4所示,U2的脈衝引腳的上拉電阻為5.1k,在3.3~10kΩ的範圍之內。
3)參考同類機型確定元件參數值。沒有相同電路可能參考,也不能像上拉、下拉電阻一樣可以大致“估算”出元件的參數,找到同類機型進行比對測量,也能確定損壞元件的參數值。
4)tiaozhengshiyandechuyuanjiandecanshuzhi。ruowutongleijixingjinxingcankao,xuyaofeidianliqicehuichugaibufendianlu,gaomingbaisunhuaidianzuzaidianluzhongdeweizhihejutizuoyong,yuqitayuanjiandelianjiefangfa,“估算”出大致的電阻值,若仍無把握,將損壞電阻,暫時接入電位器,變頻器上電,調整電位器進行試驗,配合人工信號給定、後續電路對信號作出的反應、麵板顯示等,測出電位器的電阻值,進而確定損壞電阻的參數。
3、貼片電阻的測量及外觀檢查
1)用萬用表在線測量,電阻值大於標稱值時,說明元件有斷路性故障或電阻值變大,已經損壞;所suo測ce阻zu值zhi小xiao於yu標biao稱cheng值zhi時shi,要yao考kao慮lv到dao是shi外wai圍wei並bing聯lian元yuan件jian對dui其qi造zao成cheng的de影ying響xiang,應ying將jiang元yuan件jian一yi端duan或huo兩liang端duan脫tuo開kai電dian路lu進jin行xing測ce量liang,以yi便bian得de出chu確que切qie的de測ce量liang結jie果guo。
2)貼片電阻的外觀特征如下:
a、貼片電阻表麵二次玻璃體保護膜應覆蓋完好,出現脫落,可能已經損壞;
b、元件表麵應該是平整的,若再現一些“凸凹”,可能損壞;
c、元件引出端電極一般應平整、無裂痕針孔、無變色現象,如果出現裂紋,可能損壞;
d、貼片電阻體表麵顏色燒黑,可能已經損壞;
e、電阻體已經變形,可能損壞。
4、貼片電阻的代換
貼片電阻的代換,除了要求電阻值一樣外,還需注意尺寸和功率值。小信號電路(如MCU主板電路)首先要求尺寸一致,便於焊接安裝。代換注意事項如下:
1)嚴格按原參數代換。模擬信號處理電路,如比例放大器電路,對輸入電阻、反饋電阻的取值嚴格,代換元件的電阻值,應與原損壞元件一樣,不允許差異過大,否則會引發電路工作失誤。
2)用於數字電路的元件,如上接、上拉電阻、隔離電阻等,選值有一定範圍,隻要令信號電壓變化明顯,符合高、低(di)電(dian)平(ping)的(de)要(yao)求(qiu)範(fan)圍(wei)即(ji)可(ke)。首(shou)先(xian)應(ying)選(xuan)用(yong)相(xiang)同(tong)參(can)數(shu)的(de)元(yuan)件(jian)代(dai)換(huan)。若(ruo)手(shou)頭(tou)實(shi)在(zai)不(bu)能(neng)找(zhao)到(dao)同(tong)阻(zu)值(zhi)元(yuan)件(jian),則(ze)可(ke)用(yong)數(shu)值(zhi)接(jie)近(jin)的(de)元(yuan)件(jian)代(dai)換(huan),一(yi)般(ban)不(bu)會(hui)影(ying)響(xiang)到(dao)電(dian)路(lu)性(xing)能(neng)。如(ru)4.7kΩ電阻損壞,用5.1kΩ或6.8kΩ電阻均可以進行代換修複。
3)可用非貼片元件代換。貼片電阻的損壞率極低,除了驅動電路因可能遭受強電衝擊經常損壞(可購用部分備件),其它電路的元件很少損壞,可能有1隻或兩隻損壞,類型不一,也無法選購備件。遇到此類損壞元件,用非貼片的1/4W或1/8W普通電阻,來代換也是沒有問題的,並非找不到原配件就導致維修進度的“卡殼”。當然焊接時要注意,做好引線整形,盡可能使引線短些,焊接後若有必要塗覆704膠加固,也能達到高質量的修複要求。
貼片電容
貼片電容是電路板上應用數量較多的一種元件,形狀為矩形,有黃色、青色、青灰色,以半透明淺黃色者為常見(係高溫燒結而成的陶瓷電容,無法印出標識)。小容量(皮發級)電容體上一般無標識,微發級電容才有標識(應用不多,容量稍大的電容,使用帶引線的插孔電容)。變頻器生產廠家在電路板上標注的元件序列號為C(如C1、C47等),由於變頻器實際電路板的元件安裝緊湊,一般隻標注序號,而不標出容量值。貼片電容的基本參數有電容量、工作電壓、漏電流值、誤差等,用於小信號電路的供電電壓一般為15V以下,如MCU主板的供電為5V,所以實際應用中,僅需注意第一個參數電容量和尺寸(便於安裝)就可以了。
圖5 無極性貼片電容、和鉭電容貼片元件外形圖
應用於變頻器電路的貼片電容,主要有無極性小容量貼片電容(用於IC小信號濾波,抑製振鈴)、有極性貼片鉭電容(為電解電容的一種,用於電源輸出端的濾波)兩種,耐壓在63V以下。容量在10微法級和高耐壓電容,往往采用普通電容器。
1、無標識貼片電容的容量估算、檢測和代換
1)用於開關電源電路的供電輸出端及IC電路的供電輸入端的貼片電容,見上圖電路左側元件圖示。
在供電輸出端,與(濾波)電解電容並聯在一起。因電解電容係導電極板和絕緣介質卷繞在一起,具有“電感效應”,高頻濾波效果差。並聯小容量電容,濾除整流後的高頻紋波成分。電路中IC的供電端,也都加有高頻濾波電容,以吸收(可能存在由引線形成的寄生電感或由某種幹擾帶來的)電源擾動。此類電容的電容量一般為0.01~0.1μF左右。該類電容對容量要求並不嚴格,故障率也比較低。如檢查發現有損壞,換用0.01~0.1μF範圍內的電容都是可以的。
2)xinhaotongluzhongdeditonglvboqiyongdaodetiepiandianrong。ditonglvboqidianlu,yongyuduixinhaozhongdemouyipinduanneidegaopinchengfenjinxingshuaijianhexishou,zhiyaoqiuqizhongdexinhaozhongdedipinchengfen(甚至直流成分)通過。變頻器的信號傳輸通路中,多用於將脈動直流信號經RC電路轉化成直流信號,因而該電路中的電容量大致在0.01~0.47μF左右,因為電阻R的作用,雖然電容量較小,但RC總的時間常數並不小,也能達到較好的濾波效果。如不好確認容量大小,可以用0.01~0.47μF以內容量的電容試驗,以經RC濾波後無明顯脈衝動成分為宜。
3)具有特定容量的貼片電容。如MCU晶振引腳的補償電容,其容量與MCU類型和晶振頻率相關,可由MCU的相關資料,和晶振元件的標注頻率值,確定該電容的容量,一般為33PF或22PF、15PF。
貼片電容的損壞現象和檢測方法:
a、tongyileixingdedianrong,getouyuedahuoyanseyueshen,rongliangyeyueda。dianrongderongliangkeyiyongzhuanyongdedianrongceshiyilaiceding,muqianyixieshuziwanyongbiao,yefujiacixianggongneng。cedianrongliangshi,xujiangtiepiandianrongzhishaotuokaiyiduan,paichuwaidianludeyingxianghou,zaixingjiance。
b、用萬用表檢測。如果在線檢測,萬用表測量得出電容兩引腳之間的的電阻值,其實是與電容相連接的外電路“綜合電阻值”,若電容處於短路或近於短路情況(電阻值極低)下,才能有所反映。將電容器脫開原電路,測量其電阻值應為無窮大。用指針表的×10k擋測量時,0.1μF左右的電容指針有跳動(充電)現象,靜止後歸於無窮大。若測得固定電阻值,說明電容損壞。
c、上電檢測,由電路判斷該點電壓低落,可能是電容漏電引起,見下圖電路示例。這也是一個比較好的方法。
如下圖6所示電路中,測量a點電壓正常值應為R221、R22對3V供電的分壓值1.5V,若測量電壓值高於1.5V,可能係電容C112漏電損壞所致;測b點電壓正常值應為3V,若低於3V,可能係電容C56漏電損壞所致。
圖6 電壓漏電引起A點電壓降低
進一步,可將C112或C56焊脫電路,對其引腳電阻值進行測量驗證。
當(dang)貼(tie)片(pian)電(dian)容(rong)損(sun)壞(huai)時(shi),也(ye)同(tong)確(que)定(ding)貼(tie)片(pian)電(dian)阻(zu)的(de)阻(zu)值(zhi)一(yi)樣(yang),可(ke)參(can)考(kao)同(tong)類(lei)電(dian)路(lu),測(ce)出(chu)好(hao)的(de)電(dian)容(rong)元(yuan)件(jian)的(de)電(dian)容(rong)量(liang),來(lai)確(que)定(ding)故(gu)障(zhang)電(dian)容(rong)的(de)參(can)數(shu)。如(ru)晶(jing)振(zhen)引(yin)腳(jiao)電(dian)容(rong)壞(huai)掉(diao)一(yi)隻(zhi),測(ce)另(ling)一(yi)腳(jiao)電(dian)容(rong)元(yuan)件(jian)的(de)電(dian)容(rong)量(liang)即(ji)可(ke),兩(liang)隻(zhi)電(dian)容(rong)的(de)容(rong)量(liang)是(shi)一(yi)樣(yang)的(de)。
故障電容的代換:tiepiandianrongdeguzhanglvjiaodi,gezhongguigedetiepiandianrongdouyaobeijian,xianranbushixianshide。ouerfaxiansunhuaiyuanjianshi,yongputongdetongrongliangcipianhuotaolundianronglaidaihuan,shiwanquankeyide,zhuyiyinxianjinliangyaoduan,hanjiezhiliangyaohao。
2、有極性(有標識)貼片電容的容量識別、檢測和代換
有極性貼片電容的外形如圖2-11中zhong右you側ce元yuan件jian圖tu所suo示shi,一yi般ban有you矩ju形xing貼tie片pian,圓yuan柱zhu形xing貼tie片pian兩liang種zhong形xing式shi,後hou者zhe的de標biao識shi與yu形xing狀zhuang與yu普pu通tong電dian容rong器qi相xiang似si,易yi於yu辨bian識shi,不bu做zuo討tao論lun。矩ju形xing貼tie片pian電dian容rong的de顏yan色se多duo為wei銀yin白bai色se或huo黑hei色se,標biao有you橫heng杠gang的de一yi端duan為wei正zheng極ji(也可通過其在電路中的連接方式進一步判斷——帶橫杠的一端與供電電源的正極連接)。根據封裝形式不同,耐壓分為A(10V)、B(16V)、C(25V)、D(35V)四個等級,電容量多為數微法至數十微法。
貼片電容的規格型號所包含的參數一般有電容量、額定電壓、容量誤差、尺寸、封裝類型等,不同廠家皆有差異,想記住或弄明白,真是相當困難(也無必要)。
貼片有極性電容的標注法舉例:
1)采用數字標注法,采用一位字母+3位數字組成,如A475,數字中前兩位為有效值,末位為零的個數,即4700000PF=4.7μF。A為耐壓級別,10V。
2)直接標注法。如16V 10,即為10μF,耐壓16V的有極性電容。
3)四色環標注法。色環的顏色與數字對應關係,棕(或茶色)1、紅2、橙(或橘紅色)3、黃4、綠5、藍6、紫7、灰8、白9、黑0,同普通電阻的色環標注法相同。(從左至右)前兩道色環為有效值,第三道色環為零的個數,第四道色環為額定電壓標識。如黃紫綠綠,前3環為4700000PF(4.7μF),第四道色環表示額定電壓為10V。
4)代碼標示法,在沒有相關資料的情況下,就比較難於辨識了。須依據代碼,按資料“翻譯”出電容的容量和耐壓等參數值來。
duiguzhangdianrongqicanshudequeding,jiashecongbiaoshishanghennanpanding,zecaiyongshangwenruduitiepiandianzujiancepanduandeqitafangfa,yenengdadaopandinghequedingyuanjiancanshudemude,ruzaidianluzhongyibandounengzhaodaoxiangtongbiaoshidetiepiandianrong,yongdianrongbiaoceliangxiangtongbiaoshidedianrong,keyipanduanchudianrongliang,naiyazexuanyongbigongdiandianyuangaoyijibiedejike,ru5V供電電源下,可選用6.3~16V的都可以。
有極性貼片電容的好壞判斷:
貼片電容有擊穿短路、內部電極斷路、漏電、容量減小等故障,檢測方法普通電解電容的檢測與判斷方法一樣。用數字萬用表測量電容量,或指針式萬用表的電阻擋測量充、放電現象和靜態電阻值,都可以判斷電容的好壞。
貼片有極性電容的代換:
1)如果易於購到原型號、原封裝形式的“原配件”,代換最為方便。原配件的來源一般有兩處:采購,從(電子元件商場)供應商,或從(當當網,淘寶網上可購得難以找到原配件的二手器件)網絡;廢舊電路板上拆用。無論從何處得到的配件,一定要先測量,判定是好的,再往電路板上焊接,焊接前一定要有“測量驗證”這一個環節,避免查出一個壞元件,再換上一個壞元件,使檢修進入誤區導致修複失敗的現象發生。
2)tiepianyoujixingdianrongdesunhuailvyeshixiangdangdide。ruguoanzhuangkongjianxuke,yongputongdetongronglianghenaiyafuheyaoqiudedianjiedianronglaidaihuan,yemeiyoushenmewenti,zhuyixuanyongzhiliangyouliang(溫度係數小,性能穩定)的電解電容,焊接引腳要短,焊接後可用704膠加固。
貼片電感
貼片電感元件在電路中的應用數量較少,僅僅在低壓直流控製電源的輸出端,見到其應用,與濾波電容構成CLC的π形濾波電路,有(抑製電流突變)穩定輸出電流的作用。電感元件,由單線圈組成,有的帶磁心(電感量較大),單位一般用μH和mH表示,流通電流值為幾毫安至幾百毫安。
貼片電感有圓形、方形和矩形等封裝形式,顏色多為黑色。帶鐵心電感(或圓形電感),從外形上看易於辨識。但有些矩型電感,從外型上看,更像是貼片電阻元件。變頻器生產廠家對電路板上貼片電感的標號,標有“L”字樣。電感的工作參數有電感量、Q值(品質因數)、直流電阻、額定電流、自諧頻率等,但貼片電感受體積局限,大多隻標注出電感量,其它參數未予標注,而且往往是間接標注法——貼片電感本體上標注,隻是整個規格型號的部分信息,即大多隻是電感量信息。
圖7 貼片電感外形圖
貼片電感的標注舉例:實際(印字)標注——101,完整型號——MPI 0610 M T 101(含有類型、尺寸、誤差、封裝形式、電感量等信息),是電感量為100μH的貼片電感。1R1,是電感量為1.1μH的貼片電感。有的用一個字母表示電感(代碼標注法),實際標注——E,完整型號——MPE0312NT2R7,是電感量為2.7μH的貼片電感。
貼片電感的辨識方法:
1)從外型,如帶磁心方形或圓形電感,體積稍大,能看出磁心和線圈;
2)有的貼片電感從外形上與貼片電阻一樣,但沒有數字與字母標注,隻有一個小圓圈的標注,意為電感元件;
3)在電路中的元件序號,往往標為L字樣,如“L1”、“DL1”等。
4)有電感量標注,如100。
5)理想電感的交流電阻較大,而直流電阻為零。電感元件的測量電阻值極小,電阻值近於為零歐姆。從3)、4)、5)項,配合觀察和測量(在電路中的位置和作用),能區別出元件是貼片電阻還是貼片電感,並判定出電感元件。
6)用專用電感量測試儀,將元件脫開電路,測量其電感量。
貼片電感的好壞判別:
1)首先確定是電感元件;
2)觀察外型有無變形、變色、碎裂等,若有以上現象,可能已經損壞;
3)用萬用表的小電阻擋位(如200擋或×1擋),測直流電阻應近於0。若測量電阻值較大或無窮大,說明電感元件損壞。
貼片電感的故障代換:
1)可從廢舊電路板上拆同型號元件代換;
2)先確定電感量和流通電流值,用普通帶引腳電感元件代替,並做好固定;
3)自行繞製,製作電感代用,有一定操作難度;
4)如果對電路性能無明顯影響,應急修複可暫時短接(僅供參考,並不提倡這個修複方法,有可能降低產品的某些性能)。
特別推薦
- 噪聲中提取真值!瑞盟科技推出MSA2240電流檢測芯片賦能多元高端測量場景
- 10MHz高頻運行!氮矽科技發布集成驅動GaN芯片,助力電源能效再攀新高
- 失真度僅0.002%!力芯微推出超低內阻、超低失真4PST模擬開關
- 一“芯”雙電!聖邦微電子發布雙輸出電源芯片,簡化AFE與音頻設計
- 一機適配萬端:金升陽推出1200W可編程電源,賦能高端裝備製造
技術文章更多>>
- 三星上演罕見對峙:工會集會討薪,股東隔街抗議
- 摩爾線程實現DeepSeek-V4“Day-0”支持,國產GPU適配再提速
- 築牢安全防線:智能駕駛邁向規模化應用的關鍵挑戰與破局之道
- GPT-Image 2:99%文字準確率,AI生圖告別“鬼畫符”
- 機器人馬拉鬆的勝負手:藏在主板角落裏的“時鍾戰爭”
技術白皮書下載更多>>
- 車規與基於V2X的車輛協同主動避撞技術展望
- 數字隔離助力新能源汽車安全隔離的新挑戰
- 汽車模塊拋負載的解決方案
- 車用連接器的安全創新應用
- Melexis Actuators Business Unit
- Position / Current Sensors - Triaxis Hall
熱門搜索
NFC
NFC芯片
NOR
ntc熱敏電阻
OGS
OLED
OLED麵板
OmniVision
Omron
OnSemi
PI
PLC
Premier Farnell
Recom
RF
RF/微波IC
RFID
rfid
RF連接器
RF模塊
RS
Rubycon
SATA連接器
SD連接器
SII
SIM卡連接器
SMT設備
SMU
SOC
SPANSION

