電磁兼容保護設計之USB應用
發布時間:2016-01-25 責任編輯:susan
【導讀】端口對PC外(wai)設(she)的(de)發(fa)展(zhan)起(qi)到(dao)了(le)革(ge)命(ming)性(xing)的(de)推(tui)動(dong)作(zuo)用(yong),並(bing)且(qie)正(zheng)變(bian)得(de)越(yue)來(lai)越(yue)流(liu)行(xing),比(bi)如(ru)在(zai)采(cai)集(ji)測(ce)量(liang)數(shu)據(ju)或(huo)在(zai)機(ji)器(qi)上(shang)安(an)裝(zhuang)軟(ruan)件(jian)更(geng)新(xin)等(deng)應(ying)用(yong)中(zhong)就(jiu)非(fei)常(chang)常(chang)見(jian)。作(zuo)為(wei)用(yong)於(yu)數(shu)據(ju)傳(chuan)輸(shu)的(de)一(yi)種(zhong)總(zong)線(xian)係(xi)統(tong),隻(zhi)要(yao)有(you)移(yi)動(dong)設(she)備(bei)連(lian)著(zhe)的(de)地(di)方(fang)就(jiu)有(you)它(ta)的(de)身(shen)影(ying)。雖(sui)然(ran)在(zai)日(ri)常(chang)生(sheng)活(huo)中(zhong)使(shi)用(yong)的(de)連(lian)接(jie)器(qi)看(kan)起(qi)來(lai)非(fei)常(chang)結(jie)實(shi),但(dan)USB應用開發人員仍然必須重視這些接口的保護。
在Intel公司的“高速USB平台設計指南”中,甚至提高了考慮USB端口易感性因素的重要性。Intel建議用電流補償型扼流圈抑製EMI,再用其它元件防止靜電放電(ESD)。電子設備經常會遭受靜電放電。靜電放電脈衝電壓可能高達30kV,因此對所有類型的集成電路來說都是非常危險的。目前有些IC對靜電放電來說是“安全的”,但這種安全性隻是對一小部分潛在威脅來說是有保證的。日常操作表明:額(e)外(wai)保(bao)護(hu)是(shi)必(bi)不(bu)可(ke)少(shao)的(de)。隻(zhi)有(you)采(cai)取(qu)外(wai)部(bu)保(bao)護(hu)措(cuo)施(shi)才(cai)能(neng)開(kai)發(fa)出(chu)整(zheng)塊(kuai)電(dian)路(lu)板(ban)不(bu)受(shou)靜(jing)電(dian)放(fang)電(dian)影(ying)響(xiang)以(yi)及(ji)高(gao)度(du)可(ke)靠(kao)的(de)產(chan)品(pin)來(lai)。專(zhuan)門(men)的(de)抑(yi)製(zhi)措(cuo)施(shi)同(tong)樣(yang)也(ye)是(shi)必(bi)需(xu)的(de)。無(wu)線(xian)聯(lian)網(wang)的(de)電(dian)子(zi)設(she)備(bei)如(ru)今(jin)是(shi)遍(bian)地(di)開(kai)花(hua),它(ta)們(men)的(de)數(shu)量(liang)正(zheng)在(zai)與(yu)日(ri)俱(ju)增(zeng)。
使shi自zi己ji的de產chan品pin不bu受shou輻fu射she幹gan擾rao的de影ying響xiang非fei常chang重zhong要yao。隻zhi有you考kao慮lv了le預yu期qi的de幹gan擾rao形xing式shi,才cai能neng在zai設she計ji中zhong及ji時shi集ji成cheng必bi要yao的de抑yi製zhi元yuan件jian,進jin而er縮suo短duan開kai發fa周zhou期qi。我wo們men知zhi道dao,自zi身shen產chan品pin的de輻fu射she型xing幹gan擾rao也ye必bi須xu處chu於yu某mou個ge電dian平ping之zhi下xia。這zhe可ke以yi通tong過guoEMC測試實驗室進行很精確的評估。如果產品沒有通過這種測試,那麼立馬返工的成本將超過抑製元件成本的好幾倍。
實際的抗幹擾能力
在提到幹擾對USB的影響時,差分模式數據傳輸與簡單的同軸電纜相比具有很大的優勢。在感性幹擾效應(磁場)情(qing)況(kuang)下(xia),導(dao)線(xian)的(de)絞(jiao)合(he)可(ke)以(yi)彌(mi)補(bu)幹(gan)擾(rao)效(xiao)應(ying)。鑒(jian)於(yu)每(mei)根(gen)雙(shuang)絞(jiao)線(xian)的(de)部(bu)分(fen)電(dian)感(gan)的(de)對(dui)稱(cheng)性(xing),幹(gan)擾(rao)會(hui)彼(bi)此(ci)影(ying)響(xiang)補(bu)償(chang)效(xiao)果(guo)。這(zhe)種(zhong)抗(kang)幹(gan)擾(rao)效(xiao)果(guo)在(zai)實(shi)際(ji)應(ying)用(yong)中(zhong)會(hui)大(da)打(da)折(zhe)扣(kou)。
●USB控製器的輸入/輸出不是完全對稱的,因此USB信號顯示出共模幹擾。
●Layout與HF/EMC不兼容,寄生電容和缺少波阻匹配會產生共模幹擾。
●電路設計(USB濾波器)不充分,濾波器影響信號質量,和/或插損太低。
●接口設計(插座,外殼)不充分。不良的接地會減小電纜的屏蔽衰耗。濾波器具有不良的接地參考。
●USB電纜不對稱、屏蔽不良以及沒有足夠好的接地。這種電纜會劣化信號質量,輻射信號諧波,對外部幹擾源起不到足夠的屏蔽衰減。
問題:其中一些點可能不受影響,這些點包括外購USB控製器的技術性實現,或最終用戶使用“便宜的”USB電纜。因此必須采取一些預防性措施,防止接口受到可能損壞USB控製器的外部幹擾的影響,同時通過電纜限製信號的幹擾輻射量。
保護元件的選擇
靜電放電(ESD)保護的定義為:依照EN 61000-4-2標準防止ESD脈衝,依照EN 61000-4-5防止浪湧脈衝,以及依照EN 61000-4-4防止突發(EFT)脈衝。瞬態電壓抑製器(TVS)二極管必須滿足這些功能。重要的是:為了保護諸如USB等快速數據線受到過壓的破壞,應該使用具有低電容特性的TVS和陶瓷ESD抑製器,以免USB信號發生失真。基於這個原因,Würth Elektronik eiSos公司開發出了專門在這方麵作了優化的元件,並且在數據線上是不可見的。TVS二極管的電容值不到1pF,電容值最高0.2pF的陶瓷ESD抑製器是保護USB端口的理想選擇。
在選擇元件時需要問幾個問題:有沒有用於軌到軌連接的供電電壓((GND < I/O 信號 < Vcc)?用TVS二極管吧。沒有供電電壓嗎,還是應該選用陶瓷元件?在本例中,必須選用TVS二極管,其VDD引腳可以懸空,或使用ESD抑製器。
進一步的問題:期望的最大ESD電壓是多少?應該保護一個還是兩個USB端口?有時一條USB數據線會連接到了TVS二極管的兩個I/O引腳,這將產生更好的保護效果,這也是為何優先使用TVS二極管陣列的原因。
不要忘了電源
對於一個端到端的EMC兼容設計而言,對電源(VBUS)進行濾波也很重要。許多開發人員忽視了這一點,卻不知道他們的產品為何通不過EMC實驗室的測試。這裏介紹了針對一個或兩個USB端口的兩種優化設計。兩條USB線可以用TVS二極管加以保護。所有4條信號線以及公共電源都得到了很好的靜電放電保護。進一步的優化可以通過用一個電流補償式數據線扼流圈和電容,搭建一個LC濾波器濾除輸入端的共模和差模幹擾來實現。在電源端使用WE-CBF係列貼片磁珠可以實現卓越的抑製性能(圖1)。

圖1:具有靜電放電保護功能的雙端口USB端口
單通道保護元件(如WE-VE係列靜電放電抑製器)必須始終連接在信號線與地之間。不必使用小電容的靜電放電抑製器來保護電源,普通的SMD變阻器就足夠了。它可以吸收較高的能量和較高的電流,因此是設計的第一選擇(圖2)。

圖2:與屏蔽數據線不同,電源端不必使用小電容的靜電放電抑製器
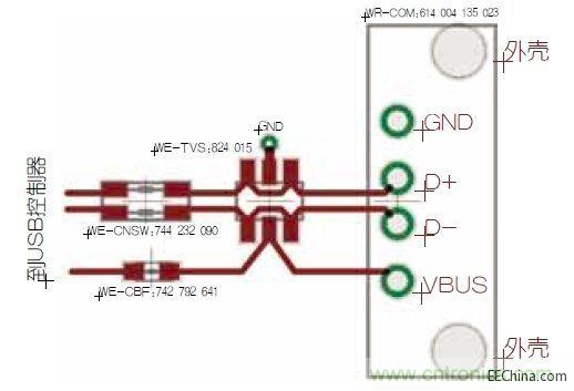
針對USB端口的推薦Layout
從圖3可以明顯看出,有兩條差分信號線(D+和D-)從插頭連接器連接到TVS二極管,再通過電流補償式數據線扼流圈連接到USB控製器。這樣能夠得到出色的靜電放電保護功能,並能良好的抑製數據線對。VBUS通過TVS二極管路由到貼片磁珠。在貼片磁珠之後,可以插入額外的電容和另一個貼片磁珠來實現最大可能的PI濾波器衰減。

圖3:USB端口保護
在非常敏感的IC和/或高可靠性開發案例中,通過兩次連接TVS二極管引腳可以實現最優的靜電放電保護效果(圖4)。

圖4:USB端口的雙重保護
希望采用單通道保護元件的開發人員可以使用WE-VE係列靜電放電抑製器。這些抑製器總是必須從D+/D-連接到地。還要連接其它一些元件,如圖5所示。

圖5:采用單通道元件的保護機製
小結
在EMC兼容設計中應避免風險。必須要指出的是,幹擾會威脅到數據通信的完整性——特別是對於通過USB實現的數據傳輸而言。EMC不是“可有可無”,或用來滿足什麼法規和標準,而是一種質量指標。為了盡可能在設計早期就徹底排除EMC問題,業界推出了專門針對快速數據線特殊狀態剪裁的元器件,它們不僅可以減少開發工作量,而且最重要的是可以避免關鍵的EMC測試結果之後的返工。
特別推薦
- 噪聲中提取真值!瑞盟科技推出MSA2240電流檢測芯片賦能多元高端測量場景
- 10MHz高頻運行!氮矽科技發布集成驅動GaN芯片,助力電源能效再攀新高
- 失真度僅0.002%!力芯微推出超低內阻、超低失真4PST模擬開關
- 一“芯”雙電!聖邦微電子發布雙輸出電源芯片,簡化AFE與音頻設計
- 一機適配萬端:金升陽推出1200W可編程電源,賦能高端裝備製造
技術文章更多>>
- 築基AI4S:摩爾線程全功能GPU加速中國生命科學自主生態
- 一秒檢測,成本降至萬分之一,光引科技把幾十萬的台式光譜儀“搬”到了手腕上
- AI服務器電源機櫃Power Rack HVDC MW級測試方案
- 突破工藝邊界,奎芯科技LPDDR5X IP矽驗證通過,速率達9600Mbps
- 通過直接、準確、自動測量超低範圍的氯殘留來推動反滲透膜保護
技術白皮書下載更多>>
- 車規與基於V2X的車輛協同主動避撞技術展望
- 數字隔離助力新能源汽車安全隔離的新挑戰
- 汽車模塊拋負載的解決方案
- 車用連接器的安全創新應用
- Melexis Actuators Business Unit
- Position / Current Sensors - Triaxis Hall
熱門搜索



