名廠支招:8大方法降低輸出紋波噪聲
發布時間:2015-12-30 責任編輯:sherry
【導讀】紋wen波bo噪zao聲sheng是shi衡heng量liang電dian源yuan的de一yi個ge重zhong要yao指zhi標biao,一yi個ge好hao的de電dian源yuan必bi須xu要yao把ba輸shu出chu紋wen波bo噪zao聲sheng控kong製zhi在zai一yi個ge合he理li的de範fan圍wei內nei。但dan一yi般ban有you哪na些xie行xing之zhi有you效xiao的de降jiang低di紋wen波bo噪zao聲sheng的de對dui策ce呢ne?下xia麵mian我wo們men拋pao磚zhuan引yin玉yu,簡jian單dan討tao論lun常chang用yong的de八ba個ge方fang法fa。
1、電源PCB走線和布局
反饋線路應避開磁性元件、開關管及功率二極管。
輸出濾波電容放置及走線對紋波噪聲至關重要,如圖1所suo示shi,傳chuan統tong設she計ji中zhong由you於yu到dao達da每mei個ge電dian容rong的de阻zu抗kang不bu一yi樣yang,所suo以yi高gao頻pin電dian流liu在zai三san個ge電dian容rong中zhong分fen配pei不bu均jun勻yun,改gai進jin設she計ji中zhong可ke以yi看kan出chu每mei個ge回hui路lu長chang度du相xiang當dang即ji高gao頻pin電dian流liu會hui均jun勻yun分fen配pei到dao每mei個ge電dian容rong中zhong。

圖1
如果PCB是多層板,可以選擇和主電流回路層最近一層覆地,覆地可以有效的解決噪聲問題,注意,盡量保證覆地的完整性。
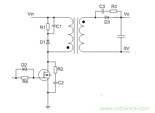
2、場效應管D級與輸入正之間加RCD
一般選擇場效應管的反向恢複時間要比二極管D1慢2~3倍,以避免形成直通電流,此電流會產生很強的磁場,可增大輸出噪聲幹擾,所以可人為的通過柵極電阻R4來減慢開關管的開關速度。為了不影響關斷速度可以在柵極電阻並聯一個二極管D2如圖2所示。

圖2
3、場效應管DS端並聯RC
可以在場效應管DS兩端並聯一個RC電路也可以有效的降低噪聲幹擾如圖2所示,電容C2一般在100P左右,電容值過大會導致場效應管的開關損耗加大,電阻R2一般選取小於10Ω電阻。
4、輸出二極管兩端並聯RC
二極管在高速導通和關斷時,反向恢複期間,二極管的寄生電感和電容會產生高頻振蕩,為了抑製高頻振蕩可在二極管兩端加RC緩衝電路如圖2所示,電阻R3一般在1Ω~100Ω,電容C3一般在100pF~1nF,如果電源工作頻率較低,效率滿足要求的話,二極管D3可以選擇反向恢複時間較慢的二極管。
5、輸出加二級LC濾波
LC對噪聲和紋波抑製效果比較明顯,根據紋波頻率選擇合適電感電容值,但由於柱形電感價格低體積小的優點,所以一般LCzhongdiangandadouhuixuanzezhuxingdiangan,ranerzhuxingdianganshikaifangshicijiegou,duizhouweihuichanshengjiaoyanzhongciganrao,womenkeyicaiyonglianggedianganbingpaifangzhi,qiedianliuliurufangxiangxiangfan,jiyouzhuyuyindaocitongcongyigecizhudaolingyigecizhu,congerkeyijiangdidianciganrao,rutu3所示。

圖3
6、變壓器初次級之間加法拉第屏蔽層
變bian壓ya器qi的de繞rao組zu通tong過guo高gao頻pin電dian流liu時shi,變bian壓ya器qi將jiang變bian成cheng有you效xiao的de磁ci場chang天tian線xian,變bian壓ya器qi繞rao組zu又you承cheng受shou跳tiao躍yue電dian壓ya,即ji變bian壓ya器qi也ye變bian成cheng了le電dian場chang天tian線xian,在zai初chu次ci級ji之zhi間jian加jia法fa拉la第di屏ping蔽bi層ceng可ke收shou集ji隔ge離li邊bian界jie處chu的de噪zao聲sheng電dian流liu,並bing予yu以yi轉zhuan移yi到dao原yuan邊bian地di,但dan銅tong箔bo應ying為wei非fei常chang薄bo的de銅tong箔bo帶dai,盡jin量liang避bi免mian渦wo流liu損sun耗hao並bing減jian小xiao漏lou感gan,注zhu意yi,銅tong屏ping蔽bi層ceng末mo端duan不bu應ying有you電dian連lian接jie,否fou則ze會hui形xing成cheng磁ci短duan路lu。
7、降低變壓器漏感
采用三明治繞法可使初次級繞組耦合更加緊密,使漏感得以減小,從而到達減小噪聲的目的。
8、變壓器輸出繞組並聯的合理設計
當dang電dian源yuan輸shu出chu電dian流liu較jiao大da時shi,通tong常chang我wo們men會hui采cai用yong兩liang個ge繞rao組zu並bing聯lian的de方fang式shi進jin行xing使shi用yong,這zhe兩liang個ge繞rao組zu通tong常chang分fen置zhi於yu原yuan邊bian繞rao組zu內nei外wai,所suo以yi直zhi流liu阻zu抗kang會hui略lve有you差cha異yi,從cong而er有you可ke能neng產chan生sheng內nei部bu環huan流liu,電dian壓ya波bo形xing也ye會hui出chu現xian嚴yan重zhong的de振zhen鈴ling,並bing且qie電dian磁ci幹gan擾rao會hui變bian的de更geng加jia嚴yan重zhong,以yi及ji有you可ke能neng會hui出chu現xian意yi外wai的de大da量liang發fa熱re,如ru果guo輸shu出chu繞rao組zu一yi定ding需xu要yao並bing聯lian使shi用yong,最zui好hao采cai用yong如ru圖tu4的推薦電路,圖4推薦電路中二極管可以消除兩個不同繞組的不均勻導致的負麵影響。

圖4
小結:
在設計電源時,有上述八種方式可降低輸出的紋波噪聲,如果選用成品電源,不管是模塊電源、普通開關電源、電源適配器等,這部分的工作一般都由電源設計廠家完成,客戶隻需關注規格書寫明的輸出紋波噪聲即可。如ZLG的模塊電源,會標出典型的紋波噪聲值,如E_FLS-1W係列,典型值為60mV VP-P。
特別推薦
- 噪聲中提取真值!瑞盟科技推出MSA2240電流檢測芯片賦能多元高端測量場景
- 10MHz高頻運行!氮矽科技發布集成驅動GaN芯片,助力電源能效再攀新高
- 失真度僅0.002%!力芯微推出超低內阻、超低失真4PST模擬開關
- 一“芯”雙電!聖邦微電子發布雙輸出電源芯片,簡化AFE與音頻設計
- 一機適配萬端:金升陽推出1200W可編程電源,賦能高端裝備製造
技術文章更多>>
- 三星上演罕見對峙:工會集會討薪,股東隔街抗議
- 摩爾線程實現DeepSeek-V4“Day-0”支持,國產GPU適配再提速
- 築牢安全防線:智能駕駛邁向規模化應用的關鍵挑戰與破局之道
- GPT-Image 2:99%文字準確率,AI生圖告別“鬼畫符”
- 機器人馬拉鬆的勝負手:藏在主板角落裏的“時鍾戰爭”
技術白皮書下載更多>>
- 車規與基於V2X的車輛協同主動避撞技術展望
- 數字隔離助力新能源汽車安全隔離的新挑戰
- 汽車模塊拋負載的解決方案
- 車用連接器的安全創新應用
- Melexis Actuators Business Unit
- Position / Current Sensors - Triaxis Hall
熱門搜索
NFC
NFC芯片
NOR
ntc熱敏電阻
OGS
OLED
OLED麵板
OmniVision
Omron
OnSemi
PI
PLC
Premier Farnell
Recom
RF
RF/微波IC
RFID
rfid
RF連接器
RF模塊
RS
Rubycon
SATA連接器
SD連接器
SII
SIM卡連接器
SMT設備
SMU
SOC
SPANSION

