實例解析:三相逆變過壓IGBT損壞的問題
發布時間:2015-03-28 責任編輯:echolady
【導讀】zaishejiguochengzhongjingchanghuichuxiandianlubaocuodewenti。fashengzhezhongqingkuang,womentongchanghuianbujiubandeduicuowujinxingpaizhabingshunlijiejue。danshiyoudeshihoukenenghuiyinweizhishichubeidexianzhichuxiancuowuerwufajiejue。benwenzhuyaojiangjiesanxiangnibianqidianluzhongdeIGBT柵極過壓導致IGBT損壞問題。

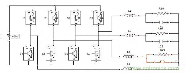
圖1

圖2
圖1、圖2為主電路拓撲。三相四橋臂逆變器+LC濾波器。IGBT型號為:英飛淩耐壓1200V電流75A的IGBT。驅動芯片為:concept 2sc0108_17,耐壓為1700V。直流母線電壓由可調變壓器輸出經整流橋整流再經電容濾波得到。
當直流母線為300V時,在打開逆變器的情況下(即給PWM信號),逆變器工作正常,輸出三相交流電。然後把直流母線電壓升高為400V,逆變器工作正常。保持直流母線電壓不變,關逆變(IGBT基極電壓為-9V),再開逆變。發生故障。檢查發現C相的concept驅動損壞。C相橋臂的IGBT上下管的G極E極間各自並的一個穩壓二極管(SMBJ13)擊穿短路,C相橋臂IGBT上下管的柵極都燒壞,既給GE加15V電源,CE也不能導通。該橋臂IGBT內部反並聯的二極管正常。
最初猜測是IGBT柵極出現了高壓,但是不知道是什麼原因造成了柵極的高壓,下麵我們就來具體問題具體分析。
圖1為主電路圖,其中R代表負載。圖2為IGBT驅動。2端接上管柵極,1端接上管發射極。5端接下管柵極,4端接下管發射極。
從(cong)驅(qu)動(dong)波(bo)形(xing)看(kan),並(bing)沒(mei)有(you)米(mi)勒(le)區(qu),這(zhe)就(jiu)說(shuo)明(ming)管(guan)子(zi)的(de)開(kai)關(guan)電(dian)壓(ya)應(ying)力(li)比(bi)較(jiao)小(xiao)。從(cong)波(bo)形(xing)陡(dou)度(du)看(kan),動(dong)態(tai)內(nei)阻(zu)比(bi)較(jiao)大(da)。因(yin)此(ci),如(ru)果(guo)如(ru)此(ci)加(jia)高(gao)壓(ya),出(chu)現(xian)米(mi)勒(le)效(xiao)應(ying)就(jiu)會(hui)半(ban)橋(qiao)局(ju)部(bu)直(zhi)通(tong)。
congshaodaidianliuchuxiandejianfengdianyakan,yidanjubuzhitongguanduanhouguoyajichuanerdaozhizhaguan。zhediankeyitongguojiadasiqudedaojiejue。lingyifangmian,lizizhongdecelvejuedingleyoukaijilangyong。jianyiyonglubangkongzhicelve,kaijidianliuruanqidong。
本篇文章以一個錯誤的電路為例,深度剖析問題,並給出了相應的解決方法,希望大家在看過本篇文章之後能夠有所收獲。
相關閱讀:
MOSFET簡化三相逆變器拓撲設計
經驗之談:解析三相電供電故障及其改善措施
教你用萬用表判定三相異步電動機繞組同名端
特別推薦
- 噪聲中提取真值!瑞盟科技推出MSA2240電流檢測芯片賦能多元高端測量場景
- 10MHz高頻運行!氮矽科技發布集成驅動GaN芯片,助力電源能效再攀新高
- 失真度僅0.002%!力芯微推出超低內阻、超低失真4PST模擬開關
- 一“芯”雙電!聖邦微電子發布雙輸出電源芯片,簡化AFE與音頻設計
- 一機適配萬端:金升陽推出1200W可編程電源,賦能高端裝備製造
技術文章更多>>
- 算力爆發遇上電源革新,大聯大世平集團攜手晶豐明源線上研討會解鎖應用落地
- 築基AI4S:摩爾線程全功能GPU加速中國生命科學自主生態
- 一秒檢測,成本降至萬分之一,光引科技把幾十萬的台式光譜儀“搬”到了手腕上
- AI服務器電源機櫃Power Rack HVDC MW級測試方案
- 突破工藝邊界,奎芯科技LPDDR5X IP矽驗證通過,速率達9600Mbps
技術白皮書下載更多>>
- 車規與基於V2X的車輛協同主動避撞技術展望
- 數字隔離助力新能源汽車安全隔離的新挑戰
- 汽車模塊拋負載的解決方案
- 車用連接器的安全創新應用
- Melexis Actuators Business Unit
- Position / Current Sensors - Triaxis Hall
熱門搜索
微波功率管
微波開關
微波連接器
微波器件
微波三極管
微波振蕩器
微電機
微調電容
微動開關
微蜂窩
位置傳感器
溫度保險絲
溫度傳感器
溫控開關
溫控可控矽
聞泰
穩壓電源
穩壓二極管
穩壓管
無焊端子
無線充電
無線監控
無源濾波器
五金工具
物聯網
顯示模塊
顯微鏡結構
線圈
線繞電位器
線繞電阻




