深度剖析:電路中泄放電阻保護場效應管的緣由
發布時間:2014-12-06 責任編輯:sherryyu
【導讀】在設計開關電dian源yuan電dian路lu時shi出chu於yu電dian路lu保bao護hu的de目mu的de我wo們men一yi般ban會hui在zai柵zha極ji與yu源yuan極ji之zhi間jian加jia一yi個ge電dian阻zu,這zhe是shi因yin為wei它ta首shou先xian為wei場chang效xiao應ying管guan提ti供gong偏pian置zhi電dian壓ya,其qi次ci是shi起qi到dao瀉xie放fang電dian阻zu的de作zuo用yong來lai達da到dao保bao護hu柵zha極jiG-源極S的目的。本文中我們著重解釋和分析第二個作用。
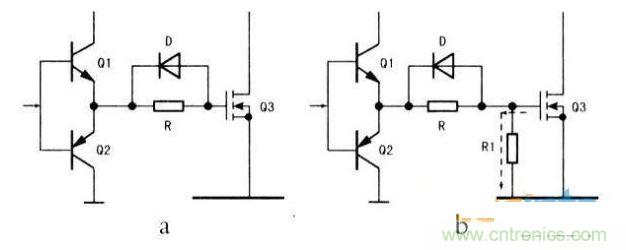
在這裏我們列舉一個實際案例,根據下圖我們來進行詳細說明:MOS管在開關狀態工作時,Q1、Q2是輪流導通,MOS管柵極在反複充、放電狀態,如果在此時關閉電源,MOS管的柵極就有兩種狀態:一種是放電狀態,柵極等效電容沒有電荷存儲;另一個是充電狀態,柵極等效電容正好處於電荷充滿狀態,如下圖a所示。雖然電源切斷,此時Q1、Q2也都處於斷開狀態,電荷沒有釋放的回路,但MOS管柵極的電場仍然存在(能保持很長時間),建立導電溝道的條件並沒有消失。這樣在再次開機瞬間,由於激勵信號還沒有建立,而開機瞬間MOS管的漏極電源(V1)隨機提供,在導電溝道的作用下,MOS管立刻產生不受控的巨大漏極電流Id,引起MOS管燒壞。為了避免此現象產生,在MOS管的柵極對源極並接一隻泄放電阻R1,如下圖b所示,關機後柵極存儲的電荷通過R1迅速釋放,此電阻的阻值不可太大,以保證電荷的迅速釋放,一般在五千歐至數十千歐左右。

電路分析示意圖
通過以上的實例分析我們可以了解到,場效應管的G-S極間的電阻值是很大的,這樣隻要有少量的靜電就能使他的G-S極ji間jian的de等deng效xiao電dian容rong兩liang端duan產chan生sheng很hen高gao的de電dian壓ya,如ru果guo不bu及ji時shi把ba這zhe些xie少shao量liang的de靜jing電dian瀉xie放fang掉diao,他ta兩liang端duan的de高gao壓ya就jiu有you可ke能neng使shi場chang效xiao應ying管guan產chan生sheng誤wu動dong作zuo,甚shen至zhi有you可ke能neng擊ji穿chuan其qiG-S極;這時柵極與源極之間加的電阻就能把上述的靜電瀉放掉,從而起到了保護場效應管的作用。灌流電路主要是針對MOS管在作為開關營運用時其容性的輸入特性,引起“開”、“關”動作滯後而設置的電路,當MOS管作為其他用途,例如線性放大等應用時,就沒有必要設置灌流電路。
特別推薦
- 噪聲中提取真值!瑞盟科技推出MSA2240電流檢測芯片賦能多元高端測量場景
- 10MHz高頻運行!氮矽科技發布集成驅動GaN芯片,助力電源能效再攀新高
- 失真度僅0.002%!力芯微推出超低內阻、超低失真4PST模擬開關
- 一“芯”雙電!聖邦微電子發布雙輸出電源芯片,簡化AFE與音頻設計
- 一機適配萬端:金升陽推出1200W可編程電源,賦能高端裝備製造
技術文章更多>>
- 邊緣AI的發展為更智能、更可持續的技術鋪平道路
- 每台智能體PC,都是AI時代的新入口
- IAR作為Qt Group獨立BU攜兩項重磅汽車電子應用開發方案首秀北京車展
- 構建具有網絡彈性的嵌入式係統:來自行業領袖的洞見
- 數字化的線性穩壓器
技術白皮書下載更多>>
- 車規與基於V2X的車輛協同主動避撞技術展望
- 數字隔離助力新能源汽車安全隔離的新挑戰
- 汽車模塊拋負載的解決方案
- 車用連接器的安全創新應用
- Melexis Actuators Business Unit
- Position / Current Sensors - Triaxis Hall
熱門搜索
SATA連接器
SD連接器
SII
SIM卡連接器
SMT設備
SMU
SOC
SPANSION
SRAM
SSD
ST
ST-ERICSSON
Sunlord
SynQor
s端子線
Taiyo Yuden
TDK-EPC
TD-SCDMA功放
TD-SCDMA基帶
TE
Tektronix
Thunderbolt
TI
TOREX
TTI
TVS
UPS電源
USB3.0
USB 3.0主控芯片
USB傳輸速度



