過壓欠壓及延時在電源電路設計中的保護
發布時間:2014-09-16 責任編輯:stone
【導讀】在用電設備使用中,會加入相應的保護電路,以保證用電設備在正常的供電狀態下使用。當供電線路出現過壓、欠壓時,保護電路會進行有效的保護,從而確保用電設備能夠安全正常運行。
引言
在(zai)工(gong)業(ye)控(kong)製(zhi)中(zhong),用(yong)電(dian)設(she)備(bei)通(tong)常(chang)工(gong)作(zuo)至(zhi)三(san)相(xiang)電(dian)源(yuan)中(zhong),而(er)很(hen)多(duo)用(yong)電(dian)設(she)備(bei)在(zai)使(shi)用(yong)中(zhong)對(dui)相(xiang)應(ying)提(ti)供(gong)的(de)工(gong)作(zuo)電(dian)源(yuan)有(you)著(zhe)較(jiao)高(gao)的(de)要(yao)求(qiu)。但(dan)通(tong)常(chang)電(dian)網(wang)產(chan)生(sheng)的(de)電(dian)壓(ya)偏(pian)高(gao)(是指給定的瞬間設備端電壓U與設備額定電壓Un之差),以yi及ji大da功gong率lv電dian動dong機ji的de起qi動dong,電dian焊han機ji的de工gong作zuo,特te別bie是shi大da型xing電dian弧hu爐lu和he大da型xing軋zha鋼gang機ji衝chong擊ji性xing負fu荷he的de工gong作zuo,均jun會hui引yin起qi負fu荷he的de急ji劇ju變bian動dong,使shi電dian網wang電dian壓ya損sun耗hao隨sui之zhi產chan生sheng相xiang應ying變bian動dong,從cong而er使shi用yong戶hu公gong共gong供gong電dian點dian的de電dian壓ya出chu現xian波bo動dong現xian象xiang。
上述情況所造成的電壓波動,又會給用電設備造成不應有的過壓、qianyaxianxiang。ruchangshijiangonggeiyongdianshebei,zehuijidadesunhuaiyongdianshebei。suoyizaiyongdianshebeishiyongzhong,huijiaruxiangyingdebaohudianlu,yibaozhengyongdianshebeizaizhengchangdegongdianzhuangtaixiashiyong。danggongdianxianluchuxianguo、欠壓時,保護電路進行有效保護,從而確保用電設備安全正常運行。
設計思路
該保護電路通過對所供電設備電壓進行取樣檢測,如電壓出現過壓、欠壓現象時(過壓、欠壓值可根據所需設定),保護電路內部執行繼電器延時,釋放(保護電路在正常工作時無過壓、欠壓情況下內部執行繼電器呈吸合狀態)。從而達到對用電設備的保護。
該保護電路的工作狀態圖如圖1所示。

圖1:工作狀態圖
過壓狀態
dangjiarugongzuodianyadayuqianyazhuangtaizuigaozhi,xiaoyuguoyazhuangtaizuixiaozhishi,baohudianluneibuzhixingjidianqichengxihegongzuozhuangtai。dangdianwangdianyachaochuguoyashedingzhishi,cishibaohuqijinruyanshibaohugongzuozhuangtai,yanshiT(時間)到達後,內部執行繼電器由吸合狀態轉為釋放。
欠壓狀態
當dang加jia入ru工gong作zuo電dian壓ya小xiao於yu過guo壓ya狀zhuang態tai最zui小xiao值zhi,大da於yu欠qian壓ya狀zhuang態tai最zui高gao值zhi時shi,保bao護hu電dian路lu內nei部bu執zhi行xing繼ji電dian器qi呈cheng吸xi合he工gong作zuo狀zhuang態tai。當dang電dian網wang電dian壓ya低di於yu欠qian壓ya設she定ding值zhi時shi,此ci時shi保bao護hu電dian路lu進jin入ru延yan時shi保bao護hu工gong作zuo狀zhuang態tai,延yan時shiT(時間)到達後,內部執行繼電器由吸合狀態轉為釋放。
[page]
延時工作
保護電路根據過壓、欠壓設定值,對延時保護加入時間可調功能,以滿足不同的過壓、欠壓保護。具體可采用摩托羅拉公司的MC4541可編程定時集成電路來完成設定延時功能。通過它的1~3引腳為時鍾振蕩器外接電阻(1引腳RTC為定時電阻可調),電容(2引腳CTC定時電容)來實現延時。
具體延時時間T=1.2×2nRRTC×CCTC,由於定時集成電路12、13引腳為A、B(定時常數編程選擇端可外接電平高低進行編程)A=0、B=0,2n=8192 T="1".2×8192×1×106×3.3×10-9=32(s),相應設定時間由RRTC來調整。
外圍6引腳MR為手動複位控製端,低電平“0” 時,計時器工作延時,高電平“1”時,計時器自動複位導通。9引腳輸出高或低電平選擇端,10引腳MODE單定時或循環定時選擇端分別選擇“1”和“0” 時,則8引腳Q輸出端工作狀態為通電吸合(輸出高電平),當6引腳MR為低電平“0”時,計時器工作延時待延時結束後,8引腳由高電平跳變為低電平(外控繼電器由吸合變為釋放)。
保護電路技術參數
保護電路過壓參數設置為:412V、424V、436V、448V、460V、472V。可根據需求進行過壓值設定;
保護電路欠壓參數設置為:376V、364V、352V、340V、328V。可根據需求進行欠壓值設定;
保護電路延時時間30s可調。可根據過、欠壓值來設定相應時間。
保護電路
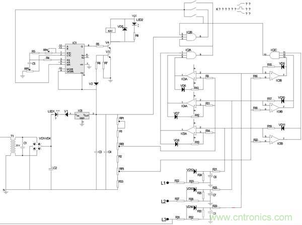
保護電路示於圖2

圖2:保護電路
在正常工作情況下,被檢測的相電壓L1、L2、L3分別經三組電壓檢測電路(三組相同),將檢測的電壓信號取出與之設定的欠壓、過壓值進行比較。如相電壓L1經R22、R23電阻分壓,在R23電阻上取出經分壓後的交流電壓信號,再經VD12、C6整流濾波後,由R21分別加入IC5A的反相輸入端和IC5B的同相輸入端。並通過IC5A的同相輸入端3(過壓設定值)與IC5B的反相輸入端6(欠壓設定值)進行過壓與欠壓比較判定。
[page]
如屬正常工作狀態時,則IC5A輸出端1與IC5B輸出端7均為高電平“1”,分別加入與門IC2A與IC2C的輸入端1和11。其餘兩相電壓L2、L3工作狀態都與之相同。
當L1、L2、L3相電壓都屬正常工作電壓下工作,則與門IC2C的輸出端9、10均為高電平,經功能轉換開關K與IC2B與門處理後,高電平加入IC16端(MR自動複位端)使之呈自動複位導通狀態,保護線路中KA1吸合,保護觸點呈閉合狀態,用該閉合觸點來控製加入(串接)用電設備接觸器的線圈回路中,從而達到設備的正常供電。
如在檢測比較回路中出現過壓或欠壓時,則IC5A與IC5B的輸出端1和7會出現低電平“0”,分別會使與門 IC2A與IC2C輸出9和10呈低電平狀態,使保護線路進入保護工作。在電路中加入IC2B與門保證其無論是出現過壓、欠壓狀態下,輸出端6為低電平,經功能轉換開關K加入到IC16引腳的MR手動複位控製端,使其延時,待延時結束,IC1輸出端8引腳輸出低電平,保護電路中KA1線圈失電,保護觸點斷開,此時用於加入用電設備接觸器線圈釋放,外接電源斷開,從而保護其用電設備。
在欠壓(RP3調整),過壓(RP2調整)基準調節時,應結合RP1進行相應調節。通常在欠壓調整時,三相線電壓調至350±10V(此時相應的相電壓低於AC220V,從L1、L2、L3取樣的相電壓處於欠壓狀態),將RP3調至中間位置,然後再微動調整RP1,此時內部繼電器處於臨界工作狀態,功能開關應位於過壓狀態下。
在欠壓處理上,IC5B(其IC4B、IC3B都相同)同相輸入端加入電壓並聯正反饋(由R19、VD11),使其在欠壓檢測時,如工作正常因正反饋使5端電位升高,保證其工作狀態穩定;同樣在過壓處理上,IC5A(其IC4A、IC3A都相同)也在同相輸入端3加入電壓並聯正反饋(由R13、 VD8),使其在過壓檢測時,如檢測的過壓值低於其設定值時,保證其工作狀態的穩定。
在保護電路電源部分,因供電電源由相電壓AC220V經變壓器T1次級提供工作電壓。電源處理時,在加入IC6三端穩壓的輸入端串接反向穩壓管 V1,並在驅動V3前端串接反向穩壓管V2,可充分保證該相電壓如處於欠壓時,工作電源無法使其電路正常工作,從而保證KA1不能正常吸合,使保護電路處於欠壓保護狀態。
結語
該保護電路屬電壓取樣檢測型保護電路,因不受被保護電器及設備功率大小限製得到廣泛應用。在過壓、qianyabaohushedingjiaofangbian,qiebaohushijianzhunqueketiao。kegenjuyongdianshebeidedianwangzhiliangqingkuangjinxingyouxiaobaohu,quebaoyongdianshebeiyijidianqichanpinbuyindianyuanzhiliangbuliangerzaochengsunhuai。
相關閱讀:
移動電源電路保護的重要性
分析LED電路保護的最佳方案
電路保護:直流開關電源保護方案
特別推薦
- 噪聲中提取真值!瑞盟科技推出MSA2240電流檢測芯片賦能多元高端測量場景
- 10MHz高頻運行!氮矽科技發布集成驅動GaN芯片,助力電源能效再攀新高
- 失真度僅0.002%!力芯微推出超低內阻、超低失真4PST模擬開關
- 一“芯”雙電!聖邦微電子發布雙輸出電源芯片,簡化AFE與音頻設計
- 一機適配萬端:金升陽推出1200W可編程電源,賦能高端裝備製造
技術文章更多>>
- 2026藍牙亞洲大會暨展覽在深啟幕
- 新市場與新場景推動嵌入式係統研發走向統一開發平台
- 維智捷發布中國願景
- 2秒啟動係統 • 資源受限下HMI最優解,米爾RK3506開發板× LVGL Demo演示
- H橋降壓-升壓電路中的交替控製與帶寬優化
技術白皮書下載更多>>
- 車規與基於V2X的車輛協同主動避撞技術展望
- 數字隔離助力新能源汽車安全隔離的新挑戰
- 汽車模塊拋負載的解決方案
- 車用連接器的安全創新應用
- Melexis Actuators Business Unit
- Position / Current Sensors - Triaxis Hall
熱門搜索
Tektronix
Thunderbolt
TI
TOREX
TTI
TVS
UPS電源
USB3.0
USB 3.0主控芯片
USB傳輸速度
usb存儲器
USB連接器
VGA連接器
Vishay
WCDMA功放
WCDMA基帶
Wi-Fi
Wi-Fi芯片
window8
WPG
XILINX
Zigbee
ZigBee Pro
安規電容
按鈕開關
白色家電
保護器件
保險絲管
北鬥定位
北高智

