技術探討:客運專線信號雷電防護和電磁兼容初探
發布時間:2014-03-11 責任編輯:mikeliu
【導讀】本ben文wen討tao論lun了le客ke運yun專zhuan線xian信xin號hao設she備bei雷lei害hai及ji綜zong合he防fang雷lei技ji術shu在zai客ke運yun專zhuan線xian信xin號hao設she備bei中zhong實shi施shi的de必bi要yao性xing和he可ke行xing性xing,並bing討tao論lun了le集ji裝zhuang箱xiang中zhong繼ji站zhan的de防fang雷lei和he綜zong合he接jie地di係xi統tong的de特te點dian,提ti出chu客ke運yun專zhuan線xian在zai建jian設she時shi應ying當dang同tong步bu建jian設she綜zong合he接jie地di係xi統tong和he建jian設she綜zong合he防fang雷lei係xi統tong。標biao誌zhi著zhe中zhong國guo鐵tie路lu高gao速su時shi代dai到dao來lai的de客ke運yun專zhuan用yong線xian大da規gui模mo建jian設she正zheng蓬peng勃bo開kai展zhan,它ta為wei通tong信xin信xin號hao、列車控製、調度指揮等提出了新的要求。
這zhe些xie係xi統tong設she備bei采cai用yong的de大da量liang微wei電dian子zi器qi件jian,對dui雷lei電dian和he電dian氣qi化hua幹gan擾rao電dian壓ya極ji為wei敏min感gan。因yin此ci,必bi須xu研yan究jiu客ke運yun專zhuan用yong線xian信xin號hao設she備bei的de雷lei電dian防fang護hu和he電dian磁ci兼jian容rong問wen題ti,以yi確que保bao信xin號hao設she備bei全quan天tian候hou安an全quan運yun行xing和he列lie車che安an全quan正zheng點dian運yun營ying。
一、客運專線信號設備的電磁兼容和綜合防雷
1.1 過電壓對微電子設備的危害
這裏所說的“過電壓”shizhikenengduidianzishebeizaochengsunhaihuoshidianzishebeishixiao,chaoguodianzishebeisuonengnaishoudedianya。guodianyashiyigexiangduidegainian,duiyujidianshebeieryan,jibaifushenzhishuqianfudedianyashi“過電壓”,但是對於微電子設備,有時十幾伏就算是“過電壓”了。美國IEEE工業應用學會公布的半導體故障閥值如表1所示。表中看出,電源二極管的破壞能量為1J,而現在的大規模集成電路芯片的破壞能量僅為10-8J,這是一個十分小的數字。比較電源二極管和數字積分電路的破壞能量,它們竟然相差108倍,可見大規模集成電路芯片的耐過電壓能力十分微弱。中國鐵道科學研究院通信信號研究所經過大量試驗發現:用8/20μs波形測試時,有的大規模集成電路芯片的擊穿電壓僅在十多伏的量級。電氣設備過電壓損害電氣電子設備的實質是電氣設備絕緣擊穿、燒毀,電子設備元件損壞燒毀。對於大規模集成電路芯片,很低的過電壓會將集成電路芯片中的場效應二極管PN結擊穿或將電阻或電容的集成單元擊穿,造成元件損壞。

表1 半導體故障閥值表
1.2 電磁兼容
高壓電力輸電線的諧波幹擾、電氣化鐵路牽引供電係統的工作和故障幹擾,無線電射頻幹擾、工業設備諧波幹擾、雷電放電浪湧幹擾、高gao壓ya靜jing電dian放fang電dian幹gan擾rao和he核he磁ci脈mai衝chong幹gan擾rao等deng使shi地di球qiu上shang的de電dian磁ci環huan境jing持chi續xu惡e化hua。而er與yu此ci同tong時shi,電dian子zi設she備bei小xiao型xing化hua對dui幹gan擾rao的de防fang衛wei能neng力li降jiang低di,從cong前qian不bu會hui對dui設she備bei造zao成cheng損sun害hai的de較jiao小xiao的de電dian磁ci幹gan擾rao,現xian在zai都dou有you可ke能neng損sun壞huai微wei電dian子zi設she備bei。為wei了le減jian小xiao惡e劣lie電dian磁ci環huan境jing對dui電dian子zi設she備bei的de危wei害hai,必bi須xu考kao慮lv電dian磁ci兼jian容rong。
“電磁兼容”是一門關於防止電磁幹擾(EMI)的專門學科。它有2個含義:一是電力、電子係統和電氣、電子設備間在電子環境中相互兼顧、相互包容,相互間的幹擾都在相互能夠容忍的範圍內,任何設備不能成為影響其他設備的幹擾源,同時也應避免被其他設備所幹擾;二是電力係統、電子係統和電氣、電(dian)子(zi)設(she)備(bei)間(jian)在(zai)大(da)自(zi)然(ran)的(de)電(dian)磁(ci)環(huan)境(jing)中(zhong),能(neng)夠(gou)承(cheng)受(shou)幹(gan)擾(rao)並(bing)在(zai)有(you)幹(gan)擾(rao)的(de)環(huan)境(jing)中(zhong)能(neng)按(an)設(she)計(ji)要(yao)求(qiu)正(zheng)常(chang)工(gong)作(zuo)。根(gen)據(ju)電(dian)磁(ci)兼(jian)容(rong)原(yuan)理(li),下(xia)列(lie)外(wai)界(jie)電(dian)磁(ci)場(chang)幹(gan)擾(rao)源(yuan)可(ke)以(yi)侵(qin)入(ru)信(xin)號(hao)設(she)備(bei)係(xi)統(tong),並(bing)危(wei)害(hai)計(ji)算(suan)機(ji)設(she)備(bei)、設施(包括網絡)及其它媒體的安全:
[page]
①雷電電磁脈衝LEMP(Lightning Electromagnetic Pulse);②電網操作過電壓SEMP(Switching Electromagnetic Pulse or Switching Transients);③靜電放電ESD(Electro-Static Dischargs);④核電磁脈衝NEMP(Nuclear Electromagnetic Pulse);⑤微波輻射WR(Microwave Radiation)。qizhong,leidiandiancimaichongshiziranhuanjingzhongzuizhongyaode,yeshigonglvzuidaerrenlibunengxiaochudeganraoyuan。yincizhinengjinliangcaiqushidangdecuoshi,jianshaoqiduixinhaoshebeixitongdeweihai。muqianjiaoweishidangdecuoshijiushidiancijianronghezonghefangleijishu。
1.3 信號設備電磁兼容和綜合防雷
電氣、dianzishebeidezonghefangleijishubaokuofangleihefangzhiqitadiancichangduiweidianzishebeideganrao,shimuqiangongrendezuiyouxiaodefanghufangfa。zonghefangleishiyigexitonggongcheng,duiyujianzhuwuneidedianqidianzishebei,zonghefangleijishubaokuowaibufanghu、內(nei)部(bu)防(fang)護(hu)和(he)在(zai)電(dian)氣(qi)電(dian)子(zi)設(she)備(bei)端(duan)口(kou)裝(zhuang)置(zhi)浪(lang)湧(yong)保(bao)護(hu)器(qi)等(deng)措(cuo)施(shi)。建(jian)築(zhu)物(wu)外(wai)部(bu)防(fang)護(hu)由(you)直(zhi)擊(ji)雷(lei)防(fang)護(hu)係(xi)統(tong)組(zu)成(cheng),建(jian)築(zhu)物(wu)外(wai)部(bu)防(fang)護(hu)的(de)目(mu)的(de)是(shi)在(zai)建(jian)築(zhu)物(wu)遭(zao)受(shou)雷(lei)擊(ji)時(shi),減(jian)小(xiao)入(ru)地(di)雷(lei)電(dian)流(liu)產(chan)生(sheng)的(de)電(dian)磁(ci)感(gan)應(ying)對(dui)室(shi)內(nei)電(dian)氣(qi)電(dian)子(zi)設(she)備(bei)的(de)影(ying)響(xiang),內(nei)部(bu)防(fang)護(hu)由(you)磁(ci)場(chang)屏(ping)蔽(bi)(建築物空間屏蔽和內部線路屏蔽)、合理布線、等電位連接組成,目的是在建築物近旁遭受雷擊時,阻擋大氣中雷電電磁脈衝侵入室內。
dangjianzhuwujinpanghuoyuanduanzaoshouleijishi,xinhaoshebeidedianyuanxianluxinhaochuanshuxianlukenengshouleidiandiancichangganying,leidiandiancimaichongyanqiqinrushineixinhaoshebeizaochengleihai。shezhilangyongbaohuqidemudeshijiangruqindeleidianliuyibufenxiefangdaodixia,bingjiangleidianyaqianzhidaoxinhaoshebeinaileidianchongjianquanshuipingyixia。dangjianzhuwuzaoshouleijierdidianweishangshengshi,xinhaoshebeidedianyuanxianlu、信號傳輸線與地線間有一較高的電位差,設置浪湧保護器可以均衡電源線路、信號傳輸線路與地線間的電位。外部防護、內部防護及浪湧保護器都共同使用了一個良好的接地網。因此客運專線在信號機房建築物設計時應當按照國家標準“GB/T 21714.4-2008雷電防護第4部分:建築物內電氣和電子係統”的要求,設置外部防雷係統、內部防雷係統和地網。
軌gui邊bian的de信xin號hao設she備bei,應ying當dang安an置zhi在zai接jie地di的de金jin屬shu箱xiang盒he內nei。對dui於yu客ke運yun專zhuan線xian,這zhe些xie金jin屬shu箱xiang盒he內nei應ying當dang與yu由you綜zong合he接jie地di係xi統tong的de貫guan通tong地di線xian良liang好hao連lian接jie,並bing在zai箱xiang盒he內nei設she置zhi接jie地di彙hui流liu排pai和he安an裝zhuang浪lang湧yong保bao護hu器qi。
1.4 正確選用和安裝浪湧保護器(SPD)
在國家標準“GB/T 21714.4—2008雷電防護 第4部分:建築物內電氣和電子係統”中,特別強調了安裝能量協調配合的浪湧保護器。浪湧保護器安裝在線路和設備端口,必須滿足浪湧保護器的保護水平Up小於設備的雷電耐受電壓水平Uw的要求即Up
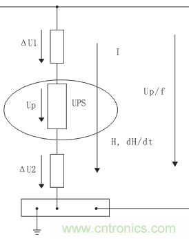
選擇SPD適當的電壓保護水平時,還要考慮SPD的連接線長度。當SPD與被保護設備連接時,連接導線的感應電壓降ΔU將與SPD的電壓保護水平UP疊加。實際的保護水平Up/f定義為SPD的實際輸出電壓,它是SPD的保護水平和連接線的電壓降之和(圖1)。

國際標準IEC 62305-4《雷電防護 第4部分:建築物內電氣和電子係統》的2008年修訂版認為,限壓型SPD的Up/f=UP+ΔU。SPD流過雷電流時,若連接導線的長度≤1m,每米長度的導線電感為1μH,對於電源SPD,當流過雷電流時,1m線路上的ΔU可以達到1kV,對於智能電源屏,1kV ΔU加上1kV以上的UP可能是災難性的。隻有在充分滿足Up/f≤UW,即SPD與設備間的導線長度可以忽略時,內部係統才得到保護。因此,除了在電源線進入建築物處安裝第1級電源SPD外,在智能電源屏內盡量靠近被保護單元或器件還要設置一級UP極低的SPD,連接線應當極短。
二、集裝箱中繼站的防雷考慮
在(zai)客(ke)運(yun)專(zhuan)線(xian),信(xin)號(hao)係(xi)統(tong)大(da)量(liang)的(de)采(cai)用(yong)了(le)集(ji)裝(zhuang)箱(xiang)中(zhong)繼(ji)站(zhan)。集(ji)裝(zhuang)箱(xiang)中(zhong)繼(ji)站(zhan)為(wei)鐵(tie)質(zhi),由(you)於(yu)鐵(tie)磁(ci)物(wu)質(zhi)對(dui)磁(ci)場(chang)的(de)良(liang)好(hao)衰(shuai)耗(hao),鐵(tie)質(zhi)集(ji)裝(zhuang)箱(xiang)成(cheng)了(le)一(yi)個(ge)較(jiao)好(hao)的(de)磁(ci)屏(ping)蔽(bi)體(ti)。集(ji)裝(zhuang)箱(xiang)內(nei)的(de)信(xin)號(hao)設(she)備(bei)處(chu)於(yu)良(liang)好(hao)的(de)雷(lei)電(dian)電(dian)磁(ci)環(huan)境(jing)中(zhong),集(ji)裝(zhuang)箱(xiang)的(de)雷(lei)電(dian)防(fang)護(hu)主(zhu)要(yao)防(fang)止(zhi)直(zhi)擊(ji)雷(lei)對(dui)集(ji)裝(zhuang)箱(xiang)的(de)機(ji)械(xie)損(sun)壞(huai)和(he)傳(chuan)導(dao)雷(lei)對(dui)箱(xiang)內(nei)信(xin)號(hao)設(she)備(bei)的(de)損(sun)害(hai)。
為wei了le防fang止zhi雷lei電dian直zhi擊ji集ji裝zhuang箱xiang中zhong繼ji站zhan,條tiao件jian許xu可ke時shi,應ying盡jin量liang將jiang集ji裝zhuang箱xiang安an置zhi不bu易yi遭zao受shou直zhi擊ji雷lei的de位wei置zhi,如ru高gao架jia橋qiao下xia,安an置zhi在zai空kong曠kuang地di帶dai的de集ji裝zhuang箱xiang應ying當dang在zai箱xiang體ti上shang設she置zhi避bi雷lei帶dai和he在zai箱xiang體ti頂ding麵mian設she置zhi小xiao短duan避bi雷lei針zhen,以yi避bi免mian雷lei擊ji箱xiang麵mian時shi造zao成cheng機ji械xie損sun壞huai。一yi般ban采cai用yong滾gun球qiu法fa計ji算suan小xiao短duan避bi雷lei針zhen的de設she置zhi位wei置zhi和he高gao度du。小xiao短duan避bi雷lei針zhen的de高gao度du應ying滿man足zu集ji裝zhuang箱xiang中zhong繼ji站zhan的de運yun輸shu條tiao件jian。
[page]
進入箱體的電源線應當設置符合能量配合要求的SPD,由於客運專線電源線都為地下電纜引入,根據國家標準“GB/T 21714.1—2008雷電防護1部分:總則”的描述,建築物附近雷擊在電源線上的感應電流或雷電傳導進入建築物內電源線的電流期望最大值為5kA(8/20μs波形),因此,集裝箱中繼站的第1級電源防雷設備可選用8/20μs波形測試時標稱電流為10kA的SPD,在雷害嚴重地區最多選用8/20μs波形測試時標稱電流為20kA的SPD。由於集裝箱麵積狹小,電源係統不適於多位置安裝防雷設備,因此選用Up低的SPD至為關鍵。
信號線進入集裝箱時的分線櫃,應當采用防雷型分線櫃,同樣的理由,防雷型分線櫃的SPD不宜選用標稱電流大的SPD,而特別要注意按照電子設備的雷電耐受能力UW選用信號設備用SPD的Up。
集裝箱應安置在有良好地網台墩上,集裝箱四角必須地網連接,集裝箱地網應當與綜合接地係統在地下連接。集裝箱內應當設備供SPD接地的接地彙流排,進入箱內的第1級電源防護SPD接地,應當單獨設置接地彙流排。集裝箱內的信號機櫃可以直接固定在集裝箱箱體上。
三、綜合接地係統
鐵tie路lu設she備bei及ji設she施shi的de接jie地di係xi統tong工gong程cheng十shi分fen複fu雜za,過guo去qu普pu速su鐵tie路lu都dou是shi各ge專zhuan業ye地di線xian分fen別bie設she置zhi。而er客ke運yun專zhuan線xian牽qian引yin電dian流liu高gao,車che流liu密mi度du大da,其qi高gao牽qian引yin電dian流liu要yao有you一yi定ding的de連lian續xu性xing。因yin此ci在zai客ke運yun專zhuan線xian,將jiang沿yan線xian一yi定ding範fan圍wei內nei的de牽qian引yin供gong電dian係xi統tong、電力供電係統、信號係統、通信係統及其他電子信息係統、建築物、道床、站台、橋梁、隧道、聲sheng屏ping障zhang等deng設she備bei的de接jie地di係xi統tong,通tong過guo貫guan通tong地di線xian連lian成cheng一yi體ti化hua的de接jie地di係xi統tong,即ji綜zong合he接jie地di係xi統tong。由you於yu客ke運yun專zhuan線xian的de綜zong合he接jie地di係xi統tong是shi一yi個ge整zheng體ti,它ta提ti高gao了le接jie地di係xi統tong的de標biao準zhun,接jie地di性xing能neng好hao,能neng夠gou滿man足zu各ge係xi統tong設she備bei防fang雷lei、電磁兼容、人身保護、計算機邏輯等電位連接等要求。目前,歐洲鐵路普遍采用綜合接地係統。
將各子係統連為一體的貫通地線的敷設,應便於設備、設(she)施(shi)就(jiu)近(jin)接(jie)入(ru)和(he)工(gong)程(cheng)實(shi)施(shi),並(bing)根(gen)據(ju)不(bu)同(tong)區(qu)段(duan)回(hui)流(liu)的(de)分(fen)布(bu)情(qing)況(kuang)綜(zong)合(he)考(kao)慮(lv)貫(guan)通(tong)地(di)線(xian)截(jie)麵(mian)積(ji),正(zheng)常(chang)情(qing)況(kuang)下(xia)應(ying)滿(man)足(zu)流(liu)過(guo)貫(guan)通(tong)地(di)線(xian)最(zui)大(da)牽(qian)引(yin)回(hui)流(liu)需(xu)要(yao)和(he)接(jie)觸(chu)網(wang)短(duan)路(lu)(短路時間按不大於100ms計)時通過瞬間大電流熱穩定的要求。貫通地線應有良好的導電性和可靠性,耐腐蝕並符合環保要求。
四、結束語
客ke運yun專zhuan線xian的de綜zong合he防fang雷lei和he普pu速su鐵tie路lu比bi較jiao,信xin號hao設she備bei係xi統tong的de耐nai雷lei電dian能neng力li更geng弱ruo,考kao慮lv的de防fang護hu重zhong點dian也ye有you差cha異yi,有you一yi定ding的de特te殊shu性xing。因yin此ci應ying當dang有you一yi套tao客ke運yun專zhuan線xian的de電dian磁ci兼jian容rong和he綜zong合he防fang雷lei的de規gui範fan(目前已有防雷箱和防雷分線櫃標準)相信我們在實踐中不斷總結經驗,一定能將客運專線的電磁兼容和綜合防雷做的更好,確保客運專線的安全運行。
相關閱讀:
變頻器防雷保護途徑:端口保護
安防監控係統防雷三步曲
如何設計防雷擊浪湧的開關電源
特別推薦
- 噪聲中提取真值!瑞盟科技推出MSA2240電流檢測芯片賦能多元高端測量場景
- 10MHz高頻運行!氮矽科技發布集成驅動GaN芯片,助力電源能效再攀新高
- 失真度僅0.002%!力芯微推出超低內阻、超低失真4PST模擬開關
- 一“芯”雙電!聖邦微電子發布雙輸出電源芯片,簡化AFE與音頻設計
- 一機適配萬端:金升陽推出1200W可編程電源,賦能高端裝備製造
技術文章更多>>
- 一秒檢測,成本降至萬分之一,光引科技把幾十萬的台式光譜儀“搬”到了手腕上
- AI服務器電源機櫃Power Rack HVDC MW級測試方案
- 突破工藝邊界,奎芯科技LPDDR5X IP矽驗證通過,速率達9600Mbps
- 通過直接、準確、自動測量超低範圍的氯殘留來推動反滲透膜保護
- 從技術研發到規模量產:恩智浦第三代成像雷達平台,賦能下一代自動駕駛!
技術白皮書下載更多>>
- 車規與基於V2X的車輛協同主動避撞技術展望
- 數字隔離助力新能源汽車安全隔離的新挑戰
- 汽車模塊拋負載的解決方案
- 車用連接器的安全創新應用
- Melexis Actuators Business Unit
- Position / Current Sensors - Triaxis Hall
熱門搜索





