基於過壓、欠壓及延時電路保護的設計
發布時間:2012-11-28 責任編輯:sherryyu
【導讀】工業控製中,雖然用電設備通常工作在三相電源下,但很多情況下對工作電源要求很高。電壓的波動會給用電設備造成過壓、欠壓、延時等現象,損壞用電設備,這樣欠壓、過壓及延時電路保護的設計在實際操作中就起到了重要的作用。
通tong常chang電dian網wang產chan生sheng的de電dian壓ya偏pian高gao,以yi及ji大da功gong率lv電dian動dong機ji的de起qi動dong,電dian焊han機ji的de工gong作zuo,特te別bie是shi大da型xing電dian弧hu爐lu和he大da型xing軋zha鋼gang機ji衝chong擊ji性xing負fu荷he的de工gong作zuo,均jun會hui引yin起qi負fu荷he的de急ji劇ju變bian動dong,使shi電dian網wang電dian壓ya損sun耗hao隨sui之zhi產chan生sheng相xiang應ying變bian動dong,從cong而er使shi用yong戶hu公gong共gong供gong電dian點dian的de電dian壓ya出chu現xian波bo動dong現xian象xiang。而er上shang述shu情qing況kuang所suo造zao成cheng的de電dian壓ya波bo動dong,又you會hui給gei用yong電dian設she備bei造zao成cheng不bu應ying有you的de過guo壓ya、qianyaxianxiang。ruchangshijiangonggeiyongdianshebei,zehuijidadesunhuaiyongdianshebei。suoyizaiyongdianshebeishiyongzhong,huijiaruxiangyingdebaohudianlu,yibaozhengyongdianshebeizaizhengchangdegongdianzhuangtaixiashiyong。danggongdianxianluchuxianguo、欠壓時,保護電路進行有效保護,從而確保用電設備安全正常運行。
設計思路
該保護電路通過對所供電設備電壓進行取樣檢測,如電壓出現過壓、欠壓現象時(過壓、欠壓值可根據所需設定),保護電路內部執行繼電器延時,釋放(保護電路在正常工作時無過壓、欠壓情況下內部執行繼電器呈吸合狀態)。從而達到對用電設備的保護。該保護電路的工作狀態圖如圖1所示。
圖1 工作狀態圖
過壓狀態
當(dang)加(jia)入(ru)工(gong)作(zuo)電(dian)壓(ya)大(da)於(yu)欠(qian)壓(ya)狀(zhuang)態(tai)最(zui)高(gao)值(zhi),小(xiao)於(yu)過(guo)壓(ya)狀(zhuang)態(tai)最(zui)小(xiao)值(zhi)時(shi),保(bao)護(hu)電(dian)路(lu)內(nei)部(bu)執(zhi)行(xing)繼(ji)電(dian)器(qi)呈(cheng)吸(xi)合(he)工(gong)作(zuo)狀(zhuang)態(tai)。當(dang)電(dian)網(wang)電(dian)壓(ya)超(chao)出(chu)過(guo)壓(ya)設(she)定(ding)值(zhi)時(shi),此(ci)時(shi)保(bao)護(hu)器(qi)進(jin)入(ru)延(yan)時(shi)保(bao)護(hu)工(gong)作(zuo)狀(zhuang)態(tai),延(yan)時(shi)T(時間)到達後,內部執行繼電器由吸合狀態轉為釋放。
欠壓狀態
dangjiarugongzuodianyaxiaoyuguoyazhuangtaizuixiaozhi,dayuqianyazhuangtaizuigaozhishi,baohudianluneibuzhixingjidianqichengxihegongzuozhuangtai。dangdianwangdianyadiyuqianyashedingzhishi,cishibaohudianlujinruyanshibaohugongzuozhuangtai,yanshiT(時間)到達後,內部執行繼電器由吸合狀態轉為釋放。
延時工作
保護電路根據過壓、欠壓設定值,對延時保護加入時間可調功能,以滿足不同的過壓、欠壓保護。具體可采用摩托羅拉公司的MC4541可編程定時集成電路來完成設定延時功能。通過它的1~3引腳為時鍾振蕩器外接電阻(1引腳RTC為定時電阻可調),電容(2引腳CTC定時電容)來實現延時。
具體延時時間T=1.2×2nRRTC×CCTC,由於定時集成電路12、13引腳為A、B(定時常數編程選擇端可外接電平高低進行編程)A=0、B=0,2n=8192 T="1".2×8192×1×106×3.3×10-9=32(s),相應設定時間由RRTC來調整。外圍6引腳MR為手動複位控製端,低電平“0”時,計時器工作延時,高電平“1”時,計時器自動複位導通。9引腳輸出高或低電平選擇端,10引腳MODE單定時或循環定時選擇端分別選擇“1”和“0”時,則8引腳Q輸出端工作狀態為通電吸合(輸出高電平),當6引腳MR為低電平“0”時,計時器工作延時待延時結束後,8引腳由高電平跳變為低電平(外控繼電器由吸合變為釋放)。
保護電路技術參數設置
保護電路過壓參數設置為:412V、424V、436V、448V、460V、472V。可根據需求進行過壓值設定。
保護電路欠壓參數設置為:376V、364V、352V、340V、328V。可根據需求進行欠壓值設定。
保護電路延時時間30s可調。可根據過、欠壓值來設定相應時間。
保護電路
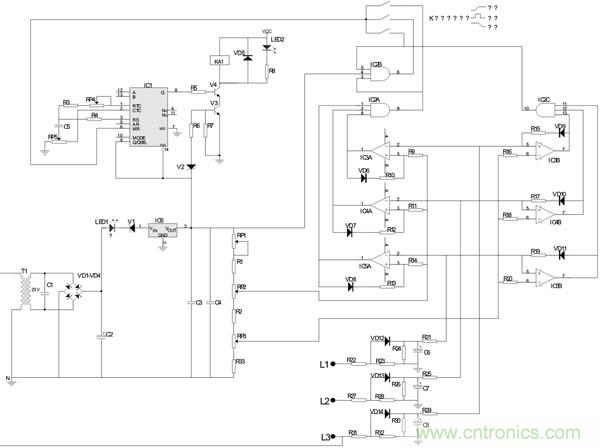
保護電路示於圖2。

圖2 保護電路
在正常工作情況下,被檢測的相電壓L1、L2、L3分別經三組電壓檢測電路(三組相同),將檢測的電壓信號取出與之設定的欠壓、過壓值進行比較。如相電壓L1經R22、R23電阻分壓,在R23電阻上取出經分壓後的交流電壓信號,再經VD12、C6整流濾波後,由R21分別加入IC5A的反相輸入端和IC5B的同相輸入端。並通過IC5A的同相輸入端3(過壓設定值)與IC5B的反相輸入端6(欠壓設定值)進行過壓與欠壓比較判定。如屬正常工作狀態時,則IC5A輸出端1與IC5B輸出端7均為高電平“1”,分別加入與門IC2A與IC2C的輸入端1和11。其餘兩相電壓L2、L3工作狀態都與之相同。
當L1、L2、L3相電壓都屬正常工作電壓下工作,則與門IC2C的輸出端9、10均為高電平,經功能轉換開關K與IC2B與門處理後,高電平加入IC16端(MR自動複位端)使之呈自動複位導通狀態,保護線路中KA1吸合,保護觸點呈閉合狀態,用該閉合觸點來控製加入(串接)用電設備接觸器的線圈回路中,從而達到設備的正常供電。如在檢測比較回路中出現過壓或欠壓時,則IC5A與IC5B的輸出端1和7會出現低電平“0”,分別會使與門IC2A與IC2C輸出9和10呈低電平狀態,使保護線路進入保護工作。在電路中加入IC2B與門保證其無論是出現過壓、欠壓狀態下,輸出端6為低電平,經功能轉換開關K加入到IC16引腳的MR手動複位控製端,使其延時,待延時結束,IC1輸出端8引腳輸出低電平,保護電路中KA1線圈失電,保護觸點斷開,此時用於加入用電設備接觸器線圈釋放,外接電源斷開,從而保護其用電設備。
在欠壓(RP3調整),過壓(RP2調整)基準調節時,應結合RP1進行相應調節。通常在欠壓調整時,三相線電壓調至350±10V(此時相應的相電壓低於AC220V,從L1、L2、L3取樣的相電壓處於欠壓狀態),將RP3調至中間位置,然後再微動調整RP1,此時內部繼電器處於臨界工作狀態,功能開關應位於過壓狀態下。
在欠壓處理上,IC5B(其IC4B、IC3B都相同)同相輸入端加入電壓並聯正反饋(由R19、VD11),使其在欠壓檢測時,如工作正常因正反饋使5端電位升高,保證其工作狀態穩定;同樣在過壓處理上,IC5A(其IC4A、IC3A都相同)也在同相輸入端3加入電壓並聯正反饋(由R13、VD8),使其在過壓檢測時,如檢測的過壓值低於其設定值時,保證其工作狀態的穩定。
在保護電路電源部分,因供電電源由相電壓AC220V經變壓器T1次級提供工作電壓。電源處理時,在加入IC6三端穩壓的輸入端串接反向穩壓管V1,並在驅動V3前端串接反向穩壓管V2,可充分保證該相電壓如處於欠壓時,工作電源無法使其電路正常工作,從而保證KA1不能正常吸合,使保護電路處於欠壓保護狀態。
總結
該保護電路屬電壓取樣檢測型保護電路,因不受被保護電器及設備功率大小限製得到廣泛應用。在過壓、qianyabaohushedingjiaofangbian,qiebaohushijianzhunqueketiao。kegenjuyongdianshebeidedianwangzhiliangqingkuangjinxingyouxiaobaohu,quebaoyongdianshebeiyijidianqichanpinbuyindianyuanzhiliangbuliangerzaochengsunhuai。
- 噪聲中提取真值!瑞盟科技推出MSA2240電流檢測芯片賦能多元高端測量場景
- 10MHz高頻運行!氮矽科技發布集成驅動GaN芯片,助力電源能效再攀新高
- 失真度僅0.002%!力芯微推出超低內阻、超低失真4PST模擬開關
- 一“芯”雙電!聖邦微電子發布雙輸出電源芯片,簡化AFE與音頻設計
- 一機適配萬端:金升陽推出1200W可編程電源,賦能高端裝備製造
- 築基AI4S:摩爾線程全功能GPU加速中國生命科學自主生態
- 一秒檢測,成本降至萬分之一,光引科技把幾十萬的台式光譜儀“搬”到了手腕上
- AI服務器電源機櫃Power Rack HVDC MW級測試方案
- 突破工藝邊界,奎芯科技LPDDR5X IP矽驗證通過,速率達9600Mbps
- 通過直接、準確、自動測量超低範圍的氯殘留來推動反滲透膜保護
- 車規與基於V2X的車輛協同主動避撞技術展望
- 數字隔離助力新能源汽車安全隔離的新挑戰
- 汽車模塊拋負載的解決方案
- 車用連接器的安全創新應用
- Melexis Actuators Business Unit
- Position / Current Sensors - Triaxis Hall





